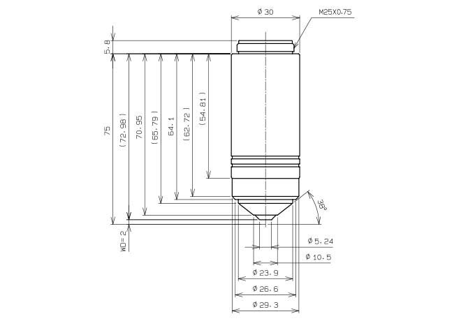
20X Objective NA 1.0 FN 22.0 WD 2.0 mm

  • Numerical Aperture (NA): 1
  • Working Distance (WD) [mm]: 2
  • Objective Field Number: 22
  • Coverglass Thickness [mm]: 0
  • Immersion Medium: Water
  • Correction Collar: N/A
  • Objective Type: Semi-apochromat (Fluorite)
  • Parfocal Distance [mm]: 75
  • Back Focal Plane (BFP) Position [mm]: -48.1
  • Mounting Threads: M25X0.75
  • Reflected Brightfield (BF): N/A
  • Transmitted Brightfield (BF): Excellent
  • Reflected Darkfield (DF): N/A
  • Transmitted Darkfield (DF): N/A
  • Reflected DIC (Visible): N/A
  • Transmitted DIC (Visible): Good
  • Polarization (PO): Limitation
  • Fluorescence (B & G excitation): Excellent
  • Fluorescence (UV excitation : 365nm): Excellent
  • Multi photon excitation (MPE): N/A
  • Compatible for Autofocus: N/A
  • IR Through Si or Glass: N/A
  • TIRF (Total Internal Reflection Fluorescence): N/A
  • WLI (White Light Interferometry): N/A
  • 340nm Transmittance: N/A
  • 700-1000nm Transmittance: Yes
  • 1000-1300nm Transmittance: N/A
  • Magnification: 20
  • Relief Contrast (RC): N/A
  • Phase Contrast (PH): N/A
  • With Coverglass: N/A
  • Variable Coverglass: N/A
  • Without Coverglass: Yes
dimension transmittance