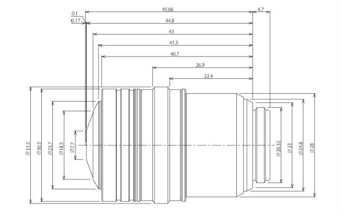
APON60XOTIRF
Objective Field Number: 22
/en/product-fragments