Post Author's Photo

Takeo Soejima

Sección de Sistemas Raman, JASCO Corporation

Takeo Soejima inició trabajando para el Departamento de Desarrollo de Aplicaciones de Espectroscopia Raman en JASCO Corporation y, ahora, se enfoca en el desarrollo del sistema de espectroscopia Raman de esta empresa.

Artículos

Sección de Sistemas Raman, JASCO Corporation
https://main--eds-evident-website--evident-scientific.hlx.live/es/insights/how-mix-observation-screening-saves-time-for-raman-analysis

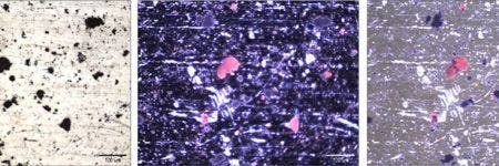
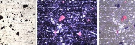
¿Cómo la detección de la observación MIX permite ahorrar tiempo en el análisis Raman?

By Takeo Soejima - 29 septiembre, 2023