Análisis del proceso de limpieza técnica — Segunda parte: Adquisición de imágenes y medición de partículas

Adquisición de imágenes y medición de partículas

Post Author's Photo

Hamish Rossell

22 enero, 2018

Calibración del tamaño de los píxeles y configuración de los parámetros de medición

En la segunda entrega de esta serie de seis publicaciones, analizaremos la segunda etapa del proceso de limpieza técnica: la adquisición de imágenes y medición de partículas. Esta etapa incluye la calibración del tamaño de los píxeles y la definición de los parámetros de medición como paso previo a la clasificación del tamaño de las partículas. Aquí es donde la adquisición de imágenes y la medición de partículas encajan en el proceso general de inspección de limpieza técnica:

Adquisición de imágenes

Una vez montado el filtro en la platina del microscopio, se pueden adquirir las imágenes necesarias para la inspección de limpieza. Es importante tener un tamaño de píxel bien calibrado porque el tamaño resultante de las partículas depende de este tamaño. La resolución de la imagen está en el rango de 1 µm cuando se usa una lente del objetivo de 10X.

Es necesario detectar todas las partículas en la membrana del filtro, pero solo una vez. Por eso la membrana de filtro se divide en cuadros con el campo de visión de la cámara. La membrana se mueve y todo el filtro se puede registrar.

Una membrana de filtro dividida en cuadros
Una membrana de filtro dividida en cuadros

No es necesario tener dos imágenes paralelas superpuestas para crear una aplicación mosaico. La precisión mecánica de la platina motorizada permite el posicionamiento exacto de la membrana de filtro. Cuando se utiliza un objetivo de 10X, se adquieren alrededor de 1700 imágenes individuales para toda el área del filtro. Este proceso lleva menos de 10 minutos, incluida la adquisición y el análisis de las imágenes.

Todas las imágenes se deben adquirir una al lado de la otra y el movimiento debe hacerse siguiendo coordenadas de imagen. La posible rotación entre la cámara (imagen) y las coordenadas de la platina se debe compensar durante este proceso de adquisición.

Movimiento sin corregir (izquierda) y movimiento corregido (derecha)
Movimiento sin corregir (izquierda) y movimiento corregido (derecha)

Detección de partículas

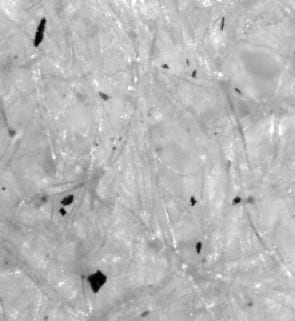
La detección o segmentación de la imagen se utiliza para combinar un conjunto de píxeles en la imagen. Esta área de píxeles combinados se llama partícula. Cuando se examinan las membranas de los filtros, las partículas suelen aparecer oscuras sobre un fondo brillante.

El interesante rango de intensidad de las partículas suele comenzar en 0 (es decir, «en negro») y solo es necesario para determinar el umbral de intensidad superior de las partículas que son detectadas.

Partículas oscuras visibles contra un fondo brillante

Partículas oscuras visibles contra un fondo brillante

Para investigar una membrana de filtro completa, es importante que las partículas también sean detectadas si se extienden más allá del campo de visión de los cuadros de imágenes individuales. Una partícula puede dividirse en dos o más imágenes pero el software de inspección la combinará en una imagen con su tamaño y su forma real.

Medición del tamaño de las partículas

Cada partícula detectada puede ser representada por diferentes parámetros. Las definiciones más importantes del tamaño de una partícula son el diámetro máximo de Feret y el diámetro del círculo equivalente.

Diámetro máximo de Feret: El diámetro máximo de Feret es la distancia máxima de las tangentes paralelas en los bordes de las partículas opuestas. Es similar a una medición hecha con un calibrador.

El diámetro máximo de Feret

El diámetro máximo de Feret

Diámetro del círculo equivalente: El diámetro del círculo equivalente (DCE) es el diámetro de un círculo que tiene un área igual al área de la partícula.

Diámetro del círculo equivalente
Diámetro del círculo equivalente

Ambos parámetros miden una longitud de la partícula. Se pueden utilizar otros parámetros de partículas para medir el área, la forma y la reflectividad de una partícula; estos parámetros se utilizan para reconocer familias especiales de partículas como las fibras y las partículas reflectoras.

Para algunos estándares de inspección, también se recomienda medir la ocupación de partículas en la membrana de filtro. Esta ocupación es la suma de todas las áreas de partículas y debería ser aproximadamente del 1 % al 2 %, pero, en cualquier caso, menos del 7 %.

Una vez que las partículas han sido medidas, están listas para su clasificación: la siguiente fase del proceso de inspección de limpieza técnica. Consulte la tercera parte de nuestra serie de publicaciones «Análisis del proceso de limpieza técnica»: Clasificación del tamaño de partículas y extrapolación y normalización de conteo de partículas.

Post Author's Photo

Hamish Rossell

Product Applications Manager, Olympus Corporation of the Americas, Scientific Solutions Group

A member of the Olympus team since 2016, Hamish provides product and application support for Olympus industrial microscope systems throughout the Americas. He is an expert in inspection applications, image analysis, measurement, and reporting, as well as custom optical solutions, with an emphasis on technical cleanliness and semiconductor equipment.