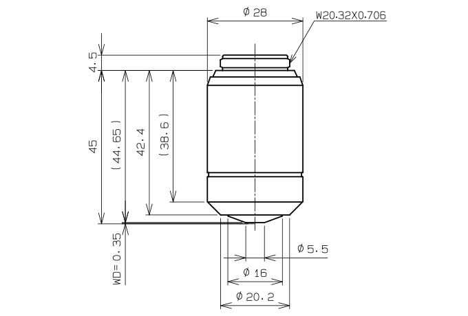
MPLAPON100XO

  • Objective Field Number: 26.5