Post Author's Photo

Takeo Soejima

Section du système Raman, JASCO Corporation

Takeo Soejima travaillait dans un premier temps dans le service de développement d’applications de spectroscopie Raman de JASCO. Il participe désormais au développement du système de spectroscopie Raman de la société.

Articles

Section du système Raman, JASCO Corporation
https://main--eds-evident-website--evident-scientific.hlx.live/fr/insights/how-mix-observation-screening-saves-time-for-raman-analysis

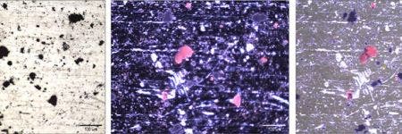
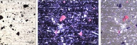
Comment le mode d’observation MIX permet de gagner du temps en analyse Raman

By Takeo Soejima - 29 septembre, 2023