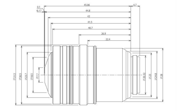
APON60XOTIRF
Objective Field Number: 22
/fr/product-fragments