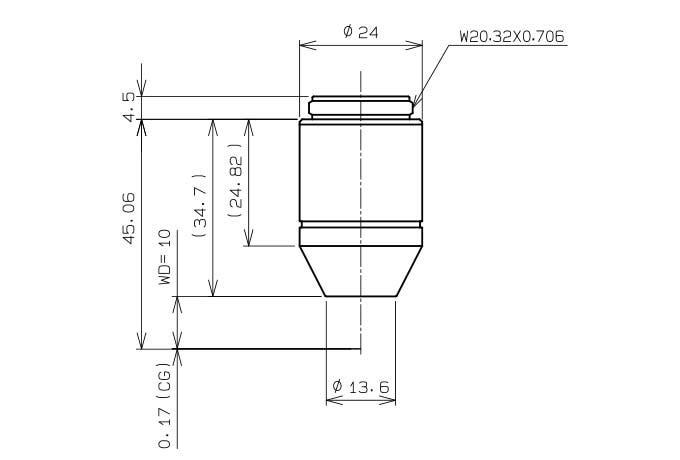
UPLFLN10X2PH

  • Objective Field Number: 26.5