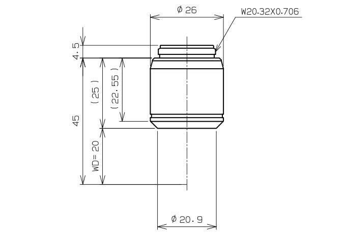
MPLFLN5X
Objective Field Number: 26.5
/fr/product-fragments