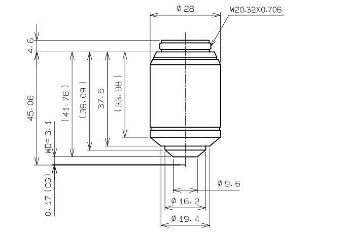
10X obiettivo NA 0.4 FN 26.5 WD 3.1 mm

UPLXAPO10X OBJECTIVE, OFN26.5, NA0.40, WD3.1mm

  • Numerical Aperture (NA): 0.4
  • Working Distance (WD) [mm]: 3.1
  • Objective Field Number: 26.5
  • Coverglass Thickness [mm]: 0.17
  • Immersion Medium: Air/Dry
  • Correction Collar: N/A
  • Objective Type: Extended Apochromat
  • Parfocal Distance [mm]: 45
  • Back Focal Plane (BFP) Position [mm]: -19.1
  • Mounting Threads: W20.32X0.706(RMS)
  • Reflected Brightfield (BF): N/A
  • Transmitted Brightfield (BF): Excellent
  • Reflected Darkfield (DF): N/A
  • Transmitted Darkfield (DF): Good
  • Reflected DIC (Visible): N/A
  • Transmitted DIC (Visible): Excellent
  • Polarization (PO): Good
  • Fluorescence (B & G excitation): Excellent
  • Fluorescence (UV excitation : 365nm): Excellent
  • Multi photon excitation (MPE): N/A
  • Compatible for Autofocus: Yes
  • IR Through Si or Glass: N/A
  • TIRF (Total Internal Reflection Fluorescence): N/A
  • WLI (White Light Interferometry): N/A
  • 340nm Transmittance: Yes
  • 700-1000nm Transmittance: Yes
  • 1000-1300nm Transmittance: Yes
  • Magnification: 10
  • Relief Contrast (RC): N/A
  • Phase Contrast (PH): N/A
  • With Coverglass: Yes
  • Variable Coverglass: N/A
  • Without Coverglass: N/A
dimension transmittance