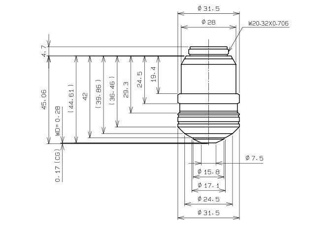
UPLSAPO60XW
Objective Field Number: 26.5
/it/product-fragments