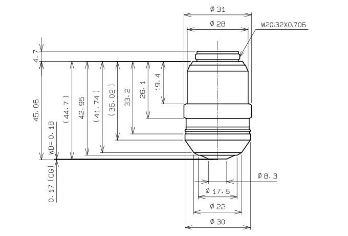
UPLSAPO40X2
Objective Field Number: 26.5
/it/product-fragments