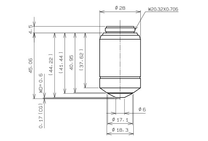
UPLSAPO20X

  • Objective Field Number: 26.5