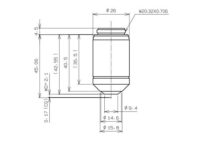
UPLFLN20XPH
Objective Field Number: 26.5
/ko/product-fragments