分步讲解技术清洁度检测的工作流程,第二部分:图像获取和颗粒测量

图像获取和颗粒测量

Post Author's Photo

Hamish Rossell

2018年 1月 22日

校准像素尺寸并设置测量参数

在这个由六篇博客组成的博客系列的第二篇博客中,我们将探讨技术清洁度工作流程的第二阶段:图像获取和颗粒测量。这个阶段包括校准像素尺寸和设置测量参数,以为粒径的分类做好准备。我们先来看看整个技术清洁度检测工作流程都包含哪些环节以及图像获取和颗粒测量处于其中的位置:

图像获取

滤膜被放置到显微镜载物台上之后,就可以获得清洁度检测所需的图像。正确校准像素尺寸很重要,因为颗粒的最后尺寸对其很敏感。使用10倍物镜时,图像像素范围为1µm。

探测滤膜上的所有颗粒很有必要,但只需探测一次。这也是为什么滤膜会根据相机视野大小被分割成图框的原因。滤膜移动,整个滤膜会被记录下来。

滤膜被分割成图框
滤膜被分割成图框

拼接时无需重叠两张相邻图像。载物台机械精度确保了滤膜的精准定位。使用10倍物镜时,整个过滤区域可获取大约1700张独立图像。过程所需时间少于10分钟,包括图像获取和分析。

所有图像需依次获得,且移动须在影像坐标上完成。相机(图像)和载物台坐标间可能会有旋转,这在获取过程中必须得以补偿。

未矫正移动(左)和矫正移动(右)
未矫正移动(左)和矫正移动(右)

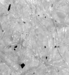
颗粒探测

图像的探测或分割用于将图像中的像素集组合在一起。组合像素的区域被称为颗粒。检测滤膜时,颗粒通常呈现为亮背景上的一个黑点。

颗粒的相关光强度范围通常起始于0(即黑色),且只对确定即将探测颗粒的光强度阈值上限而言是必需的。

亮背景下黑色颗粒可见

亮背景下黑色颗粒可见

为研究完整滤膜,若颗粒延展超出单个图像帧视野范围,也应该可以被探测到,这一点很重要。一个颗粒可分裂为两个或更多图像,但可以使用检测软件融合成实际尺寸和形状。

粒径的测量

每个探测到的颗粒可由各种参数进行描述。颗粒最为重要的尺寸界定是最大费雷特直径及等效圆直径。

最大费雷特直径: 最大费雷特直径是对立颗粒边界处平行切线的最大距离。这与使用卡尺工具所进行的测量相似。

最大费雷特直径

最大费雷特直径

等效圆直径: 等效圆直径(ECD)指面积等同于颗粒面积的圆的直径。

等效圆直径
等效圆直径

两个参数均测量了颗粒长度。还有其他颗粒参数可用于测量颗粒面积、形状及反射率。这些都可用于识别特定颗粒种类,如纤维和反光颗粒。

就某些检测标准而言,同样建议测量滤膜上的颗粒占有率。该占有率是所有颗粒区域的总和,应该大约是1%-2%,但是在任何情况下都应该小于7%。

测量了颗粒之后,它们就为分类做好了准备,也就是技术清洁度检测流程的下一阶段。请参阅我们的“分步讲解技术清洁度检测的工作流程”博客系列的第三部分:粒径的分类和颗粒计数外推法和归一化

Post Author's Photo

Hamish Rossell

Product Applications Manager, Olympus Corporation of the Americas, Scientific Solutions Group

A member of the Olympus team since 2016, Hamish provides product and application support for Olympus industrial microscope systems throughout the Americas. He is an expert in inspection applications, image analysis, measurement, and reporting, as well as custom optical solutions, with an emphasis on technical cleanliness and semiconductor equipment.