PLN20X
PLN20X;PLAN ACHROMAT 20X OBJECTIVE,NA0.40 WD1.2MM
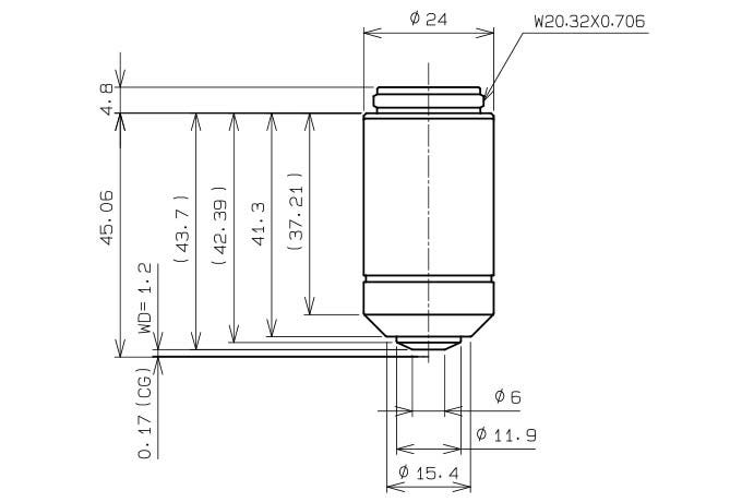
- Numerical Aperture (NA): 0.4
- Working Distance (WD) [mm]: 1.2
- Objective Field Number: 22
- Coverglass Thickness [mm]: 0.17
- Immersion Medium: Air/Dry
- Correction Collar: N/A
- Objective Type: Achromat
- Parfocal Distance [mm]: 45
- Back Focal Plane (BFP) Position [mm]: -20.1
- Mounting Threads: W20.32X0.706(RMS)
- Reflected Brightfield (BF): N/A
- Transmitted Brightfield (BF): Good
- Reflected Darkfield (DF): N/A
- Transmitted Darkfield (DF): Good
- Reflected DIC (Visible): N/A
- Transmitted DIC (Visible): N/A
- Polarization (PO): Limitation
- Fluorescence (B & G excitation): Limitation
- Fluorescence (UV excitation : 365nm): N/A
- Multi photon excitation (MPE): N/A
- Compatible for Autofocus: N/A
- IR Through Si or Glass: N/A
- TIRF (Total Internal Reflection Fluorescence): N/A
- WLI (White Light Interferometry): N/A
- 340nm Transmittance: N/A
- 700-1000nm Transmittance: Yes
- 1000-1300nm Transmittance: N/A
- Magnification: 20
- Relief Contrast (RC): N/A
- Phase Contrast (PH): N/A
- With Coverglass: Yes
- Variable Coverglass: N/A
- Without Coverglass: N/A