PLN20XPH

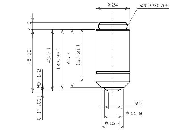
PLN20XPH; PLAN ACHROMAT 20X OBJ, Ph1, NA 0.40, WD 1.2mm

  • Numerical Aperture (NA): 0.4
  • Working Distance (WD) [mm]: 1.2
  • Objective Field Number: 22
  • Coverglass Thickness [mm]: 0.17
  • Immersion Medium: Air/Dry
  • Correction Collar: N/A
  • Objective Type: Achromat
  • Parfocal Distance [mm]: 45
  • Back Focal Plane (BFP) Position [mm]: -21.6
  • Mounting Threads: W20.32X0.706(RMS)
  • Reflected Brightfield (BF): N/A
  • Transmitted Brightfield (BF): Limitation
  • Reflected Darkfield (DF): N/A
  • Transmitted Darkfield (DF): Limitation
  • Reflected DIC (Visible): N/A
  • Transmitted DIC (Visible): N/A
  • Polarization (PO): Limitation
  • Fluorescence (B & G excitation): Limitation
  • Fluorescence (UV excitation : 365nm): N/A
  • Multi photon excitation (MPE): N/A
  • Compatible for Autofocus: N/A
  • IR Through Si or Glass: N/A
  • TIRF (Total Internal Reflection Fluorescence): N/A
  • WLI (White Light Interferometry): N/A
  • 340nm Transmittance: N/A
  • 700-1000nm Transmittance: Yes
  • 1000-1300nm Transmittance: N/A
  • Magnification: 20
  • Relief Contrast (RC): N/A
  • Phase Contrast (PH): Good
  • With Coverglass: Yes
  • Variable Coverglass: N/A
  • Without Coverglass: N/A