Anwendungshinweisen

Kontaktieren Sie uns

Bestimmung der Korngröße von Stahl

Normkonforme Bestimmung der Korngröße von Eisen und Stahl mit Bildanalysesoftware

Wärmebehandlungsverfahren
Wärmebehandlungsverfahren

Anwendungsbereich

Im Allgemeinen werden Eisen und Stahl mit abnehmender Korngröße härter und spröder. Dank zahlreicher intelligenter Wärmebehandlungsverfahren lässt sich die Korngröße von Eisen und Stahl jedoch für das Endprodukt optimieren. Meistens wird in Normen, wie von JIS, für die Ferritkorngröße eine „Korngrößenzahl“ (auch bekannt als „G-Wert“ oder „GS“, dessen Wert mit abnehmender Korngröße zunimmt) angegeben. Die Korngrößenzahl wird durch Mikroskopie bestimmt, nachdem ein Stahlstück abgetrennt, in Harz eingebettet, oberflächenpoliert und geätzt wurde. In der Vergangenheit wurden die dabei erstellten Aufnahmen visuell mit Standarddiagrammen für Korngrößenzahlen einer Norm verglichen, um festzustellen, welchem Standarddiagramm die Korngröße am besten ähnelte. Um jedoch die Ausbildungskosten für die Prüfer zu senken und Unterschiede zwischen den Ergebnissen verschiedener Prüfer zu beseitigen, ist die halbautomatische Berechnung mit Software heutzutage Standard. Da Software mehr Schwierigkeiten beim Bestimmen der Korngrenze hat als das menschliche Auge, muss das bei der Probenpräparation unbedingt darauf geachtet werden, dass die Aufnahme einen hohen Kontrast aufweist.

Die Lösung von Olympus

Die Lösung von Olympus zur Konrgrößenanalyse mit der OLYMPUS Stream Image Analysis Software ermöglicht es Prüfern, auch wenn sie die Software zum ersten Mal verwenden, die „Korngrößenzahl“ in Übereinstimmung mit einer Norm zu messen und Messergebnisse als Zusatzinformationen in das Bild einzubetten. Dazu müssen sie lediglich die Norm auswählen und die Anleitung der Software Schritt für Schritt ausführen. Mit OLYMPUS Stream und der leistungsstarken Funktion zur Korngrenzentrennung kann die Korngrenze, die für normale Software schwer zu bestimmen wäre, so gut erkannt werden wie mit dem menschlichen Auge. Dies ist ein weiterer Grund, warum diese Software von unseren Kunden akzeptiert wird. Unterstützt werden die Normen ISO 643, JIS G0551, JIS G0552, ASTM E112, DIN 50601, GOST 5639 und GB/T 6394, außerdem stehen zwei Optionen, „Zählen“ und „Trennen“, zur Verfügung.

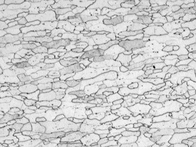
Originalbild (Stahlferritkörner)

Originalbild (Stahlferritkörner)

Korngrenzenerkennung mit der Funktion zur Korngrenzentrennung

Korngrenzenerkennung mit der Funktion zur Korngrenzentrennung

Verwendete Produkte

GX53

Das metallurgische Inversmikroskop GX53 bietet außergewöhnlich klare Bilder und hervorragende Auflösung bei starker Vergrößerung. Mit seinem modularen Design und Zubehör wie einem Objektivrevolver und Software lässt sich das Mikroskop auf einfache Weise an Ihre Anforderung anpassen.

Mehr erfahren

Stream Enterprise

Die Stream Enterprise Software mit Datenverwaltung bietet intelligente Schritt-für-Schritt-Arbeitsabläufe zur Erfassung gestochen scharfer Bilder, die für quantitative Messungen und professionelle Berichterstellung basierend auf den neuesten Standards und Normen einsetzbar sind. Angebot anfordern Kontakt Newsletter abonnieren

Mehr erfahren