Notas de aplicación

Contacta con nosotros

Evaluación del tamaño de granos en el acero

Evaluación del tamaño de granos del hierro y acero en conformidad con los estándares industriales usando el software analítico de imágenes

Proceso de tratamiento térmico
Proceso de tratamiento térmico

Aplicación

Por lo general, el hierro y el acero se vuelven más duros y frágiles a medida que su estructura cristalina se torna más pequeña. Gracias a varios tipos de tratamientos térmicos innovadores, el hierro y el acero destinados a productos finales se dotan de una granularidad de cristales optimizada. En la mayoría de los casos, la dimensión del grano de ferrita se define en los estándares industriales (p. ej., JIS) con la siguiente nomenclatura: «número de tamaño de grano», «número G», «GS» [siglas en inglés] o «tamaño de grano», la cual hace referencia al valor que aumenta a medida que la estructura cristalina se vuelve más pequeña. El número de tamaño de grano se determina mediante observación por microscopio, después de cortar el acero, enterrarlo en resina, pulirlo en la superficie y grabarlo. En el pasado, el tamaño del grano era determinado visualmente basándose en un examen comparativo de diagramas que contenían números de tamaños de granos establecidos por estándares industriales publicados. Sin embargo, con el fin de reducir los costos de capacitación de los inspectores no especializados y eliminar la variación de los resultados provistos, el cálculo semiautomático es hoy en día predominante a través del uso de softwares analíticos. Cabe agregar que los límites granulares son un poco más difíciles de determinar con los softwares actuales; por lo tanto, es primordial obtener una imagen con un contraste claro al preparar la muestra.

Solución Olympus

La solución «Análisis granulométrico» del software de análisis de imágenes OLYMPUS Stream permite que inspectores, principiantes en el uso de este último, puedan medir el «número de tamaño del grano» en conformidad con una norma industrial determinada y resultados de medición de referencia (como información adicional para la imagen) mediante su selección y el seguimiento asistido a través de los parámetros. Asimismo, a través de la función «Separación granular», proporcionada por el software OLYMPUS Stream, los límites granulares —difíciles de determinar con los softwares comunes— pueden ser detectados tal como con la visión humana. Esta es otra razón por la cual este software es reconocido entre nuestros clientes. El software soporta los siguientes estándares normativos: ISO 643, JIS G0551, JIS G0552, ASTM E112, DIN 50601, GOST 5639 y GB/T 6394. Asimismo, ofrece dos opciones para los métodos de «conteo» y «recorte» respectivamente.

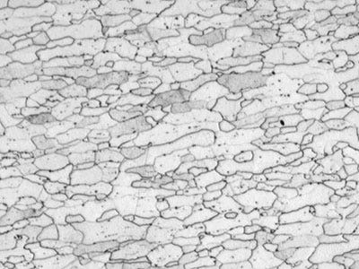
Imagen original (granos de ferrita de acero)

Imagen original (granos de ferrita de acero)

Detección de límites granulares con la función «Separación granular»

Detección de límites granulares con la función «Separación granular»

Productos para la aplicación

GX53

El microscopio invertido GX53 presenta una claridad de imagen excepcional y una excelente resolución con grandes aumentos. Con accesorios que incluyen un revólver codificado y un software, el diseño modular del microscopio facilita la adaptación a sus necesidades.

Stream Enterprise

Die Stream Enterprise Software mit Datenverwaltung bietet intelligente Schritt-für-Schritt-Arbeitsabläufe zur Erfassung gestochen scharfer Bilder, die für quantitative Messungen und professionelle Berichterstellung basierend auf den neuesten Standards und Normen einsetzbar sind. Angebot anfordern Kontakt Newsletter abonnieren