アプリケーションノート

お問い合わせ

鋼の結晶粒度の評価

画像解析ソフトウェアによる工業規格に準拠した鉄鋼の結晶サイズの評価

熱処理工程
熱処理工程

アプリケーション

一般に鉄鋼は、その結晶粒が小さいほど、硬く、もろくなります。最終製品に応じて結晶粒が最適化された鉄鋼が、様々な熱処理の工夫により製造されます。主にフェライトの結晶粒サイズは、JIS等の工業規格により「粒度番号」(G値、GS、グレインサイズとも呼ばれ、数値が大きいほど、小さい結晶粒であることを示す)として規定され、鋼を切断、樹脂埋め、表面研磨、エッチング処理後に、顕微鏡観察で「粒度番号」が判定されます。昔は、工業規格書に添付された各粒度番号の標準図のどれに近いかが、単純に目視判定がされておりましが、定期的に必要な検査員の教育コスト削減と検員による判定結果のバラツキを抑えるため、ソフトウェアによる半自動的な判定が主流となっております。ソフトウェアでは粒界の判別が人間の目よりも難しいため、サンプル準備段階でコントラストがはっきりした画像が得られるようにすることも重要となります。

オリンパスのソリューション

オリンパスの画像解析ソフトウェア OLYMPUS Streamの「粒度解析」ソリューションは初めて使う検査員でも、工業規格を選択し、ソフトウェアのガイダンスに従い操作を進めるだけで、その規格に準拠した「粒度番号」を計測し、測定結果を画像に付加情報として埋め込むことができます。強力な「粒子の分離」機能を備えるOLYMPUS Streamを使うと、通常のソフトウェアでは識別困難な粒界も、人間の見た目の感覚に近い検出ができるという点も、お客様から受入れられている理由です。ISO 643, JIS G0551,JIS G0552, ASTM E112, DIN 50601, GOST 5639, GB/T 6394の規格に対応しており、「計数法」、「切断法」の2種類のオプションを用意しております。

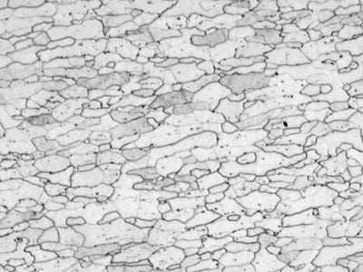
原画像(鋼のフェライト粒)

原画像(鋼のフェライト粒)

「粒子の分離」機能による粒界検出

「粒子の分離」機能による粒界検出

この用途に使用される製品


https://main--eds-evident-website--evident-scientific.hlx.live/ja/microscope/gx53/

GX53

豊富なオプションであらゆる解析・検査に威力を発揮するスタンダードモデルです。明視野、暗視野、微分干渉、簡易偏光、MIX観察に対応します。豊富なユニットから用途に合った顕微鏡システムをカスタマイズできます。


https://main--eds-evident-website--evident-scientific.hlx.live/ja/microscope/stream2/

Stream Enterprise

データ管理機能が組み込まれたStream Enterpriseソフトウェアでは、鮮明な画像の取得をサポートします。さらに高度な画像解析からさまざまな工業規格に準拠した専門的なレポートの作成まで、スムーズに行うことができます。