清浄度検査ワークフローを読み解く(第2回):画像撮影と粒子測定

画像撮影と粒子測定

Post Author's Photo

Hamish Rossell

2018年 1月 22日

画素サイズの校正と測定パラメーターの設定

6回連続シリーズの2回目は、清浄度ワークフローの第2ステージ、すなわち画像撮影と粒子測定について考えてみましょう。このステージには、画素サイズの校正と、粒子サイズを分類するための測定パラメーターの設定が含まれます。清浄度検査プロセス全体の中で、画像撮影と粒子測定が占める位置を以下に示します。

画像撮影

フィルターを顕微鏡のステージに載せた後、清浄度検査に必要な画像を取得することができます。得られる粒子のサイズは画素サイズの影響を受けやすいため、画素サイズを十分に校正しておくことが重要です。10xの対物レンズを使用したときの画素解像度は1 μmです。フィルター膜上の全ての粒子を、たった1回の検鏡で検出する必要があります。そのため、フィルター膜はカメラの視野に応じていくつかのフレームに分割されます。膜が移動することでフィルター全体が記録されます。

フィルター膜をフレームに分割する
フィルター膜をフレームに分割する

隣り合った2つの画像をつなぎ合わせるとき、画像の端を重ねる必要はありません。電動ステージの機械的精度が、フィルター膜の正確な位置決めを可能にしています。10xの対物レンズを使用した場合、フィルター面積全体で約1700枚の個別の画像が収集されます。このプロセスは、画像の取得と解析を含めて10分もかかりません。全ての画像を並べて取得する必要があるので、移動は画像の座標に沿って行われなければなりません。カメラ(画像)の座標とステージの座標の間に生じ得る回転は、この取得プロセスの間に補正されなければなりません。

未補正の動き(左)と補正済みの動き(右)
未補正の動き(左)と補正済みの動き(右)

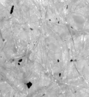
粒子の検出

画像中の画素を検出または分割して、画像中の1組の画素に組み合わせます。画素が組み合わされたこの領域を、粒子と呼びます。フィルター膜を調べるとき、粒子は通常、明るい背景に対して暗く見えます。 粒子に関する関心強度範囲は通常0(すなわち、「黒色」)から始まり、この範囲は検出する粒子に対する上限強度しきい値の決定のみに必要となります。

明るい背景に対して暗い粒子が見える

明るい背景に対して暗い粒子が見える

完全なフィルター膜を調べるためには、粒子が個々の画像フレームの視野の外側にはみ出している場合でも検出されることが重要です。粒子が複数の画像に分割されている場合もありますが、それらは検査ソフトウェアによって実際のサイズと形状に結合されます。

粒子サイズの測定

検出した個々の粒子は、様々なパラメーターで類型化することができます。最も重要な粒子のサイズ定義は、最大フェレ径と円相当径です。最大フェレ径:最大フェレ径とは、粒子の対向する輪郭線に接した平行する接線間の最大距離のことです。これは、ノギスツールを使った測定方法に似ています。

最大フェレ径

最大フェレ径

円相当径:円相当径(ECD)とは、粒子の面積に等しい面積を有する円の直径のことです。

円相当径
円相当径

どちらのパラメーターも、粒子の長さを測定します。粒子の面積、形状、反射率の測定には他の粒子パラメーターを使うことができ、線維や反射粒子のような特別な粒子ファミリーを認識するために使用されます。一部の検査基準に対しては、フィルター膜上に占める粒子の占有率を測定することも推奨されます。この占有率は、全ての粒子面積の合計であり、約1%~2%に収まるはずですが、いかなる場合であっても7%未満でなければなりません。粒子が測定されると、清浄度検査プロセスの次の段階である分類の準備ができたことになります。当社の6回連続ブログシリーズ「清浄度ワークフローを読み解く」の3回目、粒子サイズの分類および粒子数の推定と正規化をお楽しみに。

Post Author's Photo

Hamish Rossell

Product Applications Manager, Olympus Corporation of the Americas, Scientific Solutions Group

A member of the Olympus team since 2016, Hamish provides product and application support for Olympus industrial microscope systems throughout the Americas. He is an expert in inspection applications, image analysis, measurement, and reporting, as well as custom optical solutions, with an emphasis on technical cleanliness and semiconductor equipment.