애플리케이션 노트

문의하기

강철 그레인 사이즈의 평가

이미지 분석 소프트웨어를 통한 철 및 강철 입자 크기가 산업 표준을 충족하는지 여부 평가

열처리 공정
열처리 공정

애플리케이션

일반적으로 철과 강철은 결정 입자가 작아질 수록 단단해지지만 깨지기 쉬워집니다. 기술 발전에 따라 발명된 다양한 열처리 기술로 최종 제품에 최적화된 결정 입자를 가진 철과 강철이 생산되고 있습니다. 일반적으로 페라이트 입자 크기는 JIS와 같은 산업 표준에 따라 '입자 크기 번호'(G값, GS, 입자 크기로도 불리며, 입자 크기가 작아질 수록 커짐)로 정의됩니다. 입자 크기는 강철을 절단, 레진 담금, 표면 처리, 에칭 후 현미경 관찰을 통해 정의됩니다. 과거에는 산업 표준에 첨부된 표준 입자 크기 번호 도해를 사용하여 육안으로 표준 도해의 입자 크기와 얼마나 비슷한지 여부로 정의되었습니다. 그러나 일반 작업자를 대상으로 하는 교육의 비용을 절감하고 서로 다른 작업자 작업 진행 시 발생하는 편차를 제거하기 위해 반자동 계산 소프트웨어의 사용이 점점 더 확대되고 있는 상황입니다. 육안 대비 소프트웨어는 입자 경계를 판단하는데 어려움을 겪기 때문에 샘플 준비 시 선명한 대비를 가진 이미지를 획득하는 것이 중요합니다.

Olympus 솔루션

OLYMPUS Stream 이미지 분석 소프트웨어의 Olympus 'Granularity Analysis' 솔루션은 솔루션을 처음 사용하는 사용자도 산업 표준에 맞는 '입자 크기 번호'를 계측할 수 있도록 해주며, 산업 표준을 선택한 후 소프트웨어에서 제공하는 지침에 따라 단계를 진행하는 것만으로 추가 정보를 계측 결과에 포함시킵니다. 강력한 '입자 분리' 기능을 제공하는 OLYMPUS Stream을 사용하면 일반 소프트웨어로는 구분이 어려운 입자 경계를 마치 육안으로 확인하는 것처럼 탐상하는 것이 가능합니다. 이것이 OLYMPUS Stream이 많은 고객들의 사랑을 받는 이유입니다. ISO 643, JIS G0551, JIS G0552, ASTM E112, DIN 50601, GOST 5639, GB/T 6394 표준이 지원되며, '카운팅' 및 '잘라내기'의 2개 옵션도 사용할 수 있습니다.

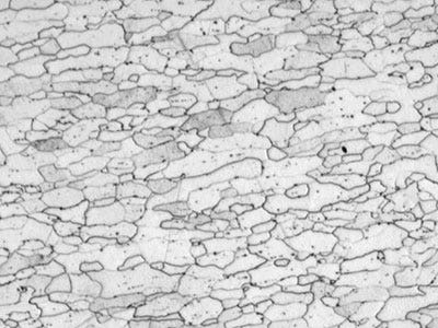
오리지널 이미지(강철 페라이트 입자)

오리지널 이미지(강철 페라이트 입자)

'입자 분리' 기능을 통한 입자 경계 탐상

'입자 분리' 기능을 통한 입자 경계 탐상

이 애플리케이션에 사용되는 제품


https://main--eds-evident-website--evident-scientific.hlx.live/ko/microscope/gx53/

GX53

GX53 도립 현미경은 탁월한 이미지 선명도와 고배율에서 우수한 해상도를 갖췄습니다. 코딩된 회전식 노즈피스, 소프트웨어를 포함한 액세서리로 현미경의 모듈식 설계가 사용자의 요구 사항에 맞게 쉽게 사용자 정의됩니다.


https://main--eds-evident-website--evident-scientific.hlx.live/ko/microscope/stream2/

Stream Enterprise

데이터 관리 기능이 통합된 Stream Enterprise 소프트웨어는 최신 표준에 따라 정량적 측정 및 전문적 보고에 바로 사용할 수 있는 선명하고 깨끗한 이미지를 얻기 위한 단계별 지능형 워크플로를 제공합니다.