Stream Enterprise 데이터 관리 소프트웨어

Stream Enterprise 데이터 관리 소프트웨어는 최신 표준에 따라 정량적 측정 및 전문적 보고에 바로 사용할 수 있는 선명하고 깨끗한 이미지를 얻기 위한 단계별 지능형 워크플로를 제공합니다. 사용자는 숙련도에 상관없이 이미지 획득부터 표준 보고에 이르기까지 어떤 이미징 조건에서나 복잡한 분석 작업을 수행할 수 있습니다.

Stream Enterprise

개요

빠르고 효율적인 검사 워크플로

Stream Enterprise 데이터 관리 소프트웨어는 최신 표준에 따라 정량적 측정 및 전문적 보고에 바로 사용할 수 있는 선명하고 깨끗한 이미지를 얻기 위한 단계별 지능형 워크플로를 제공합니다. 사용자는 숙련도에 상관없이 이미지 획득부터 표준 보고에 이르기까지 어떤 이미징 조건에서나 복잡한 분석 작업을 수행할 수 있습니다.

유연성 있게 설계된 Stream Enterprise 소프트웨어는 데이터 보안 및 측정 신뢰성을 유지하는 동시에 다양한 샘플을 대상으로 빠르고 정확한 관찰 세션을 수행할 수 있는 완벽한 기능을 갖추고 있습니다.

사용자는 나에게 맞는 옵션을 선택하여 품질 분석, 연구 및 개발, 프로세스 개발 및 품질 관리 등 응용 분야에 맞게 Stream Enterprise 소프트웨어를 조정할 수 있습니다.

https://adobeassets.evidentscientific.com/content/dam/video/videolibrary/videos/Stream_Analysis_Software_480_new_(1).mp4

이미지 캡처 및 하드웨어 지원

컬러, 흑백, IR, SWIR과 같은 지원되는 모든 카메라는 이 소프트웨어의 사용하기 쉬운 카메라 제어로 통합되며 배율 및 보정 정보도 캡처합니다. 수동 또는 전동식 스테이지를 사용하여 손쉽게 대량의 올인포커스(all-in-focus) 이미지를 획득할 수 있습니다.

측정, 이미지 분석 및 선택적 고급 이미징 솔루션

대화형 또는 고급 이미지 처리 및 분석 기능을 통해 다양한 기하학적 측정을 수행할 수 있습니다. 재료 솔루션 워크플로를 사용하여 표준 준수 측정도 수행할 수 있습니다. 이 소프트웨어는 다양한 재료과학 분석에 필요한 다양한 도구를 제공하여 신뢰할 수 있는 결과를 제공합니다.

데이터 보관 및 공유

데이터는 Microsoft SQL Server를 기반으로 클라이언트-서버 기술을 사용하여 로컬 네트워크에 안전하게 저장됩니다. 보안 파일 저장소 패키지를 사용하면 사용자 권한과 데이터 보안을 향상할 수 있습니다.

문서화

데이터베이스에 직접 연결하여 Microsoft 365를 사용하는 강력한 보고 도구가 제공됩니다.

30일 동안 Stream Enterprise를 무료로 사용해 보세요!

30일 라이선스를 사용하려면 "데모 요청"을 클릭한 다음 첫 번째 상자에 메시지를 남겨주세요.

사용하기 쉬운 인터페이스와 단계별 안내

선명한 이미지 캡처를 위한 스마트 기술

Smart Technologies for Crisp Image Capture
  • 실시간 이미지를 위한 도구
  • 파노라마 및 연장 심도 초점
  • 획득 설정값 저장 및 불러오기

반복 작업 시 고효율 보장

High Efficiency on Repeating Tasks
  • 안내형 작동
  • 정량적 분석
  • 효율적인 이미지 획득을 위한 자동 도구
  • 효율적인 보고서 생성

Olympus 하드웨어에 맞는 설계

Olympus 광학 현미경과 원활하게 통합

Seamlessly Integration with Olympus Optical Microscopes
  • 정립 현미경
  • 도립 현미경
  • 반도체 현미경
  • 실체 현미경
  • LEXT 3D 측정 레이저 현미경
  • DSX 디지털 현미경

Olympus 디지털 카메라 지원

Working with Olympus Digital Cameras
  • 색 충실도
  • 고해상도
  • 실시간 화면 이미징

전용 관찰 방법

Dedicated Observation Methods
  • 향상된 이미지 대비를 위한 HDR 이미징
  • 명시야와 암시야에서 샘플 세부 정보를 제공하는 고유한 'MIX' 관찰 모드

검사 문제 해결

고급 이미징 솔루션

Advanced Imaging Solutions
  • 계수 및 측정 솔루션
  • 3차원 이미지 디스플레이 및 측정

금속 조직학 솔루션

Solutions for Metallography
  • 인터셉트 계수 방법을 사용한 결정 입도 측정
  • 평면 측정 방법을 사용한 결정 입도 측정
  • 흑연 구상화 평가
  • 비금속 개재물 함량 평가
  • 샘플 이미지와 참조 표준 비교
  • 수지상 가지 간격 측정

기계 가공 솔루션(자동차/가공 부품 산업)

Solutions for Machinery Processing (Automotive / Machined Parts Industries)
  • 용접 변형
  • 위상 및 관심 영역 측정
  • 입자 분포

전자 솔루션(전자 장치/반도체 산업)

Solutions for Electronics (Electronic Device / Semiconductor Industries)
  • 균일 전착성 측정
  • 자동 임계 치수 측정

표면 코팅 및 박막 증착 솔루션(코팅 산업)

Solutions for Surface Coatings and Thin Film Deposits (Coating Industries)
  • 박막 코팅 두께 평가(calotest 방법)
  • 층 두께 측정
  • 기공 분율 및 밀도 측정

Microsoft Office와의 소프트웨어 호환성

직관적 조작

단계별 안내

동적 사용자 인터페이스는 사용자가 사용하고자 하는 도구와 기능만을 표시하여 데스크탑 화면을 깔끔하게 정리하고 혼란을 방지합니다. 이 인터페이스는 이미지 캡처, 이미지 처리, 보고서 생성 등 프로세스의 각 단계를 안내합니다. 이 소프트웨어의 직관적 도구 세트를 사용하면 간단한 측정과 복잡한 측정을 모두 쉽게 수행할 수 있습니다.

간단한 레이아웃

이 소프트웨어의 잘 정리된 레이아웃에는 필요한 작업을 수행하는 데 필요한 최소한의 기능이 포함되어 있습니다. 단순화된 레이아웃은 검사 워크플로를 간소화하고 사용자에게 효율적으로 검사 프로세스를 안내합니다.

Fast measurements on a live image with just a few clicks of your mouse

마우스 클릭 몇 번으로 실시간 이미지를 빠르게 측정

Estimating the pore size using live digital reticules (Cross section of die casting)

실시간 디지털 레티큘을 사용하여 기공 크기를 추정
(다이캐스팅 단면)

실시간 이미지를 위한 도구

이 소프트웨어는 실시간 이미지 기능을 지원하므로 즉각적 피드백을 얻을 수 있습니다. 자동으로 보정되는 실시간 이미지와 상호작용하여 정량적 측정을 수행할 수 있습니다.

빠른 파노라마 및 연장 심도 초점

표준 초점 심도 또는 시야를 벗어나는 샘플의 이미지를 빠르게 생성합니다. 이 인스턴트 연장초점 이미지(extended focus image, EFI) 기능은 미세 초점 조절 기능을 사용하여 여러 Z 수준에서 촬영된 다수의 이미지를 결합하고 완전히 초점이 맞은 하나의 결합된 이미지를 만듭니다. 인스턴트 다중 이미지 조정(multiple image alignment, MIA) 을 사용하면 XY 스테이지를 옮겨 파노라마 이미지를 간편하게 만들 수 있습니다. 전동식 스테이지가 더 이상 필요하지 않습니다.

Instant EFI image of crystal: fully focused image is created even in low-contrast sample areas

결정체의 인스턴트 EFI 이미지, 저대비 샘플 영역에서도 완전히 초점이 맞춰진 이미지가 생성됨

Instant MIA image of a coin

동전의 인스턴트 MIA 이미지

획득 설정 불러오기

일관적인 외관과 느낌을 가진 반복 가능한 이미지를 캡처하기 위해 이전에 사용된 카메라 설정을 신속하게 불러옵니다. 이 기능은 전동식 현미경을 사용하면 자동으로 이전의 하드웨어 설정을 불러올 수 있습니다. BX, GX 또는 MX 시리즈 현미경을 사용하는 경우 소프트웨어가 수동으로 설정을 불러올 수 있도록 안내합니다.

여러 작업자가 저마다 다른 설정 사용
Different operators use different settings
올바른 설정을 손쉽게 확인
Easily verify the correct settings
관찰 설정 동기화
Synchronize observation settings
작업자가 달라져도 설정은 그대로 유지
Regardless of different operators, the settings are the same

3D profilometry of wear track

마모 트랙의 3D 형상 측정

3D 솔루션

이 솔루션은 여러 Z 위치에서 자동 또는 수동으로 획득된 이미지 스택으로 높이 지도를 만듭니다. 그 결과 얻어진 이미지는 표면 보기를 사용하여 3차원으로 시각화할 수 있습니다. 두 개 이상의 지점 간 3D 프로파일 및 높이 차이 등을 측정할 수 있으며, 결과를 작업 일지 및 Microsoft Excel 스프레드 시트로 내보낼 수 있습니다.

특정 분석을 위한 안내형 작동

이 소프트웨어는 가장 일반적인 국제 표준을 준수하는 방법뿐만 아니라 이미지 분석 수행 시 사용할 기능의 올바른 순서를 안내합니다. 전동식 스테이지를 사용할 때 정렬 기능은 여러 샘플 위치를 사용할 경우 작업 속도를 향상하도록 지원합니다.

Guided Operation for Specific Analyses
Automatic Calibration

자동 보정

자동 보정 기능은 표준 마이크로미터를 사용하여 현미경을 보정하고 자동으로 보정 보고서를 생성합니다. 이를 통해 보정 과정에서 인적 가변성을 방지하고 더 신뢰할 수 있는 측정을 수행할 수 있습니다.

자동 검사 도구

이 소프트웨어의 자동 도구는 단 몇 분만에 대량의 데이터 세트를 만들 수 있습니다. 보정된 격자 망선을 사용한 자동 배율 보정을 통해 이미지가 적절한 축적 막대와 함께 표시되고 측정을 확인할 수 있습니다. 전동식 XYZ 스테이지를 사용하여 자동으로 넓은 영역을 이미징할 수 있으므로 고해상도로 대형 부품의 이미지를 만들 수 있습니다.

Sharp and high-contrast MIA image of integrated circuit (IC) pattern (dark field observation with 20X objective lens)

집적 회로(IC) 패턴의 선명한 고대비 MIA 이미지(20배율 대물렌즈로 암시야 관찰)

중요한 정량적 정보

이 소프트웨어 도구는 샘플에 대한 정량적 정보를 제공합니다. 실시간 이미지 및 정지 이미지의 대화형 측정을 통해 기본적인 치수 정보(길이, 면적 및 직경)가 제공되고 결과는 이미지에 직접 표시됩니다.

고급 대화형 측정에는 Magic Wand와 반자동 영역 측정을 위한 복잡한 다각형 형태가 포함되며, 계수 및 측정 솔루션은 임계값 방법 기반의 정량적 분석을 위한 100개 이상의 단일 입자 매개변수에 대한 액세스를 제공합니다.

Basic measurement (supra conductor)

기본 측정(초전도체)

Magic wand (supra conductor)

Magic Wand(초전도체)

Object detection (supra conductor)

개체 검출(초전도체)

효율적인 보고서 생성

이미지를 캡처하고 측정을 수행하는 시간보다 보고서를 만드는 시간이 더 오래 걸리는 경우가 많습니다. 사전 정의된 템플릿을 기반으로 스마트하고 정교한 보고서를 반복적으로 생성할 수 있습니다. 보고서를 간편하게 편집하고 Microsoft Word, Excel 또는 PowerPoint로 내보낼 수 있습니다. 또한 이 소프트웨어의 보고 도구를 사용하면 획득된 이미지에 디지털 줌과 확대를 적용할 수 있습니다. 이메일을 통해 쉽게 데이터를 교환할 수 있도록 보고서 파일의 크기가 적정합니다.

Professional report that summarizes particle counting data

입자 계수 데이터를 요약하는 전문 보고서

통합 데이터 관리

Stream Enterprise의 데이터 관리 소프트웨어는 대량의 데이터를 다루는 워크플로를 지원하고 많은 사용자가 높은 수준의 데이터 보안을 유지하면서 효율적으로 작업하도록 돕습니다.

사용자 권한

사용자 권한 역할은 관리자, 파워 유저, 사용자, 게스트로 4가지가 있습니다. 각 역할을 맞춤식으로 수정하여 유연성을 향상할 수 있습니다. 또한, 각 프로젝트 또는 데이터 기록에 대한 액세스 권한을 정의된 개인 또는 그룹 구성원에게 할당할 수 있습니다. Stream Enterprise를 시작할 때 SQL 로그온을 통해 인증하거나, 싱글사인온(SSO) 기능을 제공하는 기존 액티브 디렉토리 및 LDAP(Lightweight Directory Access Protocol)와의 통합을 통해 인증할 수 있습니다.

보안 파일 저장소

Stream Enterprise는 데이터 보안을 추가로 강화하기 위해 선택 사항인 보안 파일 저장소(Secure File Repository, SFR) 패키지를 제공합니다. 추가 보안 계층 역할을 수행하는 SFR은 Stream Enterprise와 함께 사용자의 액세스 권한을 기반으로 파일 요청을 처리합니다. 파일을 열 수 있는 권한이 없는 사용자는 파일 디렉토리에서 해당 파일을 볼 수 없습니다.

통합

Stream Enterprise는 기존의 주문 관리, LIMS, ERP 및 CRM 시스템과 직접적으로 상호작용하도록 설정할 수 있습니다. 또한, 더욱 향상된 유연성을 위해 다른 프로그램과의 상호작용을 용이하게 하는 COM(Component Object Model) 및 ODBC(Open Databse Connectivity)와 같은 디지털 통신 프로토콜에 대한 내장형 인터페이스를 제공합니다. 애플리케이션 프로그래밍 인터페이스(API) 기능 또한 추가되어 다른 프로그램이 Stream Enterprise 프로세스를 사용할 수 있습니다.

기존 데이터베이스 액세스

모든 관련 데이터와 메타데이터가 적절하게 정리된 상태에서 다른 데이터베이스의 기존 기록을 Stream Enterprise로 가져올 수 있습니다. 또한 기존 데이터 소스를 가져오지 않고 사용할 수도 있습니다(읽기 전용 액세스).

당신의 시스템

소프트웨어 패키지 사용자 정의

Evident 현미경을 위해 개발된 Stream Enterprise 데이터 관리 소프트웨어는 강력하고 사용자 친화적인 측정 도구입니다. 기존 현미경과 함께 사용할 때 UIS2 대물렌즈의 광학 매개변수를 수동으로 기록할 필요가 없습니다. DSX 및 LEXT 현미경에서 이미지를 가져올 때도 배율 보정이 필요하지 않습니다. 소프트웨어는 초보자 레벨부터 고급 패키지까지 제공됩니다.

OLYMPUS Stream 패키지

OLYMPUS Stream 소프트웨어는 기능에 따라 Start, Basic, Essentials 및 Motion의 4가지 패키지로 제공됩니다.
응용 분야별 재료 솔루션 모듈을 추가하여 반복적인 분석 작업을 간소화할 수 있습니다. Olympus 담당자에게 도움을 받아 귀하에게 적합한 패키지를 결정할 수 있습니다.

자세히 알아보기

대부분의 Evident 광학 현미경과 원활하게 통합

정립 현미경 제어

BX53M microscope and software system

BX53M 현미경 및 소프트웨어 시스템

BX53M 현미경은 현미경의 하드웨어 설정을 Stream Enterprise 데이터 관리 소프트웨어와 통합하는 코딩 기능을 사용합니다. 관찰 방법, 조도 및 대물렌즈 위치는 모두 소프트웨어 및/또는 핸드셋에 의해 기록됩니다. 현미경 설정은 각 이미지와 함께 자동으로 저장되어 이후 설정을 쉽게 재현하고, 보고 목적으로 문서를 제공할 수 있습니다.

정립 현미경 보기

도립 현미경 제어

GX53 microscope and software system

GX53 현미경 및 소프트웨어 시스템

당사의 디지털카메라는 고해상도 보기 및 빠른 이미지 전송을 제공하며 당사 소프트웨어는 오늘날의 복잡한 금속학적 요구사항에 필요한 모든 도구를 제공합니다.
확장된 측정값, 표준 금속학 및 고급 금속학 응용 분야용 모듈(12개 이상의 응용 분야별 루틴 사용 가능) 중에서 선택하여 자동으로 데이터를 채우고 일반 ASTM 및 ISO 사양을 준수하는 보고서를 생성합니다.

반도체 현미경 제어

Integrated microscope and software system

통합 현미경 및 소프트웨어 시스템

당사는 반도체 현미경 프레임과 통합되어 디지털카메라 및 전동 스테이지를 포함한 모든 전동 기능을 제어하는 여러 소프트웨어 플랫폼을 제공합니다. 각 인터페이스는 기본 검사 및 제어, 고급 이미지 분석 또는 반복적인 위치 검사 및 결함 검사를 위해 설계되었습니다.

반도체 현미경 보기

실체 현미경 제어

SZX16 microscope and software system

SZX16 현미경 및 소프트웨어 시스템

당사의 실체 현미경 전동식 초점 드라이브는 EFI(Extended focal Imaging)로 디지털 문서화 작업을 효율적이면서 완전히 자동으로 수행되게 합니다. 이를 통해 의사(pseudo) 3D 이미지를 생성할 수도 있습니다. 소프트웨어는 복잡한 위상 분석을 위한 간단한 2D 측정 도구를 제공하고 관찰, 보고서 생성, 데이터베이스 생성 및 보관을 포함한 많은 작업을 지원합니다.

실체 현미경 보기

Evident 컨포컬 및 디지털 현미경 성능 향상

전체 DSX 시리즈 디지털 현미경 및 LEXT 3D 측정 레이저 현미경과 함께 후처리용 Stream Enterprise 데이터 관리 소프트웨어(Stream Enterprise Desktop)를 사용하세요.

LEXT 3D measuring laser microscope

LEXT 3D 측정 레이저 현미경

DSX digital microscope series

DSX 디지털 현미경 시리즈

LEXT 3D 측정 레이저 현미경 보기
DSX 디지털 현미경 보기

대부분의 Evident 디지털카메라 지원

해상도 및 색 충실도

The low-noise, high-resolution images of a 9-megapixel sensor enable the user to zoom deep into the sample, revealing its structures (sandstone)

9백만 픽셀 센서의 저노이즈, 고해상도 이미지를 통해 사용자가 샘플을 더욱 확대하여 샘플의 구조(사암)를 드러낼 수 있음

높은 픽셀 수와 결합된 우수한 분해능으로 대물렌즈의 광학 해상도를 완전히 활용하고 낮은 배율 대물렌즈에서도 가장 작은 샘플 내의 구조와 세부 사항을 이미지화할 수 있습니다. 고해상도 이미지를 사용하면 접안렌즈를 사용하지 않고 화면만으로 관찰할 수 있습니다.

적외선(IR)으로 더 많은 것을 밝혀내기

Brightfield image 5x taken with the DP23M monochrome camera, a. Brightfield image 5x b.) IR image 5x (BP1100 nm filter), c.) Cropped detail 20x IR, d.) Cropped detail 20x IR with DCE filtering

DP23M 흑백 카메라로 촬영한 명시야 이미지 5배,
a. 명시야 이미지 5배
b. IR 이미지 5배(BP1100nm 필터),
c. 크롭된 디테일 20배 IR,
d. 크롭된 디테일 20배 IR(DCE 필터링 사용)

IR 이미징 모드는 품질 관리 및 R&D 실험실을 위한 기본 도구입니다. IR 모드를 통해 제조 백엔드 단계에서 패키지 제품의 실리콘층을 통해 비파괴 검사를 할 수 있습니다.

디지털카메라 보기

재료 과학 전용 관찰 방식

향상된 대비를 위한 HDR 이미징

HDR(High Dynamic Range) 이미징은 어려운 조건(동일한 이미지에서 매우 밝은 영역과 매우 어두운 영역 동시에 존재)에서 이미지 대비를 높여줍니다. Stream Enterprise 데이터 관리 소프트웨어가 지원하는 모든 카메라에서 이 모드를 사용할 수 있으며 전용 카메라는 라이브 모드를 사용할 수 있습니다.

Clearly exposed for both dark and bright parts by HDR (Sample: fuel injector bulb)

HDR에 의해 어두운 부분과 밝은 부분 모두 명확하게 노출(샘플: 연료분사기 전구)

Contrast enhancement by HDR (Sample: Sliced magnesite)

HDR에 의한 대비 향상(샘플: 마그네사이트 절편)

샘플의 표면 구조를 시각화하기 위한 MIX 관찰

MIX 관찰을 지원하는 소프트웨어

본 조명 기술은 원형 LED를 사용하여 주어진 시간에 하나 이상의 사분면을 비추는 지향성 암시야와 명시야, 형광 또는 편광을 결합합니다. 이를 통해 결함을 강조 표시하고 일반적으로 기존 현미경을 통해 보기 어려운 함몰로 융기된 표면을 구별할 수 있습니다. MIX 관찰은 샘플의 할레이션 감소에 도움을 주며 샘플의 표면 질감 시각화하는 데 유용합니다.

Conventional: brightfield shines the light straight down on the sample while traditional darkfield highlights scratches and imperfections on a flat surface by illuminating the sample from the side of the objective

기존: 명시야는 샘플에 직접 빛을 비추지만, 기존 암시야는 대물렌즈 측면에서 샘플을 조명하여 평평한 표면의 흠집과 결함을 강조 표시

Conventional: brightfield shines the light straight down on the sample while traditional darkfield highlights scratches and imperfections on a flat surface by illuminating the sample from the side of the objective

기존: 명시야는 샘플에 직접 빛을 비추지만, 기존 암시야는 대물렌즈 측면에서 샘플을 조명하여 평평한 표면의 흠집과 결함을 강조 표시

Advanced: MIX is a combination of brightfield and directional darkfield from a ring of LEDs; the LEDs can be adjusted to select which direction to illuminate from

고급: MIX는 명시야 그리고 LED 링에서 얻어지는 지향성 암시야의 조합, LED를 조정하여 비추는 방향을 선택할 수 있음

솔루션

검사 문제 해결

산업 연구실은 표준 운영 절차의 일부로 반복 및 재현 가능한 결과가 필요한 경우가 많습니다. Stream Enterprise 데이터 관리 소프트웨어는 간단하고 신뢰할 수 있는 워크플로로 검사, 측정 및 분석을 용이하게 합니다. 이 소프트웨어는 다양한 재료과학 분석을 위한 다양한 도구를 제공하므로 결과를 확신할 수 있습니다.

Evident industrial microscopes support metallurgical analysis solutions

Evident 산업 현미경은 금속 분석 솔루션을 지원합니다.

계수 및 측정 솔루션

이 소프트웨어의 계수 및 측정 솔루션은 고급 임계값 방법을 사용하여 입자 및 긁힘과 같은 개체를 배경에서 안정적으로 분리합니다. 모양, 크기, 위치 및 픽셀 속성을 포함하여 50개 이상의 다양한 개체 측정 및 분류 매개변수를 사용할 수 있습니다.

Conventional software Unclear grain boundaries

기존 소프트웨어
불분명한 결정립계

Etched steel microstructure (original image)

에칭된 강철 미세 구조
(원본 이미지)

Stream Enterprise Grain boundaries are clearly detected

Stream Enterprise
결정립계를 명확하게 검출

Grain classification results

결정립 분류 결과

효율적인 분석

Example of Macro Manager set up for Count and Measure

계수 및 측정을 위해 설정된 매크로 관리자의 예

매크로 매니저로 복잡한 이미징 및 측정 작업을 사전 설정한 다음 클릭 한 번으로 실행할 수 있습니다.

강력한 이미지 필터

Enhanced contrast using the DCE filter (dendrite in an aluminum casting)

DCE 필터를 사용하여 향상된 대비(알루미늄 주물의 수지상)

이 소프트웨어는 에지 검출, 수딩 및 기타 목적을 위한 유용한 필터를 제공합니다.

TruAI™ 딥러닝 기술

밝기 또는 색상에 의존하는 기존 임계값 방법을 사용하는 이미지 분할은 샘플에서 중요한 정보나 표적을 놓칠 수 있습니다. Stream Enterprise 데이터 관리 TruAI 솔루션은 이미지를 개체의 개별 인스턴스로 나누는 인스턴스 분할을 포함해 높은 재현과 탄탄한 분석을 위해 딥러닝 기술을 사용해 더 정확한 세분화 기법을 제공합니다.

TruAI 딥러닝에 대해 자세히 알아보기

OLYMPUS Stream/PRECiV에서 갈탄회의 원본 이미지(왼쪽), 기존 임계값 방법을 사용한 이미지 분할(오른쪽).

OLYMPUS Stream/PRECiV에서 갈탄회의 원본 이미지(왼쪽), 딥 러닝 이미지 분할(오른쪽).

3차원 측정 및 라인 프로필

Stream Enterprise 데이터 관리 3D 솔루션은 3차원 샘플을 측정하기 위한 높이 매핑 기능과 함께 코딩식 및 전동식 Z 제어 및 인스턴트 EFI를 제공합니다.

3D surface view (Roughness test sample)

3D 표면 보기(거칠기 테스트 샘플)

Single view and 3D profile measurement

단일 보기 및 3D 프로파일 측정

금속 조직학 솔루션

Solutions for Metallography

금속 조직학은 재료 개발, 입고 검사, 생산 및 제조 제어 그리고 결함 분석에 사용됩니다.

  • 인터셉트 계수 방법을 사용한 결정 입도 측정
  • 평면 측정 방법을 사용한 결정 입도 측정
  • 흑연 구상화 평가
  • 고순도 강철의 비금속 개재물 함량 평가
  • 샘플 이미지와 참조 표준 비교
  • 수지상 가지 간격을 자동 또는 수동으로 측정

기계 가공 솔루션(자동차/가공 부품 산업)

Solutions for Machinery Processing (Automotive / Machined Parts Industries)

고품질 부품을 생산하기 위해 긁힘, 균열, 기공 크기 및 오염을 생산 과정에서 엄격하게 모니터링합니다.

  • 용접 변형
  • 위상 및 ROI 측정
  • 입자 분포

전자 솔루션(전자 장치/반도체 산업)

Solutions for Electronics (Electronic Device / Semiconductor Industries)

인쇄 회로 기판(PCB)에서는 매우 얇은 판이 코팅되며, 이 코팅의 균질성을 검증하는 작업은 제품 품질 유지를 위한 핵심적 요소입니다.

  • 균일 전착성 측정
  • 자동 임계 치수 측정

표면 코팅 및 박막 증착 솔루션(코팅 산업)

Solutions for Surface Coatings and Thin Film Deposits (Coating Industries)

표면 코팅은 색소, 용제, 기타 첨가제를 포함한 막 형성 물질의 혼합물이며, 표면에 도포하면 경화 또는 건조되어 기능을 수행하고 흔히 장식으로 사용되는 얇은 막을 형성합니다.

  • 박막 코팅 두께 평가(calotest 방법)
  • 층 두께 측정
  • 기공 분율 및 밀도 측정

맞춤형 워크플로우 솔루션

Particle detection

Evident의 커스터마이징 팀은 특정 응용 시나리오를 위해 Stream Enterprise 데이터 관리 소프트웨어를 통해 맞춤화된 워크플로를 설계합니다. 소프트웨어 작동 프로세스는 사용자의 요구 사항에 맞게 설정되므로 산업 현미경 검사에서 문제를 신속하게 해결하고 목표를 달성할 수 있습니다.

맞춤형 워크플로우 솔루션에 대해 자세히 알아보기

모든 목적을 위한 재료 솔루션

솔루션
설명
결정립 인터셉트
철강 제조업체들은 이 솔루션을 사용하여 강철 샘플을 단면 처리, 연마 또는 에칭한 후 결정립 크기를 측정하고 제어합니다.
이 기능은 "테스트 라인"의 오버레이 및 결정립계가 있는 인터셉트 수를 계수하는 것에 기반하고 있습니다.
결정립 면적 측정
철강 제조업체들은 이 솔루션을 사용하여 강철 샘플을 단면 처리, 연마 또는 에칭한 후 결정립 크기를 측정하고 제어합니다.
이 기능은 각 결정립의 경계를 재구성하고, 두 번째 상의 면적 비율로 결정립 크기 측정을 수행합니다.
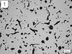
비금속 개재물
철강 제조업체는 철강의 비금속 개재물(산화물, 알루미나, 황화물 또는 규산염)의 모양과 크기를 측정하고 제어하는 데 이 솔루션을 사용합니다.
주철
흑연 구상화율을 측정 및 제어하고, 주조 제품의 기계적 특성을 확인해야 하는 주조 제조업체는 이 솔루션을 사용합니다.
차트 비교
비교를 위해 라이브 또는 정지 이미지를 표준 차트 위에 오버레이할 수 있습니다. 기능 미리보기가 제공됩니다.
수지상 가지 간격
이 솔루션은 주조 알루미늄에서 수지상 가지의 평균 간격을 수동 또는 자동으로 측정하는 데 사용됩니다.
레이어 두께
레이어 두께 솔루션을 사용하여 단면 처리된 샘플의 하나 또는 여러 레이어를 측정할 수 있습니다. 모양을 정의하고 층을 자동으로 측정합니다.
코팅 두께
이 솔루션은 Calotest 방법을 사용하여 평면도 이미지로부터 코팅 두께 측정을 지원합니다.
자동 측정
이 솔루션은 패턴 인식을 사용하는 실시간 이미지에 대한 에지 검출을 기반으로 측정을 수행하는 데 사용됩니다.
균일 전착성
이 솔루션은 스루홀(through-hole) 또는 마이크로 비아(micro-via)에서 구리 도금 두께의 분포를 측정합니다.
다공성
이 솔루션을 사용하면 ROI(원, 삼각형, 직사각형 및 다각형) 및 임계값을 사용하여 면적 분율 또는 표면 기공의 수에 대한 기공을 측정할 수 있습니다.
입자 분포
이 솔루션은 여러 이미지 또는 이미지 시리즈에서 입자 크기 분포 히스토그램 및 표를 만드는 데 사용됩니다.
고급 상 분석
이 기능은 삼각형, 원, 직사각형 및 다각형을 포함한 다양한 관심 영역(ROI)에서 위상 분석을 수행하는 새로운 통합 솔루션을 제공합니다.
솔루션 금속/주물 자동차 유리/세라믹 코팅 소비재 전자 장치
결정립 인터셉트
결정립 면적 측정
Inclusion Worst Field
주철
차트 비교
레이어 두께
코팅 두께
자동 측정
균일 전착성
다공성
입자 분포
솔루션
도체
유체 및 오일 가공
부품
탄소/
합성물
화학/
플라스틱/
고무
산업
과학
연구
결정립 인터셉트
결정립 면적 측정
Inclusion Worst Field
주철
차트 비교
레이어 두께
코팅 두께
자동 측정
균일 전착성
다공성
입자 분포
고급 상(Phase) 분석

사양

주요 라이선스 명세

Enterprise Desktop
이미지 인식 HDR, 배율 자동 보정, Live HDR*1을 포함한 기본 이미지 획득 및 위치 탐색*1
소프트웨어 자동 초점*2 및 동영상 획득(Avi 형식)
타임 랩스, 인스턴트 EFI 및 인스턴트/수동 MIA*3
전동 EFI/MIA 및 Z 스택 획득
이미지 및 사용자 정의 도구 기본 도구 창(이미지 기록, 속성, 내비게이터, 갤러리 보기 도구 창)*4
주석, 레이어 관리, 스케일 바, 십자선, 정보 스탬프 표시 및 이미지 필터
디지털 레티클/그리드, 라인 프로파일 표시, 내 기능, 레이아웃 관리 및 매크로 관리자
측정/이미지 분석 기본 대화형 측정(거리, 각도, 직사각형, 원, 타원, 다각형, 원과 원 사이의 거리, 각도기 및 눈금자) 및 MS-Excel로 데이터 내보내기
상 분석, 마법 지팡이, 자유형 다중선, 보간된 다각형, 형태 필터 및 이미지 산술
3D 측정, 3D 프로파일 측정 및 3D 표면 보기
보고*5 보고서 작성(MS-Word 및 MS-Excel 형식)
프레젠테이션 제작
데이터 관리 동시 데이터베이스 사용자 수를 무제한으로 허용하는 클라이언트/서버 데이터 관리 시스템**6
이미지 및 기타 문서를 사용자/프로젝트 중심으로 관리
이미지 및 데이터에 대한 변경 가능한 사용자 권한
빠르고 제어 가능한 데이터 액세스
고성능 검색 기능
지원되는 DBMS: Microsoft SQL Server 2008 R2/R2 Express, Microsoft SQL Server 2012(SP1 및 SP2)/Express(SP1 및 SP2), Microsoft SQL Server 2014/Express, Microsoft SQL Server 2017/Express, Microsoft SQL Server 2019/Express, Oracle 11g R2/express, Oracle 12g R2/Express
보안 파일 저장소(SFR) 기술로 안전한 보관을 지원하는 정교한 서비스
장치 지원 Evident 현미경**7 및 Evident 카메라*8
타사 카메라 및 이미지 소스 변환기*9
타사 스테이지 컨트롤러*9
PC 요구 사항
CPU
Intel® Core i5, Intel® Core i7, Intel® Xeon
RAM/하드 디스크/DVD 드라이브
4GB 이상(8GB 권장)/2.4GB 이상의 여유 공간/DVD+R DL 호환
OS*10
Windows 10 Pro(64비트), Windows 8.1(64비트) Pro
.NET 프레임워크
버전 4.6.2 이상
그래픽 카드*11
1280 × 1024 모니터 해상도 및 32비트 비디오 카드
웹 브라우저
Windows Internet Explorer 8, 9, 10 또는 11

*1 DP74 카메라가 필요하며, Live HDR 기능에는 64비트 OS가 필요합니다.
*2 전동식 Z축 또는 외부 전동식 Z축이 있는 Evident 현미경이 필요합니다.
*3 인스턴트 MIA는 일부 카메라에서 제대로 작동하지 않을 수 있습니다.
*4 모든 주요 파일 형식을 쓰고 읽으며, Evident 전용 형식(DSX, LEXT 및 POIR 파일 형식)을 엽니다.
*5 Microsoft Word 2010, 2013, 2016, 2019 또는 Office 365를 미리 설치해야 합니다(제공되지 않음).
*6 Microsoft SQL Server Express 사용
*7 BX53M, BX2, IX2, GX, GX53, SZX, SZX2, SZX-ZE, MX, MX63, MX63L, MVX, STM7-CB, CBS, BX3M-CB, BX3M-CBFM, BX-REMCB를 지원합니다.
*8 LC20, LC30, LC35, DP22, DP23, DP27, DP28, DP73, DP74, SC30, SC50, SC100, SC180, UC30, UC50, UC90, XC10, XC30, XC50, XM10, DP23M을 지원합니다.
*9 지원되는 장치 정보는 Evident로 문의하십시오.
*10 Stream 2.5부터 Evident 카메라 DP74, DP73 및 SC180/UC90은 Windows 10/8.1과만 호환됩니다. Windows 7은 더 이상 지원되지 않습니다.
*11 DP74에서 Live HDR용 구성 필요 NVIDIA의 CUDA에 적용되는 그래픽 보드(연산 능력 2.1 이상) CUDA 9.1 이상에 적용 가능한 그래픽 보드 드라이버

특수 솔루션 사양

솔루션 호환성 기능
Enterprise Desktop 측정 유형
3D 포함 일부 포함* 3D 표면 보기, 3D 측정, 3D 프로파일 측정, 전동식 Z 스택/EFI, 높이 맵이 있는 인스턴트 EFI(코딩식 또는 전동식 Z축 필요)
용접 측정 용접 측정 솔루션(용접 중 가열로 인한 기하학적 변형 측정)
계수 및 측정 여러 개의 임계값 방법 사용 가능(자동, 수동 HSV, 수동 및 적응형)
이 시스템은 분할된 모든 개체(면적, 종횡비, 이등분선, 경계선, 무게 중심, ID, 질량 중심, 강도 값, 볼록도, 직경, 연신율, 페렛, 범위, 다음 이웃 거리, 방향, 둘레, 반경, 모양, 구형도 등)에 대하여 여러 매개변수를 자동으로 측정할 수 있습니다. 개별 및 분포 측정 값이 있는 스프레드시트 및 차트.
TruAI™ 딥러닝 기술 의미론적(잘 분리된 개체) 또는 인스턴스(접촉 경계 개체) 분할 방법을 사용한 신경망 훈련.

* 이미지 인식과 관련된 기능은 사용 불가

재료 솔루션 사양

솔루션 산출 기능
Enterprise Desktop 자동 보고서 개인 작업 일지 모든 결과를 이미지 속성에 저장 측정 유형 지원되는 표준
결정립 인터셉트 패턴 선택(원, 십자선, 십자원, 세로선, 가로선, 가로 세로선)

결정립 연신율의 측정을 위한 테스트 라인의 수 정의

재료 솔루션 도구 창에 G 값을 표시
ASTM E112-13(2021), ISO 643:2020, JIS G 0551:2020, JIS G 0552:1998, GOST 5639-82, GB/T 6394-2017, DIN 50601:1985, ASTM E1382-97(2015)
결정립 면적 측정 ■*2 결정립계의 자동 추출

사용성 향상을 위해 스트림 슬라이더를 사용하는 사용자 상호 작용

직접 상호작용을 위해 재료 솔루션 도구 창에 G 값 히스토그램 표시
ASTM E112-13 (2021), ISO 643:2020, JIS G 0551:2020, JIS G 0552:1998, GOST 5639-82, GB/T 6394-2017, DIN 50601:1985, ASTM E1382-97(2015)
비금속 개재물 색상, 모양 및 크기를 사용하여 비금속 개재물을 자동 검출

산화물, 황화물, 규산염 및 알루미네이트의 자동 분류

검출된 개재물을 등급과 함께 실시간 표시

스캔된 전체 영역의 개재물에 대한 통계적 개요
ASTM E45-18a (Methode A), DIN 50602:1985 (Methode M), ISO 4967:2013 (Methode A), GB/T 10561-2005 (Methode A, äquivalent zu ISO 4967), JIS G 0555:2003 (Methode A, äquivalent zu ISO 4967), UNI 3244:1980 (Methode M), EN 10247:2017 (Methoden P und M), EN 10247:2007 (Methoden P und M), ASTM E45-18 (Methode D), ISO 4967:2013 (Methode B), SEP 1571-2017 (Methoden M und K), EN10247:2017 (Methode K).
주철 연마된 샘플에서: 흑연 함량의 특성(크기, 모양 및 분포)을 자동으로 측정

에칭된 샘플에서: 페라이트 대 펄라이트 비율을 측정

샘플 상태(에칭 또는 연마)를 고려하는 통합 워크플로
EN ISO 945-1:2018, ASTM A247-17,
JIS G 5502:2001, KS D 4302:2006,
GB/T 9441-2009, ISO 16112:2017,
JIS G 5505:2013, NF A04-197:2017,
ASTM E2567-16a (nur für Kugelgraphitbildung)
차트 비교 라이브 오버레이를 포함한 여러 디스플레이 사용 가능

사용성 향상을 위해 스트림 슬라이더를 사용하는 사용자 상호 작용

선택된 값에 대한 통계 계산
DIN 50602:1985, ISO 945-1:2019, ISO 643:1983, ISO 643:2012, EN 10247:2017, SEP 1520:1998, SEP 1572:2019, ASTM E112:13(2021), ISO 4505:1978
레이어 두께 층 경계는 자동 검출, 마법 지팡이 또는 수동 모드(2점 또는 3점 사용)를 사용하여 지정할 수 있습니다.

개별 측정값은 나중에 추가하거나 삭제할 수 있음

(경계가 고르거나 고르지 않은) 모든 유형의 층에 대한 측정이 지원됩니다.

층 두께 측정은 개별 층에 대한 통계 데이터뿐만 아니라 평균, 최대값과 최소값을 계산합니다.
코팅 두께 자국은 상면 보기에서 측정

샘플 형상에 따른 코팅 두께 계산
EN 1071-2:2002, VDI 3824: 2001, ISO 26423:2016
수지상 가지 간격 주조 알루미늄 합금의 평균 수지상 가지 간격을 결정
자동 측정 자동으로 거리 측정(점 대 점, 점 대 선, 원 대 원, 점 대 원, 선 대 원)

원의 지름을 자동으로 측정(진원도, 경계선)

두 선 사이의 각도를 자동으로 측정

측정 및 시각적 검증을 위한 공차 값의 정의

측정 반복성을 위한 전문가 및 사용자 모드
균일 전착성 샘플에서 선택된 대상 지점의 수동 측정

작업자가 트리거할 사전 설정 지점

비아(vias) 유형 선택 및 분석의 문서화

수동 측정에 따른 보고 및 자동 계산
다공성 중첩 기능을 사용한 ROI(삼각형, 원, 직사각형, 다각형 또는 마법 지팡이)별 기공 검출

기공 밀도, 개수, 비면적의 측정

가장 큰 기공 측정

지정된 크기 범위의 측정
VW 50093/ P6093:2012,
VDG P201-2002, VDG P202-2010,
VDG P211-2010
입자 분포 입자는 단순화된 임계값 설정으로 규정됩니다.

선택한 매개변수(크기, 색상 또는 모양)에 따른 자동 분류

ROI 및 다중 임계값 측정

사용자 정의 표준에 따른 검증 및 코딩 정의
고급 위상 분석 ROI(삼각형, 원, 직사각형 또는 다각형)별 위상 분율

마법 지팡이, 자유형 다중선, 보간된 다각형, 형태 필터 및 이미지 산술도 사용 가능

위상 및 ROI 별 총 위상 백분율 측정

선택 가능한 최소 면적 검출

*2 분포가 있는 Stream Enterprise 차트를 출력할 수 있습니다.

자원

어플리케이션 노트

비디오

제품 리소스