Stream Enterprise Data Management Software

Stream Enterprise data management software offers intelligent step-by-step workflows to acquire sharp, crisp images that are ready for quantitative measurements and professional reporting based on the latest standards. Users of any experience level can conduct complex image analysis tasks, from image acquisition to standard reporting, under any imaging condition.

  • Product Availability: This product has been discontinued check out our current product

Stream Enterprise

Overview

Fast, Efficient Inspection Workflows

Stream Enterprise data management software offers intelligent step-by-step workflows to acquire sharp, crisp images that are ready for quantitative measurements and professional reporting based on the latest standards. Users of any experience level can conduct complex image analysis tasks, from image acquisition to standard reporting, under any imaging condition.

Designed for flexibility, Stream Enterprise software has functions to conduct fast and precise observation sessions on a large variety of samples while maintaining data security and measurement reliability.

Optional solutions enable users to adapt Stream Enterprise software to their application, including quality analysis, research and development, process development, and quality control.

https://adobeassets.evidentscientific.com/content/dam/video/videolibrary/videos/Stream_Analysis_Software_480_new_(1).mp4

Image Capture and Hardware Support

All supported cameras—color, monochrome, IR, SWIR—are integrated into the software’s easy-to-use camera control, which also captures the magnification and calibration information. Acquiring large, all-in-focus images is easy using either a manual or motorized stage.

Measurement, Image Analysis, and Optional Advanced Imaging Solutions

The software enables you to make a variety of geometric measurements interactively or with advanced image processing and analysis capabilities. Standard compliant measurements can also be produced using the Material Solutions workflow. The software offers a variety of tools for various materials science analyses, so you can be confident in your results.

Data Storage and Sharing

The data are securely stored on the local network using client-server technology based on Microsoft SQL Server. User rights and data security can be enhanced with the Secure File Repository package.

Documentation

Powerful reporting tools are available that use Microsoft 365 with a direct connection to the database.

Try Stream Enterprise free for 30 days!

Click "Request a Demo" and note that you would like a 30-day license in the first box.

Easy-to-Use Interface and Step-by-Step Guidance

Smart Technologies for Crisp Image Capture

Smart Technologies for Crisp Image Capture
  • Tools for live images
  • Panorama and extended depth focus
  • Saving and recalling acquisition settings

High Efficiency on Repeating Tasks

High Efficiency on Repeating Tasks
  • Guided operation
  • Quantitative analysis
  • Automatic tools for efficient image acquisition
  • Efficient report creation

Designed for Olympus Hardware

Seamlessly Integration with Olympus Optical Microscopes

Seamlessly Integration with Olympus Optical Microscopes
  • Upright microscopes
  • Inverted microscopes
  • Semiconductor microscopes
  • Stereo microscopes
  • LEXT 3D measuring laser microscope
  • DSX digital microscope

Working with Olympus Digital Cameras

Working with Olympus Digital Cameras
  • Color fidelity
  • High resolution
  • Real-time on-screen imaging

Dedicated Observation Methods

Dedicated Observation Methods
  • HDR imaging for image contrast improvement
  • Unique 'MIX' observation mode providing sample details from both brightfield and darkfield

Solving Your Inspection Challenges

Advanced Imaging Solutions

Advanced Imaging Solutions
  • Count and measure solution
  • Three-dimensional image display and measurement

Solutions for Metallography

Solutions for Metallography
  • Grain sizing using the intercept counting method
  • Grain sizing using the planimetric method
  • Graphite nodularity evaluation
  • Rating the non-metallic inclusion content
  • Comparison of sample images with reference standards
  • Dendrite arm spacing measurement

Solutions for Machinery Processing (Automotive / Machined Parts Industries)

Solutions for Machinery Processing (Automotive / Machined Parts Industries)
  • Welding distortion
  • Phase and region of interest measurement
  • Particle distribution

Solutions for Electronics (Electronic Device / Semiconductor Industries)

Solutions for Electronics (Electronic Device / Semiconductor Industries)
  • Throwing power measurement
  • Automatic critical dimension measurement

Solutions for Surface Coatings and Thin Film Deposits (Coating Industries)

Solutions for Surface Coatings and Thin Film Deposits (Coating Industries)
  • Thin coating thickness evaluation (calotest method)
  • Layer thickness measurement
  • Pore fraction and density measurement

Software Compatibility with Microsoft Office

Smart Technology

Step-by-Step Guidance

The dynamic user interface reduces desktop clutter and confusion by only displaying the tools and functions you want to use. The interface guides you through every step of the process, including image capture, image processing, and report creation. Both simple and complex measurements can be easily conducted using the software’s intuitive set of tools.

Simple Layouts

The software’s organized layouts contain the minimum necessary functions for performing the required tasks. Simplified layouts help streamline the inspection workflow and efficiently guide users through the inspection process.

Fast measurements on a live image with just a few clicks of your mouse

Fast measurements on a live image with just a few clicks of your mouse

Estimating the pore size using live digital reticules (Cross section of die casting)

Estimating the pore size using live digital reticules
(Cross section of die casting)

Tools for Live Images

The software supports live image functions for instant feedback. The software enables you to interact with the live image, which is automatically calibrated, and perform quantitative measurements.

Fast Panorama and Extended Depth Focus

Quickly create images of samples that extend beyond the standard depth of focus or the field of view. The instant extended focus image (EFI) function uses the fine focus adjustment to combine many images taken at different Z-levels to build a single combined image that is entirely in focus. Instant multiple image alignment (MIA) makes it easy to create panoramic images simply by moving the XY stage; a motorized stage is no longer necessary.

Instant EFI image of crystal: fully focused image is created even in low-contrast sample areas

Instant EFI image of crystal: fully focused image is created even in low-contrast sample areas

Instant MIA image of a coin

Instant MIA image of a coin

Recall Acquisition Setting

Quickly recall previously used camera settings to capture repeatable images with a consistent look and feel. When using a motorized microscope, this function can automatically recall previous hardware settings. If you’re using a BX, GX, or MX series microscope, the software guides you to manually recall settings.

Different operators use different settings
Different operators use different settings
Easily verify the correct settings
Easily verify the correct settings
Synchronize observation settings
Synchronize observation settings
Regardless of different operators, the settings are the same
Regardless of different operators, the settings are the same

3D profilometry of wear track

3D profilometry of wear track

3D Solution

This solution creates height maps from stacks of images acquired automatically or manually at different Z positions. The resulting image can be visualized in three dimensions using the surface view. Measurements, such as 3D profiles and height differences between two or several points, can be performed, and the results exported into workbooks and Microsoft Excel spreadsheets.

Guided Operation for Specific Analyses

The software guides you through the correct order of functions when performing image analysis, including methods that comply with most common international standards. When using a motorized stage, the alignment feature speeds up your work on multiple sample locations.

Guided Operation for Specific Analyses
Automatic Calibration

Automatic Calibration

The automatic calibration feature uses a standard micrometer to calibrate the microscope and automatically generates a calibration report. This helps eliminate user variability in the calibration process for more reliable measurements.

Automated Inspection Tools

The software’s automated tools can create a very large set of data in just a few minutes. Automatic magnification calibration using a calibrated grating reticle helps ensure that your images are displayed with the proper scale bar and that your measurements are confirmed. Large areas can be imaged automatically using motorized XYZ stages, enabling the creation of images of large parts with high resolution.

Sharp and high-contrast MIA image of integrated circuit (IC) pattern (dark field observation with 20X objective lens)

Sharp and high-contrast MIA image of integrated circuit (IC) pattern (dark field observation with 20X objective lens)

Quantitative Information that Matters

The software tools features quantitative information about your sample. Interactive measurements on live and still images provide the basic dimensional information (length, area, and diameter), and the results are directly visible on the image.

Advanced interactive measurements include the magic wand and complex polygonal shapes for semiautomatic area measurement, while the count and measure solution provides access to more than a one hundred single particle parameters for quantitative analysis based on the threshold method.

Basic measurement (supra conductor)

Basic measurement (supra conductor)

Magic wand (supra conductor)

Magic wand (supra conductor)

Object detection (supra conductor)

Object detection (supra conductor)

Efficient Report Creation

Creating a report often takes longer than capturing the image and taking the measurements. With the software, you can repeatedly produce smart and sophisticated reports based on predefined templates. Editing is simple, and reports can be exported to Microsoft Word, Excel, or PowerPoint. In addition, the software’s reporting tool enables digital zooming and magnification on acquired images. Report files are a reasonable size for easier data exchange by email.

Professional report that summarizes particle counting data

Professional report that summarizes particle counting data

Integrated Data Management

Stream Enterprise’s data management software enables workflows with large amounts of data and many users to run efficiently with a high level of data security.

User Rights

There are four user rights roles: administrator, power user, user, and guest. Each can be custom modified for more flexibility. In addition, you can assign access rights for each project or data record to defined individuals or members of a group. Authentication is possible via SQL logon when starting Stream Enterprise or via integration with an existing active directory and lightweight directory access protocol (LDAP) to provide single sign-on (SSO) capabilities.

Secure File Repository

For additional data security, Stream Enterprise offers the optional secure file repository (SFR) package. As an extra layer of security, the SFR works with Stream Enterprise to handle file requests based on a user’s access permission; users without permission to open a file will not see it in their file directory.

Integration

Stream Enterprise can be set up to interface directly with existing order management, LIMS, ERP, and CRM systems. For additional flexibility, the software has available built-in interfaces to digital communication protocols, such as component object model (COM) and open database connectivity (ODBC), which enable easier interfacing with other programs. Application programming interface (API) functionality has also been added to enable the use of Stream Enterprise processes by other programs.

Access to Existing Databases

Existing records from other databases can be imported into Stream Enterprise with all the relevant data and metadata properly organized. It is also possible to use some existing data sources without importing them (read-only access).

Your System

Customize Your Software Package

Developed for our microscopes, Stream Enterprise data management software is a powerful and user-friendly measurement tool. There is no need to manually record the optical parameters of UIS2 objectives when using it with a conventional microscope. Magnification calibration is also not required when importing images from our DSX and LEXT microscopes. The software is available from entry-level to advanced packages.

OLYMPUS Stream Packages

OLYMPUS Stream software is available in four packages based on functionality—Start, Basic, Essentials, and Motion.
Application-specific materials solution modules can be added to streamline repetitive analysis tasks. Olympus representatives can help you determine which package is right for you.

Learn more

Seamlessly Integrates with Most Evident Optical Microscopes

Control Upright Microscopes

BX53M microscope and software system

BX53M microscope and software system

The BX53M microscope employs coded functions that integrate the microscope’s hardware settings with Stream Enterprise data management software. The observation method, illumination intensity, and objective position are all recorded by the software and/or the handset. The microscope settings can be automatically saved with each image, making it easier to reproduce the settings at a later time and provide documentation for reporting purposes.

View our upright microscopes

Control Inverted Microscopes

GX53 microscope and software system

GX53 microscope and software system

Our digital cameras provide high-resolution viewing and fast image transfer while our software provides all the tools needed for today's complex metallurgical requirements.
Choose from extended measurements, standard metallography, and advanced metallography application-specific modules (over a dozen application specific routines are available), and automatically populate data and create reports that comply with common ASTM and ISO specifications.

Control Semiconductor Microscopes

Integrated microscope and software system

Integrated microscope and software system

We offer several software platforms that integrate with our semiconductor microscope frames to control all motorized functions, including the digital camera and motorized stage. Each interface is designed for basic inspection and control, advanced image analysis, or repetitive site inspection and defect review.

View our semiconductor microscopes

Control Stereo Microscopes

SZX16 microscope and software system

SZX16 microscope and software system

Our stereo microscope motorized focus drive makes digital documentation with extended focal imaging (EFI) efficient and fully automatic. This even enables the creation of pseudo 3D images. The software offers tools for simple 2D measurements up to complex phase analysis and support many operations including observation, report generation, database creation, and archiving.

View our stereo microscopes

Enhance the Power of Evident Confocal and Digital Microscopes

Use Stream Enterprise Data management software for post-processing (Stream Enterprise Desktop) with the complete range of DSX series digital microscopes and the LEXT 3D measuring laser microscope.

LEXT 3D measuring laser microscope

LEXT 3D measuring laser microscope

DSX digital microscope series

DSX digital microscope series

View the LEXT 3D Measuring Laser Microscope
View the DSX Digital Microscope

Supports Most Evident Digital Cameras

Resolution and Color Fidelity

The low-noise, high-resolution images of a 9-megapixel sensor enable the user to zoom deep into the sample, revealing its structures (sandstone)

The low-noise, high-resolution images of a 9-megapixel sensor enable the user to zoom deep into the sample, revealing its structures (sandstone)

Excellent spatial resolution combined with a high pixel count exploit the full optical resolution of the objectives and enable the structures and details within the smallest samples to be imaged, even with low magnification objectives. High-resolution images enable you to make observations exclusively on screen without using the eyepieces.

Reveal More with Infrared (IR)

Brightfield image 5x taken with the DP23M monochrome camera, a. Brightfield image 5x b.) IR image 5x (BP1100 nm filter), c.) Cropped detail 20x IR, d.) Cropped detail 20x IR with DCE filtering

Brightfield image 5x taken with the DP23M monochrome camera,
a. Brightfield image 5x
b.) IR image 5x (BP1100 nm filter),
c.) Cropped detail 20x IR,
d.) Cropped detail 20x IR with DCE filtering

IR imaging mode is a fundamental tool for quality control and R&D laboratories. IR mode enables nondestructive inspection through silicon layers of packaged products during the backend stage of fabrication.

View our digital cameras

Dedicated Observation Methods for Materials Science

HDR imaging for enhanced contrast

High dynamic range (HDR) imaging improves image contrast in difficult conditions (very bright areas together with very dark areas in the same image). All cameras supported by Stream Enterprise data management software can be used in this mode, and dedicated cameras have an available live mode.

Clearly exposed for both dark and bright parts by HDR (Sample: fuel injector bulb)

Clearly exposed for both dark and bright parts by HDR (Sample: fuel injector bulb)

Contrast enhancement by HDR (Sample: Sliced magnesite)

Contrast enhancement by HDR (Sample: Sliced magnesite)

MIX observation to visualize sample’s surface structure

The software supports our MIX observation

This illumination technique combines directional darkfield, which uses a circular LED to illuminate one or more quadrants at a given time, , and brightfield, fluorescence, or polarization, enabling you to highlight defects and differentiate raised surfaces from depressions that are normally difficult to see with conventional microscopes. MIX observation helps reduce a sample’s halation and is useful for visualizing a sample’s surface texture.

Conventional: brightfield shines the light straight down on the sample while traditional darkfield highlights scratches and imperfections on a flat surface by illuminating the sample from the side of the objective

Conventional: brightfield shines the light straight down on the sample while traditional darkfield highlights scratches and imperfections on a flat surface by illuminating the sample from the side of the objective

Conventional: brightfield shines the light straight down on the sample while traditional darkfield highlights scratches and imperfections on a flat surface by illuminating the sample from the side of the objective

Conventional: brightfield shines the light straight down on the sample while traditional darkfield highlights scratches and imperfections on a flat surface by illuminating the sample from the side of the objective

Advanced: MIX is a combination of brightfield and directional darkfield from a ring of LEDs; the LEDs can be adjusted to select which direction to illuminate from

Advanced: MIX is a combination of brightfield
and directional darkfield from a ring of LEDs;
the LEDs can be adjusted to select which
direction to illuminate from

Solutions

Solving Your Inspection Challenges

Industrial labs often require repeatable and reproducible results as part of their standard operating procedures. Stream Enterprise Data Management software facilitates inspection, measurement, and analysis with a simple and reliable workflow. The software offers a variety of tools for various materials science analyses, so you can be confident in your results.

Evident industrial microscopes support metallurgical analysis solutions

Evident industrial microscopes support metallurgical analysis solutions

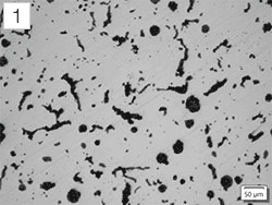
Count and Measure Solution

The software’s count and measure solution uses advanced threshold methods to reliably separate objects, such as particles and scratches, from the background. More than 50 different object measurement and classification parameters are available, including shape, size, position, and pixel properties.

Conventional software Unclear grain boundaries
Etched steel microstructure (original image)
Stream Enterprise Grain boundaries are clearly detected
Conventional software
Unclear grain boundaries
Etched steel microstructure
(original image)
Stream Enterprise
Grain boundaries are clearly detected

Grain classification results

Grain classification results

Efficient Analysis

Example of Macro Manager set up for Count and Measure

Example of Macro Manager set up for Count and Measure

You can preset complex imaging and measurement tasks with the macro manager and then execute it with a single click.

Powerful Image Filters

Enhanced contrast using the DCE filter (dendrite in an aluminum casting)

Enhanced contrast using the DCE filter (dendrite in an aluminum casting)

The software has a variety of useful filters for edge detection, smoothing, and other purposes.

TruAI™ Deep-Learning Technology

Image segmentation using conventional threshold methods that depend on brightness or color can miss critical information or targets in samples. The Stream Enterprise data management TruAI solution offers a more accurate segmentation approach using deep-learning technology for a highly reproducible and robust analysis, including instance segmentation to split an image into individual instances of an object.

Learn more about TruAI deep learning

Original image of brown coal ash fly (left) in OLYMPUS Stream/PRECiV, image segmentation using conventional thresholding methods (right).

Original image of brown coal ash fly (left) in OLYMPUS Stream/PRECiV, deep-learning image segmentation (right).

Three-Dimensional Measurement and Line Profiles

The Stream Enterprise Data management 3D solution provides coded and motorized Z control and instant EFI with height mapping capabilities to measure a three-dimensional sample.

3D surface view (Roughness test sample)

3D surface view (Roughness test sample)

Single view and 3D profile measurement

Single view and 3D profile measurement

Solutions for Metallography

Solutions for Metallography

Metallography is used in materials development, incoming inspection, production and manufacturing control, and failure analysis.

  • Grain sizing using the intercept counting method
  • Grain sizing using the planimetric method
  • Graphite nodularity evaluation
  • Rating the content of non-metallic inclusions in high-purity steel
  • Compare sample images with reference standards
  • Automatically or manually measure dendrite arm spacing

Solutions for Machinery Processing (Automotive / Machined Parts Industries)

Solutions for Machinery Processing (Automotive / Machined Parts Industries)

To produce parts that are high quality, scratches, cracks, pore size, and contamination is strictly monitored during the production process.

  • Welding distortion
  • Phase and ROIs measurement
  • Particle distribution

Solutions for Electronics (Electronic Device / Semiconductor Industries)

Solutions for Electronics (Electronic Device / Semiconductor Industries)

In printed circuit boards, very thin plates are coated and verifying the homogeneity of this coating is a key element of product quality.

  • Throwing power measurement
  • Automatic critical dimension measurement

Solutions for Surface Coatings and Thin Film Deposits (Coating Industries)

Solutions for Surface Coatings and Thin Film Deposits (Coating Industries)

Surface coatings are any mixture of film-forming materials that contain pigments, solvents, and other additives, which, when applied to a surface and cured or dried, yields a thin film that is functional and often decorative.

  • Thin coating thickness evaluation (calotest method)
  • Layer thickness measurement
  • Pore fraction and density measurement

Custom Workflow Solutions

Particle detection
Our customization team designs personalized workflows in Stream Enterprise Data management software for specific application scenarios. The software operation process is set up for your requirements so you can quickly solve challenges and achieve goals in your industrial microscope inspections.

Materials Solutions for Every Purpose

Solutions
Descriptions
Grain Intercept
Steel manufacturers use this solution for measuring and controlling grain size after cross-sectioning, polishing, or etching steel samples.
This function is based on overlaying of “test lines” and counting the number of intercepts with grain boundaries.
Grain Planimetric
Steel manufacturers use this solution for measuring and controlling grain size after cross-sectioning, polishing, or etching steel samples.
This function reconstructs boundaries for each grain and conducts grain sizing with the area percentage of the second phase.
Non-Metallic Inclusions
Steel manufacturers use this solution for measuring and controlling the shape and size of nonmetallic inclusions (oxide, alumina, sulfide, or silicate) in steel.
Cast Iron
Casting manufacturers who need to measure and control the graphite nodularity and check the mechanical characteristics of their cast products use this solution.
Chart Comparison
A live or still image can be overlaid onto standard charts for comparison. Function preview is available.
Dendrite Arm Spacing
This solution is used to manually or automatically determine the mean dendrite arm spacing in cast aluminum.
Layer Thickness
One or multiple layers of a cross-sectioned sample can be measured using the Layer Thickness solution. The shapes are defined, and the layers automatically measured.
Coating Thickness
This solution enables the measurement of coating thickness from top-view images using the Calotest method.
Automatic Measurements
This solution is used for creating measurements based on edge-detection on a live image with pattern recognition.
Throwing Power
This solution measures the distribution of copper plating thickness in through-holes or micro-vias.
Porosity
This solution enables pores to be measured either for area fraction or the number of surface pores using ROIs (circular, triangular, rectangular, and polygonal) and thresholds.
Particle Distribution
This solution is used to create particle size distribution histograms and tables from multiple images or image series.
Advanced Phase Analysis
This feature offers a new integrated solution to perform phase analysis on a selection of various regions of interest (ROIs) including triangles, circles, rectangles, and polygons.
Solutions Metal/ Casting Automotive Glass/ Ceramic Coating Consumer goods Electronic devices
Grain Intercept
Grain Planimetric
Inclusion Worst Field
Cast Iron
Chart Comparison
Layer Thickness
Coating Thickness
Automatic Measurements
Throwing Power
Porosity
Particle Distribution
Solutions Metal/ Casting Automotive Glass/ Ceramic Coating Consumer goods Electronic devices
Grain Intercept
Grain Planimetric
Inclusion Worst Field
Cast Iron
Chart Comparison
Layer Thickness
Coating Thickness
Automatic Measurements
Throwing Power
Porosity
Particle Distribution
Advanced Phase Analysis

Specifications

Main License Specifications

Enterprise Desktop
Image Acquisition Basic image acquisition including HDR and auto-calibration of magnification and Live HDR*1, and position navigation*1
Software autofocus*2 and movie acquisition (Avi format)
Time lapse, Instant EFI, and Instant/Manual MIA*3
Motorized EFI/MIA and Z-stack acquisition
Image and Customization Tools Basic tool windows (Image history, properties, navigator, gallery view tool window)*4
Annotations, layer management, scale bar, cross hair, info stamp display, and image filters
Digital reticle/grid, line profile display, My Function, layout management, and Macro Manager
Measurements/ Image Analysis Basic interactive measurement (distance, angles, rectangles, circles, ellipses, polygons, circle-to-circle distance, angle ruler, and line ruler) and data export to MS-Excel
Phase analysis, magic wand, freehand polyline, interpolated polygon, morphology filter, and image arithmetics
3D measurements, 3D profile measurements, and 3D surface view
Reporting*5 Report creation (MS-Word, and MS-Excel formats)
Presentation creation
Data Management Client/Server data management system for an unlimited number of simultaneous database users**6
User-/project-oriented administration of images and other documents
Variable user rights for image and data
Fast and controllable data access
High-performance search functions
Supported DBMS: Microsoft SQL Server 2008 R2/R2 Express, Microsoft SQL Server 2012 (SP1 and SP2)/Express (SP1 and SP2), Microsoft SQL Server 2014/Express, Microsoft SQL Server 2017/Express, Microsoft SQL Server 2019/Express, Oracle 11g R2/express, Oracle 12g R2/Express
Sophisticated service for secure storage due to secure file repository (SFR) technology
Device Support Evident microscopes**7 and Evident cameras*8
Non-Evident cameras and image source converters*9
Non-Evident stage controllers*9
PC Requirements
CPU
Intel® Core i5, Intel® Core i7, Intel® Xeon
RAM/hard disk/DVD drive
4 GB or more (8 GB recommended)/2.4 GB or more free space/DVD+R DL compatible
OS*10
Windows 10 Pro (64-bit) , Windows 8.1 (64-bit) Pro
.NET Framework
Version 4.6.2 or higher
Graphic card*11
1280 × 1024 monitor resolution with 32-bit video card
Web browser
Windows Internet Explorer 8, 9, 10, or 11

*1 Requires the DP74 camera, and the Live HDR function requires 64-bit OS.
*2 Requires Evident microscope with motorized Z-axis or external motorized Z-axis
*3 Instant MIA may not work properly with some cameras
*4 Write and read all major file formats and open Evident proprietary formats (DSX, LEXT and POIR file formats)
*5 Requires Microsoft Word 2010, 2013, 2016, 2019, or Office 365 to be installed beforehand (not provided).
*6 Using Microsoft SQL Server Express
*7 Supports BX53M, BX2, IX2, GX, GX53, SZX, SZX2, SZX-ZE, MX, MX63, MX63L, MVX, STM7-CB, CBS, BX3M-CB, BX3M-CBFM, BX-REMCB.
*8 8 Supports LC20, LC30, LC35, DP22, DP23, DP27, DP28, DP73, DP74, SC30, SC50, SC100, SC180, UC30, UC50, UC90, XC10, XC30, XC50, XM10, DP23M.
*9 Please contact Evident for supported device information
*10 Starting with Stream 2.5, Evident cameras DP74, DP73 and SC180/UC90 are compatible with Windows 10/8.1 only. Windows 7 is no longer supported.
*11 Required configurations for Live HDR in DP74. Graphic board applicable to CUDA made by NVIDIA (compute capability 2.1 or higher). Graphic board driver applicable to CUDA 9.1 or higher.

Special Solution Specifications

Solutions Compatiblity Functions
Enterprise Desktop Measurement Type
3D Included Partially included* 3D Surface View, 3D Measurement, 3D Profile Measurement, Motorized Z-stack/EFI, Instant EFI with height map (requires coded or motorized Z-axis).
Weld Measurement Weld Measurement solution (measurements for geometric distortion introduced by the heating during welding).
Count & Measure Multiple threshold methods are available (automatic, manual HSV, manual and adaptive)
The system can automatically measure multiple parameters on all segmented objects (Area, Aspect Ratio, Bisector, Bounding Box, Gravity Center, ID, Mass Center, Intensity Values, Convexity, Diameters, Elongation, Feret, Extent, Next Neighbor Distance, Orientation, Perimeter, Radius, Shape, Sphericity, etc.), Spreadsheet and charts with individual and distribution measurements.
TruAI™ Deep-Learning Technology Training of Neural Networks using semantic (well separated objects) or instance (touching borders objects) segmentation methods.

* Not possible to use the functions relating to image acquisition

Materials Solutions Specifications

Solutions Output Functions
Enterprise Desktop Automatic Report Workbook with Individual Store All Results in the Image Properties Measurement Type Supported Standards
Grain Intercept Selection of pattern (circles, cross, cross circles, vertical lines, horizontal lines, horizontal vertical lines) Definition of the number of test lines for determination of grain elongation Displays the G-value in the Material Solution tool window ASTM E112-13(2021), ISO 643:2020, JIS G 0551:2020, JIS G 0552:1998, GOST 5639-82, GB/T 6394-2017, DIN 50601:1985, ASTM E1382-97(2015)
Grain Planimetric Automatic extraction of grain boundaries User interaction using Stream sliders for improved usability Displays the G-value histogram in the Material Solution tool window for direct interaction ASTM E112-13 (2021), ISO 643:2020, JIS G 0551:2020, JIS G 0552:1998, GOST 5639-82, GB/T 6394-2017, DIN 50601:1985, ASTM E1382-97(2015)
Non-Metallic Inclusions Automatic detection of non-metallic inclusion using colors, shape, and size Automatic classification of oxides, sulfides, silicates, and aluminates Live display of the detected inclusion with its rating Statistical overview of inclusions on the entire scanned area ASTM E45-18a (method A), DIN 50602:1985 (method M), ISO 4967:2013 (method A), GB/T 10561-2005 (method A, equivalent to ISO 4967), JIS G 0555:2003 (method A, equivalent to ISO 4967), UNI 3244:1980 (method M), EN 10247:2017 (methods P and M), EN 10247:2007 (methods P and M), ASTM E45-18 (method D), ISO 4967:2013 (method B), SEP 1571-2017 (methods M and K), EN10247:2017 (method K).
Cast Iron On polished samples: automatically measures the characteristics of the graphite content (size, shape, and distribution) On etched samples: measures the ferrite to pearlite ratio Integrated workflow that takes into account the sample status (etched or polished) EN ISO 945-1:2018, ASTM A247-17, JIS G 5502:2001, KS D 4302:2006, GB/T 9441-2009, ISO 16112:2017, JIS G 5505:2013, NF A04-197:2017, ASTM E2567-16a (for nodularity only)
Chart Comparison Multiple displays available, including live overlay User interaction using Stream sliders for improved usability Calculates statistics on the selected values DIN 50602:1985, ISO 945-1:2019, ISO 643:1983, ISO 643:2012, EN 10247:2017, SEP 1520:1998, SEP 1572:2019, ASTM E112:13(2021), ISO 4505:1978
Layer Thickness Layer boundaries can be specified using automatic detection, magic wand, or manual mode (using 2 or 3 points) Individual measurements can be added or deleted later on Measurement of any type of layers (with even or uneven boundaries) is supported Layer thickness measurement calculates mean, maximum, and minimum values as well as statistical data for each individual layer
Coating Thickness Prints are measured from top view Calculation of the coating thickness according to the sample geometry EN 1071-2:2002, VDI 3824: 2001, ISO 26423:2016
Dendrite Arm Spacing Determines the mean dendrite arm spacing in cast aluminum alloys
Automatic Measurements Automatically measures distances (point-to-point, point-to-line, circle-to-circle, point-to-circle, line-to-circle)

Automatically measures circle diameter (roundness, bounding box)

Automatically measures angles between two lines

Definition of tolerances values for measurement and visual validation

Expert and user mode for measurement repeatability
Throwing Power Manual measurements of selected point of interest on the sample Predefined points that will be triggered by the operator Selection of the vias type and documentation of the analysis Report and automatic calculation according to the manual measurements
Porosity Pore detection per ROIs (triangle, circle, rectangle, polygon, or magic wand) with overlapping capability Measurement of the pore density, count, and specific area Measurement of the biggest pore Measurement of a specified size range
Particle Distribution Particles are defined using simplified threshold settings Automatic classification according to a selected parameter (size, color, or shape) Measurement of ROIs and multiple thresholds Definition of validation and coding according to user-defined standards
Advanced Phase Analysis Phase fraction per ROIs (triangle, circle, rectangle, or polygon) Magic wand, freehand polyline, interpolated polygon, morphology filter, and image arithmetics also usable Measurement of the total phase percentage per phase and per ROI Selectable minimum area detection

*2 Stream Enterprise chart with the distribution can be output.

Resources

Blog

Videos

Product Resources