기술 청정도 워크플로우 분류 2부: 이미지 획득 및 파티클 측정

이미지 획득 및 파티클 측정

Post Author's Photo

Hamish Rossell

2018년 1월 22일

픽셀 크기 보정 및 측정 매개변수 보정

이 6부작 블로그 시리즈 중 2부에서는 기술 청정도 워크플로우의 두 번째 단계인 이미지 획득 및 파티클 측정에 대해 살펴봅니다. 이 단계에는 파티클 크기 분류 준비에서 픽셀 크기 보정과 측정 매개변수 설정 작업이 포함됩니다. 다음은 전체 기술 청정도 검사 프로세스에 적합한 이미지 획득 및 파티클 측정 작업입니다.

이미지 획득

필터가 현미경 스테이지에 장착되고 나면 청정도 검사에 필요한 이미지를 획득할 수 있습니다. 파티클 크기 측정치가 픽셀 크기에 민감하므로 픽셀 크기를 잘 보정하는 것이 중요합니다. 이미지 해상도는 10X 대물렌즈를 사용할 때 1μm 범위입니다.

필터 멤브레인에 있는 모든 파티클을 단 한 번에 검출해야 합니다. 그렇기 때문에 필터 멤브레인이 카메라의 시야를 포함하는 프레임으로 분할되어 있습니다. 멤브레인이 움직이므로, 전체 필터를 기록할 수 있습니다.

프레임으로 분할된 필터 멤브레인
프레임으로 분할된 필터 멤브레인

연결할 때 인접 이미지 두 개를 겹치지 않아도 됩니다. 전동 스테이지의 기계 정밀도 덕분에 필터 멤브레인를 정확하게 배치할 수 있습니다. 10X 대물렌즈 사용 시 전체 필터 영역에서 개별 이미지 약 1700개가 획득됩니다. 이 프로세스에는 이미지 획득과 분석을 포함하여 10분 미만이 소요됩니다.

모든 이미지는 나란히 획득되어야 하고 이동은 이미지 좌표에서 이뤄져야 합니다. 이 획득 프로세스 중에 카메라(이미지)와 스테이지 좌표 사이에서 ¹ß»ý 가능한 회전 오차가 보정되어야 합니다.

보정되지 않은 이동(왼쪽) 및 보정된 이동(오른쪽)
보정되지 않은 이동(왼쪽) 및 보정된 이동(오른쪽)

파티클 검출

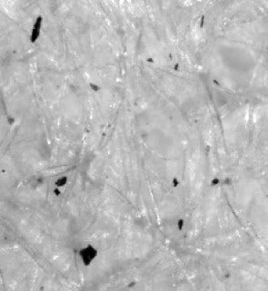
이미지의 검출 또는 분할은 이미지에서 일련의 픽셀을 결합하는 데 사용됩니다. 이 결합된 픽셀 영역을 파티클이라고 합니다. 필터 멤브레인을 검사할 때 파티클은 일반적으로 밝은 배경에 비해 어둡게 보입니다.

파티클의 관심 휘도(intensity) 범위는 일반적으로 0(예: "검은색")에서 시작하며, 이것은 검출 중인 파티클의 상위 휘도 임계값을 결정하는°Í만 필요합니다.

밝은 배경에 보이는 어두운 파티클

밝은 배경에 보이는 어두운 파티클

전체 필터 멤브레인을 조사하려면, 파티클이 개별 이미지 프레임의 시야를 넘어 확장되는 경우에도 파티클이 검출되어야 합니다. 파티클이 두 개 이상의 이미지로 분할될 수 있지만 검사 소프트웨어를 통해 실제 크기와 모양으로 병합됩니다.

파티클 크기 측정

검출된 각 파티클은 각기 다른 매개변수로 설명될 수 있습니다. 파티클의 가장 중요한 크기 정의는 최대 Feret 직경 및 등가 원 직경입니다.

최대 Feret 직경: 최대 Feret 직경은 상반되는 파티클 경계에서 평행한 접선의 최대 거리입니다. 이것은 캘리퍼 도구(Caliper tool)를 사용한 측정과 유사합니다.

최대 Feret 직경

최대 Feret 직경

등가 원 직경: 등가 원 직경(ECD)은 파티클의 면적과 같은 ¸éÀûÀ» °¡Áø 원의 지름입니다.

등가 원 직경
등가 원 직경

두 매개변수는 모두 파티클 길이를 측정합니다. 다른 파티클 매개변수는 파티클의 면적, 모양 및 반사율을 측정하는 데 사용될 수 있습니다. 즉, 섬유, 반사성 파티클과 같은 특수 파티클군을 인식하는 데 사용됩니다.

일부 검사 표준의 경우 필터 멤브레인에 있는 파티클 점유도를 측정하는 것이 좋습니다. 이 점유도는 모든 파티클 면적의 합계이며, 대략 1%~2%여야 하지만 어떠한 경우에라도 7% 미만이어야 합니다.

파티클을 측정하고 나면 기술 청정도 검사 프로세스의 다음 단계인 분류 준비가 완료됩니다. "기술 청정도 워크플로우 분류" 블로그 시리즈의 3부 파티클 크기 분류와 파티클 개수 추정 및 정규화를 확인하십시오.

Post Author's Photo

Hamish Rossell

제품 응용 프로그램 관리자, 미주 Olympus 주식회사, 과학 솔루션 제품군

2016년부터 Olympus 팀의 일원이었던 Hamish는 미주 전역의 Olympus 산업 현미경 시스템에 대한 제품 및 응용 프로그램 지원을 담당합니다. 그는 기술 청정도와 반도체 장비에 중점을 두고 검사 응용 프로그램, 이미지 분석, 측정 및 보고 뿐만 아니라 맞춤형 광학 솔루션을 담당하는 전문가입니다.