应用笔记

联系我们

钢材晶粒度的评估

可以使用图像分析软件对铁和钢的晶粒大小进行符合工业标准的评估。

热处理过程
热处理过程

应用

一般来说,随着晶粒的变小,铁和钢会变得越来越硬,也越来越脆。得益于各种创新型热处理方法,人们生产出了晶粒得到了优化的钢和铁的最终产品。通常在一些工业标准中,如:JIS,铁素体的晶粒大小被表述为“晶粒度”(也被称为G值、GS或粒径)。晶粒越小,晶粒度越大。将钢材切割出来,埋在树脂中,进行表面抛光,并进行浸蚀后,可以通过显微镜观察的方式确定其晶粒度。而在过去,评估晶粒度要使用附加在书面工业标准中的标准晶粒度图谱完成:将被测材料与各种标准图谱相比较,然后简单地以目测方式确定哪张标准图谱与被测材料的晶粒度更相近,从而确定被测材料的晶粒度。但是,为了降低正规检测人员的培训成本,并避免不同检查人员会得出不同结果的情况,使用软件进行半自动计算已经成为当今的主流趋势。由于软件比人眼更难确定晶粒的边界,因此在制备样品时,获得具有清晰对比度的图像是关键所在。

奥林巴斯的解决方案

奥林巴斯的“晶粒度分析”解决方案:OLYMPUS Stream图像分析软件,可使检测人员(即使第一次使用显微镜)通过选择工业标准并按照软件指导执行操作步骤的方法,测量到符合工业标准的“晶粒度”,并将测量结果作为附加信息嵌入到图像中。OLYMPUS Stream图像分析软件为用户提供了强大的“晶粒区分”功能,可使显微镜像人眼一样,探测到普通软件难以确定的晶粒边界。这也是客户喜爱这个软件的另一个原因。这个软件支持ISO 643、JIS G0551、JIS G0552、ASTM E112、DIN 50601、GOST 5639和GB/T 6394标准,而且为用户提供两个选项:“计数”和“切割”方式。

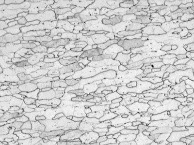
原始图像(钢材料的铁素体晶粒)

原始图像(钢材料的铁素体晶粒)

使用“晶粒区分”功能可以探测到晶粒的边界

使用“晶粒区分”功能可以探测到晶粒的边界

应用所使用的产品

GX53

GX53倒置显微镜具有极高的图像清晰度和高倍分辨率。该显微镜的模块化设计拥有包含编码物镜转换器和软件在内的附件,可以更方便地进行定制,以满足您的要求。

了解更多

Stream Enterprise

Stream Enterprise软件集成有数据管理功能,提供了智能的分步工作流程来获取锐利、清晰的图像,并可根据最新标准定量测量和给出专业的报告。

了解更多