Anwendungshinweisen

Kontaktieren Sie uns

Gusseisenanalyse

Raffinerie

Die Bedeutung der Gusseisenanalyse

Bei metallografischen Untersuchungen erfolgt die Analyse von Gusseisen auf Kugelgraphit, Größe, Form und Verteilung sowie auf das Ferrit-Perlit-Verhältnis, das bei Qualitätskontrollen eine ausschlaggebende Rolle spielt.
Da Gusseisen zur Herstellung vieler Präzisionsprodukte verwendet wird, ist die Automobilindustrie ein Musterbeispiel dafür, welche wichtige Rolle die Qualitätskontrolle von Gusseisen für die Produktleistung spielt. Zum Beispiel haben Ingenieure duktiles Gusseisen, aufgrund seiner Festigkeit, für die Kurbelwelle eines Sportwagens gewählt, da dieses Material weniger verschleißanfällig ist. Zudem dämpft der im Gusseisen enthaltene Graphit, Vibrationen und unterdrückt Motorgeräusche. Wenn dieses Material nicht den strengen Qualitätskontrollspezifikationen entspricht, können die Gesamtintegrität der Kurbelwelle sowie die Motorgeräusche beeinträchtigt werden.

In einem anderen Beispiel wählte ein Automobilhersteller duktiles Gusseisen für den Querlenker eines Sportwagens. Ursprünglich hatten die Ingenieure Aluminiumlegierungen in Betracht gezogen, die aber aufgrund ihrer geringeren Festigkeit abgelehnt wurden. Letztendlich fiel die Wahl auf duktiles Gusseisen aufgrund seiner einzigartigen mechanischen Eigenschaften: Reduzierung von Geräuschen und Gewicht, mit gleichzeitiger Kostensenkung. Sollte auch hier die Qualität des Materials nicht den strengen Qualitätskontrollspezifikationen des Herstellers entsprechen, kann die Leistung der Radaufhängung des Fahrzeugs beeinträchtigt werden.

Der harte Wettbewerb, auf der Rennstrecke und bei den Automobilherstellern bedeutet, dass Ingenieure die Qualitätskontrolle dieser leistungsstarken Automobilkomponenten sehr ernst nehmen müssen.

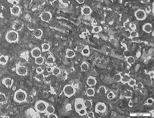
Graphit in Gusseisen mit einer 100-fach Vergrößerung

Graphit in Gusseisen mit einer 100-fach Vergrößerung

Bewertung der Mikrostruktur von Graphit in Gusseisen

Um den strengen Qualitätsstandards für hergestellte Komponenten zu entsprechen, werden häufig die folgenden Merkmale in der Mikrostruktur von Gusseisen von metallografische Laboren analysiert:

Einige der am häufigsten verwendeten internationalen Standards und Normen für die Gusseisenanalyse sind: ASTM A247 (USA), ISO 945 (international), ISO 16112 (international), JIS G-5502 (Japan), JIS G 5505 (Japan), KS D 4302 (Korea), GB/T 9441 (China), NF A04-197 (Frankreich) und ASTM E2567 (USA). Obwohl es mehrere internationale Standards und Normen gibt, ist ASTM A247 die in Nord- und Südamerika meist verwendete Norm zur Bewertung des Mikrogefüges von Graphit in Gusseisen. Dieser Standard enthält drei Parameter: Graphite Type (Graphittyp, auch als Form bezeichnet), Graphite Distribution (Graphitverteilung) und Graphite Size (Graphitgröße). Gaphittyp oder -form variieren von I bis VII. Typ I steht für Gusseisen mit Kugelgraphit (duktil - Graphit in Kugelform) und Typ VII steht für graues Gusseisen (Graphit in Flockenform). Die Graphitverteilung variiert von A zu E und wird hauptsächlich zur Bewertung von Graphit des Typs VII verwendet. Die Graphitgrößen variieren von 1 bis 8, wobei die niedrige Zahl die größere Größe angibt.

Die Klassifizierung nach Graphitform ergab die Bezeichnung „Kugelgraphit“, der den prozentualen Anteil von Graphit in Kugelform angibt. Zum Beispiel enthält Gusseisen aus 100 % Kugelgraphit seinen gesamten Graphitanteil in Form von Kugelgraphit (Graphitform I), wohingegen 80 % Kugelgraphit bedeutet, dass das Gusseisen aus 80 % Kugelgraphit und zu 20 % aus anderen Formen besteht.

Der Prozentanteil von Graphit, Ferrit und Perlit gibt die Mengen an, aus der jede Struktur des Gesamtmaterials besteht. Die Bestimmung dieser Parameter ist ein klassisches Beispiel für die Bewertung von Bereichen in Prozent.

In den vergangenen Jahren analysierten die meisten Qualitätskontrolllabore Gusseisen anhand eines Richtreihenvergleichs. Mit dieser Methode führt ein Anwender eine Einschätzung der Parameter mit dem bloßen Auge durch, indem er ein Livebild unter einem Lichtmikroskop (normalerweise mit 100-facher Vergrößerung) mit mikroskopischen Diagrammen vergleicht, die häufig an einer Wand in der Nähe des Mikroskops angebracht sind. Da Gusseisen in der Regel anhand mehrerer Parameter analysiert wird, kann der Vergleich mit verschiedenen Diagrammen zeitaufwändig sein. Da die Ergebnisse durch den Anwender interpretiert werden, kann diese Methode zu ungenauen und nicht wiederholbaren Ergebnissen führen, die zwischen verschiedenen Anwendern häufig nicht reproduzierbar sind. Zudem müssen Techniker im Rahmen der Qualitätskontrolle die Ergebnisse manuell in eine computergestützte Tabelle oder in einen Bericht übertragen, was möglicherweise eine weitere Fehlerquelle darstellt.

Wie können Qualitätskontrolllabore also eine Gusseisenanalyse durchführen, die ASTM A247 oder anderen internationalen Standards und Normen vollständig entspricht und das Risiko von Ungenauigkeiten und Subjektivität verringert? Die Antwort lautet: mit einer schlüsselfertigen, vollautomatischen Analyselösung für Gusseisen.

Digitale Bildanalyse von Gusseisen gemäß ASTM A247 und anderen Standards und Normen

Lernen Sie das moderne digitale Qualitätskontrolllabor für metallurgische Untersuchungen kennen. Dank der Fortschritte bezüglich spezifischer Software für die metallurgische Mikroskopie im Bereich der Materialforschung können Anwender die Leistung der Bildanalyse zur Analyse von Gusseisen gemäß ASTM A247 sowie anderer internationaler Standards und Normen nutzen. Mit nur wenigen Mausklicks kann eine nicht geätzte Probe vollständig auf Größe, Form und Verteilung von Graphit sowie Kugelgraphit analysiert werden.

Detaillierte Ergebnisse einer Graphitanalyse werden über eine Bildanalysesoftware schnell und genau erhalten

Detaillierte Ergebnisse einer Graphitanalyse werden über eine Bildanalysesoftware schnell und genau erhalten

Nach Abschluss der Graphitanalyse berechnet die Bildanalysesoftware automatisch den prozentualen Graphitanteil. Dieser Graphitanteil wird anschließend zur Analyse des Perlit-Ferrit-Verhältnisses einer geätzten Probe verwendet. Der Graphitanteil dient der Unterscheidung zwischen Graphit und Perlit, da sie aufgrund ähnlicher Graustufenwerte in einer Bildanalysesoftware nicht voneinander zu unterscheiden sind.

Geätzte Probe, bei der das Ferrit-Perlit-Verhältnis berechnet werden kann (Beispiel)

Geätzte Probe, bei der das Ferrit-Perlit-Verhältnis berechnet werden kann (Beispiel

Nachdem die Analyse abgeschlossen ist, werden alle Daten direkt in eine Ergebnistabelle der Bildanalysesoftware übertragen. Berichte mit relevanten Analysedaten und dazugehörigen Bildern können auch per Knopfdruck erstellt werden, schon nach minimaler Schulung.

Empfohlene Imaging-Ausrüstung für die Analyse von Gusseisen

Eine typische Gerätekonfiguration zur Gusseisenanalyse durch eine digitale Bildanalyse besteht aus den folgenden Komponenten:

1. Inversmikroskop für metallurgische Anwendungen

Ein inverses Mikroskop wird normalerweise gegenüber einem aufrechten Modell bevorzugt, da die flache polierte Probe flach auf dem mechanischen Tisch liegt und eine gleichmäßige Fokussierung beim Bewegen des Tisches durch den Prüfer gewährleistet.

Inverses Mikroskop für metallurgische Untersuchungen, 10X-Objektiv für metallurgische Untersuchungen, mikroskopspezifische Digitalkamera mit hoher Auflösung.

Typische Gerätekonfiguration: Inverses Mikroskop für metallurgische Untersuchungen, 10X-Objektiv für metallurgische Untersuchungen und Mikroskopkamera mit hoher Auflösung

2. Spezifische Bildanalysesoftware für metallurgische Anwendungen

Bildanalysesoftware für die Materialwissenschaft verfügt häufig über optionale Zusatzmodule, mit denen sich Gusseisen direkt gemäß ASTM A247 sowie anderer verschiedener internationaler Standards analysieren lässt.

3. 10x Objektive für metallurgische Untersuchungen

Dies ist die erforderliche Vergrößerung für die Analyse von Gusseisen.

4. CCD oder CMOS digitale Mikroskopkamera mit hoher Auflösung

Mit einer digitalen Mikroskopkamera zur Analyse von Gusseisen ist die Pixelgröße oder die daraus resultierende Pixeldichte wichtiger als die digitale Auflösung. Um sicherzustellen, dass genügend Pixel verfügbar sind, um die kleinsten Details abzutasten und digital zu rekonstruieren, folgen viele Mikroskopiker Nyquist Theorem. Laut Nyquist Theorem sind 2 bis 3 Pixel für das Abtasten kleinster Details erforderlich. Unter Berücksichtigung, dass die Analyse von Gusseisen immer mit einem 10X-Objektiv (zusammen mit 10X Okularen = 100X Gesamtvergrößerung) durchgeführt wird, beträgt die optische Auflösung eines typischen Objektivs mit mittlerer Vergrößerung ungefähr 1,1 μm. Dies bedeutet, dass die tatsächliche kalibrierte Pixelgröße weniger als 366 nm betragen muss (mit Verfügbarkeit der erforderlichen 3 Pixel pro kleinstes erkennbares Merkmal).

Beispielsweise liefert eine 8,9-MP-Kamera mit einer Pixelgröße von 3,45 μm eine kalibrierte Pixelgröße von 345 nm (tatsächliche Pixelgröße dividiert durch das 10x Objektiv unter Verwendung eines 1x Kameraadapters): Objektivauflösung (1,1 μm) dividiert durch die kalibrierte Pixelgröße (345 nm) = 3,2. In diesem Beispiel sind 3,2 Pixel vorhanden, um das kleinste unterscheidbare Merkmal abzutasten, was die Anforderungen der Nyquist-Shannon-Kriterien von 2 bis 3 Pixeln pro erkennbares Merkmal erfüllt. Nach einer allgemeinen Faustregel werden die meisten Mikroskopkameras für die Materialwissenschaft mit einer Auflösung von 3 MP oder höher (unter Berücksichtigung der Pixelgröße der meisten gängigen CCD- und CMOS-Sensoren) für die Gusseisenanalyse in Metallen empfohlen.

Da die Gusseisenanalyse im Graustufenmodus (bei dem das Einstellen von Schwellenwerten einfacher ist als im Farbmodus) durchgeführt werden kann, sollte die ausgewählte Kamera Bilder im Graustufenmodus und im Farbmodus aufnehmen können. Mit der Auswahl einer Kamera, die im Live-Modus eine schnelle Bildwiederholfrequenz erzielt, wird auch das Fokussieren oder Positionieren der Probe unterstützt.
Es wird ein codierter manueller oder motorgesteuerter Objektivrevolver empfohlen. Die gewählte Bildanalysesoftware sollte jederzeit die Vergrößerung des Objektivs automatisch ablesen können. Dies gewährleistet eine Messgenauigkeit auf höchstem Niveau, da aufgrund der automatischen Erkennung die Möglichkeit einer falschen, per Hand in die Software eingegebenen, Vergrößerung durch das Objektiv entfällt.

Bilder mit Vergrößerung

Es wird ein manueller oder motorgesteuerter XY-Abtasttisch benötigt, um die Probe und die Position im gewünschten Bereich für die Beobachtung und Analyse zu manipulieren. Der ausgewählte PC sollte die Mindestsystemanforderungen der Kamera und der Bildanalysesoftware erfüllen. Zudem wird ein Bildschirm mit hoher Auflösung benötigt.

Verfahren zur Gusseisenanalyse

Dies ist das typische Verfahren zur Durchführung einer Gusseisenanalyse unter Verwendung der empfohlenen Ausrüstung für metallurgische Untersuchungen:

  1. Wählen Sie das 10x Objektiv aus.
  2. Verschieben Sie die Probe unter Auflicht- und Hellfeldbedingungen auf dem XY-Tisch, um den gewünschten Bereich anzuzeigen.
  3. Erfassen Sie das digitale Bild mit der Bildanalysesoftware. Anmerkung: Falls die verwendete Softwareplattform die Möglichkeit bietet, ein Live-Bild zu analysieren, kann stattdessen das Live-Bild betrachtet werden.
  4. Führen Sie die Bildanalyse durch:
    a.) Graphitanalyse: Stellen Sie den Graustufenwert so ein, dass der Graphit der nicht geätzten Probe erkannt wird. Falls notwendig, ändern Sie die Partikelergebnisse (Teilen, Verbinden, Zeichnen oder Löschen von Kugelgraphit). Der prozentuale Graphitanteil, oder die Graphitverteilung, wird gespeichert und während der nächsten Analyse des Ferrit-Perlit-Verhältnisses verwendet.
    b.) Analyse des Ferrit-Perlit-Verhältnisses: Stellen Sie den Graustufenwert so ein, dass der Ferritanteil erkannt wird. Da Graphit und Perlit ähnliche Graustufenwerte aufweisen, muss der Graphitprozentanteil aus der Graphitanalyse berücksichtigt werden. Vor der Analyse kann ein morphologischer Filter angewendet werden, sodass helle Hohlräume in Perlit nicht als Ferrit erkannt werden.
    c.) Bildanalyse: Sie erfolgt nach dem ausgewählten Standard. Die daraus resultierenden Daten werden direkt in eine Tabelle der Bildanalysesoftware übertragen.
  5. Basierend auf einer durch den Bediener vordefinierten Vorlage wird ein Bericht mit Analyseergebnissen, Bildern zu Gusseisen und relevanten Daten von der Software automatisch erstellt.

Automatisch erstellter Bericht mit relevanten Bildern und Analyseergebnissen (Beispiel)

Automatisch erstellter Bericht mit relevanten Bildern und Analyseergebnissen (Beispiel)

Weitere Möglichkeiten zur Optimierung des Gusseisenanalyseprozesses

Anders als bei älteren Verfahren, bei denen eine Schätzung der Kugelgraphitbildung, Graphitgröße, -form oder -verteilung mit dem bloßen Auge erfolgte, ermöglicht jetzt eine moderne Bildanalysesoftware für die Materialwissenschaft eine genaue und wiederholbare Berechnung der Graphitparameter, mit minimal erforderlichem Eingriff durch den Bediener. Viele Softwarepakete erfüllen die Anforderungen gemäß ASTM A247 und vieler internationaler Standards und können mit minimalem Aufwand integriert werden. Darüber hinaus bieten viele Softwareprogramme, zusätzlich zur Analyse der Metallkornstruktur, praktische Konnektivitäts-, Berichts- und Datenverwaltungsfunktionen, um Zeit zu sparen. Software mit automatischer Berichtserstellung, Archivierung und Freigabe von Daten sowie schneller Bildsuche mit dazugehörigen Daten kann Teams effizienter machen. Wenn Sie eine Komplettlösung für eine automatisierte Gusseisenanalyse benötigen, ist die direkte Zusammenarbeit mit einem erfahrenen Mikroskophersteller entscheidend, der Sie bei jedem Schritt, von der Geräteauswahl bis zur Anwendung, unterstützen kann.

Anmerkung: Kugelgraphit in Gusseisen kann auch mit Ultraschall gemessen werden, auch ohne eine Oberflächenbehandlung.

Literaturnachweise

Dr.-Ing. Carmo Pelliciari, Metallurgical Consultant

Yescas-Gonzalez, Miguel Angel und H. K. D. H. Bhadeshia, Universität Cambridge

American Society for Testing and Materials (ASTM) A247 Standard

ASTM International, 100 Barr Harbor Drive, PO Box C700, West Conshohocken, PA, 19428-2959 USA

Verwandte Produkte

PRECiV

Die benutzerfreundliche PRECiV Software gibt Ihnen die volle Kontrolle über Ihr Mikroskop, sodass Sie während der Produktion, Qualitätskontrolle und Prüfung präzise, wiederholfähige 2D-Messungen durchführen können.

Mehr erfahren

GX53

Das metallurgische Inversmikroskop GX53 bietet außergewöhnlich klare Bilder und hervorragende Auflösung bei starker Vergrößerung. Mit seinem modularen Design und Zubehör wie einem Objektivrevolver und Software lässt sich das Mikroskop auf einfache Weise an Ihre Anforderung anpassen.

Mehr erfahren

MPLFLN-BD

The MPLFLN-BD lens has semi apochromat color correction and is suitable for the widest range of applications. Especially designed for darkfield observation and the examination of scratches or etchings on polished surfaces.

Mehr erfahren