Application Notes

Contact Us

Evaluation of Steel Grain Size

Evaluation of iron and steel grain size that complies with industrial standards using image analysis software

Heat treatment process
Heat treatment process

Application

Generally, iron and steel becomes harder and more brittle as its crystal grain becomes smaller. Thanks to various kinds of inventive heat treatment, iron and steel whose crystal grain has been optimized for final products is produced. Mostly, ferrite grain size is specified as "grain size number" (also known as G value, GS, or grain size, meaning that the value becomes greater as the crystal grain becomes smaller) by industrial standards such as JIS. The grain size number is determined through microscope observation, after the steel is cut out, buried in resin, surface-polished, and etched. In the past, using standard diagrams of grain size numbers that were attached to a written industrial standard, grain size was simply determined visually as to which standard diagram resembles the grain size. However, to reduce educational cost for regular inspectors and to eliminate variation in determination results among different inspectors, semi-automatic calculation using software becomes the mainstream these days. Since software has more difficulty determining grain boundary than human eye, it is a key point to obtain an image that has clear contrast when preparing the sample.

The Olympus solution

Olympus' "Granularity Analysis" solution of OLYMPUS Stream Image Analysis Software allows inspectors even who use it for the first time to measure the "grain size number" complying with an industrial standard and embed measured results as additional information into the image, only by selecting the industrial standard and following the software guidance to go through the steps. Using the OLYMPUS Stream that provides the powerful "Grain Separation" function, grain boundary that would be difficult for regular software to determine can be detected, as if detection was performed by human eye. This is another reason why this software is accepted by our customers. ISO 643, JIS G0551, JIS G0552, ASTM E112, DIN 50601, GOST 5639, and GB/T 6394 standards are supported, and two options, "counting" and "cutting" methods, are available.

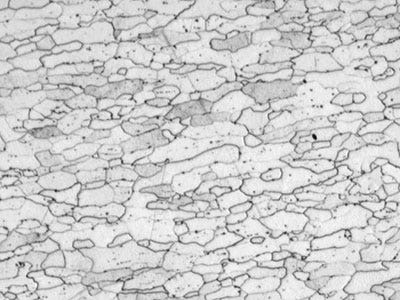
Original image (steel ferrite grains)

Original image (steel ferrite grains)

Grain boundary detection using "Grain Separation" function

Grain boundary detection using "Grain Separation" function

GX53

The GX53 inverted microscope features exceptional image clarity and excellent resolution at high magnifications. With accessories including a coded revolving nosepiece and software, the microscope's modular design makes it easy to customize for your requirements.

Stream Enterprise

Stream Enterprise software with integrated data management offers intelligent step-by-step workflows to acquire sharp, crisp images that are ready for quantitative measurements and professional reporting based on the latest standards.