Notes d’application

Contactez-nous

Évaluation de la taille des grains dans l’acier

Évaluation de la taille des grains dans le fer et l’acier en conformité avec les normes industrielles au moyen d’un logiciel d’analyse d’images

Processus de traitement thermique
Processus de traitement thermique

Application

En règle générale, le fer et l’acier durcissent et se fragilisent à mesure que la taille de leurs grains cristallins diminue. Grâce à divers types de traitements thermiques ingénieux, on produit du fer et de l’acier dont les grains cristallins ont été optimisés en fonction des produits finis. Généralement, la taille des grains de ferrite est appelée « numéro granulométrique » (ou « valeur G », « GS » ou « taille de grain »); ce numéro est établi par des normes industrielles, notamment par la norme Japanese International Standard (JIS), et augmente à mesure que la taille des grains cristallins diminue. On détermine la taille des grains en observant au microscope un échantillon d’acier qui a été coupé, enduit de résine, poli et gravé. Autrefois, on déterminait simplement la taille des grains en comparant ceux-ci à des schémas de numéros granulométriques d’une norme industrielle particulière. De nos jours, toutefois, pour réduire les coûts liés à la formation et éliminer le risque de variabilité des résultats d’un inspecteur à l’autre, on utilise généralement un logiciel qui effectue le calcul de la taille des grains de manière semi-automatique. Puisque le logiciel repère les joints de grain plus difficilement que l’œil humain, il est essentiel de s’assurer d’obtenir une image au contraste clair au moment de préparer l’échantillon.

Solution proposée par Olympus

La solution d’analyse granulométrique d’Olympus consiste en un logiciel d’analyse d’images appelé « OLYMPUS Stream », lequel permet aux inspecteurs qui l’utilisent même pour la première fois de mesurer le « numéro granulométrique » conformément à une norme industrielle, puis d’ajouter les résultats comme renseignements supplémentaires dans l’image saisie, simplement en sélectionnant la norme voulue et en suivant les étapes du guide logiciel. Grâce à la puissante fonction de séparation des grains (« Grain Separation ») du logiciel OLYMPUS Stream, un joint de grains qui serait difficile à détecter pour un logiciel courant peut être détecté aussi facilement que le ferait l’œil humain. C’est là une autre raison pour laquelle ce logiciel reçoit un bel accueil de la part de nos clients. Le logiciel prend en charge les normes ISO 643, JIS G0551, JIS G0552, ASTM E112, DIN 50601, GOST 5639 et GB/T 6394, et offre deux méthodes de comptage et de découpe optionnelles.

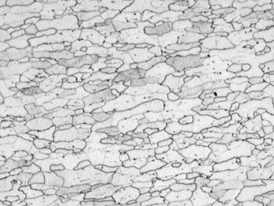
Image initiale – Grains de ferrite

Image initiale – Grains de ferrite

Détection des joints au moyen de la fonction de séparation des grains

Détection des joints au moyen de la fonction de séparation des grains

Produits utilisés pour cette application

GX53

Le microscope inversé GX53 se caractérise par une clarté d’image exceptionnelle et une excellente résolution à des grossissements importants. Sa conception modulaire permet d’adapter facilement le microscope à vos besoins, notamment grâce à son logiciel et à ses accessoires comme la tourelle porte-objectifs codée.

En savoir plus

Stream Enterprise

Le logiciel Stream Enterprise avec gestion de données intégrée propose des processus opérationnels intelligents qui vous guideront étape par étape dans l’acquisition d’images nettes et prêtes pour la prise de mesures quantitatives et la création de rapports professionnels conformes aux normes les plus récentes de l’industrie.

En savoir plus