Application Notes

Contattaci

Valutazione della dimensione dei grani in acciaio

Valutazione della dimensione dei grani in acciaio e ferro in conformità alle norme industriali usando il software di analisi delle immagini

Processo di trattamento a caldo
Processo di trattamento a caldo

Applicazione

In genere il ferro e l'acciaio diventano più duri e fragili al diminuire delle dimensioni dei grani di cristallo. Grazie ai diversi innovativi trattamenti a caldo, viene prodotto ferro e acciaio con i grani di cristallo ottimizzati in rapporto ai prodotti finali. In generale, le dimensioni del grano di ferrite sono definite come "numero delle dimensioni del grano" (noto anche come valore G , GS o dimensione del grano, per il quale il valore aumenta al diminuire delle dimensioni del grano di cristallo) dalle norme industriali come quella JIS. Il numero delle dimensioni del grano è determinato dall'osservazione del microscopio, dopo che l'acciaio viene sezionato, rivestito con resina, lucidato e inciso in superficie. In passato, utilizzando i diagrammi standard dei numeri delle dimensioni del grano inseriti nella documentazione delle norme industriali, le dimensioni dei grani erano semplicemente determinate visivamente visto che il diagramma standard è comparabile alla dimensione del grano. Tuttavia per ridurre i costi formativi degli operatori e per eliminare la variabilità dei risultati ottenuti dai diversi operatori, il calcolo semi-automatico mediante il software diventa attualmente l'opzione preferenziale. La determinazione dei limiti del grano risulta più difficile per il software rispetto all'occhio umano, pertanto il software rimane un elemento fondamentale per ottenere un'immagine con un contrasto chiaro quando si prepara il campione.

La soluzione Olympus

La soluzione di "Analisi granulare" Olympus del software Stream Image Analysis Olympus permette agli operatori, anche per quelli che lo utilizzano solo la prima volta, di misurare il numero delle dimensioni del grano, in conformità alle norme industriali, e di integrare nell'immagine i risultati misurati come informazioni addizionali, solamente selezionando la norma industriale e seguendo le indicazioni del software per svolgere le diverse operazioni. Mediante Olympus Stream, con la potente funzione di "Separazione dei grani", possono essere rilevati i limiti dei grani difficili da determinare per un normale software, come se fosse eseguito attraverso l'occhio umano. Questa è un'altra ragione per la quale i nostri clienti si orientano verso questo software. Sono supportate le seguenti norme ISO 643, JIS G0551, JIS G0552, ASTM E112, DIN 50601, GOST 5639 e GB/T 6394. Inoltre sono disponibili due metodi: "conteggio" e "taglio".

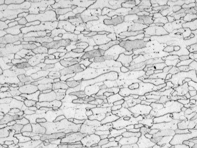
Immagine originale (grani di ferrite e acciaio)

Immagine originale (grani di ferrite e acciaio)

Rilevamento dei limiti dei grani mediante la funzione di "Separazione dei grani"

Prodotti per l'applicazione

GX53

Il microscopio rovesciato GX53 assicura un'eccezionale nitidezza dell'immagine e un'eccellente risoluzione con alti ingrandimenti. Attraverso accessori come un revolver codificato e un software, il design modulare del microscopio facilita la personalizzazione delle tue esigenze.

Stream Enterprise

Il software Stream Enterprise con la gestione dei dati integrati permette di realizzare degli efficienti flussi di lavoro passo a passo per acquisire nitide e definite immagini, pronte per delle misure quantitative e delle presentazioni di risultati professionali basate sulle più recenti norme.