Articolo tecnico

Contattaci

Metodo di sezionamento ottico VS-SILA per l'acquisizione di immagini nitide di campioni spessi

Autori

Anna Zelená, Application Specialist, Evident Technology Center Europe
Wei Juan Wong, Product Manager, Evident Technology Center Europe
Gabriel Maranon, Product Expert, Bliq Photonics
Alicja Gąsecka, R& D and Production Director, Bliq Photonics
Mariêve Picard, Sales and Marketing Director, Bliq Photonics
Jeck Borne, Systems Engineer, Bliq Photonics

Metodo di sezionamento ottico VS-SILA per l'acquisizione di immagini nitide di campioni spessi

Gli scanner per vetrini sono particolarmente apprezzati dai ricercatori per la loro struttura compatta e l'ampia versatilità di utilizzo. Una delle principali applicazioni di questo tipo di dispositivi è la combinazione con microscopi grandangolari (widefield, WF) a fluorescenza per rilevare la fluorescenza in campioni sottili. Per le applicazioni nei campioni di spessore elevato, una potente soluzione di imaging è l'acquisizione con illuminazione speckle, o VS-SILA. Combinata con il nostro scanner di vetrini per la ricerca SLIDEVIEW™ VS200, il sistema di imaging VS-SILA offre un rapido sezionamento ottico per immagini digitali di vetrini. Questo metodo consente di rimuovere la luce fuori fuoco dai campioni di spessore elevato per migliorare notevolmente il contrasto.

Limitazioni della microscopia grandangolare a fluorescenza

La microscopia WF è una tecnica di acquisizione di immagini in cui un'area relativamente grande di un campione viene illuminata a una specifica lunghezza d'onda (di eccitazione) della luce. Molecole attive in fluorescenza vengono distribuite all'interno del volume del campione e si legano ad aree specifiche per mezzo di un processo che prende il nome di colorazione a fluorescenza, per poi assorbire la lunghezza d'onda di eccitazione e in seguito emettere una lunghezza d'onda superiore, che viene rilevata da una fotocamera.

Il segnale emesso, ricevuto dalla fotocamera, proviene da tutte le molecole raggiunte dalla luce di eccitazione all'interno dell'intero campione, a condizione che la potenza della luce di eccitazione sia sufficiente. Per questo motivo, le strutture fini colorate a fluorescenza nel piano di messa a fuoco risultano sfocate a causa della presenza di luce fuori fuoco. La soluzione a questo problema è l'applicazione di metodi di sezionamento ottico, in grado di produrre immagini nitide e senza sfocature.

Presentazione della tecnologia SPARQ per il sezionamento ottico rapido

L'acquisizione di immagini VS-SILA si avvale della tecnologia SPARQ (sviluppata da Bliq Photonics), che combina un algoritmo HiLo1 e uno speckle scrambler per fornire un rapido sezionamento ottico. Questa tecnologia consente la rimozione della luce fuori fuoco da immagini grandangolari, per ottenere prestazioni simili a quelle della microscopia confocale. 1-3

Questa tecnologia prevede l'acquisizione di due immagini del campione: una con illuminazione uniforme e una con illuminazione strutturata spazialmente, introdotta da speckle di laser stocastici sul campione. Una volta acquisite, entrambe le immagini vengono combinate a livello informatico per produrre un'unica immagine priva di sfocature. Il passaggio tra i due stati dell'immagine avviene per mezzo dello speckle scrambler, come illustrato in Figura 1.

Figura 1. Acquisizione di un'immagine VS-SILA.

Figura 1. Acquisizione di un'immagine VS-SILA.

1. Illuminazione uniforme

L'immagine illuminata in modo uniforme contiene segnali provenienti da oggetti a fuoco e fuori fuoco. Il contenuto fuori fuoco appare confuso e pertanto contiene solo componenti a bassa frequenza spaziale. Applicando un semplice filtro passa-alto all'immagine uniforme si potrebbe escludere il contenuto fuori fuoco, lasciando a fuoco l'immagine uniforme ad alta frequenza, tuttavia ciò comporterebbe l'effetto indesiderato di sopprimere gli effetti a bassa frequenza spaziale presenti nel piano di messa a fuoco.

Al fine di recuperare il contenuto a bassa frequenza del campione nel piano di messa a fuoco, viene acquisita ed elaborata un'illuminazione strutturata ad elevata frequenza (prodotta dagli speckle). In questo modo è possibile recuperare il segnale a bassa frequenza e distinguere il segnale proveniente solo dal piano di interesse.

2. Illuminazione speckle

Gli speckle (macchioline o puntini) sono fluttuazioni casuali che hanno origine da riflessioni diffuse o da eventi di dispersione su irregolarità del mezzo, che sono caratteristiche di sorgente di luce coerente come i laser. L'interferenza di queste riflessioni o eventi di dispersione genera gli schemi stocastici granulari proiettati sul campione.4

L'illuminazione speckle applica al campione una modulazione spaziale ad alta frequenza. Una caratteristica significativa di questo tipo di illuminazione è il fatto che il contrasto di modulazione è confinato al piano di messa a fuoco del sistema di microscopia. Per questo motivo, la misurazione del contrasto locale della modulazione dell'immagine consente di determinare in quale misura l'oggetto è a fuoco o contiene elementi a fuoco.

3. Combinazione delle due immagini

Dall'immagine con l'illuminazione uniforme, le frequenze elevate del piano di messa a fuoco vengono estratte utilizzando un filtro passa-alto. Sulla base dell'immagine con l'illuminazione speckle viene determinato in quale misura l'oggetto è a fuoco o contiene elementi a fuoco per mezzo della misurazione del contrasto locale. Il segnale a fuoco a bassa frequenza viene ottenuto applicando un filtro passa-basso sull'immagine di misurazione del contrasto locale.

Modificando in modo opportuno i filtri passa-alto e passa-basso, il contenuto a fuoco a bassa frequenza ottenuto dall'immagine con l'illuminazione speckle può integrare il contenuto a fuoco ad alta frequenza ricavato dall'immagine con l'illuminazione uniforme. Dalla fusione del contenuto dell'immagine ad alta e a bassa frequenza si crea un'immagine a fuoco ad alta risoluzione con tutti i componenti all'interno dell'ampiezza di banda del sistema di imaging (Figura 2).1-3

Figura 2. Diagramma dell'elaborazione VS-SILA.

Figura 2. Diagramma dell'elaborazione VS-SILA.

È interessante notare il fatto che è altresì possibile regolare il grado del sezionamento ottico, semplicemente modificando un parametro denominato spessore di sezionamento (Sectioning Thickness, ST). L'incremento del parametro ST è analogo all'aumento delle dimensioni del foro stenopeico di un microscopio confocale.

Aumentando il valore ST vengono inclusi contributi di una scala più ampia di contrasto di speckle (ossia, un volume di segnale più elevato) durante l'elaborazione dell'immagine VS-SILA. L'intensità complessiva viene incrementata e il rapporto segnale-rumore (Signal-to-Noise Ratio, SNR) varia di conseguenza. Tuttavia, come nell'analogia con il foro stenopeico, in cui il guadagno in termini di segnale è dovuto alla ricezione esterna al piano di messa a fuoco, l'aumento di ST comporterà un'immagine VS-SILA con un sezionamento ottico inferiore.

Esempio di un risultato sperimentale con il metodo di sezionamento ottico VS-SILA

Una sezione criostatica da 16 µm di rene di topo (vetrino preparato FluoCells n. 3, F24630) è stata illuminata mediante imaging VS-SILA e WF. Il parametro ST è stato impostato su 2 (scanner VS200, obiettivo UPLSAPO40XS, NA 1,25, DL 300 µm, fotocamera Hamamatsu ORCA-Fusion). Questo valore è stato scelto come parametro ottimale per l'illuminazione, tenuto conto dello spessore del campione. Un parametro ST di valore troppo basso può comportare un'immagine VS-SILA generata granulosa, a causa dell'innata natura stocastica degli speckle.5

La lunghezza d'onda utilizzata per l'acquisizione è stata di 488 nm. Sono stati impiegati uno specchio dicroico multibanda (per DAPI, FITC, Cy3 e Cy5) e un filtro a emissione singola per l'isotiocianato di fluoresceina (FITC). Il tempo di esposizione della fotocamera è stato impostato a 60 ms. La Figura 3a mostra l'immagine WF e la Figura 3b mostra la stessa regione scansionata mediante imaging VS-SILA con ST impostato a 2 nella stessa posizione Z. Nell'intero campione si osserva un contrasto migliorato. Concentrandosi sulle aree 1–4, le immagini VS-SILA mostrano visibilmente un maggior numero di dettagli rispetto al metodo WF.

Figure 3. Comparing widefield and SILA imaging methods for a mouse kidney sample

Figura 3. (a) Immagine WF di un rene di topo colorato con agglutinina di germe di grano Alexa Fluor 488 (W-11261). I rettangoli bianchi contrassegnano le quattro regioni di interesse (ROI 1–4) delle strutture confrontate. (b) Immagine con sezionamento ottico VS-SILA con un parametro ST di 2 e corrispondente a 6,803 µm. I riquadri mostrano le ROI (1–4) ingrandite con i canali uniti per l’imaging WF e VS-SILA (metà superiore: WF, metà inferiore: VS-SILA). È possibile osservare che il contrasto dell'immagine con l'imaging VS-SILA è notevolmente migliorato; in confronto, alcune strutture sono appena riconoscibili nell'immagine WF. Si noti che le ROI dettagliate sono mostrate con diverse scale di intensità, per dimostrare le strutture dettagliate risolte.

Design ottico del sistema di imaging VS-SILA

Il dispositivo di sezionamento ottico VS-SILA si basa su uno scanner per vetrini grandangolare (il nostro sistema VS200), in cui la normale sorgente di luce fluorescente viene sostituita con una sorgente di luce coerente prodotta da diodi laser accoppiati a una fibra a modalità singola. La sorgente laser a modalità singola accoppiata viene proiettata attraverso l'unità speckle scrambler, la quale genera speckle sullo stesso piano del campione per l'illuminazione strutturata e li rimuove per l'illuminazione uniforme. Controllando in modo preciso l'illuminazione laser e l'unità scrambler, le singole immagini VS-SILA vengono calcolate e unite insieme, a formare l'immagine del vetrino intero, sezionata otticamente.

Figura 4. Diagramma della struttura di VS-SILA, contenente una sorgente di luce coerente, uno speckle scrambler che produce illuminazione uniforme o speckle, un percorso ottico contenente un obiettivo che eroga la luce al campione e riceve la luce emessa e una fotocamera come rilevatore di luce.

Figura 4. Diagramma della struttura di VS-SILA, contenente una sorgente di luce coerente, uno speckle scrambler che produce illuminazione uniforme o speckle, un percorso ottico contenente un obiettivo che eroga la luce al campione e riceve la luce emessa e una fotocamera come rilevatore di luce.

Misurazioni di qualità

1. Tempo di scansione

Il tempo di scansione dell'imaging VS-SILA è stato testato su aree di piccole dimensioni, di 5 mm × 5 mm. Sebbene sia stata acquisita una coppia di immagini per ciascun campo visivo della videocamera, il tempo di acquisizione delle immagini VS-SILA non è doppio rispetto alla modalità WF. Ad esempio, si osserva un incremento solo del 53% del tempo di acquisizione per l'obiettivo ad aria 40X. Ulteriori risultati sono illustrati nella Tabella 1.

Table 1

Tabella 1. Valori registrati del tempo di scansione per immagini WF e VS-SILA acquisite mediante fotocamera ORCA-Fusion (Hamamatsu Photonics) con 4 canali (DAPI, FITC, CY3, CY5) e un'esposizione di 50 ms per un'area di scansione di 5 mm × 5 mm. L'incremento del tempo di scansione viene calcolato singolarmente per ciascun ingrandimento.

2. Risoluzione

La risoluzione ottica delle immagini VS-SILA è identica a quella delle immagini WF. La risoluzione teorica per gli obiettivi con un NA elevato è stata simulata a 0,2 µm in direzione laterale e a 0,45 µm in direzione assiale. I valori della funzione sperimentale di diffusione del punto (Point Spread Function, PSF) sono stati misurati mediante obiettivo a immersione in olio (UPLXAPO100XO, 1,45 NA) su un campione contenente microsfere fluorescenti (TetraSpeck Microspheres, 0,1 µm, blu/verde/arancione/rosso scuro fluorescenti) con una lunghezza d'onda di emissione di 520 nm. La larghezza completa a metà massimo (Full Width at Half Maximum, FWHM) per le immagini WF è di 0,22 µm in direzione laterale e di 0,47 µm in direzione assiale. È stato confermato che i valori calcolati teoricamente coincidono con i valori PSF misurati sperimentalmente su microsfere.

3. Capacità di sezionamento ottico

Il punto di forza dell'imaging VS-SILA risiede nella sua capacità di eseguire il sezionamento ottico. Nelle Figure 5a–d è visibile un esempio di una sottoregione del rene di topo della Figura 3 con diversi parametri ST, con le corrispondenti viste ortogonali nelle Figure 5e–h. L'intero campione è stato acquisito come Z-stack (sovrapposizione sull'asse Z) di 39 immagini con una distanza Z impostata a 0,34 µm. Al diminuire del valore ST si ha un incremento del contrasto tra le strutture e lo sfondo, come mostrato in Figura 5i. Si possono anche identificare strutture dettagliate con maggiore facilità.

Per poterlo dimostrare, è stato tracciato un profilo lineare in direzione X di una sezione Z nello stesso punto esatto per ciascun parametro ST e per l'immagine WF. Rispetto ai profili lineari normalizzati, ciò mostra chiaramente in che modo i dettagli risultino più evidenti con l'imaging VS-SILA rispetto a un tipico sistema WF. I picchi di intensità corrispondenti alle strutture sono maggiori rispetto all'intensità dello sfondo e tanto più stretti quanto più si riduce il parametro ST.

Figura 5. Miglioramento del sezionamento ottico usando l'illuminazione VS-SILA rispetto a WF.

Figura 5. Miglioramento del sezionamento ottico usando l'illuminazione VS-SILA rispetto a WF. (a) Illuminazione WF, (b) illuminazione VS-SILA con ST10, (c) VS-SILA con ST5 e (d) VS-SILA con ST2. Ogni immagine contiene una freccia che indica la misurazione del profilo lineare e la posizione del piano di visualizzazione ortogonale in direzione X (e–h). Ogni immagine VS-SILA con diversi parametri ST e ogni immagine WF viene acquisita come Z-stack, inclusa la vista ortogonale in direzione X. Le linee blu indicano lo stesso piano Z mostrato in a–d. La barra graduata orizzontale corrisponde a 20 µm, mentre la barra graduata verticale corrisponde a 5 µm e si applica a tutte le sottofigure. (i) I profili lineari registrati sono indicati in a–b e mettono a confronto WF in blu, VS-SILA con ST10 in arancione, VS-SILA con ST5 in grigio e VS-SILA con ST2 in giallo. Tutti i diagrammi sono normalizzati a 1. È visibile un miglioramento del contrasto con la riduzione del parametro ST.

4. Profondità di campo

Il metodo di sezionamento ottico VS-SILA consente di ottenere immagini di campioni con spessore superiore a diverse centinaia di micron. In particolare, quando i campioni sono schiariti, la profondità di penetrazione dell'imaging VS-SILA è limitata solo dalla distanza di lavoro dell'obiettivo. Se i campioni non sono schiariti, la luce può essere diffusa dalle strutture del campione, ostacolando il raggiungimento degli strati cellulari più profondi.6

Figura 6. a) La proiezione di intensità massima (MPI, 188 piani, distanza Z = 2,36 μm) di un'immagine VS-SILA (ST = 2) di un intestino di topo mostra i vasi sanguigni (ciano) e linfatici (magenta). b) Il rettangolo tratteggiato bianco indica la ROI 1 ingrandita da (a), in cui la linea blu indica la posizione della vista ortogonale XZ, mentre la linea rossa indica la posizione della vista ortogonale YZ. c) Il rettangolo blu mostra la vista ortogonale in direzione YZ, mentre d) il rettangolo rosso mostra la vista ortogonale in direzione XZ. Le linee gialle indicano il piano Z mostrato in (b) (sezione di intestino di topo FluoTissue 450 μm, Sun Jin lab, elaborata da RapiClear 1.52).

Figura 6. a) La proiezione di intensità massima (MPI, 188 piani, distanza Z = 2,36 μm) di un'immagine VS-SILA (ST = 2) di un intestino di topo mostra i vasi sanguigni (ciano) e linfatici (magenta). b) Il rettangolo tratteggiato bianco indica la ROI 1 ingrandita da (a), in cui la linea blu indica la posizione della vista ortogonale XZ, mentre la linea rossa indica la posizione della vista ortogonale YZ. c) Il rettangolo blu mostra la vista ortogonale in direzione YZ, mentre d) il rettangolo rosso mostra la vista ortogonale in direzione XZ. Le linee gialle indicano il piano Z mostrato in (b) (sezione di intestino di topo FluoTissue 450 μm, Sun Jin lab, elaborata da RapiClear 1.52).

5. Ripetibilità

L'elaborazione delle immagini VS-SILA consente il calcolo di un'immagine con un sezionamento ottico partendo da un'immagine uniforme e da una speckle. Teoricamente, la struttura degli speckle dovrebbe essere completamente filtrata e non osservabile nell'immagine VS-SILA finale. Non è tuttavia questo il caso. L'illuminazione speckle comporta per sua natura una leggera variazione dell'intensità del segnale; ad esempio, uno speckle potrebbe illuminare un dettaglio di un campione in un'immagine ma non in un'altra. Questo fenomeno spiega le variazioni di intensità residue osservate nell'immagine finale, che sono stocastiche per definizione; ciò rappresenta sia un punto di forza (sezionamento ottico e profondità di penetrazione) sia una limitazione della tecnica (variazione dell'intensità del segnale).

Per analizzare la variazione dell'intensità del segnale è stata registrata una sequenza di 10 scansioni (cfr. Figura 7) per quattro diversi parametri ST (cfr. Figura 8a). Per ogni campione è stato calcolato il coefficiente di variazione (CV) su 90 ROI scelte arbitrariamente, contenenti strutture per quantificare la variazione di intensità lungo l'intera sequenza di scansione:

Qui, Imean,ROI indica l'intensità di fluorescenza media di una ROI per una singola scansione, mentre stdstack e meanstack rappresentano rispettivamente la deviazione standard e i valori medi di Imean,ROI per l'intera sequenza di scansione di 10 scansioni. La Figura 7c mostra un esempio di 25 ROI e i loro profili di intensità di fluorescenza media nelle 10 scansioni.

Il CV, calcolato per tre diversi campioni per aree contenenti strutture, diminuisce come funzione di ST (Figura 8b); quando viene applicato un valore maggiore del parametro di sezionamento, la forza del filtro spaziale sull'immagine speckle è meno intensa, e ciò comporta minori variazioni di intensità nelle immagini VS-SILA. Il coefficiente di variazione delle immagini VS-SILA misurate su 3 diverse strutture con 90 ROI rilevate è in media 3,7±1,4%. In confronto, la variazione dell'intensità del segnale in modalità WF è dello 0,3% circa ed è inerente al sistema.

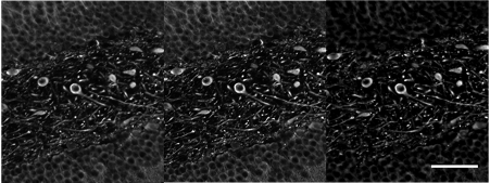
Figura 7. a) Esempio di un campione di cervello di topo (con colorazione Cy3, spessore 100 µm) acquisito mediante imaging VS-SILA con un ST pari a 10 a un ingrandimento di 40X.

Figura 7. a) Esempio di un campione di cervello di topo (con colorazione Cy3, spessore 100 µm) acquisito mediante imaging VS-SILA con un ST pari a 10 a un ingrandimento di 40X. Ogni area è stata scansionata 10 volte, con lo stesso piano di messa a fuoco e area. b) Le regioni di interesse (ROI) di colore ciano mostrano le strutture selezionate per le misurazioni dell'intensità di fluorescenza media (Imean,ROI). Le barre graduate corrispondono a 50 µm. c) I profili di intensità media delle ROI selezionate sono mostrati in precedenza. Ogni linea corrisponde a una ROI. Si noti che, per facilità di interpretazione, è mostrata solo una piccola sezione dell'immagine contenente 25 ROI.

Figura 7. a) Esempio di un campione di cervello di topo (con colorazione Cy3, spessore 100 µm) acquisito mediante imaging VS-SILA con un ST pari a 10 a un ingrandimento di 40X. Ogni area è stata scansionata 10 volte, con lo stesso piano di messa a fuoco e area. b) Le regioni di interesse (ROI) di colore ciano mostrano le strutture selezionate per le misurazioni dell'intensità di fluorescenza media (Imean,ROI). Le barre graduate corrispondono a 50 µm. c) I profili di intensità media delle ROI selezionate sono mostrati in precedenza. Ogni linea corrisponde a una ROI. Si noti che, per facilità di interpretazione, è mostrata solo una piccola sezione dell'immagine contenente 25 ROI

Figura 7. a) Esempio di un campione di cervello di topo (con colorazione Cy3, spessore 100 µm) acquisito mediante imaging VS-SILA con un ST pari a 10 a un ingrandimento di 40X. Ogni area è stata scansionata 10 volte, con lo stesso piano di messa a fuoco e area. b) Le regioni di interesse (ROI) di colore ciano mostrano le strutture selezionate per le misurazioni dell'intensità di fluorescenza media (Imean,ROI). Le barre graduate corrispondono a 50 µm. c) I profili di intensità media delle ROI selezionate sono mostrati in precedenza. Ogni linea corrisponde a una ROI. Si noti che, per facilità di interpretazione, è mostrata solo una piccola sezione dell'immagine contenente 25 ROI.

Confronto con altre tecniche di sezionamento ottico

Nelle immagini sottostanti è stato messo a confronto l'imaging VS-SILA con tecniche di normale microscopia grandangolare, algoritmi di deblurring, deconvoluzione e microscopia a scansione laser confocale. L'imaging VS-SILA offre un notevole miglioramento in termini di sezionamento ottico e contrasto rispetto al normale imaging WF utilizzando un algoritmo di deblurring. Rispetto alla deconvoluzione, la tecnologia VS-SILA migliora la qualità dell'immagine. Le sue capacità di sezionamento ottico immediato riducono inoltre il lungo tempo di elaborazione frequentemente associato all'acquisizione di immagini di vetrini interi di grandi dimensioni.

Per quanto riguarda il confronto con la microscopia confocale, la tecnologia VS-SILA offre risultati notevolmente simili in termini di qualità dell'immagine. Come era possibile attendersi, la microscopia grandangolare soffre della presenza di fluorescenza di sfondo. Sia la microscopia confocale sia la tecnologia VS-SILA producono immagini sezionate otticamente con un contrasto notevolmente maggiore e rivelano dettagli delicati dell'organizzazione cellulare, nonostante la natura di dispersione del campione. È necessario svolgere un ulteriore confronto tra la microscopia VS-SILA e confocale per valutare i dettagli delle immagini e le variazioni spaziali in termini di distribuzione di intensità. Le prestazioni della tecnologia VS-SILA sono tuttavia sufficienti per la valutazione qualitativa e gli studi di co-localizzazione. VS-SILA può fungere da dispositivo di scansione rapida per vagliare grandi quantità di campioni. I campioni con strutture di interesse potranno poi essere esaminati con il microscopio confocale per l'imaging quantitativo.

Figura 9. Immagine di un platelminta, Schmidtea Mediterranea (obiettivo 20X).

Figura 9. Immagine di un platelminta, Schmidtea Mediterranea (obiettivo 20X). Vengono messe a confronto tre tecniche: a) immagine WF, b) immagine WF con un algoritmo di deblurring e c) immagine VS-SILA con un parametro ST di 5. Blu: DAPI; verde: cellule interne dell'intestino; rosso: cellule esterne dell'intestino. Campione fornito da Amrutha Palavalli, Dipartimento per le dinamiche e la rigenerazione dei tessuti dell'Istituto Max Planck per le Scienze Multidisciplinari di Goettingen, Germania. La barra graduata corrisponde a 500 µm e si applica a tutte le sottofigure.

Figura 10. Immagine di un campione spesso di cervello di topo colorato con MAP2 (obiettivo 20X).

Figura 10. Immagine di un campione spesso di cervello di topo colorato con MAP2 (obiettivo 20X). Vengono messe a confronto tre tecniche: a) immagine WF con proiezione EFI (Extended focal imaging), b) immagine WF con proiezione EFI e deconvoluzione applicata e c) immagine VS-SILA con proiezione EFI e un parametro ST di 2. Le barre graduate corrispondono a 50 µm.

Figura 11. Immagine di un campione di cervello di topo marcato con proteina fibrillare acida della glia (Glial Fibrillary Acidic Protein, GFAP), con i neuroni visualizzati (obiettivo 20X).

Figura 11. Immagine di un campione di cervello di topo marcato con proteina fibrillare acida della glia (Glial Fibrillary Acidic Protein, GFAP), con i neuroni visualizzati (obiettivo 20X). Vengono messe a confronto tre tecniche: a) immagine confocale acquisita utilizzando un microscopio FLUOVIEW™, b) la stessa immagine confocale con deconvoluzione aggiuntiva e c) immagine VS-SILA con un parametro ST di 2. La barra graduata corrisponde a 50 µm e si applica a tutte le sottofigure.

Conclusione

Il dispositivo di sezionamento ottico VS-SILA per lo scanner VS200 consente di ottenere immagini con contrasto migliorato per campioni di spessore elevato. Rispetto alla microscopia WF, il tempo di scansione aumenta in media del 53% utilizzando un obiettivo ad aria 40X. La profondità ottica che è possibile ottenere è limitata solamente dalla distanza di lavoro della configurazione ottica, come confermato dalla scansione di campioni di spessore molto elevato, fino a 500 μm. La risoluzione assiale di VS-SILA è identica a quella dell'imaging WF, tuttavia il sezionamento ottico è notevolmente migliorato e può essere controllato per mezzo del parametro dello spessore di sezionamento.

Applicando un valore più elevato del parametro ST si riduce la forza del filtro spaziale sull'immagine speckle, con variazioni di minore intensità sulle immagini VS-SILA, che in questo esempio risultano essere in media 3,7±1,4%. La variazione di intensità più elevata dal parametro ST pari a 1 può essere limitata incrementando il parametro ST; tale regolazione dovrebbe essere valutata quando è necessaria l'analisi quantitativa delle intensità della fluorescenza.

Il sistema consente di ottenere rapidamente immagini paragonabili a quelle della microscopia confocale o con deconvoluzione applicata. Riteniamo che questa tecnologia possa essere applicata per la scansione rapida di vetrini di campioni spessi e che sia vantaggiosa per ottenere immagini definite e ad alto contrasto, con dettagli nitidi.

Bibliografia

  1. Lim, D., Ford, T., Chu, K.K., and Mertz, J. 2011. "Optically Sectioned In Vivo Imaging with Speckle Illumination HiLo Microscopy." Journal of Biomedical Optics. 16, 016014.
  2. Lim, D., Chu, K.K., and Mertz, J. 2008. “Widefield Fluorescence Sectioning with Hybrid Speckle and Uniform-Illumination Microscopy.Optical Letters. 33, 1819–1821.
  3. Mertz, J. and Kim, J. 2010. “Scanning Light-Sheet Microscopy in the Whole Mouse Brain with HiLo Background Rejection.J. Biomed. Opt. 15, 016027.
  4. 4. Goodman, J. W. 2007. “Speckle Phenomena in Optics: Theory and Applications.Roberts and Company Publishers.
  5. Schniete, J., Franssen, A., Dempster, J. et al. 2018. “Fast Optical Sectioning for Widefield Fluorescence Mesoscopy with the Mesolens based on HiLo Microscopy.” Sci Rep, 8, 16259.
  6. Richardson, D. S. and Lichtman, J. W. 2015. "Clarifying Tissue Clearing." Cell. 162.2: 246–257.

Si ringrazia l'intero team VS200 presso l'Evident Technology Center Europe.

Prodotti correlati a questa applicazione

SLIDEVIEW VS200

Combinando imaging multiplex di alta qualità, riproduzione accurata dei colori in campo chiaro, chiarezza ottica in campioni spessi e la più ampia gamma di modalità di imaging in un unico scanner per vetrini, il sistema SLIDEVIEW™ VS200 consente ai ricercatori di acquisire dati più significativi da ogni campione—senza complessità, interventi manuali o la necessità di utilizzare più strumenti. Progettato per offrire risultati coerenti e ripetibili tra utilizzatori e flussi di lavoro, il sistema VS200 ti aiuta a ricavare maggiori informazioni dai tuoi vetrini, supportando al contempo esigenze di imaging scalabili.

Maggiori informazioni

VS-SILA

VS-SILA

Il dispositivo di sezionamento ottico VS-SILA (speckle illumination acquisition) si integra facilmente nel sistema e software VS200. Gli speckle sono usati per ottenere immagini ad alto contrasto, rimuovendo la luce non a fuoco, in modo da produrre immagini nitide, specialmente nel caso di campioni spessi. L'immagine viene elaborata durante la scansione e non necessita di una post-elaborazione, in modo che il dispositivo abbia un'influenza minima sulla velocità di acquisizione.