分步讲解技术清洁度检测的工作流程,第五部分:反光颗粒和非反光颗粒的区分以及纤维鉴别

机加工部件的技术清洁度检测

Post Author's Photo

Hamish Rossell

2018年 9月 13日

区分金属和非金属颗粒并鉴别非污染物颗粒

在这个由六篇博客组成的博客系列的第五篇中,我们将探讨如何区分反光(金属)颗粒与非反光(非金属)颗粒,以及如何鉴别纤维(非污染物颗粒)。我们先来看看整个技术清洁度检测工作流程都包含哪些环节以及“反光颗粒和非反光颗粒的区分以及纤维鉴别”处于其中的位置:

反光颗粒和非反光颗粒的区分

金属颗粒比非金属颗粒坚硬得多,并极有可能造成更大的破坏。

金属颗粒和非金属颗粒的区别在于它们对入射光的反射方式。滤膜和非金属颗粒上的入射光仅扩散散射。不管射光如何,“反射”光都不会出现偏光现象。即使入射光出现了偏光现象,也不会影响在相机上对偏光的分析。滤膜总是比滤膜上的颗粒显得更明亮。

当入射光投射到金属颗粒时,我们可以看到真实的反射。(光在金属表面上的这种反射不会改变偏光情况。)经典的清洁度检测方式正是利用了上述差异。可在相机上分析反射光的偏光情况,当起偏镜和检偏镜设置成平行时,金属颗粒会变得非常明亮。

检测金属颗粒的经典方法需要两个图像(图1)。第一幅图像检测所有颗粒,第二幅图像突出显示金属颗粒。在两次图像采集之间,检偏镜必须旋转90°。这很耗时,并需对两个图像进行特殊调整和对齐。

使用视频内窥镜检测喷气式引擎
使用视频内窥镜检测喷气式引擎

图1: 左:滤膜中所有颗粒均已检测到,并显示为深色图像。右:带有金属颗粒的滤膜显示为更亮的图像。

全新单个图像处理

我们的CIX技术清洁度检测系统采用一种全新方法,可一次性收集所有必要的信息。在该方法中,入射光束出现偏光。使用延迟板可改变光谱的一个波段的偏光;因此,入射光的偏光情况因颜色而异。

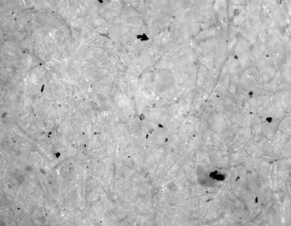
非金属颗粒在滤膜上的漫反射与经典设置相同(图2)。反射光在所有颜色范围内都不会产生偏光,因此不需要进行分析。滤膜比滤膜上的暗色颗粒显得更明亮。

使用涡流阵列技术对飞机进行检测
图2: 使用Olympus CIX技术清洁度检测系统形成的非金属颗粒的漫反射。

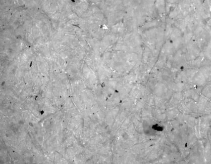
金属颗粒的真实反射也遵循经典原理,并保留光的偏光情况(图3)。但是由于每种颜色的偏光情况为已知信息,因此可以直接在彩色图像中探测到金属颗粒——金属颗粒仅在特殊颜色下才会变亮。

使用涡流阵列技术对飞机进行检测
图3: 使用Olympus CIX技术清洁度检测系统形成的金属颗粒的真实反射。

使用CIX系统,仅需一张彩色图像即可区分反光(金属)和非反光(非金属)颗粒。采集第二张图像无需旋转检偏镜。这一独特方法具有显著的时间优势,并利用坚固的结构而无需移动和旋转任何机械工件。

纤维鉴别

颗粒是从样品表面冲洗掉的杂质。但是,纤维通常具有不同来源,例如实验室的工作服、抹布或灰尘。织物纤维通常对技术组件的功能并不重要,因此在评估清洁度检测时应分别对其进行识别和计数。

纤维的特征在于其细长的形状(图4)。长度与宽度的纵横比称为纤维度,且必须介于10:1至20:1的范围内(视使用的标准而定)。这意味着必须极大地延长纤维(与其他纤维测量方法相比,例如在石棉研究中,其中单个纤维像针一样平直,但纤维度必须仅为3:1)。

使用涡流阵列技术对飞机进行检测

图4: 滤膜上的可见纤维,其特征在于其细长的形状。

滤膜上的纤维可能并不平直,而是折叠的。因此,最大费雷特直径测量对于纤维长度并不十分适用(图5)。首次估计时,可将纤维长度计算为其面积与最大内径之比(图5)。如果假定纤维在整个长度上具有相同宽度,则这是可能的。

检测复合材料,找到脱粘缺陷

图5: 左:折叠的纤维及其最大费雷特直径测量值。右:纤维的最大内直径。

如需获得更精确的纤维长度测量值,则要根据纤维骨架来计算拉伸后的纤维长度(图6)。这非常耗时,且无法用于所有检测到的纤维。

测量风扇叶片的厚度

图6: 拉伸纤维长度。

我们已完成与成像功能和数据收集相关的技术清洁度检测过程中的所有步骤,现在可复核结果和创建数据报告。请阅读“分步讲解技术清洁度检测的工作流程”这一由六篇博客组成的博客系列的最后一篇:“结果的复核和报告的创建”。

Post Author's Photo

Hamish Rossell

Product Applications Manager, Olympus Corporation of the Americas, Scientific Solutions Group

A member of the Olympus team since 2016, Hamish provides product and application support for Olympus industrial microscope systems throughout the Americas. He is an expert in inspection applications, image analysis, measurement, and reporting, as well as custom optical solutions, with an emphasis on technical cleanliness and semiconductor equipment.