Contacta con nosotros

Notas de aplicación

Análisis de fundiciones de hierro

refinería

La importancia de analizar fundiciones de hierro

En los laboratorios metalográficos, analizar las fundiciones de hierro para determinar la nodularidad, el tamaño, la forma y los parámetros de distribución del grafito, así como la proporción de ferrita a perlita, es clave en la óptica del control de calidad.
La fundición de hierro se usa en la fabricación de una variedad de productos de precisión, y el sector automotor es un ejemplo concreto del papel crucial que desempeña el control de calidad de la fundición de hierro en el rendimiento de sus productos. Pongámonos en el caso de los ingenieros automotores que eligen piezas moldeadas de hierro dúctil para la fabricación del cigüeñal de un vehículo deportivo debido a su resistencia; en efecto, este material no sufre fácilmente roturas bajo cargas dinámicas cíclicas. Además, el grafito contenido en el hierro fundido ayuda a amortiguar la vibración y eliminar el ruido generado por el motor. Por tanto, si este material no cumpliese con las especificaciones rigurosas de control de calidad, tanto la integridad del cigüeñal como la reducción del ruido del motor podrían verse comprometidos.

Otro ejemplo sería el de un fabricante de automóviles que elige hierro dúctil para el brazo de suspensión (oscilante) de un automóvil deportivo. En un principio, los ingenieros pueden considerar las aleaciones de aluminio, pero caen en la cuenta de que su bajo nivel de resistencia requiere el diseño de un brazo de suspensión más largo. Finalmente, el hierro dúctil será elegido debido a sus propiedades mecánicas exclusivas: reduce el ruido y el peso a la vez que baja los costos (Esp. costes). En este caso, si la calidad del material no cumpliese con las especificaciones rigurosas del control de calidad del fabricante, el rendimiento de la suspensión podría verse comprometido.

La fuerte competencia, que se vive dentro del circuito de carreras así como entre los fabricantes de automóviles, significa que los ingenieros deben tomar muy en serio el control de calidad llevado a cabo en estos componentes automovilísticos de alta capacidad.

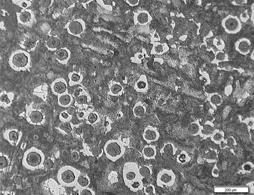
Grafito en hierro fundido con una magnificación de 100x

Grafito en hierro fundido con una magnificación de 100x

Evaluación microestructural del grafito en la fundición

Con el fin de cumplir las rigurosas normas de calidad establecidas para los componentes producidos, los laboratorios metalográficos analizan frecuentemente la microestructura del hierro fundido en busca de las siguientes características.

Entre las normas comúnmente aplicadas para los análisis de fundiciones de hierro, destacan: ASTM A247 (EE. UU.), ISO 945 (mundial), ISO 16112 (mundial), JIS G-5502 (Japón), JIS G 5505 (Japón), KS D 4302 (Corea), GB/T 9441 (China), NF A04-197 (Francia) y ASTM E2567 (EE. UU.). A pesar de que existen varias normas internacionales, ASTM A247 es la norma de primer orden en Norteamérica y Sudamérica para evaluar la microestructura del grafito en la fundición de hierro. Esta norma presenta tres parámetros: tipo (tb. conocido como forma), distribución y tamaño del grafito. El tipo, o forma, del grafito varía de I a VII. El tipo I indica hierro fundido nodular (dúctil con grafito en forma de nódulos), mientras que el tipo II indica hierro de fundición gris (el grafito se presenta en forma de hojuelas). La distribución del grafito varía de A a E y es usado principalmente para clasificar el grafito de tipo VII. Por otro lado, el tamaño del grafito varía de 1 a 8, en donde el número más bajo indica el tamaño más grande.

La clasificación conforme a la forma del grafito dio origen a un término denominado «nodularidad», cuyo fin es indicar el porcentaje del grafito en forma nodular. Por ejemplo, el hierro fundido con 100 % de nodularidad contiene todo su grafito en forma de nódulos (grafito de Forma I), en donde 80 % de nodularidad hace referencia a hierro fundido con un 80 % de nódulos y 20 % de otras formas de grafito.

Los porcentajes del grafito, ferrita y perlita indican respectivamente la cantidad con la cual cada estructura se evidencia en el material completo. La determinación de estos parámetros es un ejemplo clásico de la evaluación del porcentaje de un área.

Desde un punto de vista histórico, los laboratorios de control de calidad analizaban la fundición de hierro mediante el método de comparación de diagramas. Por medio de este método, el operador efectuaba una estimación visual de los parámetros al cotejar una imagen en vivo, usando un microscopio óptico (por lo general, con una magnificación de 100X), en función de diagramas micrográficos apostados en la parte lateral del microscopio. Debido a que la fundición de hierro era analizada típicamente conforme a varios parámetros, el método de comparación de diagramas podía ser lento. Además, como los resultados eran interpretados por cada operador, este método podía resultar impreciso y no reproducible, ya que los resultados no se repetían entre los diferentes operadores. Los técnicos de control de calidad debían introducir manualmente sus resultados en una hoja de cálculo o informe de un programa informático, lo que creaba mayores posibilidades de error.

Por tanto, ¿cómo los laboratorios de control de calidad llevan a cabo análisis de fundición de hierro en conformidad con la norma ASTM A247, u otras normas internacionales, y reducen el riesgo de imprecisiones y subjetividad? La respuesta llega a través de una solución de análisis automatizada completamente llave en mano para la fundición de hierro.

Análisis digital de imágenes de la fundición de hierro en conformidad con la norma ASTM A247 entre otras

Una nueva época ha comenzado para los laboratorios metalúrgicos modernos de control de calidad digital. A raíz de los avances que experimentan los softwares de ciencia de los materiales dedicados a los microscopios metalúrgicos, los operadores pueden hacer uso de los análisis de imágenes para estudiar la fundición de hierro en conformidad con la norma ASTM A247, así como con una amplia variedad de normas internacionales. Con unos cuantos clics de ratón, muestras no grabadas pueden ser analizadas por completo para determinar el tamaño, la forma, la nodularidad y la distribución del grafito.

Los resultados analíticos detallados del grafito son obtenidos de forma rápida y precisa mediante estos softwares analíticos de imágenes.

Los resultados analíticos detallados del grafito son obtenidos de forma rápida y precisa mediante estos softwares analíticos de imágenes.

Tras completar el análisis del grafito, el software analítico de imágenes calcula automáticamente el porcentaje del grafito, o también conocido como «fracción del grafito». La fracción del grafito es usada al analizar la relación entre perlita y ferrita en una muestra no grabada. La fracción del grafito permite a los operadores hacer la distinción entre el grafito y la perlita; ya que sus valores, similares en la escala de grises, los hacen indistinguibles en el análisis informático de imagen.

Ejemplo de una muestra no grabada, donde la relación entre ferrita y perlita puede ser calculada

Ejemplo de una muestra no grabada, donde la relación entre ferrita y perlita puede ser calculada

Cuando el análisis ha sido completado, todos los datos resultantes son compilados directamente en una hoja de cálculo proporcionada por el mismo software analítico de imágenes. Los informes que contienen datos analíticos e imágenes asociadas relevantes también pueden ser generados al pulsar un botón. Todo esto es posible gracias a una capacitación mínima.

Equipamiento de procesamiento de imágenes recomendado para el análisis de la fundición de hierro

Una configuración típica de equipamiento para analizar fundiciones a través del análisis digital de imágenes se compone de lo siguiente:

1. Microscopio metalúrgico invertido

Por lo general se requiere un microscopio invertido en lugar del modelo vertical debido a que las muestras pulidas, planas, permanecen extendidas sobre la platina mecánica. Esto permite asegurar un enfoque uniforme a medida que la platina de escaneo se desplaza.

Microscopio invertido para metalurgia con lente de objetivo metalúrgico de 10X, y cámara digital de microscopía de alta resolución.

Configuración de equipamiento típico: Microscopio metalúrgico invertido, lente de objetivo metalúrgico de 10X y cámara microscópica digital de alta resolución.

2. Software de análisis metalúrgico de imágenes específicas

Los softwares analíticos para imágenes provenientes de aplicaciones de ciencia de los materiales ofrecen frecuentemente módulos añadidos opcionales. Estos permiten a los usuarios analizar directamente la fundición de hierro en conformidad con la norma ASTM A247, así como con otras normas internacionales.

3. Lente de objetivo metalúrgico de 10X

Esta es la magnificación de objetivo requerida para analizar fundiciones de hierro.

4. Cámara microscópica CCD de alta resolución o digital CMOS

Al considerar una cámara microscópica digital para analizar la fundición de hierro, lo más importante, por encima de la resolución digital, es el tamaño del píxel, o la densidad resultante del pixelado. Para asegurarse de que una cantidad suficiente de píxeles sea proporcionada a la muestra y sus pequeños detalles sean reconstruidos digitalmente, muchos microscopistas siguen el teorema de muestreo de Nyquist. Este establece que dos o tres píxeles son requeridos para mostrar los detalles más pequeños, o la resolución óptica. Si se toma en cuenta que los análisis de fundiciones de hierro siempre son efectuados con una lente de objetivo de 10X (acoplada a oculares de 10X que proporcionan 100X de magnificación total), la resolución óptica típica de una lente de objetivo de grado medio será de aproximadamente 1,1 μm. Esto significa que el actual tamaño de píxel calibrado debe ser menor que 366 nm (proporcionado con los tres píxeles requeridos para distinguir las características más pequeñas).

Por ejemplo, una cámara de 8,9 megapíxeles con un tamaño de píxel de 3.45 μm produce un tamaño de píxel calibrado de 345 nm al dividir el tamaño del píxel actual por la lente del objetivo de 10X, usando un adaptador de cámara de 1X. La división de la resolución de la lente (1,1 μm) por el tamaño del píxel calibrado (345 nm) da como resultado 3,2. En este ejemplo, los píxeles de 3.2 permiten mostrar la característica distinguible más pequeña, que cumple con los criterios del método Nyquist de dos a tres píxeles por característica distinguible. Por lo general, la mayoría de las cámaras microscópicas dedicadas a la ciencia de los materiales y clasificadas en tres megapíxeles o superior (considerando el tamaño del píxel de los sensores CCD y CMOS más comunes) son recomendadas para el análisis de la fundición de hierro.

Dado que el análisis de la fundición de hierro puede efectuarse adecuadamente en el modo de escala de grises (en el que la configuración de los parámetros de umbral es más simple que en el modo cromático), la cámara elegida debe tener la opción de modo de escala de grises. Asimismo, la selección de una cámara que proporciona una alta velocidad de refresco en vivo ayudará a enfocar o posicionar la muestra.
Se recomienda un portaobjetivos codificado manual o motorizado. El software analítico de imágenes seleccionado debe ser capaz de identificar siempre y automáticamente la magnificación (aumento) de la lente de objetivo. Esto permite asegurar un mayor nivel de precisión en la medición, ya que el reconocimiento automático favorece la eliminación de riesgos asociados a una magnificación de lente de objetivo incorrectamente introducida en el software.

Imagen magnificada

Asimismo, se requiere una platina de escaneo XY manual o motorizada para manipular la muestra y ubicar el área de interés para su observación y análisis. El PC que elija debe cumplir con los requisitos mínimos del sistema de la cámara y del software analítico de imágenes. También, se requiere un monitor de alta resolución.

Procedimiento para analizar la fundición de hierro

A continuación, se explica un procedimiento típico del análisis de fundición de hierro usando el equipamiento metalúrgico recomendado:

  1. Seleccione la lente de objetivo de 10X.
  2. Bajo las condiciones de luz reflejada y de campo claro, controle la muestra colocada en la platina XY para visualizar el área de interés.
  3. Capture imágenes digitales con el software analítico de imágenes. Nota: Si la plataforma del software ofrece la posibilidad de analizar una imagen en vivo, es mejor observar la imagen en directo.
  4. Ejecute el análisis de imágenes:
    a. Análisis de grafito: Determine los niveles de umbral en la escala de grises para que el grafito sea detectado en la muestra no grabada. De ser necesario, modifique los resultados de partículas (división, conexión, trazo o eliminación de los nodos del grafito). El porcentaje de grafito, o fracción de grafito, es registrado y usado en el posterior análisis de ferrita a perlita.
    b. Análisis de ferrita a perlita: Determine los niveles del umbral en la escala de grises para que la ferrita sea detectada. Debido a que los valores del grafito y perlita son similares en la escala de grises, el porcentaje del grafito es considerado a partir de los análisis de grafito. Antes del análisis, el posible aplicar un filtro morfológico para separar vacíos brillantes en la perlita con el fin de que no sean identificados de manera errónea como ferrita.
    c. La imagen se analiza en conformidad con los estándares seleccionados. Los datos resultantes son recopilados directamente en una hoja de cálculo dentro del mismo software analítico de imágenes.
  5. En función de la plantilla predefinida del usuario, el software puede generar de forma automática un informe que incorpore los resultados analíticos, las imágenes de soporte de la fundición y los datos relevantes.

Ejemplo de un informe generado automáticamente con imágenes y resultados analíticos relevantes

Ejemplo de un informe generado automáticamente con imágenes y resultados analíticos relevantes

Otras maneras de agilizar el proceso analítico de la fundición de hierro

A diferencia de las técnicas precursoras — donde los operadores llevaban a cabo estimaciones visuales del tamaño, nodularidad o distribución del grafito, y las registraban de manera manual—, los softwares analíticos de imágenes modernos, dedicados al marco microscópico de la ciencia de los materiales, permiten que los parámetros del grafito sean calculados de forma precisa y reproducible, al mismo tiempo que minimizan la intervención manual. Varios paquetes de software están desarrollados para cumplir con la normativa ASTM A247 y con una amplia variedad de otras normas internacionales cuya implementación requiere muy poco esfuerzo. Más allá del alcance del análisis de estructuras de grano metálico, muchos programas de software ofrecen conectividad, generación de informes y capacidades de gestión de datos adecuadas para ahorrar tiempo. Los softwares que incluyen la generación de informes, el almacenamiento e intercambio de datos y la búsqueda rápida de las imágenes y datos asociados de forma automática pueden aportar mayor eficiencia a su equipo. Al considerar una solución llave en mano para el análisis de fundiciones de hierro, trabajar directamente con un fabricante de experiencia en microscopía es sumamente importante; ya que, éste puede asistirlo en cada paso de su proceso, desde la selección del equipamiento hasta la completa puesta en funcionamiento.

Nota: La nodularidad en la fundición de hierro también puede ser medida de forma ultrasónica sin necesidad de preparaciones.

Referencias

Dr. Carmo Pelliciari, Ing., Especialista metalúrgico

Miguel Angel Yescas Gónzalez y H. K. D. H. Bhadeshia, Universidad de Cambridge.

Estándar A247 de la American Society for Testing and Materials (ASTM)

ASTM International, 100 Barr Harbor Drive, PO Box C700, West Conshohocken, PA, 19428-2959 EE. UU.

Productos para la aplicación

PRECiV

El software PRECiV™, fácil de usar, le permite controlar su microscopio para que pueda realizar mediciones repetitivas en 2D durante las operaciones de producción, control de calidad e inspección.

GX53

El microscopio invertido GX53 presenta una claridad de imagen excepcional y una excelente resolución con grandes aumentos. Con accesorios que incluyen un revólver codificado y un software, el diseño modular del microscopio facilita la adaptación a sus necesidades.

MPLFLN-BD

El objetivo MPLFLN-BD integra la corrección cromática semiapocromática y es adecuado para la más amplia variedad de aplicaciones. Está especialmente diseñado para la observación de campo oscuro y el examen de rasguños o grabados en superficies pulidas.