기술 청정도 워크플로우 분류 5부: 반사성/비반사성 파티클 및 파이버 식별

가공된 부품의 기술 청정도

Post Author's Photo

Hamish Rossell

2018년 9월 13일

금속 파티클과 비금속 파티클 구분 및 비오염 파티클 인식

6부작 블로그 시리즈 중 5부에서는 반사성(금속으로 간주) 파티클과 비반사성(비금속으로 간주) 파티클을 구분하는 방법뿐 아니라 파이버(비오염 파티클) 식별 방법에 대해 살펴봅니다. 다음은 전체 기술 청정도 검사 프로세스에 적합한 반사성 및 비반사성 파티클 구분 및 파이버 식별 절차입니다.

반사성 및 비반사성 파티클 구분

금속 파티클은 훨씬 더 단단하여 비금속 파티클보다 훨씬 더 큰 손상을 유발할 수 있습니다.

금속 파티클과 비금속 파티클은 입사광이 파티클에서 반사되는 방식으로 구분됩니다. 필터 멤브레인과 비금속 파티클에 닿은 입사광은 넓게 분산됩니다. 입사광에 관계없이 "반사된" 빛은 편광되지 않습니다. 입사광이 편광되더라도 카메라에서 편광 분석시 어떠한 영향도 주지 않습니다. 필터 멤브레인은 그 위에 있는 파티클보다 항상 더 밝습니다.

입사광이 금속 파티클에 부딪히면 반사광을 볼 수 있습니다. (금속 표면에서 빛이 이렇게 반사해도 빛의 편광을 변화시키지 않습니다.) 기존 청정도 검사 방법에서 이 차이가 활용됩니다. 반사광의 편광을 카메라에서 분석할 수 있으며, 편광기(Polarizer)와 분석기(Analyzier)를 병렬로 놓으면 금속 파티클이 매우 밝아집니다.

기존 금속 파티클 검출 방법에서는 이미지 2개가 필요합니다(그림 1). 첫 번째 이미지는 모든 파티클을 검출하고 두 번째 이미지는 금속 파티클을 강조 표시합니다. 첫 이미지 획득 후 두 번째 이미지 획득 전에 분석기를 90° 회전시켜야 합니다. 이 작업은 두 이미지를 특수한 방법으로 조정하고 정렬해야 하므로 시간이 많이 소요됩니다.

비디오스코프를 사용한 제트 엔진 검사
비디오스코프를 사용한 제트 엔진 검사

그림 1: 왼쪽: 모든 파티클이 검출되어 어두운 이미지로 보이는 필터 멤브레인. 오른쪽: 금속 파티클이 더 밝은 이미지로 보이는 필터 멤브레인.

새로운 단일 촬영 프로세스

올림푸스 CIX 기술 청정도 검사 시스템은 단일 촬영으로 모든 필요한 정보를 수집하는 새로운 방법을 활용합니다. 이 특허 기술에서는 입사광이 편광됩니다. 빛 스펙트럼의 대역 하나는 지연판(Retardation plate)을 사용하여 편광을 바꿉니다. 그 결과, 입사광의 편광은 색상별로 다르게 됩니다.

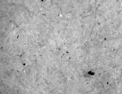
필터 멤브레인에서 비금속 파티클의 난반사는 기존 설정과 동일합니다(그림 2). 반사광은 모든 색 범위에서 편광되지 않으므로 분석하지 않아도 됩니다. 필터 멤브레인은 그 위에 있는 어두운 파티클보다 더 밝습니다.

와전류 배열을 사용한 항공기 검사
그림 2: 올림푸스 CIX 기술 청정도 검사 시스템을 사용한 비금속 파티클의 난반사.

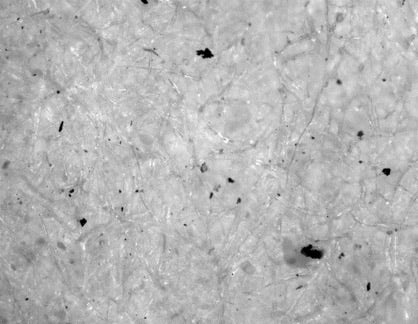
금속 파티클의 반사광도 기존 원리를 따르고 빛의 편광을 유지합니다(그림 3). 하지만 각 색상의 편광은 알려져 있기 때문에 컬러 이미지에서 직접 금속 파티클을 검출할 수 있습니다. 이때 특수한 색상에서만 금속 파티클이 밝습니다.

와전류 배열을 사용한 항공기 검사
그림 3: 올림푸스 CIX 기술 청정도 검사 시스템을 사용한 금속 파티클의 실제 반사.

CIX 시스템을 사용하면, 반사성(금속) 파티클과 비반사성(비금속) 파티클을 분리하는 데 하나의 컬러 이미지만 필요합니다. 분석기 회전 후의 두 번째 이미지 획득이 필요하지 않습니다. 이 고유한 방법은 상당한 시간적 이점을 제공하며 이동 및 회전 기계 부품 없이 견고한 구조를 활용합니다.

파이버 식별

파티클은 샘플 표면에서 세척되는 불순물입니다. 그렇지만 파이버는 흔히 작업복, 헝겊 또는 실험실의 먼지 등 그 출처가 다릅니다. 파이버는 일반적으로 기술 구성 요소의 기능에 중요하지 않으므로 청정도 검사를 평가할 때 별도로 인식하고 계수해야 합니다.

파이버는 긴 모양이 특징입니다(그림 4). 길이와 폭의 형상비를 파이버성이라고 하며 10:1~20:1 범위여야 합니다(사용 중인 표준에 따라 다름). 즉, 파이버는 상당히 길어야 합니다(개별 파이버가 바늘처럼 일직선이지만 파이버성은 3:1이어야 하는 석면 조사와 같은 다른 파이버 측정치와 비교).

와전류 배열을 사용한 항공기 검사

그림 4: 필터 멤브레인에 보이는 파이버로 긴 형태의 특징을 지님.

필터 멤브레인에 있는 파이버는 일직선이 아닌 접혀 있을 수 있습니다. 이런 이유로 최대 Feret 직경 측정치가 파이버 길이에 대한 양호한 결과를 제공하지 못합니다(그림 5). 첫 추정 시 파이버 길이를 파이버 면적과 최대 내부 직경의 비율로 계산할 수 있습니다(그림 5). 파이버 전체 길이에서 동일한 폭이 추정되면 이 방법이 가능합니다.

분리용 합성물 검사

그림 5: 왼쪽: 접힌 파이버와 그 최대 Feret 직경 측정값. 오른쪽: 파이버의 최대 내부 직경.

파이버 길이의 보다 정확한 측정치는 파이버 골격을 따라 길게 편 파이버 길이를 계산할 수 있습니다(그림 6). 이 작업에는 시간이 많이 소요되므로 검출된 모든 파이버에서 수행할 수 없습니다.

팬 날개 두께 측정

그림 6: 길게 편 파이버 길이.

지금까지 이미징 및 데이터 수집과 관련된 기술 청정도 검사 프로세스의 모든 단계를 살펴보았으므로 이제 결과를 검토하고 데이터 보고서를 작성할 수 있습니다. 6부작 "기술 청정도 워크플로우 분류" 블로그 시리즈의 마지막 편인 "결과 검토 및 보고"를 다시 확인하십시오.

Post Author's Photo

Hamish Rossell

제품 응용 프로그램 관리자, 미주 Olympus 주식회사, 과학 솔루션 제품군

2016년부터 Olympus 팀의 일원이었던 Hamish는 미주 전역의 Olympus 산업 현미경 시스템에 대한 제품 및 응용 프로그램 지원을 담당합니다. 그는 기술 청정도와 반도체 장비에 중점을 두고 검사 응용 프로그램, 이미지 분석, 측정 및 보고 뿐만 아니라 맞춤형 광학 솔루션을 담당하는 전문가입니다.