Stream Enterprise数据管理软件

Stream Enterprise数据管理软件提供了智能的分步工作流程来获取锐利、清晰的图像,并可根据最新标准定量测量和交付专业的报告。任何经验水平的用户都可以在任何成像条件下执行从图像采集到标准报告的复杂图像分析任务。

  • Product Availability: This product has been discontinued check out our current product

Stream Enterprise

概述

快速、高效的检测工作流程

Stream Enterprise数据管理软件提供了智能的分步工作流程来获取锐利、清晰的图像,并可根据最新标准定量测量和交付专业的报告。任何经验水平的用户都可以在任何成像条件下执行从图像采集到标准报告的复杂图像分析任务。

Stream Enterprise软件的设计注重其灵活性,能够快速、准确地观测各类样本,同时保障了数据安全和测量的可靠性。

可选的解决方案让用户能够根据自身应用改造Stream Enterprise软件,包括质量分析、研究与开发、流程开发和质量控制。

https://adobeassets.evidentscientific.com/content/dam/video/videolibrary/videos/Stream_Analysis_Software_480_new_(1).mp4

图像采集与硬件支持

软件轻松易用的摄像头控制功能中已经集成了其支持的所有彩色、单色、IR、SWIR摄像头,同时能够记录放大率和校准信息。手动或电动载物台可让您轻松采集到全聚焦的大幅图像。

测量、图像分析和可选的高级成像解决方案

软件允许您以互动方式完成多种几何测量,或使用高级图像处理与分析功能。标准的合规测量也可通过材料解决方案工作流程实现。软件为各种材料科学分析提供了多种工具,可使您对结果充满信心。

数据存储和共享

数据采用基于Microsoft SQL服务器的客户端服务器技术安全地存储在本地网络内。Secure File Repository套件可进一步增强用户权限控制和数据安全。

文档

强效的报告工具可使用Microsoft 365直连数据库。

您可免费体验Stream Enterprise版本30天!

点击“请求演示”,并在第一个框中注明您希望获得一份30天许可。

轻松易用的界面和分步指导

实现清晰图像采集的智能技术

Smart Technologies for Crisp Image Capture
  • 实时图像工具
  • 全景和扩展深度聚焦
  • 保存和调用采集设置

高效的重复任务

High Efficiency on Repeating Tasks
  • 引导式操作
  • 定量分析
  • 实现高效图像采集的自动工具
  • 高效的报告创建

专为奥林巴斯硬件而设计

与奥林巴斯光学显微镜无缝集成

Seamlessly Integration with Olympus Optical Microscopes
  • 正置显微镜
  • 倒置显微镜
  • 半导体显微镜
  • 体视显微镜
  • LEXT 3D测量激光显微镜
  • DSX数码显微镜

兼容奥林巴斯数码摄像头

Working with Olympus Digital Cameras
  • 色彩保真度
  • 高分辨率
  • 屏幕实时成像

专用观察方法

Dedicated Observation Methods
  • HDR成像增强了图像对比度
  • 独家“MIX”观察模式,在明场和暗场下呈现样品细节

迎接检测挑战

高级成像解决方案

Advanced Imaging Solutions
  • 计测解决方案
  • 三维图像显示和测量

金相解决方案

Solutions for Metallography
  • 使用截点法测量晶粒度
  • 使用面积法测量晶粒度
  • 石墨球化率的评估
  • 非金属夹杂物含量评价
  • 样品图像与参照标准品对比
  • 枝晶间距测量方法

机械加工行业解决方案(汽车/机加工零件行业)

Solutions for Machinery Processing (Automotive / Machined Parts Industries)
  • 焊接变形
  • 相位和感兴趣区域测量
  • 颗粒分布

电子行业解决方案(电子元器件/半导体行业)

Solutions for Electronics (Electronic Device / Semiconductor Industries)
  • 分散能力的测量
  • 关键尺寸的自动测量

用于表面涂层和薄膜沉积的解决方案(涂层行业)

Solutions for Surface Coatings and Thin Film Deposits (Coating Industries)
  • 薄涂层厚度的评估(calotest法)
  • 层厚测量
  • 孔隙率和密度测量

软件与Microsoft Office兼容

智能技术

分步指导

动态用户界面只会显示您需要使用的工具和功能,从而减少桌面的杂乱和混乱。用户界面会引导您完成流程的每一步,包括图像采集、图像处理和报告创建。软件直观的工具集合让您能够轻松完成简单和复杂的测量。

简洁的布局

软件的有序布局包含执行所需任务的基本必要功能。简化的布局有助于优化检测工作流程和高效引导用户完成检测过程。

Fast measurements on a live image with just a few clicks of your mouse

实时图像的快速测量仅需点几下鼠标即可

Estimating the pore size using live digital reticules (Cross section of die casting)

使用实时数字分划丝估计孔径
(压铸件横截面)

实时图像工具

软件拥有实时图像功能,可快速提供反馈。软件允许您与自动校准的实时图像互动,并执行定量测量。

快速全景和扩展深度聚焦

快速创建扩展到标准焦深或视野之外的样品图像。即时 景深扩展图像(EFI) 功能使用微调焦点调节将不同Z位置下采集的多幅图像组合为一幅完全聚焦的组合图像。即时 多重图像对齐(MIA) 功能让您仅需移动XY载物台即可轻松创建全景图像;而无需使用电动载物台。

Instant EFI image of crystal: fully focused image is created even in low-contrast sample areas

晶体的即时EFI图像:即使在低对比度的样品区域也创建了完全对焦的图像

Instant MIA image of a coin

硬币的即时MIA图像

调用采集设置

快速调用之前使用过的摄像头设置,从而在采集可重复图像时保持外观和感受的一致性。使用电动显微镜时,此功能可自动调用之前的硬件设置。如果使用BX、GX或MX系列显微镜,软件会引导您手动调用设置。

不同的操作人员使用不同的设置
Different operators use different settings
便于确认正确的设置
Easily verify the correct settings
同步观察设置
Synchronize observation settings
所有操作员都可使用相同设置
Regardless of different operators, the settings are the same

3D profilometry of wear track

3D profilometry of wear track

3D解决方案

此解决方案利用在不同Z位置下自动或手动采集图像的集合来创建高度图。生成的图像可使用表面视图功能以三维方式查看。您可以测量3D轮廓和两点或多点之间的高度差,并将结果导出到工作簿和Microsoft Excel电子表格中。

特定分析的引导式操作

进行图像分析时,软件将引导您按正确顺序执行功能,包括符合大多数常用国际标准的方法。使用电动载物台时,对齐功能能够加速多个样品位置上的工作。

Guided Operation for Specific Analyses
Automatic Calibration

自动校准

自动校准功能使用标尺校准显微镜,并可自动生成校准报告。这样有助于消除校准过程中的用户差异,从而实现更可靠的测量。

自动检测工具

软件的自动工具可在几分钟内创建一组庞大的数据。自动放大功能使用经过校准的光栅分划线,有助于确保图像在正确的刻度尺下显示,并确保测量得到确认。大面积区域可由电动XYZ在舞台自动成像,能够为大型部件创建高分辨率图像。

Sharp and high-contrast MIA image of integrated circuit (IC) pattern (dark field observation with 20X objective lens)

集成电路板(IC)布局的清晰、高对比度MIA图像(20倍物镜下暗视野观察)

重要的定量信息

软件工具可为样品提供定量信息。实时和静止图像的互动式测量不仅能够提供基本的尺寸信息(长度、面积和直径),而且可在图像上直接看到结果。

高级互动式测量包括适用于半自动面积测量的魔杖和复杂多边形,而计测解决方案可获取100个以上单个颗粒的参数,支持基于阈值法的定量分析。

Basic measurement (supra conductor)

基本测量(超导体)

Magic wand (supra conductor)

魔杖(超导体)

Object detection (supra conductor)

对象探测(超导体)

高效的报告创建

与图像采集和测量相比,创建报告通常需要花费更长的时间。软件支持您利用预先定义的模板重复智能生成复杂的报告。编辑简单易操作,报告可以导出到Microsoft Word、Excel或PowerPoint。此外,软件的报告工具也支持采集图像的数字缩放。报告文件大小适中,更便于通过电子邮件进行数据交换。

Professional report that summarizes particle counting data

总结颗粒计数数据的专业报告

集成数据管理功能

Stream Enterprise的数据管理软件可让包含大量数据和多名用户的工作流程高效运行,同时实现了较高的数据安全性。

用户权限:

用户权限分为四类:管理员、超级用户、用户和访客。每类用户的权限都可自定义修改,灵活度更高。此外,您可分配各项目或数据记录的访问权限到指定的个人或用户组。用户身份的验证可通过在启动Stream Enterprise时登录SQL,或与现有的活动目录和轻型目录访问协议(LDAP)集成,从而实现单点登录(SSO)。

安全文件存储

为了进一步提高数据安全性,Stream Enterprise提供可选的安全文件存储(SFR)套件。作为额外的安全措施,SFR可配合Stream Enterprise来根据用户的访问权限处理文件请求;没有文件打开权限的用户将无法在自己的文件目录中查看这一文件。

整合

Stream Enterprise可设置为直接接入现有的订单管理系统,例如LIMS、ERP和CRM系统。为了进一步提高操作灵活性,软件内置有兼容组件对象模型(COM)和开放数据库连接(ODBC)等不同数字通信协议的接口,可轻松接入其他程序。另外软件中也已经增加了应用程序接口(API)功能,支持其他程序调用Stream Enterprise。

现有数据库的访问

来自其他数据库的现有记录可导入到Stream Enterprise中,且所有相关数据和元数据都会得到正确组织。您也可不导入,而是使用一些现有的数据源(只读访问)。

您的系统

自定义软件包

Stream Enterprise数据管理软件专为我们的显微镜开发,是一款强大且易用的测量工具。配合传统显微镜使用时,您无需手动记录UIS2物镜的光学参数。从我们的DSX和LEXT显微镜导入图像时,也不需要校准放大倍率。入门级到高级软件包均可使用该软件。

奥林巴斯Stream软件包

奥林巴斯Stream软件根据功能分为四个软件包—Start、Basic、Essentials和Motion。
可以添加应用专用材料解决方案模块,以简化重复分析任务。奥林巴斯代表可以帮助您确定适合您的软件包。

了解更多信息

与大多数Evident光学显微镜无缝集成

控制正置显微镜

BX53M microscope and software system

BX53M显微镜及软件系统

BX53M显微镜采用编码功能,将显微镜的硬件设置与Stream Enterprise数据管理软件集成在一起。观察方法、照明强度和物镜位置均由软件和/或手机记录。显微镜设置可以与每个图像一起自动保存,便于以后复制设置,并提供用于报告的文档。

查看正置显微镜

控制倒置显微镜

GX53 microscope and software system

GX53显微镜及软件系统

我们的数码摄像头提供高分辨率观察和快速图像传输功能,而我们的软件提供了满足当今复杂冶金需求所需的所有工具。
从扩展测量、标准金相学和高级金相学应用专用模块中进行选择(有十几个应用专用例行程序可供选择),并自动填充数据和创建符合常见ASTM和ISO规格的报告。

查看倒置显微镜

控制半导体显微镜

Integrated microscope and software system

集成的显微镜及软件系统

我们提供了多个软件平台,可与我们的半导体显微镜框架集成,以控制所有电动功能,包括数码相机和电动工作台。每个界面设计用于基本检查和控制、高级图像分析或重复现场检查和缺陷检查。

查看半导体显微镜

控制立体显微镜

SZX16 microscope and software system

SZX16显微镜及软件系统

我们的立体显微镜电动对焦驱动装置使数字文档具有扩展对焦成像(EFI)高效和全自动特征。这甚至可以创建伪3D图像。该软件提供了用于简单2D测量到复杂相位分析的工具,并支持许多操作,包括观察、报告生成、数据库创建和归档。

查看体视显微镜

增强Evident共焦显微镜和数码显微镜的功能

在全套DSX系列数码显微镜和LEXT 3D测量激光显微镜的配合下,使用Stream Enterprise数据管理软件(Stream Enterprise桌面版)进行后处理。

LEXT 3D measuring laser microscope

LEXT 3D测量激光显微镜

DSX digital microscope series

DSX数码显微镜系列

查看LEXT 3D测量激光显微镜
查看DSX数码显微镜

支持大多数Evident数码摄像头

分辨率和色彩保真度

The low-noise, high-resolution images of a 9-megapixel sensor enable the user to zoom deep into the sample, revealing its structures (sandstone)

900万像素传感器的低噪声、高分辨率图像使用户能够深入放大样品,揭示其结构(砂岩)

出色的空间分辨率与高像素数相结合,利用物镜的全光学分辨率,即使使用低倍率物镜,也能对最小样品内的结构和细节进行成像。高分辨率图像使您能够在不使用目镜的情况下仅在屏幕上进行观察。

通过红外(IR)成像显示更多信息

Brightfield image 5x taken with the DP23M monochrome camera, a. Brightfield image 5x b.) IR image 5x (BP1100 nm filter), c.) Cropped detail 20x IR, d.) Cropped detail 20x IR with DCE filtering

使用DP23M单色摄像头在5倍放大倍率下采集的明场图像,
a.明场图像5倍
b.)红外图像5倍(BP1100 nm滤光片),
c.)剪裁细节20倍红外,
d.)剪裁细节20倍红外,采用DCE过滤

红外成像模式是质量控制和研发实验室的基本工具。红外模式可以在制造的后端阶段通过封装产品的硅层进行无损检测。

查看数码摄像头

材料科学专用观察方法

HDR成像增强对比度

高动态范围(HDR)成像改善了困难条件下的图像对比度(同一图像中非常明亮的区域和非常黑暗的区域)。Stream Enterprise数据管理软件支持的所有摄像头都可在此模式下使用,且专用摄像头可使用实时模式。

Clearly exposed for both dark and bright parts by HDR (Sample: fuel injector bulb)

HDR下清晰显示露的黑暗和明亮部分(样品:燃料喷射器灯泡)

Contrast enhancement by HDR (Sample: Sliced magnesite)

HDR下对比度的增强(样品:菱镁矿石片)

MIX观察以显示样品的表面结构

软件支持MIX观察

这种照明技术结合了定向暗场(使用圆形LED在给定时间照亮一个或多个象限)和明场、荧光或偏振,使您能够突出缺陷,并将凸起表面与常规显微镜通常难以看到的凹陷进行区分。MIX观察有助于减少样品的光晕,并有助于显示样品的表面纹理。

Conventional: brightfield shines the light straight down on the sample while traditional darkfield highlights scratches and imperfections on a flat surface by illuminating the sample from the side of the objective

传统:明场将光线直接照射在样品上,而传统的暗场通过从物镜侧面照亮样品来突出平面上的划痕和缺陷

Conventional: brightfield shines the light straight down on the sample while traditional darkfield highlights scratches and imperfections on a flat surface by illuminating the sample from the side of the objective

传统:明场将光线直接照射在样品上,而传统的暗场通过从物镜侧面照亮样品来突出平面上的划痕和缺陷

Advanced: MIX is a combination of brightfield and directional darkfield from a ring of LEDs; the LEDs can be adjusted to select which direction to illuminate from

高级:MIX是由一圈LED组成的明场和定向暗场的组合;可以调整LED以选择照明方向

解决方案

迎接检测挑战

工业实验室通常要求其标准操作程序获得可重复和可再现的结果。Stream Enterprise数据管理软件的工作流程简单而可靠,有利协助了检测、测量和分析工作。软件为各种材料科学分析提供了多种工具,可使您对结果充满信心。

Evident industrial microscopes support metallurgical analysis solutions

Evident工业显微镜支持冶金分析解决方案

计测解决方案

该软件的计测解决方案采用先进的阈值方法,将颗粒和划痕等物体从背景中可靠地区分出来。软件提供了物体测量和分类方面的50多个不同参数,包括形状、大小、位置和像素属性。

Conventional software Unclear grain boundaries

常规软件
晶界不清晰

Etched steel microstructure (original image)

蚀刻钢的微观结构
(原始图像)

Stream Enterprise Grain boundaries are clearly detected

Stream Enterprise
晶界清晰可辨

Grain classification results

晶粒分类结果

高效分析

Example of Macro Manager set up for Count and Measure

宏管理器的计测设置示例

您可以使用宏管理器对复杂的成像和测量任务进行预设,然后单击按键执行任务。

强大的图像过滤器

Enhanced contrast using the DCE filter (dendrite in an aluminum casting)

使用DCE过滤器增强对比度(铝铸件中的枝晶)

该软件提供各种有用的过滤器,用于边缘探测、平滑处理和其他用途。

TruAI深度学习技术

使用依赖于亮度或色彩的传统阈值方法进行图像分割,可能会遗漏样品中的关键信息或目标。Stream Enterprise数据管理TruAI解决方案采用深度学习技术来提供更准确的分割方法,可实现高度可重复和稳定的分析,包括实例分割,即将图像分割成物体的单个实例。

了解更多有关TruAI深度学习的信息

奥林巴斯Stream/PRECiV中褐煤灰飞灰原始图像(左),使用传统阈值处理方法进行图像分割(右)。

奥林巴斯Stream/PRECiV中褐煤灰飞灰原始图像(左),深度学习图像分割(右)。

三维测量和线型轮廓

Stream Enterprise数据管理软件的3D解决方案拥有编码和电动Z轴控制与即时EFI功能以及高度映射功能,可用于测量三维样品。

3D surface view (Roughness test sample)

3D表面视图(粗糙度检测用样品)

Single view and 3D profile measurement

单视图和3D轮廓测量

金相解决方案

Solutions for Metallography

金相学用于材料开发、来料检测、生产和制造控制,以及故障分析。

  • 使用截点法测量晶粒度
  • 使用面积法测量晶粒度
  • 石墨球化率的评估
  • 评定高纯度钢中的非金属夹杂物含量
  • 将样品图像与参照标准进行比较
  • 自动或手动测量枝晶间距

机械加工行业解决方案(汽车/机加工零件行业)

Solutions for Machinery Processing (Automotive / Machined Parts Industries)

为了生产出高质量的零件,需要在生产过程中对划痕、裂纹、孔隙大小和污染进行严格监测。

  • 焊接变形
  • 相和ROI(感兴趣区域)的测量
  • 颗粒分布

电子行业解决方案(电子元器件/半导体行业)

Solutions for Electronics (Electronic Device / Semiconductor Industries)

在印制电路板中,涂有非常薄的涂层,验证涂层的均匀性是保证产品质量的关键因素。

  • 分散能力的测量
  • 关键尺寸的自动测量

用于表面涂层和薄膜沉积的解决方案(涂层行业)

Solutions for Surface Coatings and Thin Film Deposits (Coating Industries)

表面涂层是任何含有颜料、溶剂和其他添加剂的成膜材料的混合物,当其涂到表面,并固化或干燥时,会产生一层具有功能性且通常还具有装饰性的薄膜。

  • 薄涂层厚度的评估(calotest法)
  • 层厚测量
  • 孔隙率和密度测量

定制工作流程解决方案

Particle detection
Unser Customizing-Team entwickelt in der Stream Enterprise Datenverwaltungssoftware individuelle Arbeitsabläufe für spezifische Anwendungsszenarien. Die Software-Bedienung wird auf Ihre Anforderungen abgestimmt, sodass Sie Herausforderungen schnell lösen und Ihre Ziele bei mikroskopischen Prüfungen in der Industrie erreichen können.

定制工作流程解决方案

解决方案
说明
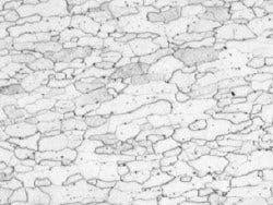
截点法晶粒度
钢铁制造商在对钢铁样品进行横切、抛光或蚀刻后,使用这种解决方案测量和控制晶粒度。
这种方法基于“检测线”的叠加以及对晶界的截点数进行计数而实现。
面积法晶粒度
钢铁制造商在对钢铁样品进行横切、抛光或蚀刻后,使用这种解决方案测量和控制晶粒度。
这种方法为每个晶粒重建边界,并通过第二阶段的面积百分比测量晶粒度。
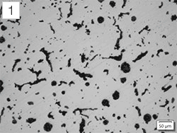
非金属夹杂物
钢铁制造商使用这种解决方案来测量和控制钢中非金属夹杂物(氧化物、氧化铝、硫化物或硅酸盐)的形状和大小。
铸铁
对于需要测量和控制石墨球化率并检查其铸造产品机械特性的铸造制造商,请使用该解决方案。
标准评级图对比
可将实时或静止图像叠加到标准图表上进行比较。可使用功能预览。
枝晶间距
这种解决方案用于手动或自动确定铸铝中的平均枝晶间距。
层厚度
使用“层厚”解决方案可以测量横截面样品的一层或多层厚度。定义了形状后,层厚会自动测量。
涂层厚度
这个解决方案可以采用Calotest方法在俯视图像中测量涂层厚度。
自动测量
这种解决方案通过在实时图像中使用模式识别功能实现的边缘探测,进行测量。
分散能力
这种解决方案测量通孔或微通孔中镀铜厚度的分布。
多孔性
这种解决方案可以使用ROI(感兴趣区域)(圆形、三角形、矩形和多边形)和阈值来测量孔隙的面积比例或表面孔隙的数量。
颗粒分布
这种解决方案用于从多个图像或图像系列中创建粒度分布直方图和表格。
高级相分析
这种功能提供了一种新的集成解决方案,可对选定的各种感兴趣区域(ROI)(包括三角形、圆形、矩形和多边形)进行相分析。
解决方案 金属/铸造 汽车 玻璃和陶瓷 涂层 消费商品 电子设备
截点法晶粒度
面积法晶粒度
夹杂物最恶劣视场法
铸铁
标准评级图对比
层厚
涂层厚度
自动测量
分散能力
孔隙率
颗粒分布
解决方案 半导体
导管
流体和石油 机加工
零件
碳/
复合材料
化工/
塑料/
橡胶
工业和
科学
研究
截点法晶粒度
面积法晶粒度
夹杂物最恶劣视场法
铸铁
标准评级图对比
层厚
涂层厚度
自动测量
分散能力
孔隙率
颗粒分布
高级相分析

技术参数

主要许可技术规格

企业版 桌面版
图像采集 基本图像采集,包括HDR、放大倍率的自动校准、实时HDR*1和位置导航*1
软件自动对焦*2和视频采集(Avi格式)
延时摄影、即时EFI和即时/手动MIA*3
电动EFI/MIA和Z轴堆栈采集
图像和自定义工具 基本工具窗口(图像历史、属性、导航器、画廊视图工具窗口)*4
注释、层管理、刻度条、十字标、信息印记显示和图像过滤器
数字标线/网格、线型轮廓显示、我的功能、布局管理和宏管理器
测量/图像分析 基本交互式测量(距离、角度、矩形、圆形、椭圆形、多边形、圆到圆的距离、角尺和直尺),且数据可导出到MS-Excel文件中
相分析、魔杖、手绘折线、插值多边形、形态过滤器和图像算术
3D测量、3D轮廓测量和3D表面视图
报告制作*5 报告创建(MS-Word和MS-Excel格式)
演示文稿创建
数据管理 客户端/服务器数据管理系统,支持不限数目的并发数据库用户**6
以用户/项目为导向的图像和其他文档的管理
图像和数据的可自定义用户权限
快速、受控的数据访问
高性能的搜索功能
支持的 DBMS:Microsoft SQL Server 2008 R2/R2 Express、Microsoft SQL Server 2012(SP1 和 SP2)/Express(SP1 和 SP2)、Microsoft SQL Server 2014/Express、Microsoft SQL Server 2017/Express、Microsoft SQL Server 2019/Express、Oracle 11g R2/express、Oracle 12g R2/Express
由安全文件存储(SFR)技术支持的成熟安全存储服务
设备支持 Evident显微镜**7和Evident摄像头*8
非Evident摄像头和图像源转换器*9
非Evident载物台控制器*9
对PC机的要求
CPU(中央处理器)
Intel® Core i5、Intel® Core i7、Intel® Xeon
内存/硬盘/DVD驱动器
4 GB或更大(推荐8 GB)/ 2.4 GB或更大可用空间 / 兼容DVD+R DL
OS*10
Windows 10 Pro(64位)、Windows 8.1(64位)Pro
.NET框架
4.6.2或以上版本
显卡*11
1280 × 1024显示器分辨率,使用32位视频显卡
网络浏览器
Windows Internet Explorer 8、9、10或11

*1 需配备DP74摄像头,而且实时HDR功能需要64位操作系统。
*2 要求配备电动Z轴或非Evident电动Z轴的Evident显微镜
*3 即时MIA可能无法与某些摄像头配套使用。
*4 写入和读取所有主要文件格式,可打开Evident的专有格式(DSX、LEXT和POIR文件格式)。
*5 需要事先安装Microsoft Word 2010、2013、2016、2019或Office 365(不提供)。
*6 使用微软的SQL Server Express。
*7 支持BX53M、BX2、IX2、GX、GX53、SZX、SZX2、SZX-ZE、MX、MX63、MX63L、MVX、STM7-CB、CBS、BX3M-CB、BX3M-CBFM、BX-REMCB。
*8 支持LC20、LC30、LC35、DP22、DP23、DP27、DP28、DP73、DP74、SC30、SC50、SC100、SC180、UC30、UC50、UC90、XC10、XC30、XC50、XM10、DP23M。
*9 请联系Evident以获取受支持设备的信息
*10 从Stream 2.5开始,Evident摄像头DP74、DP73和SC180/UC90仅兼容Windows 10/8.1。不再支持Windows 7。
*11 DP74中实时HDR要求的配置。图形卡适用于英伟达公司生产的CUDA(计算能力2.1或更高)。图形卡驱动程序适用于CUDA 9.1或更高版本。

特殊解决方案技术规格

解决方案 兼容性 功能
企业版 桌面版 测量类型
3D 已包含 部分已包含* 3D表面视图、3D测量、3D轮廓测量、电动Z轴堆栈/EFI、带高度图的即时EFI(需要编码或电动Z轴)。
焊缝测量 焊缝测量解决方案(测量在焊接过程中因加热而导致的几何变形)。
计数和测量 提供多种阈值方法(自动、手动HSV、手动和自适应)
系统可自动测量所有分割目标的多个参数(面积、长宽比、等分宽、边界框、重心、ID、质心、强度值、凸度、直径、伸长率、卡尺直径、范围、最近邻距离、方向、周长、半径、形状、球化率等)。单个和分布测量结果使用电子表格和图表记录。
TruAI深度学习技术 采用语义(分割良好对象)或实例(边界相接触对象)分割方法的神经网络训练。

*无法使用与图像采集相关的功能。

材料解决方案技术规格

解决方案 输出 功能
企业版 桌面版 自动报告 单个测量结果的工作簿 所有结果都存储在图像属性中 测量类型 支持的标准
截点法晶粒度 选择图案(圆圈、十字、十字和圆圈、垂直线,水平线、水平和垂直线)

定义检测线的数量,以确定晶粒伸长率

在材料解决方案工具窗口中显示G值
ASTM E112-13(2021), ISO 643:2020, JIS G 0551:2020, JIS G 0552:1998, GOST 5639-82, GB/T 6394-2017, DIN 50601:1985, ASTM E1382-97(2015)
面积法晶粒度 ■*2 自动提取晶界

使用Stream滑块进行用户互动,提高了实用性

材料解决方案工具窗口中显示可直接互动的G值直方图
ASTM E112-13 (2021), ISO 643:2020, JIS G 0551:2020, JIS G 0552:1998, GOST 5639-82, GB/T 6394-2017, DIN 50601:1985, ASTM E1382-97(2015)
非金属夹杂物 使用颜色、形状和尺寸自动探测非金属夹杂物

对氧化物、硫化物、硅酸盐和铝酸盐进行自动分类

实时显示探测到的夹杂物及其评级

整个扫描区域内夹杂物的统计概述
ASTM E45-18a (Methode A), DIN 50602:1985 (Methode M), ISO 4967:2013 (Methode A), GB/T 10561-2005 (Methode A, äquivalent zu ISO 4967), JIS G 0555:2003 (Methode A, äquivalent zu ISO 4967), UNI 3244:1980 (Methode M), EN 10247:2017 (Methoden P und M), EN 10247:2007 (Methoden P und M), ASTM E45-18 (Methode D), ISO 4967:2013 (Methode B), SEP 1571-2017 (Methoden M und K), EN10247:2017 (Methode K).
铸铁 抛光后样品上:自动测量石墨含量的特性(大小、形状和分布)

蚀刻后样品上:测量铁素体-珠光体比率

考虑到样品状态(蚀刻或抛光)的集成式工作流程
EN ISO 945-1:2018, ASTM A247-17,
JIS G 5502:2001, KS D 4302:2006,
GB/T 9441-2009, ISO 16112:2017,
JIS G 5505:2013, NF A04-197:2017,
ASTM E2567-16a (nur für Kugelgraphitbildung)
标准评级图对比 可提供多种显示,包括实时叠加

使用Stream滑块进行用户互动,提高了实用性

计算所选值的统计数据
DIN 50602:1985, ISO 945-1:2019, ISO 643:1983, ISO 643:2012, EN 10247:2017, SEP 1520:1998, SEP 1572:2019, ASTM E112:13(2021), ISO 4505:1978
层厚度 可以使用自动探测、魔杖或手动模式来指定层的边界(使用2个或3个点)

可在以后添加或删除个别测量值

支持任何类型层(具有均匀或不均匀边界)的测量

层厚测量计算平均值、最大值和最小值,以及每个单独层的统计数据
涂层厚度 从俯视图测量印痕

根据样品的几何形状计算涂层厚度
EN 1071-2:2002, VDI 3824: 2001, ISO 26423:2016
枝晶间距 确定铸造铝合金的平均枝晶间距
自动测量 自动测量距离(点到点、点到线、圆到圆、点到圆、线到圆)

自动测量圆的直径(圆度,边界框)

自动测量两条线之间的角度

为测量和视觉验证定义公差值

可获得测量重复性的专家和用户模式
分散能力 对样品上选出的感兴趣点进行手动测量

由操作人员触发的预先定义的点

选择通孔类型,并对分析进行记录

制作报告,并根据手动测量自动计算
多孔性 使用叠加功能根据ROI(感兴趣区域)(三角形、圆形、矩形、多边形或魔杖)探测气孔

孔隙密度、计数和指定区域的测量

最大孔隙的测量

指定尺寸范围的测量
VW 50093/ P6093:2012,
VDG P201-2002, VDG P202-2010,
VDG P211-2010
颗粒分布 使用简化的阈值设置来定义颗粒

根据所选参数(大小、颜色或形状)自动分类

测量ROI(感兴趣区域)和多个阈值

根据用户定义的标准,对验证和编码进行定义
高级相分析 每个ROI(感兴趣区域)(三角形,圆形、矩形或多边形)的相分数

还可以使用魔杖、手绘折线、插值多边形、形态过滤器和图像算术

根据相和ROI(感兴趣区域),测量总的相百分比

可选择的最小面积检测

*2 可输出带有分布信息的Stream Enterprise图表。

资源库

视频

产品资源