Software de gestión de datos Stream Enterprise

El software Stream Enterprise, que integra la gestión de datos, ofrece un flujo de trabajo paso a paso para adquirir imágenes claras y nítidas, listas para llevar a cabo mediciones cuantitativas y generar informes profesionales basados en las más recientes normas.

Stream Enterprise

Descripción

Procesos de inspección rápidos y eficientes

El software de gestión de datos Stream Enterprise ofrece un flujo de trabajo paso a paso para adquirir imágenes claras y nítidas, listas para llevar a cabo mediciones cuantitativas y generar informes profesionales basados en las más recientes normas. Los usuarios de cualquier nivel de experiencia pueden efectuar tareas complejas relativas al análisis de imágenes, desde la adquisición de imágenes a la generación de informes estándar, bajo cualquier condición de procesamiento de imagen. Desarrollado para ofrecer flexibilidad, el software Stream Enterprise dispone de funciones para llevar a cabo sesiones de observación rápidas y precisas en una gran variedad de muestras, al mismo tiempo que preserva la seguridad de los datos y la fiabilidad de las mediciones. Las soluciones opcionales permiten a los usuarios adaptar el software Stream Enterprise a sus aplicaciones: análisis de calidad, investigación y desarrollo, desarrollo de procesos y control de calidad, etc.

https://adobeassets.evidentscientific.com/content/dam/video/videolibrary/videos/Stream_Analysis_Software_480_new_(1).mp4

Captura de imagen y soporte de hardware

Todas las cámaras soportadas (en colores, monocromática, IR, SWIR) están incluidas en el fácil control de cámara del software; éste también captura la información de magnificación y calibración. Adquirir imágenes grandes y en total enfoque es sencillo usando la platina motorizada o la manual.

Soluciones de medición, análisis y procesamiento avanzado de imágenes opcional

El software permite ejecutar una variedad de mediciones geométricas de forma interactiva o mediante las capacidades de análisis y procesamiento avanzado de imágenes. También, es posible llevar a cabo mediciones de conformidad normativa gracias al flujo de trabajo Soluciones de materiales. Ofrece asimismo una variedad de herramientas para diversos análisis en ciencia de los materiales a fin de que usted pueda confiar en sus resultados.

Almacenamiento y uso compartido de datos

Los datos se guardan de forma segura en la red local usando la tecnología cliente-servidor que se basa en el programa Microsoft SQL Server. Los derechos del usuario y la seguridad de los datos pueden incrementarse con el repositorio seguro para archivos.

Documentación

Herramientas de generación de informes potentes que usan el programa Microsoft 365 con una conexión directa a la base de datos.

¡Pruebe gratuitamente Stream Enterprise por 30 días!

Haga clic en «Solicitar una demostración» e indique en la primera casilla que desea una licencia de 30 días.

Interfaz fácil de usar y guía paso a paso

Tecnología inteligente para capturar imágenes nítidas

Smart Technologies for Crisp Image Capture
  • Herramientas para las imágenes en tiempo real
  • Imágenes panorámicas y profundidad focal extendida
  • Almacenamiento y consulta de los parámetros de adquisición

Alta eficiencia en tareas repetitivas

High Efficiency on Repeating Tasks
  • Funcionamiento guiado
  • Análisis cuantitativos
  • Herramientas automáticas para adquirir imágenes con eficiencia
  • Eficiente generación de informes

Cámaras configuradas para la instrumentación Evident

Se integran perfectamente a los microscopios ópticos de Evident.

Seamlessly Integration with Olympus Optical Microscopes
  • Microscopios verticales
  • Microscopios invertidos
  • Microscopios de semiconductor
  • Estereomicroscopios
  • Microscopio láser de medición 3D de la serie LEXT
  • Microscopio digital DSX

Trabajar con las cámaras digitales de Evident

Working with Olympus Digital Cameras
  • Colores auténticos
  • Alta resolución
  • Procesamiento de imágenes en pantalla en tiempo real

Métodos de observación dedicadosMétodos de observación dedicados

Dedicated Observation Methods
  • Procesamiento de imágenes de alto rango dinámico (HDR) para mejorar el contraste de imágenes
  • Exclusivo modo de observación «MIX» que proporciona detalles de muestra a partir del campo claro y el campo oscuro

Resolución de desafíos de inspección

Soluciones para el procesamiento avanzado de imágenes

Advanced Imaging Solutions
  • Solución de recuento y medición
  • Proyección y medición de imagen tridimensional

Soluciones para la metalografía

Solutions for Metallography
  • Dimensionamiento de grano en microestructuras mediante el método de recuento de interceptados
  • Dimensionamiento de granos mediante el Método de planimetría
  • Evaluación de la nodularidad del grafito
  • Clasificación del contenido de inclusión no metálica
  • Comparación de las imágenes de muestra con los estándares de referencia
  • Medición de la distancia entre los brazos de dendrita

Soluciones para la fabricación de maquinaria (industria automotriz/piezas mecanizadas)

Solutions for Machinery Processing (Automotive / Machined Parts Industries)
  • Distorsión de soldadura
  • Medición de fase y región de interés
  • Distribución de partículas

Soluciones para aparatos eléctricos (industria de dispositivos/semiconductores electrónicos)

Solutions for Electronics (Electronic Device / Semiconductor Industries)
  • Medición con poder de penetración
  • Medición automática de dimensiones críticas

Soluciones para revestimientos superficiales y depósitos de recubrimientos (industria de revestimientos)

Solutions for Surface Coatings and Thin Film Deposits (Coating Industries)
  • Evaluación del espesor de revestimientos delgados (método Calotest)
  • Medición del espesor de capas
  • Medición de fracción de poros y de densidad

Compatibilidad del software con Microsoft Office

Tecnología inteligente

Asistencia paso a paso

La dinámica interfaz de usuario reduce el desorden y la confusión del escritorio al mostrar sólo las herramientas y funciones que desea utilizar. Ésta le guía a través de cada paso del proceso: captura de imágenes, procesamiento de imágenes y creación de informes. Tanto las mediciones simples como las complejas pueden llevarse a cabo fácilmente usando las herramientas a carácter intuitivo del software.

Diseños de pantalla simples

Los diseños de pantalla estructurados del software contienen las funciones mínimas necesarias para llevar a cabo las tareas requeridas. Estos diseños de pantalla simplificados permiten agilizar la distribución del trabajo de inspección y guían eficazmente a los usuarios a través del proceso de inspección.

Fast measurements on a live image with just a few clicks of your mouse

Mediciones rápidas en una imagen en vivo con tan solo algunos clics de ratón

Estimating the pore size using live digital reticules (Cross section of die casting)

Estimación del tamaño de poro mediante retículas digitales en directo:
Área seccionada transversalmente de una fundición a presión.

Herramientas para las imágenes en vivo

El software es compatible con funciones de imagen en tiempo real para una retroalimentación instantánea. Asimismo, permite interactuar con la imagen en tiempo real, que se calibra automáticamente, y realizar mediciones cuantitativas.

Rápidas imágenes panorámicas y profundidad focal extendida

Cree rápidamente imágenes de muestras que se extiendan más allá de la profundidad focal estándar o del campo de visión. La función de imagen focal extendida (EFI) instantánea emplea un ajuste de enfoque fino para combinar varias imágenes tomadas desde diferentes niveles Z con el fin de crear una única imagen combinada que esté completamente enfocada. La alineación instantánea de múltiples imágenes (MIA) facilita la creación de imágenes panorámicas simplemente moviendo la platina XY; a los efectos de esta, ya no es necesaria una platina motorizada.

Instant EFI image of crystal: fully focused image is created even in low-contrast sample areas

Imagen instantánea EFI del cristal: Una imagen completamente enfocada puede crearse incluso en áreas de muestra de bajo contraste.

Instant MIA image of a coin

Imagen instantánea de una moneda tratada con la función MIA.

Recuperación de la configuración de adquisición

Recupere rápidamente las configuraciones de la cámara utilizadas anteriormente para capturar imágenes repetibles con un aspecto y textura uniformes. Al usar esta función con un microscopio motorizado, es posible recuperar automáticamente los ajustes anteriores de la instrumentación (hardware). En caso de utilizar un microscopio de las series BX, GX o MX, el software le guiará para que recupere la configuración manualmente.

Se emplean diferentes ajustes por distintos operadores
Different operators use different settings
Se verifican los ajustes adecuados con facilidad
Easily verify the correct settings
Se sincronizan los ajustes de observación
Synchronize observation settings
Los ajustes son los mismos independientemente del usuario.
Regardless of different operators, the settings are the same

3D profilometry of wear track

Perfilometría 3D de seguimiento de desgaste

Solución 3D

Esta solución crea mapas de altura a partir de grupos de imágenes adquiridas de forma manual o automática con diferentes posiciones del eje Z. La imagen generada puede ser visualizada en tres dimensiones utilizando la vista superficial. Es posible ejecutar mediciones, como perfiles 3D y diferencias de altura entre dos o varios puntos y los resultados pueden ser exportados a libros de trabajo y hojas de cálculo de Microsoft Excel.

Funcionamiento guiado para análisis específicos

El software le guía a través del orden correcto de las funciones al efectuar el análisis de imágenes, incluyendo los métodos que cumplen con las normas internacionales más comunes. Al usar una platina motorizada, la función de alineación permite agilizar su trabajo en varias ubicaciones de una muestra.

Más información

Guided Operation for Specific Analyses
Automatic Calibration

Calibración automática

La función de calibración automática usa un micrómetro de serie para calibrar el microscopio y generar un informe de calibración. Esto ayuda a eliminar la variabilidad entre los usuarios durante el proceso de calibración a fin de obtener medidas precisas.

Herramientas de inspección automatizadas

Las herramientas automatizadas del software pueden crear un gran conjunto de datos en pocos minutos. La calibración automática de la magnificación, mediante una retícula de gradillas calibrada, garantiza que las imágenes se visualicen con la barra de escala adecuada y se confirmen sus mediciones. Las áreas grandes pueden ser visualizadas de forma automática usando platinas XYZ motorizadas, lo que permite la creación de imágenes de piezas grandes con alta resolución.

Sharp and high-contrast MIA image of integrated circuit (IC) pattern (dark field observation with 20X objective lens)

Imagen nítida y de alto contraste por MIA del patrón de circuito integrado (IC) [observación de campo oscuro con lente del objetivo 20X].

Información cuantitativa que importa

Las herramientas de software ofrecen información cuantitativa sobre su muestra. Las mediciones interactivas en imágenes fijas y en tiempo real proporcionan la información dimensional básica (longitud, área y diámetro), y los resultados pueden verse directamente en la imagen.

Las mediciones interactivas avanzadas integran la varita mágica y las formas poligonales complejas para medir áreas de forma semiautomática, mientras que la solución de Recuento y medición [Count and Measure] proporciona acceso a más de cientos de parámetros individuales para los análisis cuantitativos basados en el método de umbral.

Basic measurement (supra conductor)

Medición básica (supraconductor)

Magic wand (supra conductor)

Varita mágica (supraconductor)

Object detection (supra conductor)

Detección de objetos (supraconductor)

Eficiente generación de informes

Generar un informe a menudo requiere más tiempo que la captura de una imagen o la ejecución de las mediciones. Con el software, usted puede generar informes inteligentes y sofisticados basados en plantillas predefinidas de forma repetida. Los informes pueden ser modificados fácilmente para, después, ser exportados a Microsoft Word, Excel o PowerPoint. Además, la herramienta de informes del software permite el zoom digital y la amplificación de las imágenes adquiridas. Asimismo, el tamaño de los informes es razonable para su fácil distribución por correo electrónico.

Professional report that summarizes particle counting data

Informe de tipo profesional que resume los datos de recuento de partículas

Gestión de datos integrada

El software de gestión de datos Stream Enterprise habilita una distribución del trabajo con grandes cantidades de datos y varios usuarios que puede ejecutarse con un alto nivel de seguridad.

Derechos de usuario

Existen cuatro niveles de derechos de usuario: administrator (administrador), power user (usuario preferencial), user (usuario simple) y guest (invitado). Cada uno de ellos puede ser modificado para obtener más flexibilidad. Por otra parte, es posible asignar derechos de acceso en cada proyecto o registro de datos para definir personas individuales o miembros de un grupo. La autenticación es posible en el procedimiento de conexión SQL, cuando se inicia el software Stream Enterprise o por medio de la integración a un directorio activo existente y protocolo para acceder a servicios de directorio en línea (LDAP, sigla en inglés) a fin de proporcionar capacidades de autenticación única (SSO, sigla en inglés).

Repositorio seguro para archivos

Para proporcionar una seguridad de datos adicional, el software Stream Enterprise ofrece el paquete opcional de repositorio seguro para archivos (SFR, sigla en inglés). A modo de protección de seguridad suplementaria, la SFR trabaja con el software Stream Enterprise para manejar las solicitudes de archivos en función del permiso que posee cada usuario; aquellos usuarios que no cuentan con un permiso no podrán ver en su directorio de archivos el archivo que abren.

Integración

El software Stream Enterprise puede ser configurado para comunicar directamente con los sistemas existentes de gestión de órdenes y planificación, como LIMS, ERP y CRM. Para ofrecer flexibilidad, e l software dispone de interfaces integradas dedicadas a los protocolos de comunicación digital, como el modelo de objetos componentes (COM, sigla en inglés) y la conectividad abierta a bases de datos (ODBC), que facilitan mucho más la interconexión con otros programas. La función de interfaz de programación de aplicaciones (API) también ha sido agregada para que se puedan usar los procesos Stream Enterprise con otros programas.

Acceso a la base de datos existente

Los registros existentes, provenientes de otras bases de datos, pueden ser importados al Stream Enterprise junto con todos los datos y metadatos relevantes organizados adecuadamente. Asimismo, es posible usar algunas fuentes de datos existentes sin necesidad de importarlas (acceso de sólo lectura).

Su sistema

Personalice su paquete de software

El software de gestión de datos Stream Enterprise, destinado a nuestros microscopios, es una herramienta de medición potente y fácil de usar. No hay necesidad de registrar manualmente los parámetros ópticos de los objetivos UIS2 cuando son usados con un microscopio convencional. Asimismo, no es necesaria la calibración de magnificación cuando se importan imágenes a partir de los microscopios DSX y LEXT. El software está disponible desde una versión básica [Entry] hasta paquetes más avanzados.

Paquetes OLYMPUS Stream

El software Stream está disponible en cuatro paquetes basados en las funcionalidades: Start, Basic, Essentials y Motion.
Pueden añadirse módulos de soluciones de materiales específicos para cada aplicación a fin de agilizar las tareas de análisis repetitivo. Los representantes de Evident pueden ayudarle a determinar qué paquete es el adecuado para usted.

Más información

Integración perfecta en la mayoría de los microscopios ópticos de Evident

Microscopios verticales de control

BX53M microscope and software system

Microscopio y sistema de software BX53M

El microscopio BX53M emplea funciones codificadas que integran los parámetros de hardware del microscopio con el software de gestión de datos Stream Enterprise. El método de observación, la intensidad de la iluminación y la posición del objetivo son registrados por el software o el teléfono. Los ajustes del microscopio pueden guardarse de forma automática con cada imagen, lo que facilita la reproducción de los parámetros en un momento posterior y proporciona documentación para la elaboración de informes.

Visualice nuestros microscopios verticales

Microscopios invertidos de control

GX53 microscope and software system

Microscopio GX53 y sistema de software

Nuestras cámaras digitales proporcionan una visualización de alta resolución y una rápida transferencia de imágenes, mientras que nuestro software proporciona todas las herramientas necesarias para los complejos requisitos metalúrgicos de hoy en día.
Elija entre mediciones extendidas, metalografía estándar y módulos avanzados específicos de la aplicación de metalografía (más de una docena de rutinas específicas de aplicación están disponibles); complete automáticamente los datos, y cree informes que cumplan con las especificaciones comunes de ASTM e ISO.

Microscopios semiconductores de control

Integrated microscope and software system

Microscopio integrado y sistema de software

Ofrecemos varias plataformas de software que se integran a nuestros estativos de microscopios semiconductores para controlar todas las funciones motorizadas, incluyendo la cámara digital y la platina motorizada. Cada interfaz está diseñada para la inspección y el control básico, el análisis avanzado de imágenes, o la inspección repetitiva del sitio y la revisión de defectos.

Visualice nuestros microscopios semiconductores

Estereomicroscopios de control

SZX16 microscope and software system

SZX16 microscope and software system

Our stereo microscope motorized focus drive makes digital documentation with extended focal imaging (EFI) efficient and fully automatic. This even enables the creation of pseudo 3D images. The software offers tools for simple 2D measurements up to complex phase analysis and support many operations including observation, report generation, database creation, and archiving.

View our stereo microscopes

Mejore la potencia de los microscopios confocales y digitales de Evident

Utilice el software de gestión de datos Stream Enterprise para el posprocesamiento (Stream Enterprise Desktop) con la gama completa de microscopios digitales de la serie DSX y el microscopio láser de medición LEXT 3D.

LEXT 3D measuring laser microscope

Microscopio láser de medición 3D de la serie LEXT

DSX digital microscope series

Serie de microscopios digitales DSX

Visualice el microscopio láser de medición LEXT 3D
Visualice el microscopio digital DSX

Compatible con la mayoría de las cámaras digitales Evident

Resolución y fidelidad de color

The low-noise, high-resolution images of a 9-megapixel sensor enable the user to zoom deep into the sample, revealing its structures (sandstone)

Las imágenes de bajo ruido y alta resolución de un sensor de 9 megapíxeles permiten al usuario hacer zoom en la muestra para revelar sus estructuras (arenisca).

La excelente resolución espacial combinada con un alto número de píxeles aprovecha la resolución óptica completa de los objetivos y permite visualizar las estructuras y detalles de las muestras más pequeñas, incluso con objetivos de bajo aumento. Las imágenes de alta resolución permiten llevar a cabo las observaciones exclusivamente en la pantalla sin necesidad de usar oculares.

Revele más con el infrarrojo (IR)

Brightfield image 5x taken with the DP23M monochrome camera, a. Brightfield image 5x b.) IR image 5x (BP1100 nm filter), c.) Cropped detail 20x IR, d.) Cropped detail 20x IR with DCE filtering

Imagen de campo claro de 5x, adquirida con la cámara monocromática DP23M.
a. Imagen de campo claro en 5x.
b.) Imagen IR en 5x (filtro de BP1100 nm).
c.) Detalles recortados en 20x bajo IR.
d.) Detalles recortados en 20x bajo IR con filtro DCE.

El modo de procesamiento de imágenes en infrarrojo es un control fundamental para los laboratorios de control de calidad e I+D. El modo IR permite la inspección no destructiva a través de las capas de silicio de los productos envasados durante la fase final de fabricación.

Visualice nuestras cámaras digitales

Métodos de observación dedicados a la ciencia de los materiales

Procesamiento de imágenes HDR para mejorar el contraste

El procesamiento de imágenes de alto rango dinámico (HDR) mejora el contraste de la imagen en condiciones difíciles (áreas muy brillantes junto con áreas muy oscuras en la misma imagen). Todas las cámaras compatibles con el software de gestión de datos Stream Enterprise pueden usarse en este modo, y las cámaras dedicadas tienen un modo de video disponible en directo.

Clearly exposed for both dark and bright parts by HDR (Sample: fuel injector bulb)

Claramente expuesto tanto para las partes oscuras como para las brillantes por el HDR (muestra: bombilla del inyector de combustible)

Contrast enhancement by HDR (Sample: Sliced magnesite)

Mejoramiento del contraste por HDR (muestra: magnesita cortada)

Observación MIX (combinada) para visualizar la estructura superficial de la muestra

Software compatible con nuestra observación MIX

Esta técnica de iluminación combina el campo oscuro direccional, que usa un LED circular para iluminar uno o más cuadrantes en un momento dado, y el campo brillante, la fluorescencia o la polarización, lo que permite destacar defectos y diferenciar las superficies elevadas de las depresiones que normalmente son difíciles de ver con los microscopios convencionales. La observación MIX ayuda a reducir el halo de la muestra y es útil para visualizar la textura de la superficie de la muestra.

Conventional: brightfield shines the light straight down on the sample while traditional darkfield highlights scratches and imperfections on a flat surface by illuminating the sample from the side of the objective

Convencional: El campo claro ilumina la muestra directamente hacia abajo, mientras que el campo oscuro tradicional resalta los arañazos e imperfecciones en una superficie plana iluminando la muestra desde el lado del objetivo.

Conventional: brightfield shines the light straight down on the sample while traditional darkfield highlights scratches and imperfections on a flat surface by illuminating the sample from the side of the objective

Convencional: El campo claro ilumina la muestra directamente hacia abajo, mientras que el campo oscuro tradicional resalta los arañazos e imperfecciones en una superficie plana iluminando la muestra desde el lado del objetivo.

Advanced: MIX is a combination of brightfield and directional darkfield from a ring of LEDs; the LEDs can be adjusted to select which direction to illuminate from

Avanzado: MIX es una combinación de campo claro
y campo oscuro direccional producida por un anillo de LED;
los LED pueden ser ajustados para seleccionar
la dirección desde la cual hay que iluminar.

Soluciones

Resolución de desafíos de inspección

Los laboratorios industriales a menudo requieren resultados repetibles y reproducibles como parte de sus procedimientos operativos estándar. El software de gestión de datos Stream Enterprise facilita la inspección, medición y análisis con un proceso de trabajo sencillo y fiable. Ofrece asimismo una variedad de herramientas para diversos análisis en ciencia de los materiales a fin de que usted pueda confiar en sus resultados.

Evident industrial microscopes support metallurgical analysis solutions

Los microscopios industriales de Evident son compatibles con soluciones para análisis metalúrgicos.

Solución de Recuento y medición

La solución de Recuento y medición [Count and Measure] del software utiliza métodos de umbral avanzados para separar de forma fiable los objetos, como partículas y arañazos, del fondo. Existen más de 50 parámetros de medición y clasificación disponibles para diferentes objetos que cubren propiedades de forma, tamaño, posición y píxeles.

Conventional software Unclear grain boundaries

Software convencional
Límites de grano imprecisos

Etched steel microstructure (original image)

Microestructuras de acero grabada
(imagen original)

Stream Enterprise Grain boundaries are clearly detected

Stream Enterprise
Límites de grano que son detectados con claridad

Grain classification results

Resultados de clasificación de granos

Análisis eficaces

Example of Macro Manager set up for Count and Measure

Ejemplo de la configuración del administrador de macros para el recuento y la medición

Es posible preconfigurar tareas complejas de procesamiento de imágenes y medición con el administrador de macros y, a continuación, ejecutarlo con un solo clic.

Potentes filtros de imagen

Enhanced contrast using the DCE filter (dendrite in an aluminum casting)

Contraste mejorado con el filtro DCE: Dendrita en fundición de aluminio

El software tiene una variedad de filtros útiles para la detección de bordes, suavizado y otros propósitos.

Tecnología de aprendizaje profundo TruAI™

La segmentación de imágenes, que aplica los métodos de umbral convencionales y depende del brillo o el color, puede perder información u objetivos críticos en las muestras. La solución TruAI del software de gestión de datos Stream Enterprise ofrece un enfoque de segmentación más preciso gracias a la tecnología de aprendizaje profundo que viabiliza un análisis sólido y óptimamente reproducible, como la segmentación de instancias destinada a dividir una imagen en instancias individuales de un objeto.

Más información sobre el aprendizaje profundo TruAI

Imagen original de cenizas volantes de carbón de tonalidades marrones (izquierda) con el software OLYMPUS Stream/PRECiV; segmentación de imágenes por los métodos convencionales de valor de umbral (derecha).

Imagen original de cenizas volantes de carbón de tonalidades marrones (izquierda) con el software OLYMPUS Stream/PRECiV; segmentación de imágenes por aprendizaje profundo (derecha).

Medición 3D y perfil de línea

La solución 3D del software de gestión de datos Stream Enterprise proporciona un control Z codificado y motorizado y una EFI instantánea con capacidades de mapeo de altura para medir muestras tridimensionales.

3D surface view (Roughness test sample)

Vista superficial 3D (muestra en ensayo de rugosidad)

Single view and 3D profile measurement

Vista simple y medida de perfil 3D

Solutions for Metallography

La metalografía es empleada en el desarrollo de materiales, la inspección de materiales entrantes, el control de fabricación y la evaluación de defectos.

  • Dimensionamiento de granos en una microestructura mediante el método de recuento de intersección
  • Dimensionamiento de granos mediante el método de planimetría
  • Evaluación de la nodularidad del grafito
  • Clasificación del contenido de inclusiones no metálicas en acero de alta pureza
  • Comparación de las imágenes de muestra con estándares de referencia
  • Medición automática o manual de la distancia entre los brazos de dendrita

Soluciones para la fabricación de maquinaria (industria automotriz/piezas mecanizadas)

Solutions for Machinery Processing (Automotive / Machined Parts Industries)

Con el fin de producir piezas de alta calidad, los rasguños, las grietas, el tamaño de los poros y las impurezas son monitorizadas rigurosamente durante el proceso de fabricación.

  • Distorsión de soldadura
  • Medición de fase y áreas de interés (ROI)
  • Distribución de partículas

Soluciones para aparatos eléctricos (industria de dispositivos/semiconductores electrónicos)

Solutions for Electronics (Electronic Device / Semiconductor Industries)

En las placas de circuitos impresos, se recubren láminas muy delgadas y la verificación de la homogeneidad de este recubrimiento es un elemento clave de la calidad del producto.

  • Medición con poder de penetración
  • Medición automática de dimensiones críticas

Soluciones para revestimientos superficiales y depósitos de recubrimientos (industria de revestimientos)

Solutions for Surface Coatings and Thin Film Deposits (Coating Industries)

Los revestimientos o recubrimientos superficiales son el resultado de mezclas de materiales filmógenos que presentan pigmentos, disolventes u otros aditivos que, al ser aplicados a una superficie y tratados conforme al proceso de secado y endurecimiento, producen una fina película funcional y a menudo decorativa.

  • Evaluación del espesor de revestimientos delgados (método Calotest)
  • Medición del espesor de capas
  • Medición de fracción de poros y de densidad

Soluciones de procesos de trabajo personalizados

Particle detection

Nuestro equipo de personalización crea flujos de trabajo personalizados en el software de gestión de datos Stream Enterprise para contextos aplicativos específicos. El proceso operativo del software es configurado de acuerdo con sus requisitos para que pueda superar rápidamente los desafíos y lograr los objetivos de sus inspecciones microscópicas industriales.

Obtenga más información sobre las soluciones de flujos de trabajo personalizados

Soluciones para materiales empleados en diversas aplicaciones

Soluciones
Descripción
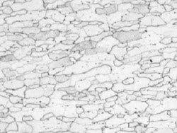
Segmento interceptado de grano
Los fabricantes de acero emplean esta solución para medir y controlar el tamaño de los granos después de haber efectuado el trazado seccionado, pulido y grabado en muestras de acero.
Esta función se basa en la superposición de las «líneas de ensayo» y en el recuento de sus intersecciones con los límites de grano.
Planimetría de granos
Los fabricantes de acero emplean esta solución para medir y controlar el tamaño de los granos después de haber efectuado el trazado seccionado, pulido y grabado en muestras de acero.
Esta función reconstruye los límites de cada grano y dimensiona el grano con el porcentaje de área de la segunda fase.
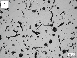
Inclusiones no metálicas
Los fabricantes de acero emplean esta función para medir y controlar la forma y el tamaño de las inclusiones no metálicas (óxido, alúmina, sulfuro o silicato) en el acero.
Fundición de hierro
Los fabricantes de piezas de fundición emplean esta solución para medir y controlar la nodularidad del grafito y verificar las características mecánicas de sus productos de fundición.
Comparación de diagramas
Es posible superponer una imagen en tiempo real o fija sobre diagramas estándares para compararlos. El software también ofrece la función de vista preliminar.
Distancia entre los brazos de dentrita
Esta solución se usa para determinar de forma manual o automática la distancia media entre los brazos de dendrita en la fundición de aluminio.
Espesor de capa
La capa o las múltiples capas de una muestra seccionada pueden ser medidas mediante la solución Layer Thickness [Espesor de capa]. Las formas son determinadas y las capas son medidas de forma automática.
Espesor de revestimiento
Esta solución permite medir el espesor de revestimientos a partir de imágenes de vista superior con el método Calotest.
Mediciones automáticas
Esta solución sirve para crear mediciones basadas en la detección de límites dentro de una imagen en tiempo real con reconocimiento de patrón.
Poder de penetración
Esta solución mide la distribución del espesor del chapado/bañado de cobre en agujeros pasantes o micro pistas (o micro vías).
Porosidad
Esta solución permite medir los poros —ya sea para la fracción de área o la cantidad de poros superficiales— mediante las áreas de interés [ROI] (circulares, triangulares, rectangulares y polígonos) y los umbrales.
Distribución de partículas
Esta solución sirve para crear los histogramas y las tablas de distribución para el tamaño de las partículas a partir de una serie de imágenes o de múltiples imágenes.
Análisis de fase avanzado
Esta solución ofrece una nueva opción integrada para efectuar análisis de fase en una selección de varias áreas de interés (ROI) que incluyen triángulos, círculos, rectángulos y polígonos.
Soluciones Metal/Fundición Automoción Vidrio/Cerámica Revestimientos (recubrimientos) Bienes de consumo Dispositivos electrónicos
Segmento interceptado de grano
Planimetría de granos
Campo de peor inclusión
Fundición de hierro
Comparación de diagramas
Espesor de capa
Espesor de revestimiento
Mediciones automáticas
Poder de penetración
Porosidad
Distribución de partículas
Soluciones Semiconductores Líquidos y aceites Piezas mecanizadas Carbón/
Materiales compuestos
Productos químicos/
Plástico/
Caucho
Investigación
industrial y
científica
Segmento interceptado de grano
Planimetría de granos
Campo de peor inclusión
Fundición de hierro
Comparación de diagramas
Espesor de capa
Espesor de revestimiento
Mediciones automáticas
Poder de penetración
Porosidad
Distribución de partículas
Análisis de fase avanzado

Especificaciones

Especificaciones principales de licencia

Enterprise Desktop [Escritorio]
Adquisición de imágenes Adquisición básica de imágenes que incluye el procesamiento HDR, la calibración automática de magnificación y el procesamiento Live HDR*1, como también la navegación de posición*1
Software de autoenfoque*2 y adquisición de movimiento (formato .avi)
Intervalo de tiempo. EFI instantánea y MIA instantánea/manual*3
EFI/MIA motorizada y adquisición por capas en Z
Herramientas de imagen y personalización Ventanas de herramientas básicas (historia de imagen, propiedades, navegador, ventana de herramientas de vista de galería)*4
Anotaciones (notas); administración de capas; barra de escala; cuadrícula; visualización de sello de información, y filtros de imagen.
Retícula/cuadrícula digital; visualización de perfil de línea; mi función; administrador de diseños de pantalla; administrador de macros
Mediciones y análisis de imágenes Es posible efectuar mediciones interactivas (de la distancia, ángulos, rectángulos, círculos, elipsis, polígonos, distancia círculo a círculo, regla de ángulo y regla lineal) y exportar los datos adquiridos a MS-Excel.
Análisis de fase; varita mágica; polilínea a mano libre; polígono interpolado; filtro de morfología, y aritmética de imagen
Mediciones 3D; mediciones de perfil 3D, y vista de superficie 3D
Informes*5 Generación de informes (formatos MS-Word y MS-Excel)
Creación de presentación
Administración de datos Sistema de gestión de datos cliente/servidor dedicado a un número ilimitado de usuarios de base de datos de forma simultánea**6
Administración de imágenes y otros documentos en función de usuario/proyecto
Derechos de usuario variables para imágenes y datos
Acceso de datos rápido y controlable
Funciones de búsqueda de alto rendimiento
Sistemas de gestión de base de datos compatibles: Microsoft SQL Server 2008 R2/R2 Express, Microsoft SQL Server 2012 (SP1 y SP2)/Express (SP1 y SP2), Microsoft SQL Server 2014/Express, Microsoft SQL Server 2017/Express, Microsoft SQL Server 2019/Express, Oracle 11g R2/express, Oracle 12g R2/Express
Servicio sofisticado para asegurar el almacenamiento gracias a la tecnología de repositorio de archivo seguro (SFR)
Soporte de dispositivos Microscopios Evident**7 y cámaras Evident*8
Cámaras de otros proveedores y convertidores de fuente de imagen*9
Controladores de platinas de otros proveedores*9
Requisitos de PC
CPU
Intel® Core i5, Intel® Core i7, Intel® Xeon
RAM / Disco duro / Dispositivo DVD
4 GB o más (8 GB recomendados) / 2.4 GB más de espacio libre / DVD+R DL compatible
OS*10
Windows 10 Pro (64 bits), Windows 8.1 (64 bits) Pro
.NET Framework
Versión 4.6.2 o superior
Tarjeta gráfica*11
1280 × 1024 de resolución de monitor con tarjeta de video de 32 bits
Navegador de web
Windows Internet Explorer 8, 9, 10 u 11

*1 Requiere la cámara DP74. La función Live HDR requiere un sistema operativo de 64 bits.
*2 Requiere el microscopio Evident con el eje Z motorizado o el eje Z motorizado externo.
*3 Puede que la función MIA instantánea no funcione adecuadamente con algunas cámaras
*4 Capacidad de escritura y lectura de los principales formatos de archivo y los formatos de archivo abiertos de propiedad de Evident (formatos de archivo DSX, LEXT y POIR)
*5 Requiere la instalación previa de Microsoft Word 2010, 2013, 2016, 2019 u Office 365 (no es proporcionada).
*6 Con el programa Microsoft SQL Server Express
*7 Compatible con BX53M, BX2, IX2, GX, GX53, SZX, SZX2, SZX-ZE, MX, MX63, MX63L, MVX, STM7-CB, CBS, BX3M-CB, BX3M-CBFM y BX-REMCB.
*8 Compatible con LC20, LC30, LC35, DP22, DP23, DP27, DP28, DP73, DP74, SC30, SC50, SC100, SC180, UC30, UC50, UC90, XC10, XC30, XC50, XM10 y DP23M.
*9 Póngase en contacto con Evident para obtener información sobre los dispositivos compatibles
*10 A partir de la versión Stream 2.5, las cámaras DP74, DP73 y SC180/UC90 de Evident solo son compatibles con Windows 10/8.1. Windows 7 ya no es compatible.
*11 Configuraciones requeridas para la función Live HDR en el DP74. Tarjeta gráfica aplicable a CUDA fabricada por NVIDIA (capacidad de cálculo 2.1 o superior). Controlador de tarjeta gráfica aplicable a CUDA 9.1 o superior.

Especificaciones de las soluciones especiales

Soluciones Compatibilidad Funciones
Enterprise Desktop [Escritorio] Tipo de medición
3D Incluido Incluido parcialmente* Vista superficial 3D; medición 3D; medición de perfil 3D; apilamiento en Z/EFI motorizados, EFI instantánea con mapa de altura (requiere eje Z codificado o motorizado).
Medición de la soldadura Solución para la medición de soldaduras (mediciones para la distorsión geométrica introducida térmicamente durante la soldadura).
Recuento y medición Hay disponibles varios métodos de umbral (automático, HSV manual, manual y adaptable).
El software puede medir automáticamente múltiples parámetros en todos los objetos segmentados (p. ej., Área, Índice de aspecto, Bisector, Cuadro de delineado, Centro de gravedad, DI [diámetro externo], Centro de masa, Valores de intensidad, Convexidad, Diámetros, Elongación, Feret, Extensión/Aumento, Prox. distancia cercana, Orientación, Perímetro, Radio, Forma, Esfericidad, Hojas de cálculo y gráficos con mediciones individuales y de distribución.
Tecnología de aprendizaje profundo TruAI™ Formación de redes neurales por métodos de segmentación semántica (objetos bien separados) o de instancias (objetos cuyos bordes se tocan).

* No es posible usar las funciones relacionadas con la adquisición de imágenes

Especificaciones de las soluciones para materiales

Soluciones Salida Funciones
Enterprise Desktop [Escritorio] Informe automático Libro con medidas Almacenamiento de todos los resultados en las propiedades de imagen Tipo de medición Normas aceptadas
Segmento interceptado de grano Selección de patrones (círculos, línea transversal, línea transversal y círculos, líneas verticales, líneas horizontales, líneas horizontales y verticales).

Definición de la cantidad de líneas de ensayo para especificar la elongación (alargamiento) del grano.

Muestra el valor G en la ventana de herramientas de solución para el material
ASTM E112-13(2021), ISO 643:2020, JIS G 0551:2020, JIS G 0552:1998, GOST 5639-82, GB/T 6394-2017, DIN 50601:1985, ASTM E1382-97(2015)
Planimetría de granos ■*2 Extracción automática de los límites de grano.

Interacción del usuario con el control deslizante Stream para mayor practicidad.

Muestra el histograma de valor G en la ventana de herramientas de solución para el material lo que permite una interacción directa.
ASTM E112-13 (2021), ISO 643:2020, JIS G 0551:2020, JIS G 0552:1998, GOST 5639-82, GB/T 6394-2017, DIN 50601:1985, ASTM E1382-97(2015)
Inclusiones no metálicas Detección automática de inclusiones no metálicas usando colores, formas y tamaños.

Clasificación automática de óxidos, sulfuros, silicatos y aluminatos.

Visualización en tiempo real de la inclusión detectada con su clasificación.

Vista estadística general de las inclusiones en la completa área de escaneo.
ASTM E45-18a (método A), DIN 50602:1985 (método M), ISO 4967:2013 (método A), GB/T 10561-2005 (método A, equivalente a ISO 4967), JIS G 0555:2003 (método A, equivalente a ISO 4967), UNI 3244:1980 (método M), EN 10247: 2017 (métodos P y M), EN 10247:2007 (métodos P y M), ASTM E45-18 (método D), ISO 4967:2013 (método B), SEP 1571-2017 (métodos M y K), EN10247:2017 (método K).
Fundición de hierro En muestras pulidas: mide automáticamente las características del contenido de grafito (tamaño, forma y distribución).

En muestras grabadas: mide la relación entre ferrita-perlita

Programa de trabajo integrado que considera el estado de la muestra (grabada o pulida).
EN ISO 945-1:2018, ASTM A247-17,
JIS G 5502:2001, KS D 4302:2006,
GB/T 9441-2009, ISO 16112:2017,
JIS G 5505:2013, NF A04-197:2017,
ASTM E2567-16a (solo para nodularidad)
Comparación de diagramas Disponibilidad de múltiples pantallas que incluyen la superposición en tiempo real.

Interacción del usuario con el control deslizante Stream para mayor practicidad.

Estadísticas calculadas mediante los valores seleccionados.
DIN 50602:1985, ISO 945-1:2019, ISO 643:1983, ISO 643:2012, EN 10247:2017, SEP 1520:1998, SEP 1572:2019, ASTM E112:13(2021), ISO 4505:1978
Espesor de capa Los límites de las capas pueden ser determinados mediante las herramientas de Detección automática, Varita mágica o el modo manual (con 2 o 3 puntos).

Es posible agregar o borrar posteriormente mediciones individuales.

Las mediciones de cualquier tipo de capa (con límites regulares o irregulares) son soportadas.

Durante la medición de espesor de las capas, se calcula los valores mínimo, máximo y medio, como también, los datos estadísticos para cada capa.
Espesor de revestimiento Los grabados son medidos desde la vista superior.

El cálculo de espesor del revestimiento se efectúa según la geometría de la muestra.
EN 1071-2:2002, VDI 3824: 2001, ISO 26423:2016
Distancia entre los brazos de dentrita Determina la separación de los brazos de la dendrita en las aleaciones de fundición de aluminio.
Mediciones automáticas Mide automáticamente las distancias (de punto a punto, de punto a línea, de círculo a círculo, de punto a círculo, de línea a círculo).

Mide automáticamente el diámetro circular (redondez, cuadro de delineado).

Mide automáticamente los ángulos entre dos líneas.

Define los valores de tolerancia para la medición y la validación/aprobación visual.

Ofrece el modo Expert [Experto] y User [Usuario] para mediciones repetibles.
Poder de penetración Permite efectuar mediciones manuales de puntos seleccionados de la muestra.

Permite predeterminar los puntos que el operador desea accionar.

Permite seleccionar el tipo de modelo y la documentación de un análisis.

Genera el informe y ejecuta el cálculo automático conforme a las mediciones manuales.
Porosidad La detección de poros se efectúa por área de interés (triángulo, círculo, rectángulo, polígono o varita mágica) con capacidades de superposición.

Permite medir la densidad del poro y ejecutar el recuento de un área específica.

Permite medir poros más grandes.

Permite medir un rango de tamaño específico.
VW 50093/ P6093:2012,
VDG P201-2002, VDG P202-2010,
VDG P211-2010
Distribución de partículas Las partículas son determinadas mediante los ajustes de umbral simplificados.

La clasificación automática se efectúa según los parámetros seleccionados (tamaño, color o forma).

Permite medir las áreas de interés con múltiples umbrales.

Permite definir la validación y códigos según las normas definidas por el usuario.
Análisis de fase avanzado Fracción de fase por área de interés (triángulo, círculo, rectángulo o polígono).

Es posible emplear las funciones: Varita mágica, Polilínea a mano libre, Polígono interpolado, Filtro morfológico y Aritmética de imagen.

Es posible obtener la medida del porcentaje de fase total por fase y por área de interés [ROI].

Detección de área mínima seleccionada

*2 Diagrama Stream Enterprise que puede ser obtenido con la distribución.

Material didáctico

Blog

Videos

Recursos del producto