Software di gestione dati Stream Enterprise

Il software di gestione dati Stream Enterprise permette di realizzare degli efficienti flussi di lavoro passo a passo per acquisire nitide e definite immagini, pronte per delle misure quantitative e delle presentazioni di risultati professionali basate sulle più recenti norme. Utenti con qualunque grado di esperienza possono realizzare delle complesse operazioni di analisi delle immagini, dall'acquisizione delle immagini alla presentazione standard dei risultati, in qualunque condizione di imaging.

  • Product Availability: This product has been discontinued check out our current product

Stream Enterprise

Panoramica

Veloci e efficienti flussi di lavoro di ispezione

Il software di gestione dati Stream Enterprise permette di realizzare degli efficienti flussi di lavoro passo a passo per acquisire nitide e definite immagini, pronte per delle misure quantitative e delle presentazioni di risultati professionali basate sulle più recenti norme. Utenti con qualunque grado di esperienza possono realizzare delle complesse operazioni di analisi delle immagini, dall'acquisizione delle immagini alla presentazione standard dei risultati, in qualunque condizione di imaging.

Progettato per essere flessibile, il software Stream Enterprise integra delle funzioni per effettuare delle veloci e precise sessioni di osservazione su un'ampia varietà di campioni, garantendo la sicurezza dei dati e l'affidabilità delle misure.

Soluzioni opzionali permettono agli utenti di adattare il software Stream Enterprise alla propria applicazione, tra cui: analisi della qualità, ricerca-sviluppo, sviluppo dei processi e controllo qualità.

https://adobeassets.evidentscientific.com/content/dam/video/videolibrary/videos/Stream_Analysis_Software_480_new_(1).mp4

Acquisizione di immagini e supporto hardware

Tutte le fotocamere supportate (colori, monocromatiche, IR e SWIR) sono integrate nel sistema di controllo della fotocamera di facile uso del software, il quale acquisisce inoltre le informazioni di ingrandimento e taratura. L'acquisizione di ampie immagini completamente a fuoco è facile mediante un tavolino manuale o motorizzato.

Misura, analisi delle immagini e soluzioni di imaging avanzate opzionali

Il software permette di effettuare numerose misure geometriche interattivamente o con funzionalità avanzate di elaborazione e analisi delle immagini. Misure conformi alle norme possono inoltre essere prodotte mediante il flusso di lavoro Material Solutions. Il software offre diversi strumenti per varie analisi nel campo delle scienze dei materiali, così da poter ottenere dei risultati affidabili.

Archiviazione e condivisione dei dati

I dati sono archiviati in sicurezza nella rete locale mediante la tecnologia con server client basata su Microsoft SQL Server. I diritti utente e la sicurezza dei dati possono essere migliorati mediante il pacchetto Secure File Repository.

Documentazione

Sono disponibili efficienti strumenti di creazione di report con utilizzo di Microsoft 365 con un collegamento diretto al database.

Prova gratuitamente Stream Enterprise per 30 giorni!

Fare clic su "Richiedi un Demo" e inserire nella prima casella la richiesta per la licenza di 30 giorni.

Interfaccia intuitiva e Procedura guidata

Tecnologie avanzate per l'acquisizione di immagini nitide

Smart Technologies for Crisp Image Capture
  • Strumenti per le immagini live
  • Panoramica e profondità focale estesa
  • Registrazione e richiamo delle configurazioni di acquisizione

Alta efficienza per le operazioni ripetute

High Efficiency on Repeating Tasks
  • Funzionamento guidato
  • Analisi quantitativa
  • Strumenti automatizzati per un'efficiente acquisizione delle immagini
  • Creazione di report efficiente

Progettato per l'hardware Olympus

Integrazione immediata con i microscopi ottici Olympus

Seamlessly Integration with Olympus Optical Microscopes
  • Microscopi diritti
  • Microscopi rovesciati
  • Microscopi per semiconduttori
  • Microscopi stereoscopici
  • Microscopio per misure laser 3D LEXT
  • Microscopio digitale DSX

Funzionamento con fotocamere digitali Olympus

Working with Olympus Digital Cameras
  • Fedeltà cromatica
  • Alta risoluzione
  • Imaging a schermo in tempo reale

Metodi di osservazione dedicati

Dedicated Observation Methods
  • Imaging HDR per il miglioramento del contrasto delle immagini
  • Una speciale modalità di osservazione "MIX" fornisce dettagli sui campioni dal campo chiaro e dal campo scuro

Aiuta nei problemi di ispezione

Soluzioni di Imaging avanzate

Advanced Imaging Solutions
  • Soluzione Rilevamento (Count-Measure)
  • Visualizzazione e misura di immagini tridimensionali

Soluzioni per la metallografia

Solutions for Metallography
  • Dimensionamento dei grani mediante il metodo di conteggio per segmenti intersecanti
  • Dimensionamento dei grani tramite il metodo planimetrico
  • Valutazione della nodularità della grafite
  • Valutazione del contenuto di inclusioni non metalliche
  • Confronto di immagini campione immagini con le norme di riferimento
  • Misura Dendrite Arm Spacing (distanza interdendritica)

Soluzioni per il settore produttivo di automobili e macchinari

Solutions for Machinery Processing (Automotive / Machined Parts Industries)
  • Distorsioni delle saldature
  • Misura di fasi e aree di interesse
  • Particle Distribution (distribuzione delle particelle)

Soluzioni per il settore elettronico (dispositivi elettronici e semiconduttori)

Solutions for Electronics (Electronic Device / Semiconductor Industries)
  • Misura Throwing Power
  • Misura automatica della dimensione critica

Soluzioni per il settore dei rivestimenti (rivestimenti superficiali e pellicole sottili)

Solutions for Surface Coatings and Thin Film Deposits (Coating Industries)
  • Valutazione dello spessore di rivestimenti sottili (metodo Calotest)
  • Misura dello spessore degli strati
  • Misura della frazione di area dei pori e della densità

Compatibilità software con Microsoft Office

Tecnologie efficienti

Procedura guidata

L'interfaccia utente dinamica riduce le situazioni di ambiguità e confusione visualizzando solamente gli strumenti e le funzioni necessari. L'interfaccia guida l'utente attraverso ogni fase del processo, come quella di acquisizione delle immagini, di elaborazione delle immagini e di creazione dei report. Misure semplici e complesse possono essere facilmente realizzate mediante la serie intuitiva di strumenti del software.

Layout semplici

I layout organizzati del software integrano le funzioni minime necessarie per svolgere le operazioni richieste. I layout semplificati facilitano l'esecuzione dell'ispezione e guidano gli utenti in modo efficiente attraverso il processo di ispezione.

Fast measurements on a live image with just a few clicks of your mouse

Misure veloci su un'immagine live solamente con pochi clic del mouse

Estimating the pore size using live digital reticules (Cross section of die casting)

Stima delle dimensioni di pori mediante i reticoli digitali live
(Sezione trasversale della pressofusione)

Strumenti per le immagini live

Il software supporta funzioni immagine in tempo reale per risultati immediati. Il software permette agli utenti di interagire con le immagini live (tarate automaticamente) e di eseguire delle misure quantitative.

Veloce panoramica e profondità focale estesa

Veloce creazione di immagini di campioni con una profondità di campo o campo visivo che superano lo standard. La funzione extended focus image (EFI) istantanea utilizza delle regolazioni precise di messa a fuoco per combinare numerose immagini acquisite in diversi punti sull'asse Z, in modo da produrre un'unica immagine combinata che si presenta interamente a fuoco. La funzione multiple image alignment (MIA) istantanea permette all'utente di creare delle immagini panoramiche semplicemente muovendo il tavolino XY. Un tavolino motorizzato non è più necessario.

Instant EFI image of crystal: fully focused image is created even in low-contrast sample areas

Immagine EFI istantanea di cristalli: immagine interamente a fuoco creata da aree campione in basso contrasto

Instant MIA image of a coin

Immagine MIA istantanea di una moneta

Richiamo della configurazione di acquisizione

Richiama rapidamente le impostazioni della fotocamera usate in precedenza per acquisire immagini ripetibili dall'aspetto e percezione costante. Quando si usa un microscopio motorizzato questa funzione può richiamare automaticamente le precedenti configurazioni hardware. Se si utilizzano microscopi della serie BX, GX o MX, il software guida l'utente al richiamo manuale dell'acquisizione.

Diversi operatori usano configurazioni diverse
Different operators use different settings
Verifica semplificata delle corrette configurazioni
Easily verify the correct settings
Sincronizzazione delle configurazioni di osservazione
Synchronize observation settings
Le configurazioni rimangono le stesse indipendentemente dall'operatore
Regardless of different operators, the settings are the same

3D profilometry of wear track

Profilometria 3D di segni da usura

Soluzione 3D

Questa soluzione crea delle mappe delle altezze da una serie di immagini, acquisite automaticamente o manualmente, in corrispondenza di diverse posizioni sull'asse Z. L'immagine risultante può essere visualizzata in tre dimensioni mediante una vista della superficie. Le misure come i profili 3D e le differenze di altezze tra due o più punti possono quindi essere eseguite facilmente e i risultati possono essere esportati in un foglio di calcolo Microsoft Excel.

Funzionamento guidato per analisi specifiche

Il software guida l'utente lungo la corretta sequenza di funzioni per l'esecuzione dell'analisi delle immagini, anche nel caso di metodi conformi alle più comuni norme internazionali. Quando si usa un tavolino motorizzato la funzione di allineamento accelera l'analisi in diversi punti del campione.

Guided Operation for Specific Analyses
Automatic Calibration

Taratura automatica

La funzione Automatic Calibration (Taratura automatica) utilizza un micrometro standard per tarare il microscopio e generare automaticamente un rapporto di taratura. Questo permette di eliminare la variabilità derivata dall'utente nel processo di taratura in modo da ottenere delle misure più affidabili.

Strumenti di ispezione automatizzati

Gli strumenti automatizzati del software possono creare un'ampia serie di dati in soli pochi minuti. Taratura automatica dell'ingrandimento mediante un reticolo principale assicura che le immagini siano visualizzate con la corretta indicazione della scala e che le misure siano confermate. Immagini di aree molto ampie possono essere acquisite automaticamente mediante dei tavolini XYZ motorizzati, permettendo la creazione di immagini ad alta risoluzione di grandi componenti.

Sharp and high-contrast MIA image of integrated circuit (IC) pattern (dark field observation with 20X objective lens)

Immagine MIA nitida e ad elevato contrasto di pattern a circuiti integrati (IC) [osservazione del Campo scuro con obiettivi 20X]

Informazioni quantitative che contano

Gli strumenti del software presentano Informazioni quantitative relative al campione. Misure interattive su immagini live e statiche forniscono delle informazioni dimensionali di base (lunghezza, area e diametro) e i risultati sono direttamente visibili nell'immagine.

Le misure interattive avanzate includono la bacchetta magica e le forme poligonali complesse per la misura semiautomatizzata di aree. La soluzione Count-Measure rende disponibile più di cento parametri per singole particelle per un'analisi quantitativa pura basata sul metodo della soglia.

Basic measurement (supra conductor)

Misurazione di base (sovraconduttore)

Magic wand (supra conductor)

Bacchetta magica (sovraconduttore)

Object detection (supra conductor)

Rilevamento oggetto (sovraconduttore)

Efficiente creazione di report

I tempi di creazione di un report risultano spesso maggiori rispetto a quelli necessari per l'acquisizione di immagini e la presa di misure. Il software permette di creare report efficienti ed eleganti da modelli predefiniti. La modifica è semplice e i report possono essere esportati in formato Microsoft Word, Excel o PowerPoint. Inoltre lo strumento di creazione di report del software permette di effettuare zoom e ingrandimenti digitali sulle immagini acquisite. I file dei report sono di dimensioni contenute per semplificare la condivisione dei dati per email.

Professional report that summarizes particle counting data

Report professionale che sintetizza i dati di conteggio delle particelle

Integrata gestione dei dati

Il software di gestione dei dati Stream Enterprise consente la realizzazione di grandi quantità di dati e l'esecuzione efficiente da parte di numerosi utenti con un alto livello di sicurezza dei dati.

Diritti utenti

Esistono quattro ruoli per i diritti utenti: amministratore, utente esperto, utente e ospite. Ognuno di questi può essere modificato in modo personalizzato per una maggiore flessibilità. Inoltre è possibile assegnare diritti di accesso per ogni progetto o record di dati per singoli o membri di un gruppo definiti. L'autenticazione è possibile attraverso il logon SQL quando si avvia Stream Enterprise o attraverso un'esistente directory attiva e un LDAP (lightweight directory access protocol) per fornire delle funzionalità SSO (single sign-on).

Secure File Repository

Per garantire una supplementare sicurezza dei dati, Stream Enterprise offre l'opzionale pacchetto Secure fiel repository (SFR). Per un livello di sicurezza supplementare l'SFR funziona con Stream Enterprise per gestire le richieste dei file in base all'autorizzazione di accesso dell'utente; non sarà visibile nella propria directory file nel caso di utenti senza autorizzazione per aprire un file.

Integrazione

Stream Enterprise può essere configurato per interfacciarsi direttamente con la gestione di ordini esistenti, LIMS, ERP e sistemi CRM. Per una maggiore flessibilità, il software possiede delle interfacce integrate per i protocolli di comunicazione digitale come COM (objet model) e ODBC (open database connectivity), che semplificano l'interfaccia con altri programmi. La funzionalità API (application programming interface) è inoltre stata aggiunta per permettere l'uso di processi Stream Enterprise da parte di altri programmi.

Accesso a esistenti database

I record esistenti da altri database possono essere importati in Stream Enterprise con tutti i rilevanti dati e metadati organizzati correttamente. È inoltre possibile usare alcune fonti di dati esistenti senza importarle (accesso in sola lettura).

Sistema

Personalizzazione del proprio pacchetto software

Sviluppato per i nostri microscopi, il software di gestione dei dati Stream Enterprise è uno strumento di misura efficiente e di faicle uso. Non è necessario registrare manualmente i parametri ottici degli obiettivi UIS2 quando si usano in combinazione con un microscopio convenzionale. Inoltre anche la taratura dell'ingrandimento non è necessaria quando si importano immagini attraverso i nostri microscopi DSX e LEXT. Il software è disponibile in versioni che spaziano da un pacchetto di base a un pacchetto avanzato.

Pacchetti OLYMPUS Stream

Il software OLYMPUS Stream è disponibile in quattro pacchetti basati sulle funzioni: Start, Basic, Essentials e Motion.
Per agevolare le attività di analisi ripetitive, è possibile aggiungere dei moduli per materiali specifici legati all'applicazione. Per determinare il pacchetto più adatto, contattare i rappresentanti Olympus.

Maggiori informazioni

Integrazione immediata con la maggior parte dei microscopi ottici Evident

Controllo microscopi diritti

BX53M microscope and software system

Sistema software e microscopio BX53M

Il microscopio BX53M impiega funzioni codificate che integrano le impostazioni hardware del microscopio con il software di gestione dei dati Stream Enterprise. Il software e/o i comandi registrano il metodo di osservazione, l'intensità di illuminazione e la posizione dell'obiettivo. È possibile salvare automaticamente le impostazioni del microscopio con ogni immagine, per agevolare la replica delle impostazioni in futuro e fornire documentazione per la creazione di report.

Visualizza i nostri microscopi diritti

Controllo microscopi rovesciati

GX53 microscope and software system

Sistema software e microscopio GX53

Le nostre fotocamere digitali offrono visualizzazione ad alta risoluzione e trasferimento rapido dell'immagine, mentre il software fornisce tutti gli strumenti necessari per soddisfare i complessi requisiti in ambito metallurgico.
Scegliere tra misurazioni di ripetibilità, metallografia standard e moduli per metallografia specifici (oltre dodici routine specifiche a disposizione) e inserire automaticamente i dati e creare i report conformi alle specifiche ASTM e ISO più comuni.

Controllo microscopi per semiconduttori

Integrated microscope and software system

Sistema software e microscopio integrato

Sono disponibili diverse piattaforme software che integrano stativi con semiconduttore per il controllo di tutte le funzioni motorizzate, compresi fotocamera digitale e tavolino motorizzato. Ogni interfaccia è progettata per il controllo e l'ispezione di base, analisi avanzata delle immagini o ispezione ripetuta della sede e revisione dei difetti.

Visualizzare i nostri microscopi a semiconduttore

Controllo microscopi stereo

SZX16 microscope and software system

Sistema software e microscopio SZX16

L'unità di messa a fuoco motorizzata per microscopio stereo permette efficienza e automazione totale della documentazione digitale con messa a fuoco estesa (EFI). Questa funzione permette anche la creazione immagini pseudo 3D. Il software offre strumenti per la misura dal semplice 2D fino all'analisi di fase complessa, supportando numerose operazioni quali osservazione, creazione di report, creazione di database e archiviazione.

Visualizzare i nostri microscopi stereo

Migliora la potenza dei microscopi digitali e confocali Evident

Il software di gestione dei dati Stream Enterprise è utile per la post-elaborazione (Stream Enterprise Desktop) con la gamma completa dei microscopi digitali serie DSX e il Microscopio per misure laser 3D LEXT.

LEXT 3D measuring laser microscope

Microscopio per misure laser 3D LEXT

DSX digital microscope series

Microscopio digitale serie DSX

Visualizzare microscopio per misure laser 3D LEXT
Visualizzare microscopio digitale DSX

Supporta la maggior parte delle fotocamere digitali Evident

Risoluzione e corrispondenza cromatica

The low-noise, high-resolution images of a 9-megapixel sensor enable the user to zoom deep into the sample, revealing its structures (sandstone)

Le immagini ad alta risoluzione e basso rumore di un sensore da 9 megapixel permettono all'utente di zoomare in dettaglio il campione, mostrando le sue strutture (arenaria)

Un'eccellente risoluzione spaziale combinata a un elevato numero di pixel permette di sfruttare appieno la risoluzione ottica degli obiettivi e consente di acquisire immagini di dettagli e strutture di ridotte dimensioni di campioni, anche con obiettivi a basso ingrandimento. Le immagini a alta risoluzione permettono agli utenti di eseguire osservazioni esclusivamente sulla schermata senza l'impiego di oculari.

Maggiori dettagli con gli infrarossi (IR)

Brightfield image 5x taken with the DP23M monochrome camera, a. Brightfield image 5x b.) IR image 5x (BP1100 nm filter), c.) Cropped detail 20x IR, d.) Cropped detail 20x IR with DCE filtering

Immagine in campo chiaro 5x acquisita con la fotocamera monocromatica DP23M
a. Immagine campo chiaro 5x
b.) Immagine infrarosso 5x (filtro BP da 1100 nm),
c.) Infrarosso 20x dettaglio ritagliato,
d.) Infrarosso 20x dettaglio ritagliato con filtro DCE

La modalità di imaging IR rappresenta uno strumento fondamentale per il controllo qualità e i laboratori di Ricerca e Sviluppo. La modalità IR permette l'ispezione non distruttiva attraverso strati di silice di prodotti assemblati nella fase finale del processo produttivo.

Visualizzare Le nostre fotocamere digitali

Metodi di osservazione dedicati per le scienze dei materiali

Imaging HDR per un migliore contrasto

La funzionalità HDR (High dynamic range - Ampio campo dinamico) migliora il contrasto delle immagini in condizioni difficili (aree molto scure e molto chiare presenti nella stessa immagine). Tutte le fotocamere supportate dal software di gestione dei dati Stream Enterprise possono essere usate in questa modalità e le fotocamere dedicate integrano una modalità live.

Clearly exposed for both dark and bright parts by HDR (Sample: fuel injector bulb)

Esposizione chiara per componenti scure e chiare mediante l'HDR (campione: iniettore di carburante)

Contrast enhancement by HDR (Sample: Sliced magnesite)

Miglioramento del contrasto mediante HDR (campione: sezione di magnesite)

Osservazione MIX per visualizzare la struttura della superficie del campione

Il software supporta l'osservazione MIX

Questa tecnica di illuminazione combina il campo scuro direzionale (con LED anulare per illuminare uno o più quadranti in un determinato momento), il campo chiaro, la fluorescenza e la polarizzazione, permettendo agli utenti di evidenziare difetti e differenziare superfici sporgenti da quelle depresse che sono normalmente difficili da vedere con microscopi convenzionali. L'osservazione MIX aiuta a ridurre l'alone del campione e risulta utile per visualizzare la struttura superficiale del campione.

Conventional: brightfield shines the light straight down on the sample while traditional darkfield highlights scratches and imperfections on a flat surface by illuminating the sample from the side of the objective

Convenzionale: il campo chiaro illumina dall'alto il campione mentre il comune campo scuro evidenzia i graffi e le imperfezioni su una superficie piana, illuminando il campione lateralmente rispetto all'obiettivo

Conventional: brightfield shines the light straight down on the sample while traditional darkfield highlights scratches and imperfections on a flat surface by illuminating the sample from the side of the objective

Convenzionale: il campo chiaro illumina dall'alto il campione mentre il comune campo scuro evidenzia i graffi e le imperfezioni su una superficie piana, illuminando il campione lateralmente rispetto all'obiettivo

Advanced: MIX is a combination of brightfield and directional darkfield from a ring of LEDs; the LEDs can be adjusted to select which direction to illuminate from

Avanzato: MIX è una combinazione di campo chiaro
e campo scuro direzionale da un anello di LED;
i LED possono essere regolati per selezionare da
quale direzione illuminare

Soluzioni

Aiuta nei problemi di ispezione

Le procedure operative standard dei laboratori industriali spesso richiedono dei risultati ripetibili e riproducibili. Il software di gestione dei dati Stream Enterprise facilita le ispezioni, le misure e le analisi attraverso un flusso di lavoro semplice e affidabile. Il software offre diversi strumenti per varie analisi nel campo delle scienze dei materiali, così da poter ottenere dei risultati affidabili.

Evident industrial microscopes support metallurgical analysis solutions

I microscopi industriali Evident supportano le soluzioni di analisi metallurgiche

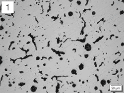
Soluzione Rilevamento (Count-Measure)

La soluzione Count-Measure utilizza avanzati metodi delle soglie per separare in modo affidabile oggetti, come particelle e graffi, dallo sfondo. Sono disponibili più di 50 differenti parametri di misura e classificazione degli oggetti, quali le proprietà relative a forma, dimensione, posizione e pixel.

Conventional software Unclear grain boundaries

Software convenzionale
Limiti intergranulari indefiniti

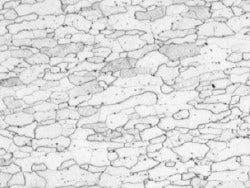
Etched steel microstructure (original image)

Microstruttura dell'acciaio inciso
(immagine originale)

Stream Enterprise Grain boundaries are clearly detected

Stream Enterprise
Rilevamento definito dei limiti intergranulari

Grain classification results

Risultati della classificazione dei grani

Analisi efficace

Example of Macro Manager set up for Count and Measure

Esempio di configurazione Macro Manager per la soluzione Count-Measure

Macro Manager permette di predefinire le attività di misura e imaging complesse e di eseguirle con un singolo clic.

Potenti filtri delle immagini

Enhanced contrast using the DCE filter (dendrite in an aluminum casting)

Contrasto migliore mediante il filtro DCE (dendrite in alluminio pressofuso)

Il software offre numerosi filtri utili al riconoscimento dei contorni, smoothing e altri scopi.

Tecnologia Deep Learning TruAI™

La segmentazione delle immagini, mediante metodi convenzionali di definizione delle soglie che dipendono dalla luminosità o dal colore, potrebbe omettere informazioni fondamentali o target nei campioni. La soluzione TruAI di gestione dei dati Stream Enterprise offre un approccio di segmentazione più preciso mediante la tecnologia deep learning per un'analisi altamente riproducibile e affidabile, inclusa la segmentazione di istanza per suddividere un'immagine in singole istanze di un oggetto.

Maggior informazioni sul deep learning TruAI

Immagine originale di cenere volante di ignite in OLYMPUS Stream/PRECiV (a sinistra); segmentazione dell'immagine mediante i convenzionali metodi di definizione delle soglie (a destra)

Immagine originale di cenere volante di ignite in OLYMPUS Stream/PRECiV (a sinistra); segmentazione dell'immagine mediante deep learning (a destra)

Misure 3D e profili lineari

La soluzione 3D di gestione dei dati Stream Enterprise fornisce il controllo sull'asse Z codificato e motorizzato e l'EFI istantanea con funzionalità di mappatura delle altezze per la misurazione di un campione tridimensionale.

3D surface view (Roughness test sample)

Vista della superficie 3D (campione di analisi irregolare)

Single view and 3D profile measurement

Vista singola e misura del profilo 3D

Soluzioni per la metallografia

Solutions for Metallography

La metallografia viene usata nell'ambito dello sviluppo dei materiali, dell'ispezione di merce in arrivo, nel controllo dei processi produttivi e nell'analisi dei guasti.

  • Dimensionamento dei grani mediante il metodo di conteggio per segmenti intersecanti
  • Dimensionamento dei grani tramite il metodo planimetrico
  • Valutazione della nodularità della grafite
  • Valutazione di Non-Metallic Inclusions (inclusioni non metalliche) in acciaio di elevata purezza
  • Confronto di immagini campione con le norme di riferimento
  • Misura manuale o automatica della Dendrite Arm Spacing (distanza interdendritica)

Soluzioni per il settore produttivo di automobili e macchinari

Solutions for Machinery Processing (Automotive / Machined Parts Industries)

Per produrre componenti di elevata qualità è necessario eseguire dei controlli rigorosi di graffi, cricche, dimensione dei pori e stato di contaminazione durante il processo produttivo.

  • Distorsioni delle saldature
  • Misura delle aree di interesse e delle fasi
  • Particle Distribution (distribuzione delle particelle)

Soluzioni per il settore elettronico (dispositivi elettronici e semiconduttori)

Solutions for Electronics (Electronic Device / Semiconductor Industries)

Nei circuiti stampati, lamine molto sottili sono rivestite. Verificare l'omogeneità di questo rivestimento rappresenta un aspetto fondamentale per la qualità.

  • Misura Throwing Power
  • Misura automatica della dimensione critica

Soluzioni per il settore dei rivestimenti (rivestimenti superficiali e pellicole sottili)

Solutions for Surface Coatings and Thin Film Deposits (Coating Industries)

Per rivestimenti superficiali si intende qualunque composto di materiale contenente pigmenti, solventi e altri additivi che sia in grado di formare delle pellicole. Quando questo composto viene applicato alla superficie e viene lasciato essiccare, produce una pellicola sottile che risulta funzionale e spesso decorativa.

  • Valutazione dello spessore di rivestimenti sottili (metodo Calotest)
  • Misura dello spessore degli strati
  • Misura della frazione di area dei pori e della densità

Soluzioni personalizzate di flussi di lavoro

Particle detection

Il team per le nostre personalizzazioni progetta dei flussi di lavoro personalizzati nel software di gestione dei dati Stream Enterprise per specifiche situazioni applicative. Il processo operativo del software è configurato in base alle esigenze del cliente in modo da risolvere problematiche e raggiungere obiettivi velocemente nelle ispezioni con microscopio industriale.

Maggior informazioni sulle soluzioni personalizzate di flussi di lavoro

Soluzione per i materiali per diversi scopi

Soluzioni
Descrizioni
Grain Intercept (Segmenti intersecanti dei grani)
I produttori di acciaio utilizzano questa soluzione per misurare e controllare la dimensione dei grani in seguito a sezionamento trasversale, lucidatura, trattamento corrosivo (etching) dei campioni di acciaio.
La funzione è basata sulla sovrapposizione di "segmenti di analisi" e sul conteggio del numero di segmenti intersecanti che si sovrappongono ai contorni dei grani.
Grain Planimetric (Planimetria dei grani)
I produttori di acciaio utilizzano questa soluzione per misurare e controllare la dimensione dei grani in seguito a sezionamento trasversale, lucidatura, trattamento corrosivo (etching) dei campioni di acciaio.
Questa funzione ricostruisce i contorni dei grani per ogni singolo grano e misura i grani con la percentuale dell'area della seconda fase.
Non-Metallic Inclusions (Inclusioni non metalliche)
I produttori di acciaio utilizzano questa soluzione per misurare e controllare la forma e la dimensione di inclusioni non metalliche (ossidi, allumine, solfiti o silicati) nell'acciaio.
Cast Iron (Ghisa)
I produttori di ghisa usano questa soluzione quando devono misurare e controllare la nodularità della grafite e verificare le caratteristiche meccaniche dei propri prodotti in ghisa.
Chart Comparison (Confronto di diagrammi)
Un'immagine in tempo reale o statica può essere sovrapposta su diagrammi standard a fini di confronto. Disponibile un'anteprima della funzione.
Dendrite Arm Spacing (Distanza interdendritica)
Questa soluzione viene usata per determinare manualmente o automaticamente la distanza interdendritica media nell'alluminio pressofuso.
Layer Thickness (Spessore degli strati)
Uno o più strati di un campione sezionato trasversalmente possono essere misurati mediante la soluzione Layer Thickness. Le forme vengono definite e gli strati vengono misurati automaticamente.
Coating Thickness (Spessore del rivestimento)
Questa soluzione permette la misura dello spessore dei rivestimenti da immagini con vista superiore, utilizzando il metodo Calotest.
Automatic Measurements (Misure automatiche)
Questa soluzione viene usata per effettuare misure in base al riconoscimento dei contorni su un'immagine live con riconoscimento del pattern.
Throwing Power (Capacità potenza)
Questa soluzione permette di misurare la distribuzione dello spessore della placcatura in rame in fori passanti o microfori (via).
Porosity (Porosità)
Questa soluzione permette di misurare i pori per frazione di superficie o per numero di pori della superficie mediante la selezione dell'area di interesse (circolare, triangolare, rettangolare e poligonale) e le soglie.
Particle Distribution (Distribuzione delle particelle)
Questa soluzione viene usata per creare tabelle e istogrammi di distribuzione dimensionale delle particelle attraverso immagini multiple o serie di immagini.
Advanced Phase Analysis (Analisi avanzata delle fasi)
Questa funzione offre una nuova soluzione integrata per eseguire analisi delle fasi in base alla selezione di diverse aree di interesse (ROI - regions of interest) come triangoli, cerchi, rettangoli e poligoni.
Soluzioni Metalli Automotive Vetro e ceramica Rivestimenti Prodotti di consumo Dispositivi elettronici
Grain Intercept (Segmenti intersecanti dei grani)
Grain Planimetric (Planimetria dei grani)
Inclusion Worst Field (Campo peggiore delle inclusioni)
Cast Iron (Ghisa)
Chart Comparison (Confronto di diagrammi)
Layer Thickness (Spessore degli strati)
Coating Thickness (Spessore del rivestimento)
Automatic Measurements (Misure automatiche)
Throwing Power (Capacità potenza)
Porosity (Porosità)
Particle Distribution (Distribuzione delle particelle)
Soluzioni Semi
conduttori
Liquidi e oli Pezzi
lavorati
Carbone/
Materiali compositi
Industria chimica/
Plastica/
Gomma
Ricerca
industriale
scientifica
Grain Intercept (Segmenti intersecanti dei grani)
Grain Planimetric (Planimetria dei grani)
Inclusion Worst Field (Campo peggiore delle inclusioni)
Cast Iron (Ghisa)
Chart Comparison (Confronto di diagrammi)
Layer Thickness (Spessore degli strati)
Coating Thickness (Spessore del rivestimento)
Automatic Measurements (Misure automatiche)
Throwing Power (Capacità potenza)
Porosity (Porosità)
Particle Distribution (Distribuzione delle particelle)
Advanced Phase Analysis (Analisi avanzata delle fasi)

Specifiche

Specifiche dei pacchetti principali

Enterprise Desktop
Acquisizione delle immagini Acquisizione di immagini di base incluse le funzioni HDR, auto-taratura dell'ingrandimento, Live HDR*1 e Ricerca della posizione*1
Autofocus del software*2 e acquisizione del video (formato avi)
Time lapse, EFI Istantanea e MIA Istantanea/Manuale*3
EFI/MIA Motorizzati e acquisizione di tipo Z stack
Strumenti di rappresentazione per immagini e personalizzazione Schermate degli strumenti di base (cronologia delle immagini, proprietà, navigatore, schermata di visualizzazione della galleria)*4
Note, gestione degli strati, barra delle scale, reticolo di puntamento, schermata delle informazioni di taratura e filtri delle immagini
Reticolo/griglia digitale, schermata del profilo lineare, My Function, gestione del layout e Macro Manager
Analisi delle immagini e delle misure Misure interattive di base (distanze, angoli, rettangoli, cerchi, ellissi, poligoni, distanza cerchio-cerchio, misuratore di angoli e misuratore di linee) e esportazione dei dati a Microsoft Excel
Analisi delle fasi, bacchetta magica, polilinea a mano libera, poligono interpolato, filtro morfologico e funzioni aritmetiche sulle immagini
Misure 3D, misure del profilo 3D e vista della superficie 3D
Creazione di report*5 Creazione di report (formati Microsoft Word e Microsoft Excel)
Creazione di presentazione
Gestione dei dati Sistema di gestione dei dati Client/Server per un illimitato numero di simultanei utenti di database**6
Amministrazione orientata su utenti-progetti di immagini e altri documenti
Diritti utenti variabili per immagini e dati
Veloce e controllabile accesso dati
Funzioni di ricerca a alte prestazioni
DBMS supportato: Microsoft SQL Server 2008 R2/R2 Express, Microsoft SQL Server 2012 (SP1 and SP2)/Express (SP1 and SP2), Microsoft SQL Server 2014/Express, Microsoft SQL Server 2017/Express, Microsoft SQL Server 2019/Express, Oracle 11g R2/express e Oracle 12g R2/Express
Servizio sofisticato per un'archiviazione sicura grazie alla tecnologia SFR (secure file repository)
Supporto dei dispositivi Microscopi Evident**7 e fotocamere Evident*8
Fotocamere non-EVIDENT e convertitore di immagini*9
Controller del tavolino non Evident*9
Requisiti del computer
CPU
Intel® Core i5, Intel® core i7 e Intel® Xeon
RAM / Disco rigido / Unità DVD
4 GB o superiore (consigliato 8 GB)/2,4 GB o più spazio libero/compatibile con DVD+R DL
Sistema operativo*10
Windows 10 Pro (64-bit) e Windows 8.1 (64-bit) Pro
.NET Framework
Versione 4.6.2 o successiva
Scheda grafica*11
Risoluzione del display 1280 × 1024 con scheda video da 32 bit
Browser web
Windows Internet Explorer 8, 9, 10 o 11

*1 Richiede la fotocamera DP74; la funzione Live HDR richiede un sistema operativo a 64 bit.
*2 Richiede un microscopio Evident con asse Z motorizzato o asse Z esterno motorizzato
*3 La funzione MIA Istantanea potrebbe non funzionare correttamente con alcune fotocamere
*4 Scrive e legge tutti i principali formati di file e i formati proprietari Evident (formati di file DSX, LEXT e POIR)
*5 Richiede la previa installazione di Microsoft Word 2010, 2013, 2016, 2019 o Office 365 (non forniti).
*6 Utilizzando Microsoft SQL Server Express
*7 Supporta BX53M, BX2, IX2, GX, GX53, SZX, SZX2, SZX-ZE, MX, MX63, MX63L, MVX, STM7-CB, CBS, BX3M-CB, BX3M-CBFM e BX-REMCB.
*8 Supporta LC20, LC30, LC35, DP22, DP23, DP27, DP28, DP73, DP74, SC30, SC50, SC100, SC180, UC30, UC50, UC90, XC10, XC30, XC50, XM10 e DP23M.
*9 Contattare Evident per le informazioni sui dispositivi supportati
*10 Iniziando con Stream 2.5, le fotocamere EVIDENT DP74, DP73 e SC180/UC90 sono compatibili solamente con Windows 10/8.1. Windows 7 non è più supportato.
*11 Richiede delle configurazioni per la funzione Live HDR in DP74. Scheda grafica applicabile a CUDA di NVIDIA (versione [compute capability] 2.1 o successiva). Driver della scheda grafica applicabile a CUDA 9.1 o successiva

Specifiche delle Soluzioni speciali

Soluzioni Compatibilità Funzioni
Enterprise Desktop Tipo di misura
3D Incluso Parzialmente incluso* Vista superficiale 3D, misura 3D e misura del profilo 3D, Z stack Motorizzato/EFI, EFI Istantanea con mappatura delle altezze (richiede l'asse Z codificato o motorizzato).
Weld Measurement Soluzione Weld Measurement (misura delle distorsioni delle forme derivate dal calore durante l'esecuzione delle saldature).
Count-Measure Disponibili diversi metodi di definizione di diversi soglie (automatico, HSV manuale, manuale e adattativo)
Il sistema può automaticamente misurare diversi parametri su tutti gli oggetti segmentati (Area, Aspect ratio, Bisettoriale, Riquadro di delimitazione, Centro di gravità, Identificativo, Centro di massa, Valori di intensità, Convessità, Diametri, Allungamento, Feret, Estensione, Successiva distanza più prossima, Orientamento, Perimetro, Raggio, Forma, Sfericità, ecc.), fogli di calcolo e diagrammi con misure singole e misure di distribuzione.
Tecnologia Deep Learning TruAI™ Addestramento di reti neurali utilizzando metodi di semantica (oggetti nettamente separati) o di istanza (oggetti a contorni a contatto)

* Non è possibile usare le funzioni relative alle acquisizioni delle immagini

Specifiche delle soluzioni per i materiali

Soluzioni Gestione risultati Funzioni
Enterprise Desktop Report automatico Cartella di lavoro con singole Archivia tutti i risultati nelle proprietà delle immagini Tipo di misura Norme supportate
Grain Intercept (Segmenti intersecanti dei grani) Selezione del pattern (cerchi, croci, croci-cerchi, linee verticali, linee orizzontali e linee orizzontali-verticali)

Definizione del numero di segmenti di analisi per la determinazione dell'allungamento dei grani

Visualizzazione del valore G nella schermata Material Solution Tool
ASTM E112-13(2021), ISO 643:2020, JIS G 0551:2020, JIS G 0552:1998, GOST 5639-82, GB/T 6394-2017, DIN 50601:1985, ASTM E1382-97(2015)
Grain Planimetric (Planimetria dei grani) ■*2 Estrazione automatica dei contorni dei grani

Interazione utente mediante i dispositivi di scorrimento Stream per una migliore operatività

Visualizzazione dell'istogramma dei valori G nella schermata Material Solution Tool per un'interazione diretta
ASTM E112-13 (2021), ISO 643:2020, JIS G 0551:2020, JIS G 0552:1998, GOST 5639-82, GB/T 6394-2017, DIN 50601:1985, ASTM E1382-97(2015)
Non-Metallic Inclusions (Inclusioni non metalliche) Rilevamento automatico di inclusioni non metalliche mediante i colori, la forma e le dimensioni

Classificazione automatica di ossidi, solfiti, silicati e alluminati

Visualizzazione live dell'inclusione rilevata con la valutazione rispettiva

Panoramica statistica delle inclusioni sull'intera area di scansione
ASTM E45-18a (method A), DIN 50602:1985 (method M), ISO 4967:2013 (method A), GB/T 10561-2005 (method A, equivalent to ISO 4967), JIS G 0555:2003 (method A, equivalent to ISO 4967), UNI 3244:1980 (method M), EN 10247:2017 (methods P and M), EN 10247:2007 (methods P and M), ASTM E45-18 (method D), ISO 4967:2013 (method B), SEP 1571-2017 (methods M and K), EN10247:2017 (method K).
Cast Iron (Ghisa) Campioni lucidati: Misura automaticamente le caratteristiche del contenuto di grafite (dimensioni, forma e distribuzione)

Campioni sottoposti a trattamento corrosivo (etching): Misura il rapporto ferrite-perlite

Processo operativo integrato in grado di prendere in considerazione lo stato del campione (corroso o lucidato)
EN ISO 945-1:2018, ASTM A247-17, JIS G 5502:2001, KS D 4302:2006, GB/T 9441-2009, ISO 16112:2017, JIS G 5505:2013, NF A04-197:2017, ASTM E2567-16a (for nodularity only)
Chart Comparison (Confronto di diagrammi) Disponibilità di diverse schermate, inclusa quella di sovrapposizione live

Interazione utente mediante i dispositivi di scorrimento Stream per una migliore operatività

Calcolo delle statistiche sui valori selezionati
DIN 50602:1985, ISO 945-1:2019, ISO 643:1983, ISO 643:2012, EN 10247:2017, SEP 1520:1998, SEP 1572:2019, ASTM E112:13(2021), ISO 4505:1978
Layer Thickness (Spessore degli strati) I contorni degli strati possono essere specificati mediante le funzioni di rilevamento automatica, di bacchetta magica e manuale (mediante 2 o 3 punti)

Singole misure possono essere aggiunte o eliminate in seguito

Sono supportate misure di ogni tipo di strato (con contorni regolari o irregolari)

La misura di spessore degli strati calcola i valori medio, massimo e minimo, oltre ai dati statistici, per ogni singolo strato
Coating Thickness (Spessore del rivestimento) La forma è misurata dalla vista superiore

Calcolo dello spessore del rivestimento in base alla forma del campione
EN 1071-2:2002, VDI 3824: 2001, ISO 26423:2016
Dendrite Arm Spacing (Distanza interdendritica) Determina la distanza interdendritica media nelle leghe di alluminio
Automatic Measurements (Misure automatiche) Misura automatica delle distanze (punto-punto, punto-linea, cerchio-cerchio, punto-cerchio e linea-cerchio)

Misura automatica del diametro del cerchio (rotondità e riquadro di delimitazione)

Misura automatica degli angoli relativi a due linee

Definizione dei valori di tolleranza per la validazione visiva e delle misure

Modalità esperto e utente per la ripetibilità delle misure
Throwing Power (Capacità potenza) Misure manuali su selezionati punti di interesse sul campione

Punti predefiniti che verranno selezionati dall'operatore

Selezione del tipo di foro (via) e documentazione dell'analisi

Creazione di report e calcolo automatico in base alle misure manuali
Porosity (Porosità) Rilevamento dei pori per area di interesse (triangolo, cerchio, rettangolo, poligono o bacchetta magica) con funzionalità di sovrapposizione

Misura della densità, numero e area specifica dei pori

Misura del poro di maggiori dimensioni

Misura dell'intervallo dimensionale specificato
Particle Distribution (Distribuzione delle particelle) Le particelle sono definite mediante delle configurazioni di soglia semplificate

Classificazione automatica mediante un parametro selezionato (dimensione, colore o forma)

Misura dell'area di interesse e di soglie multiple

Definizione della validazione e della codifica in base a criteri definiti dall'utente
Advanced Phase Analysis (Analisi avanzata delle fasi) Frazione delle fasi per area di interesse (triangolo, cerchio, rettangolo o poligono)

Sono inoltre utilizzabili i seguenti elementi: la bacchetta magica, la polilinea a mano libera, il poligono interpolato, il filtro morfologico e le funzioni aritmetiche sulle immagini

Misura della percentuale totale delle fasi, per fase e per area di interesse

Rilevamento dell'area minima selezionabile

*2 Può essere prodotto il diagramma Stream Enterprise con la distribuzione.

Risorse

Blog

Video

Risorse del prodotto