재료조직학을 위한 현미경 솔루션
금속 재료의 중요성 소개

금속 재료는 인장 강도, 피로 강도, 연성 등의 기계적 특성과 우수한 전기 전도도 때문에 가장 중요한 무기 공학 재료라고 할 수 있습니다. 이러한 재료는 열처리나 성분 변화를 통해 조정할 수 있어 기계적 특성 면에서도 높은 유연성을 보입니다. 금속 재료는 일반적으로 철, 티타늄, 알루미늄, 금 같은 금속 원소에 탄소, 질소, 산소 같은 비금속 재료를 소량 결합하여 만듭니다.

일반적인 금속 합금의 등급은 다음과 같습니다.

재료 미세 구조 특성

산업, 합금 유형 및 응용 분야에 따라 제품이 특정한 작동 및 환경 조건에서 안전하게 작동하려면 일정한 기계적 특성과 미세 구조적 특성이 필요합니다.

다음 분석 방법은 일반적으로 금속 부품과 재료의 미세 구조 및 형태 검사를 위해 수행되어 제조 공정 전후에 품질을 확인합니다.

재료조직학을 위한 이미지 분석 솔루션

당사의 산업용 이미지 분석 소프트웨어에는 재료 과학 분석을 간소화하기 위한 단계별 워크플로가 있습니다. 이러한 단계별 작업 설명을 따라 재현 가능하고 신뢰할 수 있는 결과를 얻을 수 있습니다. 재료 검증과 평가를 위한 전용 워크플로와 함께 다양한 재료 솔루션(선택 사항)을 추가할 수 있습니다. 이러한 솔루션을 사용하면 일반적인 국제 표준(ISO, ASTM, JIS 및 DIN)에 따라 분석 작업을 할 수 있습니다. 금속, 세라믹, 코팅, 용접, 알루미늄 합금, 주철 등 다양한 재료에 대한 솔루션을 찾아보십시오.

PRECiV™ 2D 이미지 및 측정 소프트웨어 및 Stream Enterprise 데이터 관리 소프트웨어에서 모든 재료 솔루션을 구현할 수 있습니다.

https://adobeassets.evidentscientific.com/content/dam/video/videolibrary/videos/PRECiV_1.2_fv.mp4

PRECiV 2D 이미지 및 측정 소프트웨어

사용하기 간편한 PRECiV™ 소프트웨어를 통해 현미경을 제어하여 생산, 품질 관리 및 검사 작업 중에 반복적인 2D 측정을 할 수 있습니다.

자세히 알아보기

https://adobeassets.evidentscientific.com/content/dam/video/videolibrary/videos/Stream_Analysis_Software_480_new_(1).mp4

Stream Enterprise 데이터 관리 소프트웨어(EMEA 지역 전용)

Stream Enterprise 데이터 관리 소프트웨어는 이미지 획득, 정량적 측정과 이미지 분석, 보고 및 고급 재료 과학 검사 작업을 위한 모든 프로세스 단계에 빠르고 효율적인 검사 워크플로를 제공합니다.

자세히 알아보기

재료 솔루션

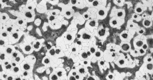
비금속 개재물

비금속 개재물

자세히 알아보기

기공률 분석

기공률 분석

자세히 알아보기

위상 분석

위상 분석

자세히 알아보기

수지상 가지 간격

수지상 가지 간격

자세히 알아보기

층/코팅 두께

층/코팅 두께

자세히 알아보기

차트 비교

차트 비교

자세히 알아보기

재료조직학을 위한 현미경 솔루션

당사는 재료 과학 및 산업 분야를 위한 현미경을 제조하는 선두 업체로 현미경 개발 분야에서 갈고 닦은 100년 이상의 경험을 갖고 있습니다.당사는 이미지 분석 소프트웨어와 함께 금속조직학 및 재료 분석을 위한 다양한 현미경을 제공합니다.

GX53 도립 현미경

GX53 도립 현미경

GX53 도립 현미경은 탁월한 이미지 선명도와 고배율에서 우수한 분해능을 갖췄습니다.코딩된 회전 노즈피스와 소프트웨어 같은 액세서리와 더불어 현미경의 모듈식 설계 덕분에 사용자의 요구 사항에 따라 손쉽게 맞춤화할 수 있습니다.

자세히 알아보기

BX53M 정립 현미경

BX53M 정립 현미경

모듈성을 염두에 두고 설계된 BX3M 시리즈 정립 현미경은 다양한 재료 과학과 산업 분야에 여러 기능을 제공합니다.

자세히 알아보기

DSX1000 디지털 현미경

DSX1000 디지털 현미경

DSX100 디지털 현미경은 간편한 사용과 고급 기능을 결합하여 검사를 간소화합니다.DSX100 시스템에는 손쉬운 변경, 빠른 매크로-마이크로 보기, 텔레센트릭 광학 시스템을 사용한 정확한 측정이 가능한 다양한 렌즈가 포함되어 있습니다.

자세히 알아보기

현미경용 디지털카메라

현미경용 디지털카메라

당사의 디지털 현미경 카메라는 현미경 전용으로 설계되었습니다.당사의 현미경 및 이미지 분석 소프트웨어 시스템과 원활하게 호환되는 당사의 디지털 현미경 카메라는 풀 해상도에서 높은 실시간 프레임 속도를 제공합니다.

자세히 알아보기

재료조직학 응용 분야

강철의 비금속 개재물 분석

애플리케이션 노트 보기

강철의 비금속 개재물 분석

강철 결정 입도 평가

애플리케이션 노트 보기

강철 결정 입도 평가

구상 흑연 주철 평가

애플리케이션 노트 보기

구상 흑연 주철 평가

산업 표준의 표준 다이어그램과 시각적 비교를 사용한 평가

애플리케이션 노트 보기

산업 표준의 표준 다이어그램과 시각적 비교를 사용한 평가

OLYMPUS Stream 이미지 분석 소프트웨어를 사용한 용접 목 두께 측정

애플리케이션 노트 보기

OLYMPUS Stream 이미지 분석 소프트웨어를 사용한 용접 목 두께 측정

이미지 분석 소프트웨어를 사용하여 스로잉 파워 또는 PCB 구리도금 두께 균일성 측정

애플리케이션 노트 보기

이미지 분석 소프트웨어를 사용하여 스로잉 파워 또는 PCB 구리도금 두께 균일성 측정

주철 분석

애플리케이션 노트 보기

주철 분석

금속과 합금의 결정 입도 분석

애플리케이션 노트 보기

금속과 합금의 결정 입도 분석