Logiciel de gestion de données Stream Enterprise

Le logiciel de gestion de données Stream Enterprise propose des processus opérationnels intelligents qui vous guideront étape par étape dans l’acquisition d’images nettes et prêtes pour la prise de mesures quantitatives et la création de rapports professionnels conformes aux normes les plus récentes de l’industrie. Il permet ainsi aux utilisateurs de tous niveaux d’effectuer des processus complexes d’analyse d’images, allant de l’acquisition d’images proprement dite à la génération de rapports standard, et ce, quelles que soient les conditions d’imagerie.

  • Product Availability: This product has been discontinued check out our current product

Stream Enterprise

Vue d’ensemble

Des processus d’inspection rapides et efficaces

Le logiciel de gestion de données Stream Enterprise propose des processus opérationnels intelligents qui vous guideront étape par étape dans l’acquisition d’images nettes et prêtes pour la prise de mesures quantitatives et la création de rapports professionnels conformes aux normes les plus récentes de l’industrie. Il permet ainsi aux utilisateurs de tous niveaux d’effectuer des processus complexes d’analyse d’images, allant de l’acquisition d’images proprement dite à la génération de rapports standard, et ce, quelles que soient les conditions d’imagerie.

Conçu pour offrir une grande souplesse d’utilisation, le logiciel Stream Enterprise dispose de fonctions qui vous permettent d’effectuer des observations rapides et précises d’un vaste éventail d’échantillons tout en assurant la sécurité des données et la fiabilité des mesures.

De plus, des solutions offertes en option vous permettent d’adapter le logiciel à votre domaine d’application, notamment le contrôle qualité, la recherche et le développement, le développement de procédés et le contrôle qualité.

https://adobeassets.evidentscientific.com/content/dam/video/videolibrary/videos/Stream_Analysis_Software_480_new_(1).mp4

Caméras et platines pour l’acquisition d’images

Toutes les caméras prises en charge par le logiciel (couleur, monochrome, IR, SWIR) sont intégrées à la fonctionnalité de contrôle de caméra facile à utiliser, laquelle enregistre aussi les informations de grossissement et d’étalonnage. De plus, vous pouvez facilement acquérir de grandes images entièrement mises au point à l’aide d’une platine manuelle ou motorisée.

Solutions de mesure, d’analyse d’images et d’imagerie avancée (en option)

Le logiciel vous permet de prendre une variété de mesures géométriques de manière interactive ou à l’aide de fonctionnalités avancées de traitement et d’analyse d’images. Vous pouvez également prendre des mesures conformes aux normes à l’aide du processus opérationnel associé aux solutions dédiées aux matériaux (MaterialSolutions). Le logiciel propose une variété d’outils qui s’appliquent à différents types d’analyses en sciences des matériaux et qui offrent des résultats fiables.

Stockage et partage des données

Les données sont stockées en toute sécurité sur le réseau local à l’aide d’une technologie client-serveur basée sur Microsoft SQL Server. Les droits des utilisateurs et la sécurité des données peuvent être améliorés avec l’outil Secure File Repository.

Documentation

De puissants outils de production de rapports sont disponibles et utilisent Microsoft 365 avec une connexion directe à la base de données.

Essayez Stream Enterprise gratuitement pendant 30 jours

Cliquez sur « Demande de démonstration » et précisez dans la première case que vous souhaitez recevoir une licence de 30 jours.

Interface facile à utiliser et consignes étape par étape

Des technologies intelligentes permettant la création d’images nettes

Smart Technologies for Crisp Image Capture
  • Outils pour les images en cours d’acquisition
  • Fonctions panorama et mise au point étendue
  • Enregistrement et rappel des paramètres d’acquisition

Haute efficacité pour les tâches répétitives

High Efficiency on Repeating Tasks
  • Utilisation guidée
  • Analyse quantitative
  • Outils automatiques permettant une acquisition d’image efficace
  • Génération efficace de rapports

Conçu pour les appareils et accessoires Olympus

Intégration facile aux microscopes optiques Olympus

Seamlessly Integration with Olympus Optical Microscopes
  • Microscopes droits
  • Microscopes inversés
  • Microscopes pour semi-conducteurs
  • Microscopes stéréoscopiques
  • Microscope laser de mesure 3D LEXT
  • Microscope numérique DSX

En association avec des caméras numériques Olympus

Working with Olympus Digital Cameras
  • Fidélité des couleurs
  • Haute résolution
  • Affichage à l’écran d’images en cours d’acquisition

Méthodes d’observation spécifiques

Dedicated Observation Methods
  • Imagerie HDR améliorant le contraste des images
  • Mode d’observation « MIX » unique fournissant des détails sur les échantillons en fond clair et en fond noir

Résolution de vos problèmes d’inspection

Solutions d’imagerie avancées

Advanced Imaging Solutions
  • Solution de numération et de mesure (Count and measure)
  • Affichage et mesure d’images tridimensionnelles

Solutions dédiées à la métallographie

Solutions for Metallography
  • Granulométrie à l’aide de la méthode par comptage des intercepts
  • Granulométrie à l’aide de la méthode planimétrique
  • Évaluation de la nodularité du graphite
  • Évaluation de la teneur en inclusions non métalliques
  • Comparaison d’images d’échantillons avec des étalons de référence
  • Mesure de l’espacement entre les branches dendritiques

Solutions dédiées au traitement des métaux (secteurs des pièces automobiles et des pièces usinées)

Solutions for Machinery Processing (Automotive / Machined Parts Industries)
  • Distorsion de soudage
  • Mesure de phase et de la région d’intérêt
  • Distribution des particules

Solutions dédiées à l’électronique (secteurs des appareils électroniques et des semi-conducteurs)

Solutions for Electronics (Electronic Device / Semiconductor Industries)
  • Mesure de la profondeur
  • Mesure automatique des dimensions critiques

Solutions dédiées aux revêtements de surface et aux dépôts de film minces (industries du revêtement)

Solutions for Surface Coatings and Thin Film Deposits (Coating Industries)
  • Évaluation de l’épaisseur d’un revêtement fin (méthode du Calotest)
  • Mesure de l’épaisseur des couches
  • Mesure de la proportion et de la densité en pores

Compatibilité logicielle avec Microsoft Office

Technologie intelligente

Consignes étape par étape

Dynamique, l’interface utilisateur réduit l’encombrement de l’écran en affichant uniquement les outils et les fonctions que vous souhaitez utiliser. Elle vous guide dans les diverses étapes du processus, notamment pour l’acquisition et le traitement des images, et pour la création de rapports. Des mesures simples ou complexes peuvent être effectuées grâce aux outils intuitifs du logiciel.

Affichages clairs

Les affichages bien organisés du logiciel affichent uniquement les fonctions nécessaires à la réalisation des tâches requises. Ces affichages simplifiés améliorent l’efficacité du flux d’inspection et vous guident efficacement tout au long du processus d’analyse.

Fast measurements on a live image with just a few clicks of your mouse

Mesures rapides en quelques clics sur une image en cours d’acquisition

Estimating the pore size using live digital reticules (Cross section of die casting)

Estimation de la taille des pores à l’aide de réticules numériques appliqués en cours d’acquisition
(coupe transversale d’un moulage sous pression)

Outils pour les images en cours d’acquisition

Le logiciel prend en charge les fonctions d’image en cours d’acquisition, ce qui permet une rétroaction immédiate. Le logiciel vous permet d’interagir avec l’image en cours d’acquisition, laquelle est automatiquement étalonnée, et d’effectuer des mesures quantitatives.

Fonctions de panorama rapide et d’imagerie à profondeur de champ étendue

Créez rapidement des images d’échantillons qui vont au-delà du champ d’observation standard ou de la profondeur de champ standard. La fonction instantanée d’imagerie à profondeur de champ étendue (EFI) utilise un réglage affiné de la mise au point pour combiner de nombreuses images prises à différents niveaux sur l’axe Z et former une image combinée unique parfaitement nette. L’alignement d’images multiples (MIA) facilite la création d’images panoramiques par un simple déplacement de la platine XY ; une platine motorisée n’est plus requise.

Instant EFI image of crystal: fully focused image is created even in low-contrast sample areas

Image instantanée EFI d’un cristal : une image entièrement focalisée est créée même dans des zones de faible contraste de l’échantillon

Instant MIA image of a coin

Image d’une pièce de monnaie acquise avec la fonction d’alignement d’images multiples (MIA)

Rappel paramètres d’acquisition

Le système vous permet de rappeler rapidement les réglages précédents de la caméra afin d’acquérir des images de façon répétée et reproductible. Dans le cas d’un microscope motorisé, cette fonction permet de rappeler automatiquement des paramètres de positionnement de matériel déjà utilisés. Si vous utilisez un microscope de la série BX, GX ou MX, le logiciel vous guide pour rappeler manuellement les réglages.

Des opérateurs différents utilisent des réglages différents.
Different operators use different settings
Vérification facile des réglages
Easily verify the correct settings
Synchronisation des réglages d’observation
Synchronize observation settings
Les réglages sont identiques pour tous les opérateurs.
Regardless of different operators, the settings are the same

3D profilometry of wear track

Profilométrie 3D d’une trace d’usure

Fonction 3D

Cette fonction crée des cartographies de hauteur à partir d’ensembles d’images acquises automatiquement ou manuellement à différentes positions sur l’axe des Z. L’image qui en résulte peut être visualisée en trois dimensions grâce à la fonctionnalité de vue de surface. Des mesures peuvent être réalisées, telles que les profils 3D et les différences de hauteur entre deux ou plusieurs points, et les résultats peuvent être exportés vers des classeurs et des feuilles de calcul Microsoft Excel.

Utilisation guidée pour des analyses spécifiques

Le logiciel vous guide pour utiliser les fonctions dans le bon ordre lors de l’analyse d’images, notamment avec des méthodes conformes aux normes internationales les plus courantes. Dans le cas d’une platine motorisée, la fonction d’alignement accélère votre travail en plusieurs points de l’échantillon.

Guided Operation for Specific Analyses
Automatic Calibration

Étalonnage automatique

La fonction d’étalonnage automatique utilise un micromètre standard pour étalonner le microscope. Elle génère automatiquement un rapport d’étalonnage. Cette fonction élimine la variabilité liée à l’utilisateur dans le processus d’étalonnage afin d’obtenir des mesures plus fiables.

Outils d’analyse automatisés

Les outils automatisés du logiciel peuvent générer une très grande quantité de données en quelques minutes seulement. Grâce à l’étalonnage automatique du grossissement à l’aide d’un réticule à grille étalonné, vos images s’affichent avec la bonne échelle et vos mesures sont confirmées. Des images de larges zones peuvent être automatiquement créées à l’aide des platines XYZ motorisées. Vous obtenez ainsi des images haute résolution de larges zones.

Sharp and high-contrast MIA image of integrated circuit (IC) pattern (dark field observation with 20X objective lens)

Image MIA nette à contraste élevée d’un motif de circuit intégré (observation en fond noir avec objectif 20X)

Des informations quantitatives fiables

Les outils du logiciel fournissent des informations quantitatives sur votre échantillon. Les mesures interactives effectuées sur des images fixes et en cours d’acquisition fournissent les dimensions de base (longueur, aire et diamètre). Les résultats sont directement visibles sur l’image.

La baguette magique et des formes de polygones complexes pour mesurer des aires en mode semi-automatique figurent parmi les mesures interactives avancées. La solution de numération et de mesure donne également accès à plus d’une centaine de paramètres de particule pour réaliser une analyse quantitative basée sur la méthode des seuils.

Basic measurement (supra conductor)

Mesures de base (supra conducteur)

Magic wand (supra conductor)

Baguette magique (supra conducteur)

Object detection (supra conductor)

Détection d’objets (supra conducteur)

Production efficace de rapports

Générer un rapport prend souvent plus de temps que l’acquisition de l’image et la prise de mesures elles-mêmes. Grâce au logiciel, vous pouvez générer, de façon répétée, des rapports intelligents et complexes fondés sur des modèles prédéfinis. La modification des modèles est facile et les rapports peuvent ensuite être exportés vers Microsoft Word, Excel ou PowerPoint. La fonction de création de rapports d’analyse permet aussi d’utiliser un zoom numérique et d’effectuer des agrandissements des images enregistrées. La taille des fichiers des rapports n’est pas trop volumineuse et facilite ainsi l’échange de données par courriel.

Professional report that summarizes particle counting data

Rapport professionnel récapitulant les données de décompte de particules

Gestion de données intégrée

Le logiciel de gestion de données Stream Enterprise permet l’exécution efficace des processus opérationnels comportant de grandes quantités de données et de nombreux utilisateurs, et ce, avec un niveau élevé de sécurité des données.

Droits d’utilisateurs

Il y a quatre rôles auxquels des droits d’utilisateurs peuvent être accordés : administrateur, utilisateur expérimenté, utilisateur et invité. Pour plus de flexibilité, vous pouvez modifier chacun de ces rôles. De plus, vous pouvez attribuer des droits d’accès pour chaque projet ou enregistrement de données à des personnes définies ou aux membres d’un groupe en particulier. L’authentification est possible par connexion SQL lors du démarrage de Stream Enterprise, ou par l’intégration d’un annuaire actif existant et d’un protocole LDAP (Lightweight Directory Access Protoco l) qui permettent l’utilisation de fonctionnalités d’authentification unique.

Outil Secure File Repository

Pour une sécurité supplémentaire des données, Stream Enterprise propose en option l’outil Secure File Repository. Agissant comme une couche de sécurité supplémentaire, l’outil SFR travaille avec Stream Enterprise pour gérer les demandes de fichiers en fonction des droits d’accès des utilisateurs ; les utilisateurs non autorisés à ouvrir un fichier en particulier ne verront pas ce dernier dans leur répertoire de fichiers.

Intégration

Stream Enterprise peut être configuré pour interagir directement avec les systèmes existants de gestion des commandes, de gestion de l’information du laboratoire (LIMS), de gestion intégrée (ERP) et de gestion des relations avec la clientèle (CRM). Pour plus de flexibilité, le logiciel intègre des interfaces pour des protocoles de communication numériques, comme le modèle COM (Component Object Model) et l’interface ODBC (interface universelle de connexion aux bases de données), qui permettent une interaction plus facile avec d’autres programmes. Une fonctionnalité d’interface de programmation d’application (API) a également été ajoutée pour permettre l’utilisation des processus Stream Enterprise par d’autres programmes.

Accès aux bases de données existantes

Les enregistrements existants d’autres bases de données peuvent être importés dans Stream Enterprise avec toutes les données et métadonnées pertinentes correctement organisées. Il est également possible d’utiliser certaines sources de données existantes sans les importer (accès en lecture seule).

Votre système

Adaptez le logiciel à vos besoins

Développé spécialement pour nos microscopes Olympus, le logiciel de gestion de données Stream Enterprise est un outil de mesure puissant et convivial. Grâce à ce logiciel, l’utilisateur n’a pas à enregistrer manuellement les paramètres optiques des objectifs UIS2 quand il utilise ceux-ci avec un microscope classique. Plus besoin non plus d’étalonner le grossissement du microscope lorsque les images acquises sont importées depuis nos microscopes DSX ou LEXT. Le logiciel est disponible en plusieurs versions, allant du progiciel d’entrée de gamme à celui rassemblant les fonctionnalités plus avancées.

Progiciels OLYMPUS Stream

OLYMPUS Stream est disponible en quatre progiciels se distinguant par leurs fonctionnalités : Start, Basic, Essentials et Motion.
Des modules de solutions dédiées aux matériaux, spécifiques à certaines applications, peuvent être ajoutés pour optimiser les tâches d’analyse répétitives. Les représentants d’Olympus sont à votre disposition pour vous aider à déterminer le progiciel le mieux adapté à vos besoins.

En savoir plus

S’intègre parfaitement aux microscopes optiques Evident

Microscopes droits de contrôle

BX53M microscope and software system

BX53M microscope and software system

Le microscope BX53M utilise des fonctions codées qui intègrent les paramètres matériels du microscope dans le logiciel de gestion de données Stream Enterprise. La méthode d’observation, l’intensité de l’éclairage et la position de l’objectif sont enregistrées par le logiciel et/ou la console de commande. Les réglages du microscope peuvent être automatiquement enregistrés avec chaque image, ce qui facilite la reproduction ultérieure des réglages et fournit la documentation nécessaire pour créer des rapports.

Voir nos microscopes droits

Microscopes inversés de contrôle

GX53 microscope and software system

Microscope BX53M et système logiciel

Our digital cameras provide high-resolution viewing and fast image transfer while our software provides all the tools needed for today's complex metallurgical requirements.
Choose from extended measurements, standard metallography, and advanced metallography application-specific modules (over a dozen application specific routines are available), and automatically populate data and create reports that comply with common ASTM and ISO specifications.

View our inverted microscopes

Microscopes de contrôle pour semi-conducteurs

Integrated microscope and software system

Microscope intégré et système logiciel

Nos caméras numériques offrent un affichage haute résolution et un transfert rapide des images. Elles sont complétées par un logiciel qui inclut tous les outils nécessaires pour répondre aux exigences complexes de la métallurgie actuelle.
Choisissez parmi des modules étendus de mesures, de métallographie standard et de métallographie avancée spécifiques aux applications (plus d’une douzaine de routines propres à des applications sont disponibles) ; collectez automatiquement des données et générez des rapports conformes aux spécifications courantes des normes ASTM et ISO.

Voir nos microscopes inversés

Stéréomicroscopes de contrôle

SZX16 microscope and software system

Microscope SZX16 et système logiciel

Le réglage motorisé de la mise au point de notre stéréomicroscope permet d’augmenter l’efficacité et d’automatiser les documentations numériques créées avec la fonction d’imagerie à profondeur de champ étendue (EFI). Il permet également de produire des pseudo-images 3D. Le logiciel est doté d’outils pour effectuer des mesures 2D simples ainsi que des analyses de phase complexes. Il prend en charge de nombreuses opérations dont l’observation, la génération de rapports, la création de bases de données et l’archivage.

Voir nos stéréomicroscopes

Amélioration de la puissance des microscopes confocaux et numériques d’Evident

Utilisez le logiciel de gestion de données Stream Enterprise pour le post-traitement (Stream Enterprise Desktop) avec la gamme complète de microscopes numériques de la série DSX et le microscope laser de mesure 3D LEXT.

LEXT 3D measuring laser microscope

Microscope à balayage laser de mesure 3D LEXT

DSX digital microscope series

Microscopes numériques DSX

Voir le microscope à balayage laser de mesure 3D LEXT
Voir le microscope numérique DSX

Compatible avec la plupart des caméras numériques Evident

Résolution et fidélité des couleurs

The low-noise, high-resolution images of a 9-megapixel sensor enable the user to zoom deep into the sample, revealing its structures (sandstone)

Le faible bruit de fond et les images haute résolution du capteur de 9 mégapixels permettent à l’utilisateur de zoomer en profondeur dans l’échantillon pour révéler des structures (grès).

L’excellente résolution spatiale combinée à un nombre élevé de pixels exploite la résolution optique complète des objectifs et permet d’obtenir une image des structures et des détails dans les plus petits échantillons, même avec des objectifs à faible grossissement. Les images haute définition vous permettent de réaliser des observations directement à l’écran, sans utiliser les oculaires.

Visualisez davantage de détails grâce à l’infrarouge (IR)

Brightfield image 5x taken with the DP23M monochrome camera, a. Brightfield image 5x b.) IR image 5x (BP1100 nm filter), c.) Cropped detail 20x IR, d.) Cropped detail 20x IR with DCE filtering

Image à fond clair 5x obtenue avec la caméra monochrome DP23M,
a.) Image à fond clair 5x
b.) Image IR 5x (filtre BP1100 nm),
c.) Détail de la zone sélectionnée 20x, IR,
d.) Détail de la zone sélectionnée 20x, IR avec filtrage DCE

Le mode d’imagerie IR est un outil fondamental pour les responsables contrôle qualité et les laboratoires de recherche et développement. L’infrarouge permet l’inspection non destructrice à travers les couches de silicium de produits encapsulés lors des étapes finales de fabrication.

Voir nos caméras numériques

Méthodes d’observation dédiées aux sciences des matériaux

Imagerie HDR pour un meilleur contraste

L’imagerie à plage dynamique étendue (HDR) améliore le contraste de l’image dans des conditions difficiles (zones très lumineuses et zones très sombres dans la même image). Toutes les caméras compatibles avec le logiciel de gestion de données Stream Enterprise peuvent être utilisées dans ce mode. Les caméras spécialisées disposent d’un mode d’affichage en temps réel.

Clearly exposed for both dark and bright parts by HDR (Sample: fuel injector bulb)

Exposition parfaite pour les zones sombres et les zones lumineuses grâce au HDR (échantillon : ampoule d’injecteur de carburant)

Contrast enhancement by HDR (Sample: Sliced magnesite)

Amélioration du contraste grâce à la fonction HDR (échantillon : coupe de magnésite)

Mode d’observation MIX pour visualiser la structure de la surface d’un échantillon

Le logiciel prend en charge notre mode d’observation combinée (MIX)

Cette technique d’illumination combine l’observation en champ sombre directionnel, qui utilise une LED circulaire pour éclairer un ou plusieurs quadrants à un moment donné, et la microscopie à fond clair, en fluorescence ou à lumière polarisée, pour mettre en évidence des défauts et des différences de reliefs à partir de creux difficiles à observer avec des microscopes conventionnels. L’observation MIX, qui contribue à réduire le halo d’un échantillon, est utile pour visualiser la texture de la surface d’un échantillon.

Conventional: brightfield shines the light straight down on the sample while traditional darkfield highlights scratches and imperfections on a flat surface by illuminating the sample from the side of the objective

Méthode classique : La technique du fond clair projette la lumière directement sur l’échantillon tandis que la technique du fond noir traditionnelle met en évidence les rayures et les imperfections sur une surface plane en éclairant l’échantillon depuis le côté de l’objectif.

Conventional: brightfield shines the light straight down on the sample while traditional darkfield highlights scratches and imperfections on a flat surface by illuminating the sample from the side of the objective

Méthode classique : La technique du fond clair projette la lumière directement sur l’échantillon tandis que la technique du fond noir traditionnelle met en évidence les rayures et les imperfections sur une surface plane en éclairant l’échantillon depuis le côté de l’objectif.

Advanced: MIX is a combination of brightfield and directional darkfield from a ring of LEDs; the LEDs can be adjusted to select which direction to illuminate from

Avancé : MIX est une combinaison d’un fond clair
et d’un fond noir directionnel à partir d’un anneau de LED ; les LED peuvent être réglées pour sélectionner la
direction de l’éclairage.

Solutions

Résolution de vos problèmes d’inspection

Les laboratoires industriels doivent pouvoir constamment produire des résultats reproductibles dans le cadre de leurs procédures opérationnelles normalisées. Le logiciel de gestion de données Stream Enterprise facilite les inspections, les mesures et les analyses grâce à un processus opérationnel simple et fiable. Il propose une variété d’outils qui s’appliquent à différents types d’analyses en sciences des matériaux et qui offrent des résultats fiables.

Evident industrial microscopes support metallurgical analysis solutions

Evident industrial microscopes support metallurgical analysis solutions

Solution Count and Measure (numération et mesure)

La solution de numération et de mesure du logiciel applique des méthodes de seuillage avancées pour séparer de l’arrière-plan certains objets, comme des particules et des rayures. Plus de 50 paramètres différents de mesure et de classification d’éléments sont disponibles, notamment des paramètres de forme, de taille, de position et de propriétés des pixels.

Conventional software Unclear grain boundaries

Conventional software
Unclear grain boundaries

Etched steel microstructure (original image)

Etched steel microstructure
(original image)

Stream Enterprise Grain boundaries are clearly detected

Stream Enterprise
Grain boundaries are clearly detected

Grain classification results

Résultats de la classification des grains

Analyses efficaces

Example of Macro Manager set up for Count and Measure

Exemple de configuration du gestionnaire de macros pour la solution de numération et de mesure

Vous pouvez prérégler des tâches complexes d’imagerie et de mesure à l’aide du gestionnaire de macros, puis les exécuter d’un simple clic.

Filtres d’image puissants

Enhanced contrast using the DCE filter (dendrite in an aluminum casting)

Amélioration de contraste à l’aide du filtre DCE (dendrites dans de l’aluminium coulé)

Stream Enterprise dispose d’une variété de filtres destinés, entre autres, à la détection des bords et au lissage.

Technologie TruAI™ basée sur l’apprentissage profond

La segmentation d’images à l’aide de méthodes de seuillage classiques qui dépendent de la luminosité ou de la couleur peut rater des informations ou des cibles essentielles dans les échantillons. La solution TruAI du logiciel de gestion de données Stream Enterprise propose une approche de segmentation plus précise à l’aide de la technologie d’apprentissage profond, pour une analyse hautement reproductible et robuste. Elle comprend notamment la segmentation d’instances, ou segmentation par contours, qui divise une image en instances individuelles d’un objet.

En savoir plus la technologie d’apprentissage profond TruAI

Image originale de cendres volantes de lignite (à gauche) dans OLYMPUS Stream/PRECiV, segmentation de l’image à l’aide de méthodes de seuillage classiques (à droite)

Image originale de cendres volantes de lignite (à gauche) dans OLYMPUS Stream/PRECiV, segmentation de l’image par apprentissage profond (à droite)

Mesures 3D et profils de hauteur

Pour la mesure d’un échantillon en trois dimensions, la solution 3D du logiciel de gestion de données Stream Enterprise permet la commande codée et motorisée de l’axe des Z, de même que l’acquisition instantanée d’images à profondeur de champ étendue (EFI) avec cartographie de hauteur.

3D surface view (Roughness test sample)

Vue de surface 3D (échantillon de test de rugosité)

Single view and 3D profile measurement

Vue simple et mesure de profil 3D

Solutions dédiées à la métallographie

Solutions for Metallography

La métallographie est utilisée dans le développement de matériaux, l’inspection à la réception, la production, le contrôle de fabrication, et l’analyse des défaillances.

  • Granulométrie à l’aide de la méthode par comptage d’intercepts
  • Granulométrie à l’aide de la méthode planimétrique
  • Évaluation de la nodularité du graphite
  • Évaluation de la présence d’inclusions non métalliques dans de l’acier à haute pureté
  • Comparaison d’images d’un échantillon avec des étalons de référence
  • Mesure manuelle ou automatique de l’espacement entre les branches dendritiques

Solutions dédiées au traitement des métaux (secteurs des pièces automobiles et des pièces usinées)

Solutions for Machinery Processing (Automotive / Machined Parts Industries)

Afin de produire des pièces de haute qualité, il est nécessaire d’effectuer une surveillance stricte de la taille des pores et de la présence de rayures, fissures, et de contamination pendant le processus de production.

  • Distorsion induite pendant le soudage
  • Mesure des phases et des régions d’intérêt
  • Distribution des particules

Solutions dédiées à l’électronique (secteurs des appareils électroniques et des semi-conducteurs)

Solutions for Electronics (Electronic Device / Semiconductor Industries)

Dans les circuits imprimés, un revêtement est appliqué sur des plaques très fines, et la vérification de l’homogénéité de ce revêtement est un élément clé de la qualité du produit.

  • Mesure du pouvoir de pénétration
  • Mesure automatique des dimensions critiques

Solutions dédiées aux revêtements de surface et aux dépôts de film minces (industries du revêtement)

Solutions for Surface Coatings and Thin Film Deposits (Coating Industries)

Les revêtements de surface sont constitués d’un mélange de matériaux qui contiennent des pigments, des solvants et d’autres additifs. Lorsqu’ils sont appliqués sur une surface, puis durcis ou séchés, ils forment un film mince fonctionnel et souvent décoratif.

  • Évaluation de l’épaisseur d’un revêtement mince (méthode du Calotest)
  • Mesure de l’épaisseur des couches
  • Mesure de la proportion et de la densité en pores

Solutions de procédures personnalisées

Particle detection
Notre équipe de personnalisation conçoit des processus opérationnels sur mesure pour des applications spécifiques dans le logiciel de gestion de données Stream Enterprise. Le processus d’utilisation du logiciel est configuré selon vos besoins afin que vous puissiez résoudre rapidement les problèmes et atteindre vos objectifs lors des inspections que vous effectuez à l’aide de microscopes industriels.

Des solutions pour matériaux adaptées à chaque domaine d’application

Solutions
Descriptions
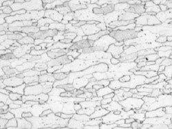
Grain intercept (granulométrie – méthode par intercepts)
Les producteurs d’acier utilisent cette solution pour mesurer et contrôler la taille des grains après la coupe transversale, le polissage ou l’attaque d’échantillons en acier.
Cette fonction est basée sur la superposition de « lignes de test » et le comptage du nombre de points d’interception de ces lignes avec les joints de grains.
Grain Planimetric (granulométrie – méthode planimétrique)
Les producteurs d’acier utilisent cette solution pour mesurer et contrôler la taille des grains après la coupe transversale, le polissage ou l’attaque d’échantillons en acier.
Cette fonction reconstruit les joints de chaque grain et mesure la taille des grains avec le pourcentage de surface de la seconde phase.
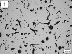
Non-Metallic Inclusions (inclusions non métalliques)
Les producteurs d’acier utilisent cette solution pour mesurer et contrôler la forme et la taille des inclusions non métalliques (oxyde, alumine, sulfure ou silicate) dans l’acier.
Cast Iron (fonte)
Les fabricants de pièces moulées utilisent cette solution pour mesurer et contrôler la nodularité du graphite et pour vérifier les caractéristiques mécaniques de leurs produits de fonderie.
Chart Comparison (comparaison par abaques)
Une image fixe ou en temps réel peut être superposée sur des abaques standard à des fins de comparaison. L’aperçu de la fonction est disponible.
Dendrite Arm Spacing (espacement entre les branches dendritiques)
Cette solution est utilisée pour déterminer manuellement ou automatiquement l’espacement moyen entre les branches dendritiques dans la fonte d’aluminium.
Layer Thickness (épaisseur des couches)
La solution Layer Thickness (épaisseur des couches) permet de mesurer une ou plusieurs couches d’un échantillon en coupe transversale. Les formes sont définies et les couches sont mesurées de manière automatique.
Coating Thickness (épaisseur de revêtement)
Cette solution permet de mesurer l’épaisseur du revêtement à partir d’images en vue de dessus au moyen de la méthode du Calotest.
Automatic Measurements (mesures automatiques)
Cette solution est utilisée pour effectuer, sur une image en temps réel, des mesures fondées sur la détection des bords avec reconnaissance des formes.
Throwing Power (pouvoir de pénétration)
Cette solution permet de mesurer la distribution de l’épaisseur d’un placage en cuivre dans des trous traversants ou des microtrous d’interconnexion.
Porosity (porosité)
Cette solution permet de mesurer les pores, soit en proportion de la surface ou en nombre de pores à l’aide de régions d’intérêt (circulaires, triangulaires, rectangulaires et polygonales) et de seuils.
Particle Distribution (distribution des particules)
Cette solution permet de créer des histogrammes et des tableaux de distribution de la taille des particules à partir d’images multiples ou de séries d’images.
Advanced Phase Analysis (analyse de phase avancée)
Cette fonctionnalité offre une nouvelle solution intégrée d’analyse de phase sur un choix de régions d’intérêt, y compris des triangles, des cercles, des rectangles et des polygones.
Solutions Métal/Moulage Automobile Verre/Céramique Revêtement Produits de consommation Appareils électroniques
Grain intercept (granulométrie – méthode par intercepts)
Grain Planimetric (granulométrie – méthode planimétrique)
Inclusion Worst Field (méthode de classement des inclusions d’après la zone d’échantillon la plus contaminée)
Cast Iron (fonte)
Chart Comparison (comparaison par abaques)
Layer Thickness (épaisseur des couches)
Coating Thickness (épaisseur de revêtement)
Automatic Measurements (mesures automatiques)
Throwing Power (pouvoir de pénétration)
Porosity (porosité)
Particle Distribution (distribution des particules)
Solutions Semi-
conducteurs
Liquides et huiles Pièces
usinées
Carbone/
Composites
Produits chimiques/
Plastique/
Caoutchouc
Recherche
scientifique dans
le secteur industriel
Grain intercept (granulométrie – méthode par intercepts)
Grain Planimetric (granulométrie – méthode planimétrique)
Inclusion Worst Field (méthode de classement des inclusions d’après la zone d’échantillon la plus contaminée)
Cast Iron (fonte)
Chart Comparison (comparaison par abaques)
Layer Thickness (épaisseur des couches)
Coating Thickness (épaisseur de revêtement)
Automatic Measurements (mesures automatiques)
Throwing Power (pouvoir de pénétration)
Porosity (porosité)
Particle Distribution (distribution des particules)
Advanced Phase Analysis (analyse de phase avancée)

Caractéristiques techniques

Principales caractéristiques des licences

Enterprise Desktop
Acquisition d’images Acquisition d’image basique comprenant la fonction HDR et l’étalonnage automatique du grossissement et de l’HDR en temps réel*1, ainsi que la navigation de position*1
Mise au point automatique par le logiciel*2 et acquisition d’images vidéo (format .avi)
Imagerie séquentielle, fonctions EFI instantanée et MIA instantanée/manuelle*3
Acquisitions par fonctions EFI/MIA motorisées et empilement de mises au point
Outils d’imagerie et de personnalisation Fenêtres d’outils basiques (historique de l’image, propriétés, navigateur, galerie)*4
Annotations, gestion des couches, échelle, réticule, affichage d’informations et filtres d’image
Réticule/grille numérique, affichage de profil de ligne, fonction personnalisée (« My function »), gestion de la disposition de l’affichage à l’écran et gestionnaire de macros (« Macro Manager »)
Mesures / analyse d’image Mesure interactive de base (distance, angles, rectangles, cercles, ellipses, polygones, distance de cercle à cercle et rapporteur laser et rapporteur de ligne) et exportation des données dans MS-Excel
Analyse de phases, baguette magique, polyligne à main levée, polygone interpolé, filtre morphologique et opérations arithmétiques sur l’image
Mesures 3D, mesures du profil 3D et vue 3D de la surface
Création de rapports*5 Production de rapports (formats MS Word et MS Excel)
Création de présentations
Gestion des données Système de gestion de données client/serveur pour un nombre illimité d’utilisateurs simultanés de bases de données**6
Administration d’images et d’autres documents axée sur les utilisateurs ou les projets
Droits d’utilisateur variables pour l’accès aux images et aux données
Accès aux données rapide et contrôlable
Fonctions de recherche très performantes
SGBD pris en charge : Microsoft SQL Server 2008 R2/R2 Express, Microsoft SQL Server 2012 (SP1 et SP2)/Express (SP1 et SP2), Microsoft SQL Server 2014/Express, Microsoft SQL Server 2017/Express, Microsoft SQL Server 2019/Express, Oracle 11g R2/express et Oracle 12g R2/express
Service sophistiqué de stockage sécurisé offert par la technologie Secure File Repository (SFR)
Appareils compatibles Microscopes Evident**7 et caméras Evident*8
Caméras et convertisseurs de sources d’image d’autres marques qu’Evident*9
Contrôleurs de platine d’autres marques qu’Evident*9
Configuration PC requise
Processeur
Intel® Core i5, Intel® Core i7, Intel® Xeon
Mémoire RAM/Disque dur/Lecteur DVD
4 Go ou plus (8 Go recommandés)/2,4 Go ou plus d’espace libre/Compatible avec les disques DVD+R DL
Systèmes d’exploitation*10
Windows 10 Pro (64 bits), Windows 8.1 (64 bits) Pro
.NET Framework
Version 4.6.2 ou ultérieure
Carte graphique*11
Résolution de l’écran de 1280 × 1024 avec carte vidéo de 32 bits
Navigateur Internet
Windows Internet Explorer 8, 9, 10 ou 11

*1 Nécessite la caméra DP74 ; la fonction Live HDR requiert un système d’exploitation 64 bits.
*2 Nécessite un microscope Evident avec un axe Z motorisé ou un axe Z motorisé externe
*3 La fonction MIA instantanée peut ne pas fonctionner correctement avec certaines caméras.
*4 Écriture et lecture de la plupart des formats de fichier, ouverture des formats propres à Evident (formats de fichiers DSX, LEXT et POIR)
*5 Nécessite d’installer au préalable Microsoft Word 2010, 2013, 2016, 2019 ou Office 365 (non fournis)
*6 Utilise Microsoft SQL Server Express
*7 Compatible avec les systèmes BX53M, BX2, IX2, GX, GX53, SZX, SZX2, SZX-ZE, MX, MX63, MX63L, MVX, STM7-CB, CBS, BX3M-CB, BX3M-CBFM et BX-REMCB
*8 Compatible avec les systèmes LC20, LC30, LC35, DP22, DP23, DP27, DP28, DP73, DP74, SC30, SC50, SC100, SC180, UC30, UC50, UC90, XC10, XC30, XC50, XM10 et DP23M
*9 Veuillez contacter Evident pour obtenir des informations sur les appareils compatibles.
*10 À partir de la version Stream 2.5, les caméras DP74, DP73 et SC180/UC90 d’Evident sont compatibles avec Windows 10/8.1 uniquement. Windows 7 n’est plus pris en charge.
*11 Configurations requises pour la fonction HDR en cours d’acquisition avec la caméra DP74. Carte graphique compatible avec la technologie CUDA fabriquée par NVIDIA (capacité de calcul de 2.1 ou plus). Pilote de carte graphique compatible avec CUDA 9.1 et autres versions plus récentes.

Caractéristiques des solutions spéciales

Solution Compatibilité Fonctions
Enterprise Desktop Type de mesure
3D Incluse Partiellement incluse* Vue 3D de la surface, mesures 3D, mesures du profil 3D, fonctions d’empilement de mises au point/EFI motorisées, fonction EFI instantanée avec cartographie de la hauteur (requiert un axe des Z codé ou motorisé)
Mesure de soudures Fonctionnalité de mesure de soudures (mesures de la distorsion géométrique induite par la chaleur pendant le soudage)
Numération et mesure Plusieurs méthodes par seuil sont disponibles (automatique, TSV manuelle, manuelle et adaptative)
Le système peut automatiquement mesurer plusieurs paramètres sur tous les objets segmentés (surface, rapport de forme, bissectrice, rectangle de délimitation, centre de gravité, ID, centre de masse, valeurs d’intensité, convexité, diamètres, allongement, diamètre de Féret, étendue, distance des plus proches voisins, orientation, périmètre, rayon, forme, sphéricité, etc.). Tableur et abaques avec mesures individuelles et mesures de distribution.
Technologie d’apprentissage profond TruAI™ Entraînement de réseaux neuronaux à l’aide de méthodes de segmentation sémantique (objets bien séparés) ou d’instances (objets touchant les bordures)

* Impossibilité d’utiliser les fonctions relatives aux acquisitions d’images

Caractéristiques des solutions dédiées aux matériaux

Solution Possibilités Fonctions
Enterprise Desktop Création automatique de rapports Classeur avec mesure individuelle Stockage de tous les résultats dans les propriétés de l’image Type de mesure Normes prises en charge
Grain intercept (granulométrie – méthode par intercepts) Choix de formes (cercles, croix, croix et cercles, lignes verticales, lignes horizontales, lignes verticales et horizontales)

Définition du nombre de lignes de test pour la détermination de l’allongement du grain

Affichage de la valeur G de grossissement du microscope dans la fenêtre d’outils « Material Solutions » (solutions dédiées aux matériaux)
ASTM E112-13(2021), ISO 643:2020, JIS G 0551:2020, JIS G 0552:1998, GOST 5639-82, GB/T 6394-2017, DIN 50601:1985, ASTM E1382-97(2015)
Grain Planimetric (granulométrie – méthode planimétrique) ■*2 Extraction automatique des joints de grains

Intervention de l’utilisateur à l’aide des curseurs Stream offrant une plus grande facilité d’utilisation

Affichage de l’histogramme de l’indice G dans la fenêtre d’outils « Material Solutions » pour une interaction directe
ASTM E112-13 (2021), ISO 643:2020, JIS G 0551:2020, JIS G 0552:1998, GOST 5639-82, GB/T 6394-2017, DIN 50601:1985, ASTM E1382-97(2015)
Non-Metallic Inclusions (inclusions non métalliques) Détection automatique des inclusions non métalliques selon la couleur, la forme et la taille

Classement automatique des oxydes, sulfures, silicates et aluminates

Affichage en temps réel de l’inclusion détectée et de son classement

Vue d’ensemble statistique des inclusions sur l’ensemble de la zone de balayage
ASTM E45-18a (method A), DIN 50602:1985 (method M), ISO 4967:2013 (method A), GB/T 10561-2005 (method A, equivalent to ISO 4967), JIS G 0555:2003 (method A, equivalent to ISO 4967), UNI 3244:1980 (method M), EN 10247:2017 (methods P and M), EN 10247:2007 (methods P and M), ASTM E45-18 (method D), ISO 4967:2013 (method B), SEP 1571-2017 (methods M and K), EN10247:2017 (method K).
Cast Iron (fonte) Sur des échantillons polis : mesure automatique des caractéristiques du graphite (taille, forme et distribution)

Sur des échantillons attaqués : mesure du rapport ferrite-perlite

Processus opérationnel intégré tenant compte de l’état de l’échantillon (attaqué ou poli)
EN ISO 945-1:2018, ASTM A247-17, JIS G 5502:2001, KS D 4302:2006, GB/T 9441-2009, ISO 16112:2017, JIS G 5505:2013, NF A04-197:2017, ASTM E2567-16a (for nodularity only)
Chart Comparison (comparaison par abaques) Plusieurs affichages proposés, y compris la superposition en cours d’acquisition

Intervention de l’utilisateur à l’aide des curseurs Stream offrant une plus grande facilité d’utilisation

Calcul de statistiques sur les valeurs sélectionnées
DIN 50602:1985, ISO 945-1:2019, ISO 643:1983, ISO 643:2012, EN 10247:2017, SEP 1520:1998, SEP 1572:2019, ASTM E112:13(2021), ISO 4505:1978
Layer Thickness (épaisseur des couches) Les limites des couches peuvent être spécifiées par détection automatique, par baguette magique ou en mode manuel (en utilisant deux ou trois points).

Possibilité d’ajouter ou de supprimer des mesures individuelles ultérieurement

Prise en charge des mesures de tous les types de couches d’échantillon (avec limites régulières ou non)

Possibilité de calculer les valeurs moyennes, maximales et minimales, de même que les données statistiques pour chaque couche
Coating Thickness (épaisseur de revêtement) Revêtements imprimés mesurés à partir d’une vue de dessus

Calcul de l’épaisseur du revêtement en fonction de la géométrie de l’échantillon
EN 1071-2:2002, VDI 3824: 2001, ISO 26423:2016
Dendrite Arm Spacing (espacement entre les branches dendritiques) Détermination de l’espacement moyen entre les bras dendritiques dans les alliages d’aluminium
Automatic Measurements (mesures automatiques) Mesure automatique de distances (point à point, point à ligne, cercle à cercle, point à cercle, ligne à cercle)

Mesure automatique du diamètre de cercles (circularité, rectangle de délimitation)

Mesure automatique des angles entre deux lignes

Définition des valeurs de tolérance pour la mesure et la validation visuelle

Modes expert et utilisateur pour la répétabilité des mesures
Throwing Power (pouvoir de pénétration) Mesures manuelles du point d’intérêt sélectionné sur l’échantillon

Points prédéfinis déclenchés par l’opérateur

Sélection du type de trous d’interconnexion et documentation de l’analyse

Rapports et calcul automatique selon les mesures manuelles
Porosity (porosité) Détection des pores par région d’intérêt (triangle, cercle, rectangle, polygone ou baguette magique) avec fonctionnalité de chevauchement

Mesure de la surface spécifique, du nombre et de la densité des pores

Mesure du plus gros pore

Mesure d’une plage de tailles spécifiée
Particle Distribution (distribution des particules) Définition des particules à l’aide de réglages de seuil simplifiés

Classement automatique selon un paramètre sélectionné (taille, couleur ou forme)

Mesure des régions d’intérêt et seuils multiples

Définition de la validation et du codage selon les normes définies par l’utilisateur
Advanced Phase Analysis (analyse de phases avancée) Proportion de phases par région d’intérêt (triangle, cercle, rectangle ou polygone)

Baguette magique, polyligne à main levée, polygone interpolé, filtre de morphologie et arithmétique d’image également utilisables

Mesure du pourcentage de phase total, par phase et par région d’intérêt

Détection de la zone minimale sélectionnable

* 2 Un abaque Stream Enterprise avec la distribution peut être généré.

Ressources

Articles de blogue

Vidéos

Ressources produit