材料学显微镜解决方案
金属材料重要性简介

由于优异的导电性和机械性能,例如拉伸强度、疲劳强度和延展性,金属材料可以被认为是最重要的无机工程材料。这些材料在机械性能方面也表现出很高的灵活性,因为可以通过热处理或成分变化对它们进行调整。金属材料通常由铁、钛、铝和金等金属元素与碳、氮和氧等少量非金属材料结合而成。

常见的金属合金类包括:

材料微观结构属性

根据行业、合金类型和应用,产品要在特定操作和环境条件下安全运行,需要具备某些机械和微观结构性能。

以下分析方法通常用于金属工件和材料的微观结构和形态检查,以检查制造过程前后的质量。

材料学图像分析解决方案

我们的工业图像分析软件拥有指导性工作流程,可简化材料科学分析。这些分步指导使结果具有可重复性和可靠性。有一系列可选的材料解决方案供您添加,并带有用于材料鉴定和评估的专门工作流程。这些解决方案使您能够根据通用的国际标准(ISO、ASTM、JIS和DIN)进行分析。查找各种材料的解决方案,包括金属、陶瓷、涂层、焊缝、铝合金和铸铁。

所有材料解决方案都可以在PRECiV 2维图像和测量软件中实现。Stream Enterprise数据管理软件。

https://adobeassets.evidentscientific.com/content/dam/video/videolibrary/videos/PRECiV_1.2_fv.mp4

PRECiV 2维图像和测量软件

简单易用的PRECiV软件使您能够控制显微镜,这样就可以在生产、质量控制和检测操作中进行重复的2维测量。

了解更多

https://adobeassets.evidentscientific.com/content/dam/video/videolibrary/videos/Stream_Analysis_Software_480_new_(1).mp4

Stream Enterprise数据管理软件

Stream Enterprise数据管理软件为图像采集、定量测量和图像分析、报告以及高级材料科学检测任务的所有流程步骤提供快速、高效的检测工作流程。

了解更多

材料解决方案

晶粒度

晶粒度

了解更多

铸铁

铸铁

了解更多

颗粒分布

颗粒分布

了解更多

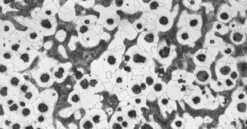
非金属夹杂物

非金属夹杂物

了解更多

孔隙率分析

孔隙率分析

了解更多

相分析

相分析

了解更多

枝晶间距

枝晶间距

了解更多

层/镀层厚度

层/镀层厚度

了解更多

标准评级图对比

标准评级图对比

了解更多

材料学显微镜解决方案

我们是材料科学和工业应用显微镜的领先制造商,在开发显微镜方面拥有超过100年的经验。除了我们的图像分析软件,我们还提供可进行金相学和材料分析的各种显微镜。

GX53倒置显微镜

GX53倒置显微镜

GX53倒置显微镜具有极高的图像清晰度和高倍分辨率。该显微镜拥有带编码的物镜转换器和软件等附件,其模块化设计使其可以轻松地根据您的要求进行定制。

了解更多

BX53M正置显微镜

BX53M正置显微镜

BX3M系列正置显微镜在设计上考虑了模块化,对于各种材料科学和工业应用都具有灵活适用性。

了解更多

DSX1000数码显微镜

DSX1000数码显微镜

DSX100数码显微镜结合了易用性和先进的功能,能够简化您的检测。DSX100系统包括大量易于更换的镜头可供选择,可进行快速的宏观到微观观察,以及搭配远心光学系统进行精确测量。

了解更多

数码显微镜相机

数码显微镜相机

奥林巴斯的数码显微镜相机专为显微镜而设计。我们的数码显微镜相机与我们的显微镜和图像分析软件无缝兼容,可提供全分辨率高实时帧率。

了解更多

材料学应用

分析钢材中的非金属夹杂物

阅读应用注释

钢中的非金属夹杂物分析

钢材晶粒度评价

阅读应用注释

钢材晶粒度评价

球状石墨铸铁评价

阅读应用注释

球状石墨铸铁评价

使用工业标准图进行视觉比较评价

阅读应用注释

使用工业标准图进行视觉比较评价

使用奥林巴斯Stream图像分析软件测量焊缝厚度

阅读应用注释

使用奥林巴斯Stream图像分析软件测量焊缝厚度

使用图像分析软件测量匀镀能力或PCB铜镀层厚度的均匀性

阅读应用注释

使用图像分析软件测量匀镀能力或PCB铜镀层厚度的均匀性

铸铁分析

阅读应用注释

铸铁分析

金属和合金的晶粒度分析

阅读应用注释

金属和合金的晶粒度分析