Stream Enterprise Datenverwaltungssoftware

Die Stream Enterprise Software mit Datenverwaltung bietet intelligente Schritt-für-Schritt-Arbeitsabläufe zur Erfassung gestochen scharfer Bilder, die für quantitative Messungen und professionelle Berichterstellung basierend auf den neuesten Standards und Normen einsetzbar sind.

  • Product Availability: This product has been discontinued check out our current product

Stream Enterprise

Überblick

Schnelle, effiziente Prüfabläufe

Die Stream Enterprise Datenverwaltungssoftware bietet intelligente Schritt-für-Schritt-Arbeitsabläufe zur Erfassung gestochen scharfer Bilder, die für quantitative Messungen und professionelle Berichterstellung basierend auf den neuesten Standards und Normen einsetzbar sind. Anwender können unabhängig von ihrer Erfahrung komplexe Bildanalyseaufgaben von der Bildaufnahme bis zur Erstellung von Standardberichten unter allen denkbaren Bedingungen für die Bildgebung durchführen. Die auf Flexibilität ausgelegte Stream Enterprise Software ermöglicht eine schnelle und präzise Mikroskopie von verschiedenen Proben bei gleichzeitiger Wahrung der Datensicherheit und Messzuverlässigkeit. Mit Zusatzlösungen können Anwender die Stream Enterprise Software an ihre Anwendung anpassen, beispielsweise für die Qualitätsanalyse, Forschung und Entwicklung, Prozessentwicklung und Qualitätskontrolle.

https://adobeassets.evidentscientific.com/content/dam/video/videolibrary/videos/Stream_Analysis_Software_480_new_(1).mp4

Bilderfassung und Hardware-Support

Alle unterstützten Farb-, Monochrom-, IR-, SWIR-Kameras sind in die bedienerfreundliche Kamerasteuerung der Software integriert, die ebenso Vergrößerungs- und Kalibrierungsinformationen erfasst. Die Aufnahme fokussierter Bildern ist mit einem manuellen oder motorgesteuerten Tisch ganz einfach.

Messung, Bildanalyse und optionale erweiterte Bildgebungslösungen

Mit der Software kann eine Vielzahl geometrischer Messungen interaktiv oder mit erweiterten Bildverarbeitungs- und Analysefunktionen durchgeführt werden. Mit dem Arbeitsablauf für Materiallösungen können auch normkonforme Messungen erstellt werden. Die Software bietet eine Vielzahl von Werkzeugen für verschiedene materialwissenschaftliche Analysen, die Ergebnisse liefern, auf die Sie sich verlassen können.

Speicherung und gemeinsame Nutzung von Daten

Die Daten werden unter Verwendung der Client-Server-Technologie basierend auf dem Microsoft SQL Server sicher im lokalen Netzwerk gespeichert. Benutzerrechte und Datensicherheit können mit dem Secure File Repository-Paket optimiert werden.

Dokumentation

Zur Berichterstellung stehen leistungsstarke Werkzeuge, die Microsoft 365 mit direkter Verbindung zur Datenbank nutzen, zur Verfügung.

Testen Sie Stream Enterprise 30 Tage lang kostenlos!

Wählen Sie „Vorführung anfragen“ und geben Sie im ersten Kästchen an, dass Sie eine 30-Tage-Lizenz nutzen wollen.

Anwenderfreundliche Benutzerschnittstelle und Schritt-für-Schritt-Anleitung

Smarte Technologien für gestochen scharfe Bilder

Smart Technologies for Crisp Image Capture
  • Werkzeuge für Live-Bilder
  • Panorama und Extended Depth of Focus
  • Speicherung und Abruf von Erfassungseinstellungen

Hohe Effizienz bei wiederholenden Aufgaben

High Efficiency on Repeating Tasks
  • Angeleitete Bedienung
  • Analyse zur Bestimmung des Elementgehalts
  • Automatisierte Werkzeuge für effiziente Bildaufnahme
  • Effiziente Berichterstellung

Konzipiert für Hardware von Olympus

Nahtlose Integration mit Lichtmikroskopen von Olympus

Seamlessly Integration with Olympus Optical Microscopes
  • Aufrechte Mikroskope
  • Inverse Mikroskope
  • Halbleiter-Mikroskope
  • Stereomikroskope
  • LEXT 3D-Laser-Scanning-Mikroskop
  • DSX Digitalmikroskop

Einsatz von Digitalkameras von Olympus

Working with Olympus Digital Cameras
  • Farbtreue
  • Hohe Auflösung
  • On-Screen-Bildgebung in Echtzeit

Spezielle Mikroskopieverfahren

Dedicated Observation Methods
  • HDR-Bildgebung zur Verbesserung des Bildkontrasts
  • Einzigartiges MIX-Mikroskopieverfahren, das Probendetails mittels Hellfeld- und Dunkelfeldmikroskopie liefert

Lösungen für anspruchsvolle Prüfaufgaben

Moderne Bildgebungslösungen

Advanced Imaging Solutions
  • Software-Lösung zum Zählen und Messen
  • Dreidimensionale Bilddarstellung und Messung

Lösungen für die Metallographie

Solutions for Metallography
  • Korngrößenbestimmung nach dem Linienschnittverfahren
  • Planimetrische Korngrößenbestimmung
  • Beurteilung der Kugelgraphitbildung
  • Bewertung des Gehalts an nichtmetallischen Einschlüssen
  • Vergleich von Probenbildern mit Referenzstandards
  • Messung des Dendritenarmabstands

Software-Lösungen für den Maschinenbau (Automobil- und metallverarbeitende Industrie)

Solutions for Machinery Processing (Automotive / Machined Parts Industries)
  • Schweißverzug
  • Messung von Phasen und zu untersuchenden Bereichen
  • Partikelverteilung

Software-Lösungen für die Elektronik (Elektronik- und Halbleiterindustrie)

Solutions for Electronics (Electronic Device / Semiconductor Industries)
  • Messung der Streufähigkeit
  • Automatische Messung kritischer Größen

Software-Lösungen für Oberflächenbeschichtungen und dünne Filmüberzüge (Beschichtungsindustrie)

Solutions for Surface Coatings and Thin Film Deposits (Coating Industries)
  • Bestimmung der Dicke dünner Beschichtungen (Calotest)
  • Schichtdickenmessung
  • Messung des Porenanteils und der Dichte

Softwarekompatibilität mit Microsoft Office

Intelligente Technologie

Schritt-für-Schritt-Anleitung

Die dynamische Benutzeroberfläche hilft, Desktop-Wirrwarr und Verwechslungen zu reduzieren: Es werden nur die Werkzeuge und Funktionen angezeigt, die Sie benutzen möchten. Die Benutzeroberfläche führt Sie Schritt für Schritt durch die einzelnen Prozesse, beispielsweise die Bildaufnahme, Bildverarbeitung und Berichterstellung. Mit den intuitiven Werkzeugen der Software können sowohl einfache als komplexe Messungen leicht durchgeführt werden.

Einfache Layouts

In den übersichtlichen Layouts der Software werden immer nur die notwendigen Funktionen zur Durchführung der gewünschten Aufgaben angezeigt. Vereinfachte Layouts optimieren den Prüfablauf und führen den Benutzer effizient durch den Prüfprozess.

Fast measurements on a live image with just a few clicks of your mouse

Schnelle Messungen an einem Live-Bild mit wenigen Mausklicks

Estimating the pore size using live digital reticules (Cross section of die casting)

Bestimmung der Porengröße mit digitalen Fadenkreuzen in Echtzeit (Querschnitt eines Druckguss-Werkstücks)

Werkzeuge für Live-Bilder

Die Software unterstützt Live-Bildfunktionen für sofortiges Feedback. Die Software ermöglicht die Interaktion mit dem Live-Bild, das automatisch kalibriert wird, und die Durchführung quantitativer Messungen.

Panorama und Extended Depth of Focus

Schnelles Erstellen von Probenbildern, die über den Standard-Schärfentiefebereich oder das Standardsehfeld hinausgehen. Mit der Funktion Instant-EFI (Extended Focus Image) lassen sich unter Nutzung der Fein-Fokussierung mehrere auf verschiedenen Z-Ebenen aufgenommene Bilder zu einem einzelnen kombinierten, durchgehend scharfen Gesamtbild zusammenfassen. Instant-MIA (Multiple Image Alignment) erleichtert die Aufnahme von Panoramabildern: Der XY-Tisch wird softwaregesteuert bewegt; ein motorisierter Tisch ist nicht länger erforderlich.

Instant EFI image of crystal: fully focused image is created even in low-contrast sample areas

Instant-EFI-Bild eines Kristalls: Selbst in Bildbereichen mit niedrigem Kontrast wird ein vollständig scharfgestelltes Bild erstellt.

Instant MIA image of a coin

Bild einer Münze mit Instant MIA

Bildaufnahmeeinstellungen abrufen

Bereits verwendete Kameraeinstellungen können zur Aufnahme wiederholbarer Bilder mit gleichbleibendem Erscheinungsbild schnell wiederaufgerufen werden. Bei einem motorgesteuerten Mikroskop kann diese Funktion automatisch vorherige Hardware-Einstellungen abrufen. Wird ein Mikroskop der Serien BX, GX oder MX verwendet, führt die Software durch die Schritte, die zum manuellen Aufrufen der Einstellungen erforderlich sind.

Verschiedene Bediener verwenden verschiedene Einstellungen
Different operators use different settings
Einfaches Bestätigen der korrekten Einstellungen
Easily verify the correct settings
Synchronisation der Mikroskopeinstellungen
Synchronize observation settings
Trotz verschiedener Bediener bleiben die Einstellungen dieselben
Regardless of different operators, the settings are the same

3D profilometry of wear track

3D profilometry of wear track

3D-Lösung

Diese Lösung erstellt Höhenprofile aus Bilderstapeln, die automatisch oder manuell an verschiedenen Z-Positionen aufgenommen wurden. Die resultierenden Bilder können mithilfe der Oberflächenansicht dreidimensional dargestellt werden. An den Bildern lassen sich Messungen, zum Beispiel von 3D-Profilen und Höhenunterschieden zwischen zwei oder mehreren Punkten durchführen, und die Ergebnisse können in Arbeitsmappen und Microsoft Excel Arbeitsblätter exportiert werden.

Angeleitete Bedienung für spezielle Analysen

Bei der Bildanalyse führt Sie die Software in der richtigen Reihenfolge durch die Funktionen, Methoden, die den wichtigsten internationalen Normen entsprechen, eingeschlossen. Die Verwendung eines motorgesteuerten Tisches beschleunigt die Ausrichtungsfunktion der Arbeit an verschiedenen Positionen der Probe.

Guided Operation for Specific Analyses
Automatic Calibration

Automatische Kalibrierung

Bei der automatischen Kalibrierungsfunktion wird ein Standardmikrometer zur Kalibrierung des Mikroskops verwendet. Anschließend wird automatisch ein Kalibrierungsbericht erstellt. So wird die durch unterschiedliche Anwender bedingte Variabilität bei der Kalibrierung ausgeschlossen, was zu verlässlicheren Messungen führt.

Automatische Prüfwerkzeuge

Die automatisierten Werkzeuge der Software können einen sehr großen Datensatz in nur wenigen Minuten erstellen. Die automatische Vergrößerungskalibrierung mit einer kalibrierten Strichplatte stellt sicher, dass die Bilder mit dem richtigen Maßstabsbalken angezeigt und die Messungen bestätigt werden. Bei Verwendung von motorgesteuerten XYZ-Tischen können große Bereiche automatisch dargestellt werden, was die Aufnahme von hochauflösenden Bildern großer Probenbereiche ermöglicht.

Sharp and high-contrast MIA image of integrated circuit (IC) pattern (dark field observation with 20X objective lens)

Scharfes und kontrastreiches MIA-Bild des Musters eines integrierten Schaltkreises (IC) (Dunkelfeldbeleuchtung mit 20x Objektiv)

Quantitative Informationen, auf die es ankommt

Mit den Software-Werkzeugen lassen sich quantitative Informationen über die Probe gewinnen. Interaktive Messungen an Live- und Standbildern liefern die grundlegenden Informationen zu Länge, Fläche und Durchmesser eines Merkmals, und die Resultate sind im Bild direkt sichtbar.

Erweiterte interaktive Messfunktionen, wie Zauberstab und komplexe polygonale Formen, ermöglichen die halbautomatische Messung von Flächen, während die Software-Lösung zum Zählen und Messen den Zugriff auf mehr als hundert einzelne Partikelparameter für die quantitative Analyse auf der Grundlage des Schwellenwertverfahrens bietet.

Basic measurement (supra conductor)

Basismessung (Supraleiter)

Magic wand (supra conductor)

Zauberstab (Supraleiter)

Object detection (supra conductor)

Objekterkennung (Supraleiter)

Effiziente Berichterstellung

Oft dauert die Erstellung eines Berichts länger als die Bildaufnahme und die Messungen selbst. Die Software bietet Werkzeuge für die wiederholte Erstellung informativer und detaillierter Berichte auf der Grundlage vorformulierter Vorlagen. Die Bearbeitung ist einfach, und die fertigen Berichte können in Microsoft Word, Excel oder PowerPoint exportiert werden. Darüber hinaus ermöglichen die Werkzeuge der Software zur Berichterstellung die digitale Verkleinerung und Vergrößerung der aufgenommenen Bilder. Die Berichtdateien sind nicht übermäßig groß und lassen sich daher leicht per E-Mail versenden.

Professional report that summarizes particle counting data

Professioneller Bericht mit einer Übersicht der Daten zur Partikelzählung

Integrierte Datenverwaltung

Die Stream Enterprise Datenverwaltungssoftware ermöglicht effiziente Arbeitsabläufe mit großen Datenmengen und vielen Bedienern bei hoher Datensicherheit.

Nutzerrechte und -rollen

Es gibt vier Nutzerrollen: Administrator, Hauptbenutzer, Benutzer und Gast. Jede Rolle kann für mehr Flexibilität individuell angepasst werden. Zudem können Sie bestimmten Personen oder Mitgliedern einer Gruppe Zugriffsrechte für jedes Projekt oder jeden Datensatz zuweisen. Die Authentifizierung ist über die SQL-Anmeldung beim Starten von Stream Enterprise oder über die Integration mit einem vorhandenen Active Directory und Lightweight Directory Access Protocol (LDAP) möglich, um Single-Sign-On-Funktionen (SSO) bereitzustellen.

Secure File Repository

Für zusätzliche Datensicherheit bietet Stream Enterprise das optionale Secure File Repository (SFR) Paket an. Als zusätzliche Sicherheitsebene arbeitet das SFR mit Stream Enterprise zusammen, um Dateianfragen basierend auf der Zugriffsberechtigung eines Nutzers zu verarbeiten. Nutzer ohne Berechtigung zum Öffnen einer Datei sehen diese nicht in ihrem Dateiverzeichnis.

Integration

Stream Enterprise kann so eingerichtet werden, dass sie direkt mit bestehenden Auftragsverwaltungs-, LIMS-, ERP- und CRM-Systemen verbunden werden kann. Für zusätzliche Flexibilität verfügt die Software über integrierte Schnittstellen zu digitalen Kommunikationsprotokollen wie Component Object Model (COM) und Open Database Connectivity (ODBC), die eine einfachere Integration in andere Programme ermöglichen. Zudem wurde eine API-Funktionalität (Application Programming Interface) hinzugefügt, um die Verwendung von Stream Enterprise Prozessen durch andere Programme zu ermöglichen.

Zugriff auf bestehende Datenbanken

Vorhandene Datensätze aus anderen Datenbanken können mit allen relevanten Daten und Metadaten in die Stream Enterprise Software organisiert importiert werden. Es ist auch möglich, einige vorhandene Datenquellen zu verwenden, ohne diese zu importieren (schreibgeschützter Zugriff).

Ihr System

Anwendungsspezifisches Softwarepaket

Die Stream Enterprise Datenverwaltungssoftware wurde für unsere Mikroskope entwickelt und ist ein leistungsstarkes und bedienerfreundliches Messtool. Bei Verwendung der UIS2-Objektive mit einem konventionellen Mikroskop müssen die optischen Parameter nicht manuell erfasst werden. Auch eine Vergrößerungskalibrierung ist nicht erforderlich, wenn Bilder von unseren Mikroskopen der DSX- und LEXT-Serie importiert werden. Die Software ist in verschiedenen Paketen für Einsteiger und Fortgeschrittene erhältlich.

OLYMPUS Stream Softwarepakete

Die OLYMPUS Stream Software ist in vier Paketen mit unterschiedlichen Funktionen erhältlich: Start, Basic, Essentials und Motion. Zur Straffung sich wiederholender Analyseaufgaben können anwendungsspezifische Module der Software für Materiallösungen hinzugefügt werden. Unsere Vertreter können Sie bei der Auswahl des für Sie geeigneten Pakets beraten.

Mehr erfahren

Nahtlose Integration mit den meisten Lichtmikroskopen von Evident

Steuerung von aufrechten Mikroskopen

BX53M microscope and software system

BX53M Mikroskop- und Softwaresystem

Das BX53M Mikroskop arbeitet mit codierten Funktionen, durch die die Integration der Hardware-Einstellungen des Mikroskops mit der Stream Enterprise Datenverwaltungssoftware möglich ist. Das Mikroskopieverfahren, die Beleuchtungsintensität und die Objektivposition werden von der Software und/oder vom Handgerät aufgezeichnet. Die Mikroskopeinstellungen können automatisch mit jedem Bild zusammen gespeichert werden, was die Reproduktion der Einstellungen zu einem späteren Zeitpunkt und ihre Dokumentation für die Berichterstellung erleichtert.

Unsere aufrechten Mikroskope ansehen

Steuerung von Invers-Mikroskopen

GX53 microscope and software system

GX53 Mikroskop- und Softwaresystem

Unsere Digitalkameras bieten eine hochauflösende Ansicht und schnelle Bildübertragung, und unsere Software umfasst alle für die aktuellen komplexen Anforderungen der Metallurgie erforderlichen Werkzeuge. Wählen Sie unter speziell zugeschnittenen Modulen für erweiterte Messungen sowie für Standard- und erweiterte Anwendungen in der Metallographie (mehr als ein Dutzend anwendungsspezifische Routinen verfügbar), mit denen Sie automatisch Daten einfügen und Berichte erstellen können, die die gängigen ASTM- und ISO-Spezifikationen erfüllen.

Unsere Invers-Mikroskopen ansehen

Steuerung von Halbleiter-Mikroskopen

Integrated microscope and software system

Integriertes Mikroskop- und Softwaresystem

Wir bieten mehrere Software-Plattformen an, die sich in unsere Halbleitermikroskop-Stative integrieren lassen und mit denen sich alle motorisierten Funktionen, einschließlich der Digitalkamera und des motorisierten Tisches, steuern lassen. Alle Benutzeroberflächen sind für einfache Prüfung und Kontrolle, erweiterte Bildanalyse oder wiederholte Prüfungen am Standort und Defektprüfungen konzipiert.

Unsere Halbleiter-Mikroskope ansehen

Steuerung von Stereomikroskopen

SZX16 microscope and software system

SZX16 Mikroskop- und Softwaresystem

Der motorisierte Fokustrieb unserer Stereomikroskope ermöglicht effiziente und vollautomatische digitale Dokumentation mit Extended Focal Imaging (EFI). Es können sogar Pseudo-3D-Bilder erstellt werden. Die Software bietet Werkzeuge für unterschiedlichste Aufgaben von einfachen 2D-Messungen bis hin zu komplexen Phasenanalysen und unterstützt eine Vielzahl von Arbeitsabläufen wie Beobachtung, Berichterstellung, Datenbankerstellung und Archivierung.

Unsere Stereomikroskope ansehen

Höhere Leistungsfähigkeit für konfokale Mikroskope und Digitalmikroskope von Evident

Die Stream Enterprise Datenverwaltungssoftware kann für die Nachbearbeitung (Stream Enterprise Desktop) zusammen mit allen Digitalmikroskopen der DSX-Serie und dem LEXT 3D Laser-Scanning-Mikroskop verwendet werden.

LEXT 3D measuring laser microscope

LEXT 3D-Laser-Scanning-Mikroskop

DSX digital microscope series

Digitalmikroskope der DSX-Serie

LEXT 3D-Laser-Scanning-Mikroskop ansehen
DSX Digitalmikroskope ansehen

Unterstützt die meisten Digitalkameras von Evident

Auflösung und Farbtreue

The low-noise, high-resolution images of a 9-megapixel sensor enable the user to zoom deep into the sample, revealing its structures (sandstone)

Die rauscharmen, hochaufgelösten Bilder eines 9-Megapixel-Sensors machen es möglich, tief in die Probe hineinzuzoomen und ihre Strukturen sichtbar zu machen (Sandstein)

Mit der hervorragenden räumlichen Auflösung in Kombination mit einer hohen Pixelzahl lässt sich die volle optische Auflösung der Objektive nutzen. Strukturen und Details der kleinsten Proben können dargestellt werden, selbst bei Verwendung von Objektiven mit geringer Vergrößerung. Dank der hochauflösenden Bilder können Anwender Beobachtungen ausschließlich am Bildschirm vornehmen und somit auf die Nutzung von Okularen verzichten.

Mit Infrarot (IR) mehr erkennen

Brightfield image 5x taken with the DP23M monochrome camera, a. Brightfield image 5x b.) IR image 5x (BP1100 nm filter), c.) Cropped detail 20x IR, d.) Cropped detail 20x IR with DCE filtering

Hellfeldbild 5X, aufgenommen mit der DP23M Monochromkamera
a.) Hellfeldbild 5X
b.) IR-Bild 5X (BP1100-nm-Filter)
c.) Detailausschnitt 20X IR
d.) Detailausschnitt 20x IR mit DCE-Filterung

Der IR-Bildgebungsmodus ist ein Basiswerkzeug für die Qualitätskontrolle und F&E-Labors. Der IR-Modus ermöglicht eine zerstörungsfreie Prüfung durch Siliziumschichten von verpackten Produkten im letzten Schritt der Fertigung.

Unsere Digitalkameras ansehen

Spezielle Mikroskopieverfahren für die Materialwissenschaft

HDR-Bildgebung für stärkeren Kontrast

Die HDR-Bildgebung verbessert den Bildkontrast bei schwierigen Bedingungen (sehr helle und sehr dunkle Bereiche im selben Bild). In diesem Modus können alle Kameras verwendet werden, welche die Stream Enterprise Datenverwaltungssoftware unterstützen, außerdem Spezialkameras mit einem verfügbaren Live-Modus.

Clearly exposed for both dark and bright parts by HDR (Sample: fuel injector bulb)

Klare Darstellung dunkler und heller Teile dank HDR (Probe: Kraftstoffeinspritzkolben)

Contrast enhancement by HDR (Sample: Sliced magnesite)

Kontrastverstärkung durch HDR (Probe: Schliffe von Magnesit)

MIX-Beleuchtung zur Darstellung der Oberflächenstruktur einer Probe

Die Software unterstützt MIX-Beleuchtung

Bei dieser Beleuchtungstechnik werden gerichtete Dunkelfeldbeleuchtung – mit einem LED-Ring zur Beleuchtung eines oder mehrerer Quadranten zu einem gegebenen Zeitpunkt – und das Hellfeld-, Fluoreszenz- oder Polarisationsverfahren kombiniert. Dies ermöglicht das Hervorheben von Defekten und die Unterscheidung zwischen erhabenen Flächen und Vertiefungen, die mit herkömmlichen Mikroskopen meist schwer zu erkennen sind. Bei dem MIX-Kontrastverfahren ist die Lichthofbildung einer Probe reduziert, weswegen es sich zur Visualisierung der Oberflächentextur einer Probe eignet.

Conventional: brightfield shines the light straight down on the sample while traditional darkfield highlights scratches and imperfections on a flat surface by illuminating the sample from the side of the objective

Herkömmlich: Bei der Hellfeldbeleuchtung strahlt das Licht senkrecht auf die Probe ein. Bei der herkömmlichen Dunkelfeldbeleuchtung werden Kratzer und Unregelmäßigkeiten an einer flachen Oberfläche durch Beleuchtung von der Seite des Objektivs her deutlich dargestellt.

Conventional: brightfield shines the light straight down on the sample while traditional darkfield highlights scratches and imperfections on a flat surface by illuminating the sample from the side of the objective

Herkömmlich: Bei der Hellfeldbeleuchtung strahlt das Licht senkrecht auf die Probe ein. Bei der herkömmlichen Dunkelfeldbeleuchtung werden Kratzer und Unregelmäßigkeiten an einer flachen Oberfläche durch Beleuchtung von der Seite des Objektivs her deutlich dargestellt.

Advanced: MIX is a combination of brightfield and directional darkfield from a ring of LEDs; the LEDs can be adjusted to select which direction to illuminate from

Erweiterte Methode: MIX-Beleuchtung ist eine Kombination aus Hellfeld- und gerichteter Dunkelfeldbeleuchtung mit einem LED-Ring. Die LEDs können zur Auswahl der Beleuchtungsrichtung unterschiedlich angesteuert werden.

Lösungen

Lösungen für anspruchsvolle Prüfaufgaben

Industrielabore benötigen für Standardarbeitsabläufe in der Regel wiederholbare und reproduzierbare Ergebnisse. Die Stream Enterprise Datenverwaltungssoftware erleichtert Prüfung, Messung und Analyse mithilfe eines einfachen und zuverlässigen Arbeitsablaufs. Die Software bietet eine Vielzahl von Werkzeugen für verschiedene materialwissenschaftliche Analysen, die Ergebnisse liefern, auf die Sie sich verlassen können.

Evident industrial microscopes support metallurgical analysis solutions

Evident Industriemikroskope unterstützen Lösungen für metallurgische Analysen

Software-Lösung zum Zählen und Messen

Die Software-Lösung zum Zählen und Messen nutzt modernste Schwellenwertverfahren, um Merkmale wie Partikel und Kratzer zuverlässig vom Hintergrund zu unterscheiden. Mehr als 50 verschiedene Objektmess- und -klassifizierungsparameter stehen zur Verfügung, darunter Form, Größe, Position und Pixeleigenschaften.

Conventional software Unclear grain boundaries

Herkömmliche Software
Unklare Korngrenzen

Etched steel microstructure (original image)

Geätztes Stahl-Mikrogefüge (Originalbild)

Stream Enterprise Grain boundaries are clearly detected

Stream Enterprise
Klare Erkennung von Korngrenzen

Grain classification results

Ergebnisse der Kornklassifizierung

Effiziente Analyse

Example of Macro Manager set up for Count and Measure

Beispiel für die Einstellung des Makro-Managers für die Funktion zum Zählen und Messen

Mit dem Makro-Manager können komplexe Messaufgaben programmiert und anschließend mit einem einzigen Klick ausgeführt werden.

Leistungsstarke Bildfilter

Enhanced contrast using the DCE filter (dendrite in an aluminum casting)

Kontrastverstärkung mit dem DCE-Filter (Dendrit in Aluminiumguss)

Die Software bietet eine Vielzahl nützlicher Filter für Kantenerkennung, Glättung und andere Zwecke.

TruAI Deep-Learning-Technologie

Bei der Bildsegmentierung mit herkömmlichen Schwellenwertverfahren anhand der Helligkeit oder Farbe können wichtige Informationen oder Ziele in den Proben übersehen werden. Die TruAI Lösung der Stream Enterprise Datenverwaltungssoftware bietet mit der Deep-Learning-Technologie einen genaueren Segmentierungsansatz, der eine reproduzierbare und robuste Analyse ermöglicht, einschließlich Instanzsegmentierung zur Zerlegung eines Bilds in einzelne Instanzen eines Objekts.

Weitere Informationen über TruAI Deep-Learning

Originalbild einer Braunkohlenflugasche (links) mit OLYMPUS Stream/PRECiV, Bildsegmentierung mit herkömmlichen Schwellwertverfahren (rechts).

Originalbild einer Braunkohlenflugasche (links) in OLYMPUS Stream/PRECiV, Deep Learning Bildsegmentierung (rechts).

Dreidimensionale Messung und Linienprofile

Die 3D-Lösung der Stream Enterprise Datenverwaltungsoftware bietet eine codierte, motorgesteuerte Z-Steuerung und sofortige EFI mit Höhenkartierung zur Vermessung einer dreidimensionalen Probe.

3D surface view (Roughness test sample)

3D-Oberflächenansicht (Testprobe für Oberflächenrauheit)

Single view and 3D profile measurement

Einzelansicht und 3D-Profilmessung

Lösungen für die Metallographie

Solutions for Metallography

Metallographische Analysen werden in der Materialentwicklung, der Eingangsprüfung, der Produktions- und Fertigungskontrolle und der Fehleranalyse eingesetzt.

  • Korngrößenbestimmung nach dem Linienschnittverfahren
  • Planimetrische Korngrößenbestimmung
  • Beurteilung der Kugelgrafitbildung
  • Bestimmung des Anteils an nichtmetallischen Einschlüssen in hochreinem Stahl
  • Vergleich von Probenbildern mit Referenzstandards
  • Automatische oder manuelle Messung der Dendritenarmabstände

Software-Lösungen für den Maschinenbau (Automobil- und metallverarbeitende Industrie)

Solutions for Machinery Processing (Automotive / Machined Parts Industries)

Damit hochwertige Teile produziert werden können, werden Kratzer, Risse, Porengröße und Kontaminationen während des Herstellungsprozesses streng überwacht.

  • Schweißverzug
  • Phasen- und ROI-Messungen
  • Partikelverteilung

Software-Lösungen für die Elektronik (Elektronik- und Halbleiterindustrie)

Solutions for Electronics (Electronic Device / Semiconductor Industries)

Für Leiterplatinen werden sehr dünne Platten beschichtet. Ein wichtiger Schritt bei der Kontrolle der Produktqualität ist die Überprüfung der Homogenität dieser Beschichtung.

  • Messung der Streufähigkeit
  • Automatische Messung kritischer Größen

Software-Lösungen für Oberflächenbeschichtungen und dünne Filmüberzüge (Beschichtungsindustrie)

Solutions for Surface Coatings and Thin Film Deposits (Coating Industries)

Oberflächenbeschichtungen sind beliebige Gemische aus filmbildenden Materialien, die Farbpigmente, Lösemittel und weitere Zusätze enthalten. Sie werden auf eine Oberfläche aufgetragen, gehärtet oder getrocknet und ergeben einen dünnen Film, der eine Funktion erfüllt oder dekorativen Zwecken dient.

  • Bestimmung der Dicke dünner Beschichtungen (Calotest)
  • Schichtdickenmessung
  • Messung des Porenanteils und der Dichte

Kundenspezifische Workflow-Lösungen

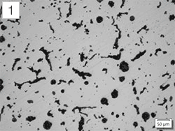
Particle detection
Unser Customizing-Team entwickelt in der Stream Enterprise Datenverwaltungssoftware individuelle Arbeitsabläufe für spezifische Anwendungsszenarien. Die Software-Bedienung wird auf Ihre Anforderungen abgestimmt, sodass Sie Herausforderungen schnell lösen und Ihre Ziele bei mikroskopischen Prüfungen in der Industrie erreichen können.

Materials Solutions für jeden Zweck

Lösungen
Beschreibung
Grain Intercept (Korngrößenbestimmung, Linienschnittverfahren)
Stahlhersteller verwenden diese Software-Lösung zur Messung und Kontrolle der Korngröße nach dem Schneiden, Polieren oder Ätzen von Stahlproben. Diese Funktion basiert auf der Überlagerung von „Testlinien“ und dem Auszählen der Schnittpunkte mit den Korngrenzen.
Grain Planimetric (Korngrößenbestimmung, planimetrisch)
Stahlhersteller verwenden diese Software-Lösung zur Messung und Kontrolle der Korngröße nach dem Schneiden, Polieren oder Ätzen von Stahlproben. Mit dieser Funktion lassen sich Grenzen für jedes Korn rekonstruieren und es lässt sich die Korngrößen mit dem Flächenprozentanteil der zweiten Phase bestimmen.
Non-Metallic Inclusions (Nichtmetallische Einschlüsse)
Stahlhersteller verwenden diese Software-Lösung zur Messung und Kontrolle der Form und Größe nichtmetallischer Einschlüsse (Oxid, Aluminiumoxid, Sulfid oder Silikat) in Stahl.
Cast Iron (Gusseisen)
Diese Software-Lösung wird von Metallgussherstellern verwendet, welche die Kugelgrafitbildung in Metallguss bestimmen und kontrollieren müssen, um die mechanischen Eigenschaften ihrer Gussprodukte zu prüfen.
Chart Comparison (Richtreihenvergleich)
Ein Live- oder Standbild wird zu Vergleichszwecken einem Standarddiagramm überlagert. Es steht eine Funktionsvorschau zur Verfügung.
Dendrite Arm Spacing (Dendritenarmabstand)
Mit dieser Lösung wird der mittlere Dendritenarmabstand in Aluminiumguss manuell oder automatisch bestimmt.
Layer Thickness (Schichtdicke)
Mit der Lösung zur Bestimmung der Schichtdicke können eine oder mehrere Schichten eines Probenquerschnitts gemessen werden. Die Formen werden definiert und die Schichten automatisch gemessen.
Coating Thickness (Beschichtungsdicke)
Diese Software-Lösung erlaubt die Messung der Beschichtungsdicke an Aufsichtbildern mit dem Calotest.
Automatic Measurements (Automatische Messungen)
Mit dieser Software-Lösung lassen sich auf Kantenerkennung basierende Messungen in einem Live-Bild mit Mustererkennung durchführen.
Throwing Power (Streufähigkeit)
Mit dieser Software-Lösung wird die Verteilung der Kupferschichtdicke in Durchgangsbohrungen oder Mikrobohrungen gemessen.
Porosity (Porosität)
Diese Software-Lösung ermöglicht entweder die Messung des Flächenanteils von Poren oder der Anzahl der Oberflächenporen mithilfe von ROIs (kreisförmig, dreieckig, rechteckig und polygonal) und Schwellenwerten.
Particle Distribution (Partikelverteilung)
Diese Software-Lösung wird zur Erstellung von Histogrammen und Tabellen zur Partikelgrößenverteilung aus mehreren Bildern oder Bilderserien verwendet.
Advanced Phase Analysis (Erweiterte Phasenanalyse)
Diese Software-Lösung bietet eine neue integrierte Lösung für Phasenanalysen an einer Auswahl verschiedener Bereiche von Interess (ROIs) wie Dreiecke, Kreise, Rechtecke und Polygone.
Lösungen Metall/Guss Automobilindustrie Glas/Keramik Beschichtung Verbrauchsgüter Elektronische Geräte
Grain Intercept (Korngrößenbestimmung, Linienschnittverfahren)
Grain Planimetric (Korngrößenbestimmung, planimetrisch)
Einschlüsse, schlechtestes Feld
Cast Iron (Gusseisen)
Chart Comparison (Richtreihenvergleich)
Layer Thickness (Schichtdicke)
Coating Thickness (Beschichtungsdicke)
Automatic Measurements (Automatische Messungen)
Throwing Power (Streufähigkeit)
Porosität
Particle Distribution (Partikelverteilung)
Lösungen Halb-
leiter
Flüssigkeiten und Öle Bearbeitete Teile Kohlenstoff/ Verbundwerkstoffe Chemikalien/ Kunststoff/ Gummi Industrielle wissenschaftliche Forschung
Grain Intercept (Korngrößenbestimmung, Linienschnittverfahren)
Grain Planimetric (Korngrößenbestimmung, planimetrisch)
Einschlüsse, schlechtestes Feld
Cast Iron (Gusseisen)
Chart Comparison (Richtreihenvergleich)
Layer Thickness (Schichtdicke)
Coating Thickness (Beschichtungsdicke)
Automatic Measurements (Automatische Messungen) .
Throwing Power (Streufähigkeit)
Porosität
Particle Distribution (Partikelverteilung)
Advanced Phase Analysis (Erweiterte Phasenanalyse)

Spezifikationen

Spezifikationen der Hauptlizenzen

Enterprise Desktop
Bildaufnahme Einfache Bildaufnahme einschließlich HDR und automatische Kalibrierung der Vergrößerung sowie LiveHDR*1, Positionsnavigation*1
Software-Autofokus*2 und Videoaufzeichnung (avi-Format)
Zeitraffer, Instant-EFI und Instant-/manuelle MIA*3
Motorgesteuerte EFI-/MIA- und Z-Stapel-Erfassung
Bild- und Anpassungswerkzeuge Anzeige einfacher Werkzeuge (Bildhistorie, Eigenschaften, Navigator, Galerieanzeige)*4
Anmerkungen, Ebenenverwaltung, Maßstabsleiste, Fadenkreuz, Infostempelanzeige und Bildfilter
Digitales Fadenkreuz/Raster, Linienprofilanzeige, Meine Funktion, Layoutmanagement und Macro Manager
Messungen/Bildanalyse Einfache interaktive Messung (Abstand, Winkel, Rechtecke, Kreise, Ellipsen, Polygone, Abstand zwischen Kreisen, Winkelmesser und Lineal) und Datenexport in MS-Excel
Phasenanalyse, Zauberstab, Freihand-Linienzug, interpoliertes Polygon, Morphologiefilter und Bildarithmetik
3D-Messungen, 3D-Profilmessungen und 3D-Oberflächenansicht
Berichte*5 Berichterstellung (MS-Word- und MS-Excel-Format)
Erstellung der Präsentation
Datenverwaltung Client/Server-Datenverwaltungssystem für eine unbegrenzte Anzahl gleichzeitiger Datenbanknutzer**6
Nutzer-/projektorientierte Verwaltung von Bildern und anderen Dokumenten
Variable Nutzerrechte für Bild und Daten
Schneller und kontrollierbarer Datenzugriff
Leistungsstarke Suchfunktionen
Unterstützte DBMS: Microsoft SQL Server 2008 R2/R2 Express, Microsoft SQL Server 2012 (SP1 und SP2)/Express (SP1 und SP2), Microsoft SQL Server 2014/Express, Microsoft SQL Server 2017/Express, Microsoft SQL Server 2019/Express, Oracle 11g R2/express, Oracle 12g R2/Express
Umfassender Service für sichere Speicherung mit Secure File Repository (SFR) Technologie
Geräteunterstützung Evident Mikroskope**7 und Evident Kameras*8
Kameras und Bildquellenkonverter anderer Hersteller*9
Tischsteuerungen von anderen Herstellern*9
PC-Anforderungen
CPU
Intel® Core i5, Intel® Core i7, Intel® Xeon
RAM / Festplatte / DVD-Laufwerk
4 GB oder mehr (8 GB empfohlen)/2,4 GB oder mehr freier Speicherplatz/Kompatibilität mit DVD+R DL
OS*10
Windows 10 Pro (64-Bit) , Windows 8.1 (64-Bit) Pro
.NET Framework
.NET Framework
Grafikkarte*11
Monitorauflösung 1280 × 1024 Pixel mit 32-Bit-Grafikkarte
Webbrowser
Windows Internet Explorer 8, 9, 10 oder 11

*1 DP74-Kamera erforderlich, für Live-HDR-Funktion 64-Bit-Betriebssystem erforderlich.
*2 Evident Mikroskop erforderlich, mit motorgesteuerter Z-Achse oder externer motorgesteuerter Z-Achse.
*3 Instant MIA funktioniert möglicherweise mit einigen Kameras nicht korrekt.
*4 Schreiben und Lesen aller wichtigen Dateiformate und Öffnen der proprietären Formate von Evident (DSX-, LEXT- und POIR-Dateiformate).
*5 Installation von Microsoft Word 2010, 2013, 2016, 2019 oder Office 365 (wird nicht mitgeliefert) erforderlich.
*6 Microsoft SQL Server Express erforderlich.
*7 Unterstützt BX53M, BX2, IX2, GX, GX53, SZX, SZX2, SZX-ZE, MX, MX63, MX63L, MVX, STM7-CB, CBS, BX3M-CB, BX3M-CBFM, BX-REMCB.
*8 Unterstützt LC20, LC30, LC35, DP22, DP23, DP27, DP28, DP73, DP74, SC30, SC50, SC100, SC180, UC30, UC50, UC90, XC10, XC30, XC50, XM10, DP23M.
*9 Informationen zu unterstützten Geräten erhalten Sie von Evident.
*10 Ab Stream 2.5 sind die Evident Kameras DP74, DP73 und SC180/UC90 nur mit Windows 10/8.1 kompatibel. Windows 7 wird nicht mehr unterstützt.
*11 Konfigurationen für Live-HDR in DP74 erforderlich. CUDA-fähige Grafikkarte der Firma NVIDIA (Compute Capability 2.1 oder höher). Grafikkartentreiber für CUDA 9.1 oder höher

Spezifikationen für spezielle Software-Lösungen

Lösungen Kompatibilität
Desktop Art der Messung
3D Enthalten Teilweise enthalten* 3D-Oberflächenansicht, 3D-Messung, 3D-Profilmessung, motorgesteuerter Z-Stapel/EFI, Instant EFI mit Höhenkarte (erfordert codierte oder motorgesteuerte Z-Achse).
Schweißnahtmessung Software-Lösung Weld Measurement (Schweißnahtmessung) (Messung des geometrischen Verzugs durch Wärmeeinwirkung beim Schweißen)
Count and Measure (Zählen und Messen) Mehrere Schwellenwertmethoden verfügbar (automatisch, manuell HSV, manuell und adaptiv) Das System kann automatisch mehrere Parameter aller segmentierten Objekte messen (Fläche, Seitenverhältnis, Bisektor, Begrenzungsrechteck, Schwerpunkt, ID, Masseschwerpunkt, Intensitätswerte, Konvexität, Durchmesser, Dehnung, Feret, Extent, Abstand zum direkten Nachbarn, Orientierung, Rand, Radius, Form, Rundheit usw.), Tabellenkalkulation und Diagramme mit Einzel- und Verteilungsmessungen.
TruAI Deep Learning Technologie Training neuronaler Netze mit semantischer (gut getrennte Objekte) oder Instanz- (berührende Objekte) Segmentierungsmethode.

* Verwendung der mit der Bildaufnahme verbundenen Funktionen nicht möglich

Spezifikationen für Materiallösungen

Lösungen Ausgabe Funktionen
Enter-prise Desktop

Auto-

Matische

Berichters-

tellung

Arbeit

Smappe

Mit

Einzel-

messungen

Speichern

Aller

Ergebnisse

in den

Bildeigen-

schaften

Art der Messung

Unterstützte

Normen

Grain Intercept (Korngrößenbestimmung, Linienschnittverfahren) Musterauswahl (Kreise, Kreuz, Kreuz & Kreise, vertikale Linien, horizontale Linien, horizontale & vertikale Linien)

Definition der Anzahl Prüflinien zur Bestimmung der Korndehnung

Anzeige des g-Wertes im Werkzeug-Fenster „Material Solution“

ASTM E112-13(2021), ISO 643:2020,

JIS G 0551:2020,

JIS G

0552:1998,

GOST 5639-82,

GB/T 6394

-2017,

DIN 50601:1985, ASTM E1382-97

(2015)

Grain Planimetric (Korngrößenbestimmung, planimetrisch) ■*2 Automatische Extraktion der Korngrenzen

Bessere Bedienbarkeit durch Anwenderinteraktion über Stream-Schieber

Anzeige des g-Wert-Histogramms im Werkzeug-Fenster „Material Solution“ für direkte Interaktion

ASTM E112

-13 (2021),

ISO

643:2020,

JIS G 0551:2020,

JIS G 0552:1998,

GOST

5639-82,

GB/T 6394-2017,

DIN 50601:1985,

ASTM

E1382

-97(2015)

Non-Metallic Inclusions (Nichtmetallische Einschlüsse) Automatische Erkennung nichtmetallischer Einschlüsse anhand der Farbe, Form und Größe

Automatische Klassifizierung von Oxiden, Sulfiden, Silikaten und Aluminaten

Live-Anzeige des erkannten Einschlusses mit Bewertung

Statistische Übersicht der Einschlüsse im gesamten gescannten Bereich

ASTM

E45-18a

(Methode A),

DIN

50602:1985

(Methode M),

ISO 4967:2013

(Methode A),

GB/T

10561-2005

(Methode A,

äquivalent zu ISO

4967),

JIS G

0555:2003

(Methode A,

äquivalent zu ISO

4967),

UNI

3244:1980

(Methode M),

EN

10247:2017

(Methoden P und M),

EN 10247:2007

(Methoden P und M),

ASTM E45-18

(Methode D),

ISO

4967:2013 (Methode B), SEP 1571-2017 (Methoden M und K), EN10247:2017 (Methode K).

Cast Iron (Gusseisen) Bei polierten Proben: automatische Messung der Eigenschaften des Grafitgehalts (Größe, Form und Verteilung)

Bei geätzten Proben: Messung des Ferrit-Perlit-Verhältnisses

Integrierter Arbeitsablauf unter Berücksichtigung des Probenzustands (geätzt oder poliert)
EN ISO 945-1:2018, ASTM A247-17,
JIS G 5502:2001, KS D 4302:2006,
GB/T 9441-2009, ISO 16112:2017,
JIS G 5505:2013, NF A04-197:2017,
ASTM E2567-16a (nur für Kugelgraphitbildung)
Chart Comparison (Richtreihenvergleich) Mehrere Anzeigen verfügbar, einschließlich Live-Überlagerung

Bessere Bedienbarkeit durch Anwenderinteraktion über Stream-Schieber

Für statistische Berechnungen mit den ausgewählten Werten
DIN 50602:1985, ISO 945-1:2019, ISO 643:1983, ISO 643:2012, EN 10247:2017, SEP 1520:1998, SEP 1572:2019, ASTM E112:13(2021), ISO 4505:1978
Layer Thickness (Schichtdicke) Schichtgrenzen können mittels automatischer Erkennung, Zauberstab oder manuell (anhand von 2 oder 3 Punkten) festgelegt werden

Einzelne Messungen können später hinzugefügt oder gelöscht werden.

Die Messung aller Arten von Schichten (mit glatten oder unregelmäßigen Rändern) wird unterstützt.

Mit der Schichtdicken-Messfunktion können Mittelwerte, Maximal- und Minimalwerte sowie statistische Daten für jede einzelne Schicht berechnet werden
Coating Thickness (Beschichtungsdicke) Messen von Drucken in Draufsicht

Berechnung der Beschichtungsdicke entsprechend der Probengeometrie
EN 1071-2:2002, VDI 3824: 2001, ISO 26423:2016
Dendrite Arm Spacing (Dendritenarmabstand) Bestimmung des mittleren Dendritenarm-Abstands in Aluminiumgusslegierungen.
Automatic Measurements (Automatische Messungen) Automatische Abstandsmessung (Punkt zu Punkt, Punkt zu Linie, Kreis zu Kreis, Punkt zu Kreis, Linie zu Kreis)

Automatische Messung des Kreisdurchmessers (Rundheit, Begrenzungsrechteck)

Automatische Messung des Winkels zwischen zwei Linien

Definition von Toleranzwerten für die Messung und visuelle Validierung

Messwiederholbarkeit im Experten- und Benutzermodus
Throwing Power (Streufähigkeit) Manuelle Messungen an ausgewählten Messpunkten auf der Probe

Vorgegebene Punkte, die vom Bediener aktiviert werden

Auswahl der Durchkontaktierung und Dokumentation der Analyse

Bericht und automatische Berechnung auf Grundlage der manuellen Messungen
Porosity (Porosität) Porenerfassung je ROI (Dreieck, Kreis, Rechteck, Polygon oder Zauberstab) mit Überlappungsfunktion

Messung der Dichte, Anzahl und spezifischen Fläche der Poren

Messung der größten Pore

Messung eines bestimmten Größenbereichs
VW 50093/ P6093:2012,
VDG P201-2002, VDG P202-2010,
VDG P211-2010
Particle Distribution (Partikelverteilung) Partikel werden über vereinfachte Schwellenwerteinstellungen definiert.

Automatische Klassifizierung anhand eines ausgewählten Parameters (Größe, Farbe oder Form)

Messung anhand von ROIs und mehreren Schwellenwerten

Definition der Validierung und Codierung gemäß benutzerdefinierter Standards
Advanced Phase Analysis (Erweiterte Phasenanalyse) Phasenanteil je ROI (Dreieck, Kreis, Rechteck oder Polygon)

Zauberstab, Freihandlinie, interpoliertes Polygon, Morphologiefilter und Bildarithmetik werden unterstützt

Messung des Gesamtphasenanteils pro Phase und pro ROI

Wählbare minimale Bereichserfassung

*2 Stream Enterprise Diagramm kann mit der Verteilung ausgegeben werden.

Informationsmaterialien

Blog

Videos

Produktressourcen