Stream Enterprise Data Management Software

Stream Enterpriseデータ管理ソフトウェアでは、鮮明な画像の取得をサポートします。さらに高度な画像解析からさまざまな工業規格に準拠した専門的なレポートの作成まで、スムーズに行うことができます。あらゆる経験レベルのユーザーが、さまざまなイメージング条件下で、画像取得からレポート作成まで、複雑な画像解析タスクを実行できます。

  • Product Availability: This product has been discontinued check out our current product

Stream Enterprise

概要

迅速かつ効率的な検査ワークフロー

Stream Enterpriseデータ管理ソフトウェアでは、鮮明な画像の取得をサポートします。さらに高度な画像解析からさまざまな工業規格に準拠した専門的なレポートの作成まで、スムーズに行うことができます。あらゆる経験レベルのユーザーが、さまざまなイメージング条件下で、画像取得からレポート作成まで、複雑な画像解析タスクを実行できます。

柔軟性に優れたStream Enterpriseソフトウェアは、データセキュリティと計測の信頼性を保ちながら、多種多様なサンプルを迅速かつ正確に観察するための機能を搭載しています。

オプションを組み合わせて機能を拡張させることで、Stream Enterpriseソフトウェアを品質解析、R&D、プロセス開発、品質管理などのさまざまな使用場面に有効利用できます。

https://adobeassets.evidentscientific.com/content/dam/video/videolibrary/videos/Stream_Analysis_Software_480_new_(1).mp4

画像取得とハードウェアサポート

すべての対応カメラ(カラー、モノクロ、IR、SWIR)がソフトウェアの使いやすいカメラ制御と連携し、倍率や校正情報も取得されます。手動または電動ステージを使って、大きな全焦点画像を簡単に撮影できます。

測定、画像解析、オプションの高度なイメージングソリューション

本ソフトウェアでは、高度な画像処理・解析機能により、さまざまな形状を計測できます。マテリアルソリューションワークフローを使用して、規格に準拠した計測も可能です。さまざまな材料科学解析向けツールが豊富にそろっているので、信頼性の高い解析に貢献します。

データ記録と共有

Microsoft SQL Serverに基づくクライアントサーバー技術を使用して、ローカルネットワーク上にデータを安全に保存できます。ユーザー権限とデータセキュリティは、Secure File Repositoryパッケージで強化できます。

レポート作成

データベースに直接接続されたMicrosoft 365を使用する、強力なレポート作成ツールを利用できます。

Stream Enterpriseを30日間無料で試してみましょう。

「デモのお申し込み」をクリックして、最初のボックスで30日間ライセンスを希望していることを確認してください。

使いやすいインターフェースと段階的なガイダンス

鮮明な画像を撮るためのスマートテクノロジー

Smart Technologies for Crisp Image Capture
  • ライブ画像用のツール
  • パノラマと拡張焦点
  • 撮影設定の保存と呼び出し

繰り返し作業をより効率的に

High Efficiency on Repeating Tasks
  • ガイダンス付き操作
  • 定量分析
  • 効率的に画像取得するための自動ツール
  • 効率的なレポート作成

当社の顕微鏡に最適なソフトウェア

当社の光学顕微鏡とシームレスに連携

Seamlessly Integration with Olympus Optical Microscopes
  • 正立顕微鏡
  • 倒立顕微鏡
  • 半導体検査用顕微鏡
  • 実体顕微鏡
  • 3D測定レーザー顕微鏡LEXT
  • DSXデジタルマイクロスコープ

当社のデジタルカメラと連携

Working with Olympus Digital Cameras
  • 色再現力
  • 高解像度
  • リアルタイムのオンスクリーンイメージング

専用の観察方法

Dedicated Observation Methods
  • HDRイメージングによる画像コントラストの向上
  • 独自のMIX観察モードでは明、明視野照明と暗視野照明を組み合わせてサンプルの細部を観察可能

検査課題の解決

高度なイメージングソリューション

Advanced Imaging Solutions
  • カウントと計測(粒子解析)ソリューション
  • 3D画像表示と計測

金属組織学(鉄鋼/鋳物製品)向けソリューション

Solutions for Metallography
  • 切断法による微細組織の粒度解析
  • 計数法による微細組織の粒度解析
  • 黒鉛球状化の評価
  • 高純度鋼における非金属介在物解析
  • チャート比較
  • アルミニウムDAS(デンドライトアームスペーシング)測定

機械加工(自動車/機械加工部品)向けのソリューション

Solutions for Machinery Processing (Automotive / Machined Parts Industries)
  • 溶接部の歪み
  • フェーズ・ROI分析
  • 粒子解析

エレクトロニクス(電子部品/半導体産業)向けのソリューション

Solutions for Electronics (Electronic Device / Semiconductor Industries)
  • スローイングパワー計測
  • ゲートCD(Critical Dimension)の自動計測

表面加工/薄膜蒸着(コーティング)向けのソリューション

Solutions for Surface Coatings and Thin Film Deposits (Coating Industries)
  • 皮膜厚さの評価(カロテスト法)
  • レイヤー厚計測
  • 気孔率解析

Microsoft Officeとのソフトウェアの互換性

直感操作

段階的なガイダンス

柔軟性の高いユーザーインターフェースでは、必要なツールと機能のみを表示することで、煩雑になりがちなデスクトップをすっきりと整理できます。また、画像取得、画像処理、レポート作成など、プロセスのすべてのステップをガイドします。直感的なツールを使用すれば、単純な計測も複雑な計測も簡単に実施できます。

シンプルで分かりやすいレイアウト

このソフトウェアは、直感的に操作ができるシンプルなレイアウトになっています高度な解析も迷うことなく効率的に行えます。

Fast measurements on a live image with just a few clicks of your mouse

マウスを数クリックするだけでライブ画像を素早く計測

Estimating the pore size using live digital reticules (Cross section of die casting)

ライブデジタルレチクルによる気孔サイズの判定
(ダイキャスト切断面)

豊富なライブ画像用ツール

ライブデジタルレチクル、十字線、ライブズーム、ライブフォーカスインジケーター、ライブ画像計測など、さまざまなライブ機能を提供します。これらのツールにより、対象物のピントや位置合わせ、簡易的な計測も素早く行えるので作業時間を節約できます。

クイックパノラマ & 拡張焦点

光学的な焦点深度や撮像範囲を超えて拡張したサンプル画像を作成できます。インスタント EFI(拡張焦点) 機能では、フォーカスハンドルを回すだけでZ位置が異なる多くの画像を結合し、全面にピントが合った1枚の結合画像を容易に構築できます。インスタント MIA(画像貼り合わせ) では、電動ステージを使わなくても、手動XYステージを動かすだけで簡単にパノラマ画像を作成できます。

Instant EFI image of crystal: fully focused image is created even in low-contrast sample areas

クリスタルのインスタントEFI画像:低コントラストのサンプル領域でも全焦点画像を作成

Instant MIA image of a coin

硬貨のインスタントMIA画像

観察条件の再現

観察方法や明るさ、対物レンズ名など、顕微鏡やカメラの観察・撮影条件を記録できるので、その後の使用時や、他のユーザーが使用する際にも、簡単に条件を再現できます。電動顕微鏡の使用時には、この機能で自動的に以前のハードウェア設定を呼び出すことができます。BX、GX、またはMXシリーズ顕微鏡の使用時には、手動で設定を呼び出す方法がガイドされます。

オペレーターごとに異なる条件を使用
Different operators use different settings
正しい条件を簡単に確認できる
Easily verify the correct settings
正しい条件を簡単に確認できる
Synchronize observation settings
オペレーターが違っても条件は同じ
Regardless of different operators, the settings are the same

3D profilometry of wear track

摩耗痕の3D形状測定

3D計測と3Dプロファイル

このソリューションは異なるZ位置で自動または手動で取得したZスタック画像から高さマップを作成できます。3Dサーフェイスビュー機能を使用することで、サンプルの立体的特徴を視覚的に捉えることができます。また、3Dプロファイル表示や複数箇所の段差なども簡単に計測できます。結果はワークブックやMicrosoft Excelにエクスポートできます。

特定解析用のガイド付き操作

画像解析の実行時には、最も一般的な国際規格に準拠する方法など、機能の正しい順序でガイドされます。電動ステージを使用する場合、アライメント機能によって複数のサンプル位置での作業がスピードアップします。

Guided Operation for Specific Analyses
Automatic Calibration

自動キャリブレーション

専用の校正サンプルを用い、スケールの目盛りを自動的に多点で検出して平均値を計算することで、倍率を高精度に校正できます(自動キャリブレーション)。さらに、個人差によるバラツキも排除し、計測の信頼性を高めます。

効率的な自動ツール

ソフトウェアの自動ツールでは、大量のデータをわずか数分で作成することができます。校正された格子レチクルを用いた自動倍率校正によって、画像を適切なスケールバーで表示でき、計測の信頼性が高まります。電動XYZステージを使用して自動的に取得した広域画像から、大きな対象物の高解像画像を作成できます。

Sharp and high-contrast MIA image of integrated circuit (IC) pattern (dark field observation with 20X objective lens)

ハイコントラストなICパターンの自動MIA(画像貼り合わせ)画像(20倍対物レンズによる暗視野観察)

豊富な計測機能

このソフトウェア多彩な計測メニューを搭載しています。対象物の長さや面積、直径などを計測でき、その計測結果をライブ画像や静止画像上に表示できます。

また対象物の輪郭の自動検出や面積比率など、高度な計測用途にも対応しています。

Basic measurement (supra conductor)

基本計測

Magic wand (supra conductor)

輪郭自動検出(マジックワンド)

Object detection (supra conductor)

カウントと計測のクラス分類

効率的なレポート作成

レポート作成には、画像取得や計測よりも多くの時間を費やしてしまうことがよくあります。このソフトウェアでは、事前に設定したカスタムテンプレートを基にして、洗練されたレポートを繰り返し作成できます。レポートはMicrosoft WordやExcelだけでなくPowerPointへ直接出力が可能で、作成後も簡単に編集できます。さらに、取得した画像のデジタルズームや印刷倍率を指定できます。また、作成したレポートのファイル サイズは自動的に圧縮され、Eメール添付でデータ交換時もファイルサイズの心配がありません

Professional report that summarizes particle counting data

デジタルズームによる細部画像などの粒子解析の結果をまとめたレポート

統合されたデータ管理

Stream Enterpriseデータ管理ソフトウェアでは、大量のデータと多数のユーザーが関係するワークフローを、高度なデータセキュリティを保ちながら効率的に実行できます。

ユーザー権限

ユーザー権限には、管理者、パワーユーザー、ユーザー、ゲストの4つがあります。それぞれ、より柔軟性を持たせるためにカスタムで変更することができます。さらに、各プロジェクトや記録データのアクセス権限を、個々のユーザーやグループメンバーに割り当てることができます。認証は、Stream Enterprise起動時のSQLログオンにより行うことも、既存のActive DirectoryとLightweight Directory Access Protocol(LDAP)に統合して、シングルサインオン(SSO)機能を利用することもできます。

Secure File Repository

データセキュリティを高めるため、Stream EnterpriseにはオプションのSecure File Repository(SFR)パッケージが用意されています。SFRは追加のセキュリティ層としてStream Enterpriseと連携して、ユーザーのアクセス許可に基づいてファイル要求を処理します。そのため、ファイルを開く許可のないユーザーにファイルディレクトリが表示されることはありません。

統合

Stream Enterpriseは、既存の発注管理システム、LIMS、ERP、およびCRMシステムと直接連携するように設定できます。さらに柔軟性を高めるため、Component Oject Mdel(COM)やOpen Dabase Connectivity(ODBC)などのデジタル通信プロトコルとの内蔵インターフェースを利用でき、他のプログラムとの連携が容易になります。アプリケーションプログラミングインターフェース(API)機能も追加され、他のプログラムからStream Enterpriseプロセスを利用できます。

既存のデータベースへのアクセス

他のデータベースからStream Enterpriseに既存の記録をインポートして、すべての関連データやメタデータを適切に整理することができます。インポートせずに既存のデータソースの一部を使用することも可能です(読み取り専用アクセス)。

インテグレーション

ソフトウェアパッケージのカスタマイズ

当社の顕微鏡用に開発されたStream Enterpriseデータ管理ソフトウェアは、高性能で使いやすい計測ツールです。従来の顕微鏡でUIS2対物レンズを使用する場合、光学パラメーターを手入力する必要はありません。DSXおよびLEXT顕微鏡から画像を取り込む際も、倍率校正は不要です。このソフトウェアは、エントリーレベルから高度なパッケージまで、ニーズに応じてご用意しています。

Olympus Streamパッケージ

Olympus Streamソフトウェアは、機能に応じてStart、Basic、Essentials、Motionの4パッケージがあります。
アプリケーションに特化したマテリアルソリューションモジュールを追加することで、繰り返し行う解析タスクを効率化できます。お客様に最適なパッケージは、当社までお問い合わせください。

詳細はこちら

多くの当社光学顕微鏡とシームレスに連携

正立顕微鏡の制御

BX53M microscope and software system

BX53M顕微鏡およびソフトウェアシステム

BX53M顕微鏡は顕微鏡のハードウェア設定とStream Enterpriseデータ管理ソフトウェアを統合するコード化された機能を採用しています。観察法、照明の強度、対物レンズの位置は、ソフトウェアやハンドセットにすべて記録されます。顕微鏡の設定は各画像とともに自動的に保存できるので、後で設定を再現したり、レポート作成のために文書化したりするのが簡単になります。

倒立顕微鏡の制御

GX53 microscope and software system

GX53顕微鏡およびソフトウェアシステム

当社のデジタルカメラが高解像度の観察と画像の高速転送を実現する一方で、ソフトウェアには現代の複雑な金属組織解析に必要なツールがすべてそろっています。
拡張計測、標準計測、アドバンスト計測のアプリケーション専用モジュールから選択すると(多数のアプリケーション専用ルーチンを利用可能)、データが自動入力されて、一般的なASTMやISOに準拠したレポートを作成できます。

当社の倒立顕微鏡はこちら

半導体検査用顕微鏡の制御

Integrated microscope and software system

統合された顕微鏡およびソフトウェアシステム

当社では、デジタルカメラや電動ステージなどのあらゆる電動機能を制御する、半導体検査用顕微鏡フレームに統合されたソフトウェアプラットフォームを取りそろえています。各インターフェースは、基本的な検査と制御、高度な画像解析、繰り返し行う現場での検査と欠陥レビューに用に合わせて設計されています。

当社の半導体検査用顕微鏡はこちら

実体顕微鏡の制御

SZX16 microscope and software system

SZX16顕微鏡およびソフトウェアシステム

当社の実体顕微鏡の電動フォーカスドライブは、拡張焦点イメージング(EFI)を使用したデジタル文書化を効率的かつ全自動化します。これによって疑似3D画像も作成できます。ソフトウェアには、簡単な2D計測から複雑なフェーズ分析に適したツールを提供し、観察、レポート作成、データベース作成、アーカイブなどさまざまな操作に対応します。

当社の実体顕微鏡はこちら

当社の共焦点およびデジタル顕微鏡の性能を拡張

デジタルマイクロスコープDSXシリーズおよび3D測定レーザー顕微鏡LEXTには、後処理用Stream Enterpriseデータ管理ソフトウェア(Stream Enterprise Desktop)をご使用ください。

LEXT 3D measuring laser microscope

3D測定レーザー顕微鏡LEXT

DSX digital microscope series

DSXマイクロスコープシリーズ

3D測定レーザー顕微鏡LEXTの詳細はこちら
DSXデジタルマイクロスコープの詳細はこちら

多くの当社デジタルカメラに対応

高解像度と色再現力

The low-noise, high-resolution images of a 9-megapixel sensor enable the user to zoom deep into the sample, revealing its structures (sandstone)

900万画素センサーによる低ノイズの高解像度画像により、サンプルをズームして構造を明らかにすることができます(砂岩)

優れた空間分解能と高画素数を組み合わせ、対物レンズの光学分解能を十分に活用し、低倍率の対物レンズであっても、微細なサンプルの構造や細部の観察が可能です。高解像度画像が得られるので、接眼レンズを使用せずに画面のみで観察を行えます。

赤外線(IR)観察にも対応

Brightfield image 5x taken with the DP23M monochrome camera, a. Brightfield image 5x b.) IR image 5x (BP1100 nm filter), c.) Cropped detail 20x IR, d.) Cropped detail 20x IR with DCE filtering

DP23Mモノクロカメラによる5倍明視野観察画像。
a.) 5倍明視野観察画像
b.) 5倍IR観察画像(BP1100 nmフィルター)
c.) トリミングした20倍IR観察画像
d.) トリミングした20倍IR観察画像(DCEフィルター)
c.) Cropped detail 20x IR,
d.) Cropped detail 20x IR with DCE filtering

IRイメージングモードは、品質管理や研究開発施設の基本ツールです。IRモードでは、可視光を通さない実装されたICチップなどの 内部観察ができます。

当社のデジタルカメラはこちら

材料科学に適した専用の観察方法

HDR画像:明部も暗部も同時に見やすく

独自の画像処理アルゴリズムにより露出時間を変えた複数のHDR(High Dynamic Range)画像を自動合成。ハレーションの抑制やコントラストの強調により、明部から暗部まで鮮明な画像が得られます。Stream Enterpriseデータ管理ソフトウェアでサポートされているすべてのカメラはこのモードで使用でき、専用カメラにはライブモードがあります。

Clearly exposed for both dark and bright parts by HDR (Sample: fuel injector bulb)

HDRで暗部と明部の両方を見やすく露光(サンプル:燃料噴射バルブ)

Contrast enhancement by HDR (Sample: Sliced magnesite)

HDRでコントラスト強化(サンプル:マグネサイト薄片)

MIX 観察:かつてない見えを実現

このソフトウェアはMIX観察に対応しています。

MIX観察の制御も可能です。MIX観察は、明視野照明と暗視野照明を組み合わせ、両方の持ち味を生かした見えを実現します。{MIX観察用の暗視野照明を異なる角度から照射した複数の画像を合成する機能を搭載しています。リング状の照明の映りこみやハレーションを効果的に除去し、サンプル表面の状態をありのままに映し出します。

Conventional: brightfield shines the light straight down on the sample while traditional darkfield highlights scratches and imperfections on a flat surface by illuminating the sample from the side of the objective

従来の観察法:明視野観察では、サンプルの真上から光を照射。一方、暗視野観察は、対物レンズの周辺からリング状にサンプルを照らすことで、平らな表面にある傷や欠陥を明るく浮かび上がらせる。

Conventional: brightfield shines the light straight down on the sample while traditional darkfield highlights scratches and imperfections on a flat surface by illuminating the sample from the side of the objective

従来の観察法:明視野観察では、サンプルの真上から光を照射。一方、暗視野観察は、対物レンズの周辺からリング状にサンプルを照らすことで、平らな表面にある傷や欠陥を明るく浮かび上がらせる。

Advanced: MIX is a combination of brightfield and directional darkfield from a ring of LEDs; the LEDs can be adjusted to select which direction to illuminate from

最新の観察法:MIX観察は、従来の観察方のメリットを組み合わせることができる。
暗視野照明は特定の方向からの部分的な照射も可能。
LEDを調整して照射方向を選択できます。

ソリューション

検査ニーズに適したソリューション

社内の業務標準や外部工業規格に準拠するためにサンプルの解析では繰り返し同じ条件や手順で結果が得られなければなりません。また、それらの標準や規格に従うことは次へのプロセスや取引きの条件の1つとなる場合もあります。Stream Enterpriseデータ管理ソフトウェアは、そのようなニーズに対応するソリューション志向のソフトウェアです。シンプルかつ信頼性の高い特定目的の検査、計測、解析を行うユニークなソリューションを、オプション追加できます。

Evident industrial microscopes support metallurgical analysis solutions

Evidentの工業用顕微鏡は金属解析ソリューションに対応しています。

カウントと計測(粒子解析)ソリューション

ソフトウェアのカウントと計測(粒子解析)ソリューションは、高度なしきい値設定方法により、背景から対象物(粒子やキズなど)を確実に検出します。検出された対象物は、形状・サイズ・位置・画素の特徴など50種類以上のパラメーターで、計測および分類することができます。

Conventional software Unclear grain boundaries

一般的なソフトウェアによる粒界検出
粒界が不鮮明

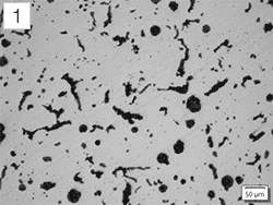
Etched steel microstructure (original image)

エッチング処理された鉄鋼の微細組織
(元の画像)

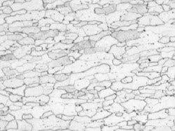
Stream Enterprise Grain boundaries are clearly detected

Stream Enterprise
粒界を鮮明に検出

Grain classification results

クラス分類結果

効率的な解析

Example of Macro Manager set up for Count and Measure

カウントと計測(粒子解析)用のマクロマネージャーの設定例

複雑な画像取得、計測などの作業を簡単にマクロとして記録できます。作成したマクロはワンクリックで実行できます。

強力な画像フィルター

Enhanced contrast using the DCE filter (dendrite in an aluminum casting)

DCEフィルターで強調されたコントラスト(アルミニウム鋳物のデンドライト)

ソフトウェアは、エッジ検出や円滑化などに使用できるさまざまなフィルターを備えています。

TruAIディープラーニング技術

輝度や色味にしきい値を適用する従来の対象物の検出では、サンプル内の重要な情報や対象物を適切に検出できない可能性があります。Stream Enterpriseデータ管理ソフトウェアのTruAIソリューションは、ディープラーニング技術を使用したより正確なセグメンテーションアプローチを提供し、画像をオブジェクトの個々のインスタンスに分割するインスタンスセグメンテーションを含む、再現性と信頼性の高い解析を実現します。

TruAIの詳細はこちら

OLYMPUS Stream/PRECiVでの褐炭フライアッシュの元画像(左)と、従来のしきい値法による画像セグメンテーション(右)。

OLYMPUS Stream/PRECiVでの褐炭フライアッシュの元画像(左)と、ディープラーニングによる画像セグメンテーション(右)。

3D計測とラインプロファイル

Stream Enterpriseデータ管理ソフトウェアの3Dソリューションは、電動Z制御や高さマップ付きのEFI画像取得の機能により、サンプルの3D画像作成や2点間の高さを計測できます。

3D surface view (Roughness test sample)

3Dサーフェイスビュー(粗さ標準片)

Single view and 3D profile measurement

シングルビューと3Dプロファイル計測

金属組織学(鉄鋼/鋳物製品)向けソリューション

Solutions for Metallography

金属組織学は、材料開発、受け入れ検査、生産および製造管理、不良解析などで使用され、、製品の信頼性の確認に欠かせなくなっています。

  • 切断法による微細組織の粒度解析
  • 計数法による微細組織の粒度解析
  • 黒鉛球状化の評価
  • 高純度鋼における非金属介在物解析
  • チャート比較
  • アルミニウムDAS(デンドライトアームスペーシング)測定

機械加工(自動車/機械加工部品)向けのソリューション

Solutions for Machinery Processing (Automotive / Machined Parts Industries)

金属部品を切断、切削、研磨加工する場合、さまざまな細かい不良が発生する可能性があります。そのため、高品質な部品を生産するには、生産過程でキズやひび、凹み、コンタミを厳密に検出する必要があります。

  • 溶接部の歪み
  • フェーズ・ROI分析
  • 粒子解析

エレクトロニクス(電子部品/半導体産業)向けのソリューション

Solutions for Electronics (Electronic Device / Semiconductor Industries)

プリント基板上には極薄のめっき処理が施されており、その厚みの均一 性は製品品質を左右する重要な要素となっています。

  • スローイングパワー計測
  • ゲートCD(Critical Dimension)の自動計測

表面加工/薄膜蒸着(コーティング)向けのソリューション

Solutions for Surface Coatings and Thin Film Deposits (Coating Industries)

コーティングは、顔料、溶剤、その他の添加物を含む膜形成素材を組み合わせたものです。表面に塗布することで硬化または乾燥して薄膜を形成し、保護機能や装飾効果を発揮します。

  • 薄膜厚さの評価(カロテスト法)
  • レイヤー厚計測
  • 気孔率解析

カスタムワークフローソリューション

Particle detection
当社カスタマイズチームでは、特定のアプリケーション用に、Stream Enterpriseデータ管理ソフトウェアのワークフローをカスタマイズします。操作プロセスをお客様の要件に合わせて設定するので、工業顕微鏡検査における課題の迅速な解決に貢献します。

Materials Solutions for Every Purpose

ソリューション
説明
粒度解析(切断法)
鉄鋼素材を扱うメーカーが切断、研磨、エッチング処理後に鉄鋼サンプルの結晶粒のサイズを測定・管理するために使用します。
「試験線」 をオーバーレイし、粒界との交点をカウントすることで粒度番号Gを計算します。
粒度解析(計数法)
鉄鋼素材を扱うメーカーが切断、研磨、エッチング処理後に鉄鋼サンプルの結晶粒のサイズを測定・管理するために使用します。
それぞれの結晶粒の粒界を検出することにより、粒度番号Gと二相目面積率を計算します。
非金属介在物解析
鉄鋼素材を扱うメーカーが鉄鋼の非金属介在物(酸化物系、アルミナ系、硫化物系、シリケート系)の形状とサイズを測定し、管理するために使用します。
鋳鉄解析
造品を扱うメーカーが鋳鉄サンプルの黒鉛球状化率の測定、管理と ともに、鋳造品の機械的特性を確認するために使用します。
チャート比較
種鉄鋼素材を扱うメーカーがライブ画像または静止画を工業規格の標準図と目視比較して評価するために使用します。機能のプレビューを利用できます。
アルミニウムDAS (デンドライトアーム スペーシング)測定
鋳造アルミニウムの平均デンドライトアーム間隔(DAS)等を自動的に 計算します。
レイヤー厚計測
切断面における単層または多層構造のレイヤーの厚さを測定します。塗装膜や多層構造を持つ複合材の各層の厚さの評価など幅広いアプリケーションで使用します。
皮膜厚さ測定
カロテスト法を使用し、ボール研磨を実施したサンプルの皮膜厚さを 測定するために使用します。
自動計測
パターン認識とエッジ検出機能により、あらかじめ設定した自動計測 をライブ画像上で繰り返し実施するために使用します。
スローイングパワー計測
プリント基板を扱うメーカーがスルーホールやマイクロビアの銅めっき厚の均一性を評価するために使用します。
気孔率解析
さまざまな検出範囲(ROI)の設定やしきい値の設定を活用し、サンプル の表面や切断面の気孔の面積、数、密度を計測するために使用します。
粒子解析
取得した画像上の複数の粒子(計測対象物)を検出、計測するために使用します。計測結果の分布は表やヒストグラムでも表示されます。
フェーズ分析PLUS
さまざまな検出範囲(ROI)の設定やしきい値の設定を活用し、画像上 の輝度によるフェーズを素早く検出し、面積率を計測するために使用 します。
ソリューション 鉄鋼/鋳物製品 自動車 硝子/セラミック コーティング 消費財 電子部品
粒度解析(切断法)
粒度解析(計数法)
最悪視野の介在物
鋳鉄解析
チャート比較
レイヤー厚計測
皮膜厚さ測定
自動計測
スローイングパワー計測
気孔率解析
粒子解析
ソリューション 半導体 流体&オイル 機械加工
部品
カーボン/
複合材
化学/
プラスチック/
ゴム
産業系
科学
研究
粒度解析(切断法)
粒度解析(計数法)
最悪視野の介在物
鋳鉄解析
チャート比較
レイヤー厚計測
皮膜厚さ測定
自動計測
スローイングパワー計測
気孔率解析
粒子解析
フェーズ分析PLUS

仕様

メインライセンス

Enterprise Desktop
画像取り込み HDR、倍率の自動校正を含む画像取得の基本機能、LiveHDR*1、位置ナビゲーション*1
ソフトウェアオートフォーカス*2、動画撮影(Avi形式)
タイムラプス、インスタントEFI、インスタント/手動MIA*3
自動EFI/MIA、Zシリーズ画像の取得
画像ツール・カスタマイズ 基本ツールウィンドウ(画像履歴、プロパティ、ナビゲーター、ギャラリービュー)*4
文字・図形描写、レイヤー管理、スケールバー、十字線(クロスライン)、情報スタンプの表示、画像フィルター
スケール付き十字線表示/グリッド、ラインプロファイル表示、お気に入り機能、レイアウト管理、マクロ機能
計測 ツール/画像解析 基本計測ツール(2点間距離、角度、矩形、円、楕円、多角形、円の中心間距離、角度可変スケール、直線ルーラー)、MS Excelへの出力
フェーズ分析、マジックワンド、フリーハンド多角線、補間多角形、モルフォロジーフィルター、画像演算
高さ計測、3Dプロファイル計測、3Dサーフェイスビュー
レポート*5 レポート作成(MS-WordおよびMS-Excel形式)
プレゼンテーション作成
データ管理 無制限の同時データベースユーザー数が可能なクライアント/サーバーデータ管理システム*6
画像や文章のユーザー/プロジェクト指向の管理
画像やデータのユーザー権限を変更可能
高速で制御可能なデータアクセス
高度な検索機能
対応DBMS:Microsoft SQL Server 2008 R2/R2 Express、Microsoft SQL Server 2012(SP1およびSP2)/Express(SP1およびSP2)、Microsoft SQL Server 2014/Express、Microsoft SQL Server 2017/Express、Microsoft SQL Server 2019/Express、Oracle 11g R2/express、Oracle 12g R2/Express
Secure File Repository(SFR)技術による安全な保管のための高度なサービス
制御デバイス エビデント製顕微鏡**7とカメラ*8
他社製のカメラと画像ソースコンバーター*9
他社製ステージコントローラー*9
PC動作環境
CPU
Intel® Core i5、Intel® Core i7、Intel® Xeon
RAM / HDD / DVDドライブ
4 GB以上(8 GB以上推奨)/空き容量2.4 GB以上/DVD+R DL対応
OS*10
Windows 10 Pro(64ビット)、Windows 8.1(64ビット)Pro
.NET Framework
バージョン4.6.2以降
グラフィックカード*11
1280×1024の解像度、32ビット表示が可能なビデオカード
ウェブブラウザー
Windows Internet Explorer 8、9、10、または11

*1 DP74カメラが必要です。Live HDR機能には64ビットのOSが必要です。
*2 電動Z機構付きの当社顕微鏡または他社製電動フォーカスユニットが必要です。
*3 インスタントMIAは一部のカメラで動作しない可能性があります。
*4 各種一般ファイル形式と当社独自の公開ファイル形式(.DSX/.LEXT/.POIR形式ファイル)の読み込み・書き出し
*5 Microsoft Word 2010、2013、2016、2019、またはOffice 365が事前にインストールされている必要があります(付属していません)。
*6 Microsoft SQL Server Expressを利用
*7 BX53M、BX2、IX2、GX、GX53、SZX、SZX2、SZX-ZE、MX、MX63、MX63L、MVX、STM7-CB、CBS、BX3M-CB、BX3M-CBFM、BX-REMCBに対応しています。
*8 LC20、LC30、LC35、DP22、DP23、DP27、DP28、DP73、DP74、SC30、SC50、SC100、SC180、UC30、UC50、UC90、XC10、XC30、XC50、XM10、DP23Mに対応しています。
*9 対応する機器については、当社にお問い合わせください。
*10 Stream 2.5以降では、当社製カメラDP74、DP73、SC180/UC90はWindows 10/8.1のみ対応となります。Windows 7には対応しなくなりました。
*11 DP74ではLive HDR用の構成が必要です。NVIDIA製CUDA対応グラフィックボード(Compute Capability 2.1以上)。CUDA9.1以上に対応したグラフィックボードドライバー。

その他のオプションソフトウェア

ソリューション 組み合わせ可能ライセンス 機能概要
Enterprise Desktop 機能・計測タイプ
3D 標準 一部標準* 3Dサーフェイスビュー、3D計測、3Dプロファイル表示、シリーズ画像取得、高さマップ付きの自動EFI(電動Z機構が必要)
溶接計測 のど厚、非対称線、複数の垂直線の計測
カウントと計測(粒子解析) 多様なしきい値設定(自動、手動HSV、手動、適応)
さまざまなパラメーターで全対象物を自動計測(直径、面積、周囲長、フェレ径、伸長、円形度、色相、重心、配向度など){個別の計測結果およびクラス分類結果を表やグラフに表示
TruAIディープラーニング技術 セマンティック(対象物のクラス識別)またはインスタンス(対象物間の境界を区別)セグメンテーションによるニューラルネットワークの学習

* 画像取得に関する機能は使用できません

マテリアルソリューション

ソリューション 結果出力 機能概要
Enterprise Desktop レポート自動出力 計測結果の表出力 画像プロパティに結果保存 計測タイプ 対応規格
粒度解析(切断法) 試験パターンの選択(円、十字、十字と円、垂直線、水平線、垂直線と水平線)

試験線数の調整(結晶粒の伸長計測用)

マテリアルソリューションのツールウィンドウ上のG値の表示
ASTM E112-13(2021), ISO 643:2020, JIS G 0551:2020, JIS G 0552:1998, GOST 5639-82, GB/T 6394-2017, DIN 50601:1985, ASTM E1382-97(2015)
粒度解析(計数法) ■*2 結晶粒界の自動抽出

抽出条件はStreamスライダーにより簡単操作で設定可能

G値分布のヒストグラム表示(比率を表示)
ASTM E112-13 (2021), ISO 643:2020, JIS G 0551:2020, JIS G 0552:1998, GOST 5639-82, GB/T 6394-2017, DIN 50601:1985, ASTM E1382-97(2015)
非金属介在物解析 色(グレイスケール)、形状、サイズによる非金属介在物の自動検出

酸化物系、アル ミナ系、硫化物系、シリケート系の自動分類

最悪視野:{観察視野における最大の介在物を測定{検出された介在物を結果とともにライブ表示

非金属含有量: {電動ステージによる広範囲の画像取得 取得画像内で介在物の格付け {検出された介在物と格付けの結果は、表形式で出力
ASTM E45-18a (method A), DIN 50602:1985 (method M), ISO 4967:2013 (method A), GB/T 10561-2005 (method A, equivalent to ISO 4967), JIS G 0555:2003 (method A, equivalent to ISO 4967), UNI 3244:1980 (method M), EN 10247:2017 (methods P and M), EN 10247:2007 (methods P and M), ASTM E45-18 (method D), ISO 4967:2013 (method B), SEP 1571-2017 (methods M and K), EN10247:2017 (method K).
鋳鉄解析 エッチング前の標本:黒鉛球状化率、黒鉛の特性(サイズ、形状、分布)

エッチング後の標本:フェライト/パーライト面積率を計測

標本状態(エッチング前/後)を考慮したウィザードを装備
EN ISO 945-1:2018, ASTM A247-17, JIS G 5502:2001, KS D 4302:2006, GB/T 9441-2009, ISO 16112:2017, JIS G 5505:2013, NF A04-197:2017, ASTM E2567-16a (for nodularity only)
チャート比較 複数チャート表示可能(ライブ画像への重ね合わせを含む)

スライダーによる簡単操作で設定可能

選択値による統計分析
DIN 50602:1985, ISO 945-1:2019, ISO 643:1983, ISO 643:2012, EN 10247:2017, SEP 1520:1998, SEP 1572:2019, ASTM E112:13(2021), ISO 4505:1978
レイヤー厚計測 自動、マジックワンド、手動の検出によるレイヤー線の設定(2点または3点指定による)

各計測ポイントを追加、削除可能

開いたレイヤー、閉じたレイヤーの計測可能

全体、個別のレイヤー厚の統計データ(平均、最小、最大値)
皮膜厚さ測定 サンプル上面から取得した画像の圧痕を計測

サンプル形状に対応してめっきなどの薄皮膜の厚さを算出
EN 1071-2:2002, VDI 3824: 2001, ISO 26423:2016
アルミニウムDAS (デンドライトアーム スペーシング)測定 鋳造アルミニウムの平均デンドライトアーム間隔(DAS)等の測定
自動計測 距離を自動的に計測(2点間、点と線間、2円間、点と円間、線と円間)

円の直径(円形度や円を囲む矩形領域)、2線による角度を自動的に測定

2本の線間の角度を自動的に計測

計測対象の公差を設定し、合否判定が可能

管理者・ユーザーモードで繰り返し計測可能
スローイングパワー計測 サンプル上で検査すべき箇所を手動計測

オペレーターが計測開始しやすいように、計測すべき箇所をイラスト表示

スルーホール、ビアの種別の選択が可能

手動測定値を応じて、スローイングパワー(%)を自動計算
気孔率解析 画像内またはROI (三角形、円、矩形、多角形、マジックワンド)内の気孔の検出

気孔の面積率、数、密度の計測

最大気孔径の計測

計測対象径の最大、最小値の設定が可能
粒子解析 輝度のしきい値の設定により粒子を検出

選択されたパラメーター(サイズ、色、形)に従って自動的にクラス分類

複数のROIや複数のしきい値を設定して計測が可能

クラスの範囲や名称はユーザーが設定可能
フェーズ分析PLUS 画像内またはROI (三角形、円、矩形、多角形、マジックワンド)内のフェーズの検出

マジックワンド(輪郭自動検出)、フリーハンド多角線、補間多角形の追加計測パラメーター

画像または全ROIにおけるフェーズの面積率の計測

計測対象サイズの最小値の設定が可能

*2 分布が表示されたStream Enterpriseチャートを出力できます。

カタログ・ビデオ・その他資料

Blog

ビデオ

カタログ・マニュアル