Mikroskoplösungen für die Materialographie
Einführung in die Bedeutung von metallischen Werkstoffen

Metallische Werkstoffe können aufgrund ihrer ausgezeichneten elektrischen Leitfähigkeit und ihrer mechanischen Eigenschaften wie Zugfestigkeit, Ermüdungsfestigkeit und Duktilität als die wichtigsten anorganischen technischen Werkstoffe angesehen werden. Diese Materialien weisen auch eine hohe Flexibilität in Bezug auf ihre mechanischen Eigenschaften auf, da sie durch Wärmebehandlung oder Änderung der Zusammensetzung angepasst werden können. Metallische Werkstoffe werden in der Regel durch die Kombination metallischer Elemente wie Eisen, Titan, Aluminium und Gold mit einer geringen Menge nichtmetallischer Stoffe wie Kohlenstoff, Stickstoff und Sauerstoff hergestellt.

Zu den gängigen Metalllegierungsklassen gehören:

Mikrostrukturelle Eigenschaften der Materialien

Je nach Branche, Art der Legierung und Anwendung sind bestimmte mechanische und mikrostrukturelle Eigenschaften erforderlich, damit ein Produkt unter bestimmten Betriebs- und Umweltbedingungen sicher funktioniert.

Zur Überprüfung der mikrostrukturellen und morphologischen Eigenschaften werden in der Regel die folgenden Analysemethoden an metallischen Teilen und Werkstoffen durchgeführt, um deren Qualität vor und nach Fertigungsprozessen zu bewerten.

Bildanalyse-Lösungen für die Materialographie

Unsere Software für die industrielle Bildanalyse bietet geführte Arbeitsabläufe zur Rationalisierung materialwissenschaftlicher Analysen. Diese Schritt-für-Schritt-Anleitungen ermöglichen reproduzierbare und zuverlässige Ergebnisse. Es können auch mehrere optionale Materiallösungen mit speziellen Arbeitsabläufen für die Materialqualifizierung und -bewertung hinzugefügt werden. Mit diesen Lösungen ist eine Analyse nach den gängigen internationalen Normen (ISO, ASTM, JIS und DIN) möglich. Hier finden Sie Lösungen für eine Vielzahl von Materialien, beispielsweise Metall, Keramik, Beschichtungen, Schweißnähte, Aluminiumlegierungen und Gusseisen.

Alle Materiallösungen können in die PRECiV 2D-Bild- und Messsoftware implementiert werden. Stream Enterprise Datenverwaltungssoftware.

https://adobeassets.evidentscientific.com/content/dam/video/videolibrary/videos/PRECiV_1.2_fv.mp4

PRECiV 2D-Bild- und Messsoftware

Dank der bedienerfreundlichen PRECiV Software haben Prüfer die vollständige Kontrolle über ihr Mikroskop, sodass während Produktion, Qualitätskontrolle und Prüfung wiederholte 2D-Messungen durchgeführt werden können.

Mehr erfahren

https://adobeassets.evidentscientific.com/content/dam/video/videolibrary/videos/Stream_Analysis_Software_480_new_(1).mp4

Stream Enterprise Datenverwaltungssoftware

Die Stream Enterprise Datenverwaltungssoftware ermöglicht schnelle und effiziente Prüfabläufe in allen Prozessschritten der Bildaufzeichnung, quantitativen Messungen und Bildanalyse, Berichterstellung und weiterreichenden Prüfaufgaben im Bereich der Materialforschung.

Mehr erfahren

Materials Solutions

Grain Size (Korngrößenbestimmung)

Korngrößenbestimmung

Mehr erfahren

Cast Iron (Gusseisen)

Gusseisen

Mehr erfahren

Particle Distribution (Partikelverteilung)

Partikelverteilung

Mehr erfahren

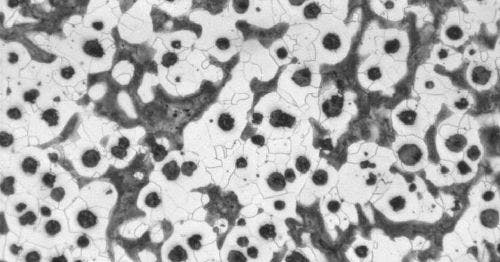
Non-Metallic Inclusion (Nichtmetallische Einschlüsse)

Nichtmetallische Einschlüsse

Mehr erfahren

Porosity Analysis (Porositätsanalyse)

Porositätsanalyse

Mehr erfahren

Phase Analysis (Phasenanalyse)

Phasenanalyse

Mehr erfahren

Dendrite Arm Spacing (Dendritenarmabstand)

Dendritenarmabstand

Mehr erfahren

Layer/Coating Thickness (Schicht-/Beschichtungsdicke)

Schicht-/Beschichtungsdicke

Mehr erfahren

Chart Comparison (Richtreihenvergleich)

Richtreihenvergleich

Mehr erfahren

Mikroskoplösungen für die Materialographie

Wir sind ein führender Hersteller von Mikroskopen für materialwissenschaftliche und industrielle Anwendungen mit über 100 Jahren Erfahrung in der Entwicklung von Mikroskopen. Zusammen mit unserer Bildanalysesoftware bieten wir eine breite Palette von Mikroskopen für die Durchführung von Metallographie und Materialanalyse.

GX53 Inversmikroskop

GX53 Inversmikroskop

Das GX53 Inversmikroskop bietet außergewöhnlich klare Bilder und hervorragende Auflösung bei starker Vergrößerung. Mit seinem modularen Design und Zubehör wie einem codierten Objektivrevolver und Software lässt sich das Mikroskop auf einfache Weise an Ihre Anforderung anpassen.

Mehr erfahren

Aufrechtes BX53M Mikroskop

Aufrechtes BX53M Mikroskop

Mit ihrem modularen Konzept bietet die aufrechte Mikroskopserie BX3M Vielseitigkeit für ein breites Spektrum von Anwendungen in Industrie und Materialforschung.

Mehr erfahren

DSX1000 Digitalmikroskop

DSX1000 Digitalmikroskop

Das DSX100 Digitalmikroskop vereint Benutzerfreundlichkeit mit modernen Funktionen, um Ihre Prüfung zu optimieren. Das DSX100 System bietet eine große Auswahl an leicht zu wechselnden Objektiven, die schnelle Umstellung von Makro- auf Mikrobildgebung sowie genaue Messungen mit einem telezentrischen optischen System.

Mehr erfahren

Digitale Kameras für Mikroskope

Digitale Kameras für Mikroskope

Unsere digitalen Mikroskopkameras sind nur für den Einsatz mit Mikroskopen konzipiert. Sie sind nahtlos mit unseren Mikroskopen und Bildanalyse-Softwarelösungen kompatibel und bieten hohe Live-Bildraten mit voller Auflösung.

Mehr erfahren

Materialographie-Anwendungsbeispiele

Nonmetallic Inclusion Analysis in Steel

View Application Note

Nonmetallic Inclusion Analysis in Steel

Evaluation of Steel Grain Size

View Application Note

Evaluation of Steel Grain Size

Bewertung von Gusseisen mit Kugelgraphit

Anwendungsbeispiel anzeigen

Bewertung von Gusseisen mit Kugelgraphit

Bewertung durch visuelle Vergleiche mit Standarddiagrammen von Industrienormen

Anwendungsbeispiel anzeigen

Bewertung durch visuelle Vergleiche mit Standarddiagrammen von Industrienormen

Messung der Schweißnahtdicke mit der OLYMPUS Stream Software für die Bildanalyse

Anwendungsbeispiel anzeigen

Messung der Schweißnahtdicke mit der OLYMPUS Stream Software für die Bildanalyse

Verwendung der Bildanalyse-Software zur Bestimmung der Streufähigkeit bzw. der Gleichmäßigkeit der Kupferschichtdicke von Leiterplatten

Anwendungsbeispiel anzeigen

Verwendung der Bildanalyse-Software zur Bestimmung der Streufähigkeit bzw. der Gleichmäßigkeit der Kupferschichtdicke von Leiterplatten

Gusseisenanalyse

Anwendungsbeispiel anzeigen

Gusseisenanalyse

Korngrößenanalyse in Metallen und Legierungen

Anwendungsbeispiel anzeigen

Korngrößenanalyse in Metallen und Legierungen