Systèmes de microscopie pour la matérialographie
Introduction à l’importance des matériaux métalliques

Les matériaux métalliques peuvent être considérés comme les matériaux d’ingénierie inorganiques les plus importants en raison de leur excellente conductivité électrique et de leurs propriétés mécaniques, telles que la résistance à la traction, la résistance à la fatigue et la ductilité. Ces matériaux présentent également une grande flexibilité en ce qui a trait à leurs propriétés mécaniques, car ils peuvent être ajustés au moyen de traitements thermiques ou de changements de composition. Les matériaux métalliques sont généralement fabriqués en combinant des éléments métalliques, comme le fer, le titane, l’aluminium et l’or, avec une petite quantité de matériaux non métalliques, tels que le carbone, l’azote et l’oxygène.

Les classes d’alliages métalliques courantes comprennent :

Propriétés microstructurales des matériaux

Selon le type d’industrie, d’alliage et d’utilisation, certaines propriétés mécaniques et microstructurales spécifiques sont requises pour qu’un produit fonctionne en toute sécurité dans des conditions opérationnelles et environnementales précises.

Les méthodes d’analyse suivantes sont couramment utilisées pour les inspections microstructurales et morphologiques de pièces et matériaux métalliques afin de vérifier leur qualité avant et après les processus de fabrication.

Outils d’analyse d’images pour la matérialographie

Notre logiciel d’analyse d’images industrielles offre des processus opérationnels guidés qui simplifient les analyses en sciences des matériaux. Les instructions étape par étape qu’il fournit permettent l’obtention de résultats reproductibles et fiables. Diverses solutions dédiées aux matériaux (Materials Solutions) peuvent être ajoutées en option aux processus opérationnels spécialisés aux fins de la qualification et de l’évaluation des matériaux. Ces solutions vous permettent d’effectuer une analyse selon les normes internationales courantes (ISO, ASTM, JIS et DIN). Vous trouverez des solutions pour différents matériaux, notamment le métal, les céramiques, les revêtements, les soudures, les alliages d’aluminium et la fonte.

Toutes les solutions dédiées aux matériaux peuvent être implantées dans le logiciel d’imagerie et de mesure 2D PRECiV™ et le logiciel de gestion de données Stream Enterprise.

https://adobeassets.evidentscientific.com/content/dam/video/videolibrary/videos/PRECiV_1.2_fv.mp4

Logiciel d’imagerie et de mesure 2D PRECiV™

Facile à utiliser, le logiciel PRECiV™ vous donne le contrôle de votre microscope pour que vous puissiez effectuer des mesures en 2D répétées au cours des phases de production, de contrôle qualité et d’inspection.

En savoir plus

https://adobeassets.evidentscientific.com/content/dam/video/videolibrary/videos/Stream_Analysis_Software_480_new_(1).mp4

Logiciel de gestion de données Stream Enterprise

Le logiciel de gestion de données Stream Enterprise offre des processus d’inspection rapides et efficaces pour l’ensemble des étapes à effectuer, notamment l’acquisition d’images, la prise de mesures quantitatives, l’analyse d’images, la création de rapports et la réalisation de travaux d’inspection avancés en sciences des matériaux.

En savoir plus

Fonctionnalités dédiées aux matériaux (Material Solutions)

Granulométrie

Granulométrie

En savoir plus

Fonte

Fonte

En savoir plus

Distribution des particules

Distribution des particules

En savoir plus

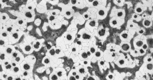
Inclusion non métallique

Inclusion non métallique

En savoir plus

Analyse de la porosité

Analyse de la porosité

En savoir plus

Analyse de phase

Analyse de phases

En savoir plus

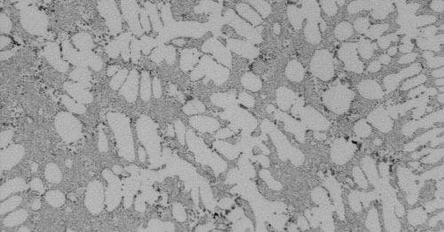
Espacement entre les branches dendritiques

Espacement entre les branches dendritiques

En savoir plus

Épaisseur de couches ou de revêtement

Épaisseur de couches ou de revêtements

En savoir plus

Comparaison par abaques

Comparaison avec abaques

En savoir plus

Systèmes de microscopie dédiés à la matérialographie

Nous sommes l’un des principaux fabricants de microscopes pour les sciences des matériaux et les applications industrielles, avec plus de 100 ans d’expérience dans le développement de microscopes. En plus de notre logiciel d’analyse d’images, nous fournissons une large gamme de microscopes permettant la réalisation d’analyses de matériaux et de métallographie.

Microscope inversé GX53

Microscope inversé GX53

Le microscope inversé GX53 se caractérise par une clarté d’image exceptionnelle et une excellente résolution à des grossissements importants. Sa conception modulaire permet d’adapter facilement le microscope à vos besoins, notamment grâce à ses accessoires, tels que la tourelle porte-objectifs rotative encodée et le logiciel.

En savoir plus

Microscope droit BX53M

Microscope droit BX53M

Conçus pour offrir une excellente modularité, les microscopes droits de la série BX3M offrent une grande polyvalence et sont adaptés à de nombreux types d’utilisations dans les domaines de l’industrie et des science des matériaux.

En savoir plus

Microscope numérique DSX1000

Microscope numérique DSX1000

Facile à utiliser, le microscope numérique DSX100 est équipé de fonctionnalités de pointe qui simplifient la réalisation de vos observations. Le système DSX100 comprend une large sélection d’objectifs faciles à changer et permet d’effectuer un passage rapide de la macro à la micro-observation et des mesures précises grâce à un objectif télécentrique.

En savoir plus

Caméras numériques pour microscopes

Caméras numériques pour microscopes

Nos caméras numériques pour microscopes sont conçues pour être exclusivement utilisées avec des microscopes. Étant parfaitement compatibles avec nos microscopes et logiciels d’analyse d’images, elles permettent d’obtenir des cadences élevées d’imagerie en temps réel, en très haute résolution.

En savoir plus

Utilisations en matérialographie

Analyse d’inclusions non métalliques dans de l’acier

Lire la note d’application

Analyse d’inclusions non métalliques dans de l’acier

Évaluation de la granulométrie dans de l’acier

Lire la note d’application

Évaluation de la granulométrie dans de l’acier

Évaluation de fonte à graphite sphéroïdal

Lire la note d’application

Évaluation de fonte à graphite sphéroïdal

Évaluation à l’aide de comparaisons visuelles avec des schémas standard de normes industrielles

Lire la note d’application

Évaluation à l’aide de comparaisons visuelles avec des schémas standard de normes industrielles

Mesure de l’épaisseur de l’apothème de soudures avec le logiciel d’analyse des images OLYMPUS Stream

Lire la note d’application

Mesure de l’épaisseur de l’apothème de soudures avec le logiciel d’analyse des images OLYMPUS Stream

Utilisation d’un logiciel d’analyse d’image pour mesurer le pouvoir de pénétration ou l’uniformité de l’épaisseur du cuivrage de circuits imprimés

Lire la note d’application

Utilisation d’un logiciel d’analyse d’image pour mesurer le pouvoir de pénétration ou l’uniformité de l’épaisseur du cuivrage de circuits imprimés

Analyse de la fonte

Lire la note d’application

Analyse de la fonte

Mesure de la granulométrie dans les métaux et les alliages

Lire la note d’application

Mesure de la granulométrie dans les métaux et les alliages